Your dashboard services.
Register to access all tools.

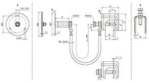
Wypusty uziemiające z elastycznym zaciskiem przyłączeniowym

Do montażu w betonie jako elastyczne, odporne na korozję połączenie z instalacją uziemienia w celu ustanowienia połączenia wyrównawczego ochronnego i/lub połączenia wyrównawczego funkcjonalnego przewodów odprowadzających, np. do zbrojenia budynków.
Elastyczne przewody przyłączeniowe o długości do 1000 mm zapewniają maksymalną elastyczność między zewnętrznym punktem przyłączenia a połączeniem wewnętrznym.
Uniwersalny zacisk przyłączeniowy umożliwia łączenie prętów zbrojeniowych i materiałów okrągłych od 8 do 28 mm, a także płaskowników 30 x 3,5 mm lub grubszych.
W przypadku podwójnego gwintu M10 i M12 należy przestrzegać następujących minimalnych długości śrub:
35 mm dla M10 (długość gwintu 40 mm)
15 mm dla M12 (długość gwintu 20 mm)

2 Produkty

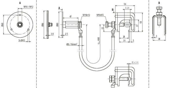
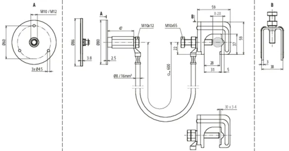
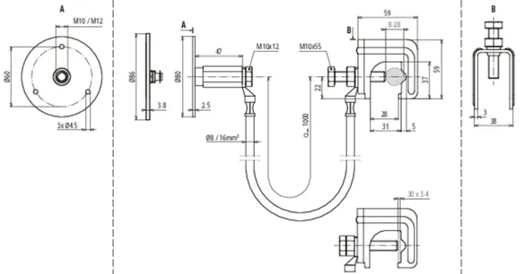
Nr kat. 416940 UES 16 L600 VK RD8 28 FL30 EFP

GTIN / EAN 4013364360280, Nr taryfy celnej (EU): 85359000, Waga brutto: 530.00 g, Jednostka opakowaniowa: 25.00 szt.


Rysunki

Informacje dodatkowe

Zestaw przyłączeniowy składa się z
przewodu połączeniowego wyposażonego w
zacisk przyłączeniowy i wypust uziemiający
do bezpiecznego połączenia elektrycznego
wypustu uziemiającego ze
zbrojeniem/prętem zbrojeniowym
Zestaw połączeniowy zapewnia
bezpieczne połączenie elektryczne
od określonego pręta zbrojeniowego
(pręta podłużnego), który jest używany jako przewód odprowadzający
do zwodów,
elementów elewacji, szyn dźwigowych,
kablowych systemów nośnych, instalacji uziemiającej,
połączenia wyrównawczego funkcjonalnego itp.
Connecting clamp material: St/bare
Zakres zacisku przyłączeniowego (drut): 8-28 mm
Zakres zacisku przyłączeniowego (płaskownik): 30 x 3-4 mm
Fixed earthing terminal material: StSt (V4A)
Fixed earthing point terminal thread: M10 / M12
Bridging cable material: Flexible copper conductor, frost-resistant
Bridging cable cable length: 600 mm
Bridging cable cable cross section: 16 mm2
Standard: EN 62561-1

Producent: DEHN
Typ: UES 16 L600 VK RD8 28 FL30 EFP
Nr kat.: 416940
lub podobny.

Certyfikaty

 

Dane techniczne

Connecting clamp material St/bare
Zakres zacisku przyłączeniowego (drut) 8-28 mm
Zakres zacisku przyłączeniowego (płaskownik) 30 x 3-4 mm
Fixed earthing terminal material StSt (V4A)
Fixed earthing point terminal thread M10 / M12
Bridging cable material Flexible copper conductor, frost-resistant
Bridging cable cable length 600 mm
Bridging cable cable cross section 16 mm2
Standard EN 62561-1

Produkt 416940 został dodany do notatnika.

Do koszyka dodano produkt 416940.

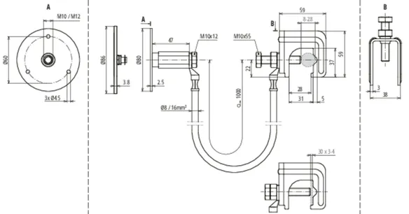
Nr kat. 416950 UES 16 L1000 VK RD8 28 FL30 EFP

GTIN / EAN 4013364508620, Nr taryfy celnej (EU): 85359000, Waga brutto: 650.00 g, Jednostka opakowaniowa: 25.00 szt.


Rysunki

Informacje dodatkowe

Zestaw przyłączeniowy składa się z
przewodu połączeniowego wyposażonego w
zacisk przyłączeniowy i wypust uziemiający
do bezpiecznego połączenia elektrycznego
wypustu uziemiającego ze
zbrojeniem/prętem zbrojeniowym
Zestaw połączeniowy zapewnia
bezpieczne połączenie elektryczne
od określonego pręta zbrojeniowego
(pręta podłużnego), który jest używany jako przewód odprowadzający
do zwodów,
elementów elewacji, szyn dźwigowych,
kablowych systemów nośnych, instalacji uziemiającej,
połączenia wyrównawczego funkcjonalnego itp.
Connecting clamp material: St/bare
Zakres zacisku przyłączeniowego (drut): 8-28 mm
Zakres zacisku przyłączeniowego (płaskownik): 30 x 3-4 mm
Fixed earthing terminal material: StSt (V4A)
Fixed earthing point terminal thread: M10 / M12
Bridging cable material: Flexible copper conductor, frost-resistant
Bridging cable cable length: 1000 mm
Bridging cable cable cross section: 16 mm2
Standard: EN 62561-1

Producent: DEHN
Typ: UES 16 L1000 VK RD8 28 FL30 EFP
Nr kat.: 416950
lub podobny.

Certyfikaty

 

Dane techniczne

Connecting clamp material St/bare
Zakres zacisku przyłączeniowego (drut) 8-28 mm
Zakres zacisku przyłączeniowego (płaskownik) 30 x 3-4 mm
Fixed earthing terminal material StSt (V4A)
Fixed earthing point terminal thread M10 / M12
Bridging cable material Flexible copper conductor, frost-resistant
Bridging cable cable length 1000 mm
Bridging cable cable cross section 16 mm2
Standard EN 62561-1

Produkt 416950 został dodany do notatnika.

Do koszyka dodano produkt 416950.


Powrót na górę