Your dashboard services.
Register to access all tools.

Wodoszczelne przepusty ścienne do białej wanny

Piwnice w budynkach w nowoczesnej technologii budowlanej często są wykonywane w formie białej wanny. W technologii białej wanny brak konieczności stosowania jakiejkolwiek dodatkowej warstwy hydroizolacyjnej, ponieważ płyta fundamentowa i ściany zewnętrzne są skonstruowane jako zamknięta całość, wanna, wykonana z betonu o wysokiej odporności na przenikanie wody zgodnie z normami DIN EN 206-1 i DIN 1045-2. Beton ten określany jest jako beton wodonieprzepuszczalny lub wodoszczelny.

Podczas montażu materiału uziemiającego w tej technologii należy zachować co najmniej 5-centymetrową warstwę osłonową betonu (ze względu na ochronę przed korozją), tym samym w obszarze instalacji nie należy spodziewać się wilgoci, a beton działa jak izolacja. Z tego powodu w budynkach z białą wanną należy ułożyć uziom na zewnątrz. W nowych budynkach uziom ten jest zwykle montowany w warstwie chudego betonu pod płytą fundamentową.
Skutki zmiany receptury na beton wodonieprzepuszczalny opisuje obowiązująca norma DIN 18014: 2007-09 „Uziom fundamentowy – ogólne zasady planowania”.
Uziomy otokowe w postaci siatek montowanych pod płytami fundamentowymi zgodnie z normą DIN 18014 należy doprowadzić w ramach wyrównywania potencjałów do głównej szyny uziemiającej (GSU) (wcześniej: głównej szyny wyrównawczej GSW) do wnętrza budynku.

Przyłączenie elektryczne do uziomu otokowego musi być również wodonieprzepuszczalne. Opracowując wodoszczelne przepusty ścienne, firma DEHN stworzyła produkt spełniający wymagania dla technologii białej wanny. Było to możliwe, ponieważ podczas prac koncepcyjnych zadbano o to, aby warunki testowe do sprawdzania komponentów były możliwie zbliżone do rzeczywistych. Tym samym próbki testowe zostały zabetonowane w betonowym korpusie (Obraz 1), a następnie poddane badaniu wodoszczelności. W standardowej technologii budowlanej powszechne są sytuacje montażowe do głębokości 10 m (np. parkingi podziemne). Próbki testowe zostały przebadane w takiej właśnie sytuacji montażowej i poddane ciśnieniu wody 1 bar (Obraz 2). Po procesie utwardzania zastosowanego betonu, próbki testowe zostały przebadane pod ciśnieniem wody i sprawdzone pod kątem wodoszczelności w badaniu długoterminowym (65 godzin).
Poziom kompleksowości w przypadku przepustów jest wyższy ze względu na efekt kapilarny. Oznacza to, że ciecze (np. woda) rozprzestrzeniają się inaczej w wąskich szczelinach lub rurkach i są dosłownie wciągane lub zasysane do wnętrza budynku. Powstawanie ewentualnych wąskich szczelin lub rurek może być efektem procesu utwardzania i związanego z nim kurczenia się betonu.
Dlatego też ważne jest, aby montaż przepustu ściennego w szalunku przeprowadzić profesjonalnie i zgodnie ze sztuką, jak opisano szczegółowo w powiązanych instrukcjach montażu.

– Wykonanie do montażu w szalunku z przegrodą wodną i podwójnym gwintem M10 / M12 do podłączenia, np. do szyny wyrównawczej;
– Regulacja w zależności od grubości ściany za pomocą gwintu M10 i nakrętki zabezpieczającej;
– W razie potrzeby przepust można również skrócić na gwincie;
– W zestawie łącznik (stal ocynkowana ogniowo o wymiarach 30 x 4 mm) z kwadratowym otworem do połączenia z ramą zaciskową do przewodów okrągłych lub zaciskiem krzyżowym do płaskowników

3 Produkty

Nr kat. 478530 WD M10 12 V4A DWD L200 300 STTZN

GTIN / EAN 4013364120341, Nr taryfy celnej (EU): 85359000, Waga brutto: 697.00 g, Jednostka opakowaniowa: 10.00 szt.


Rysunki

Informacje dodatkowe

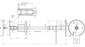
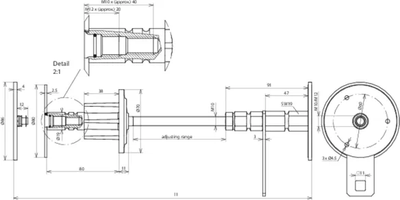
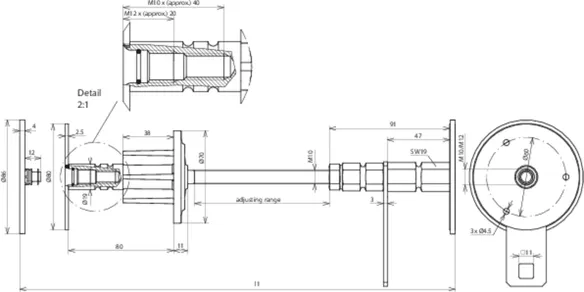
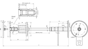
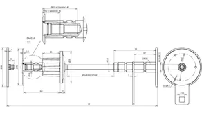
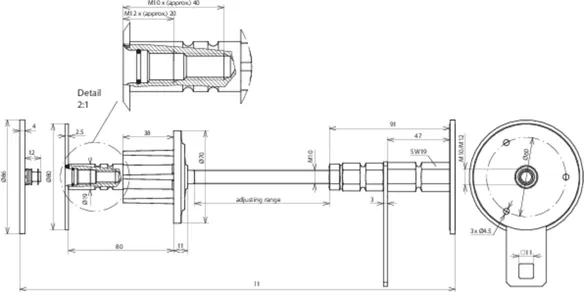
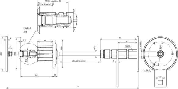
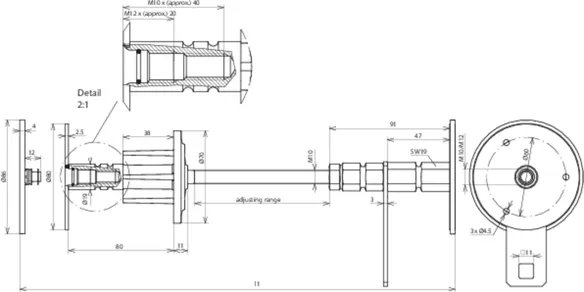
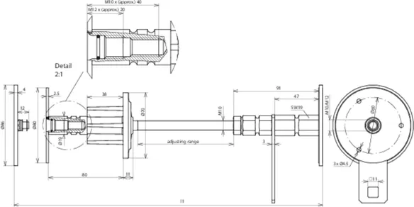
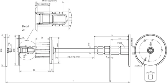
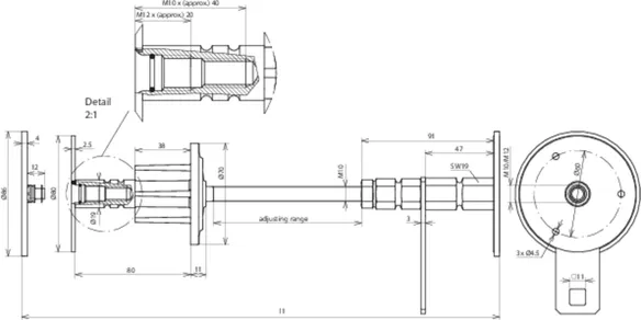
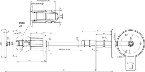
Wodoszczelny przepust ścienny do białej wanny, stal nierdzewna (V4A)
Wodoszczelny przepust ścienny do białej wanny nadaje się
do tworzenia wodoszczelnych przepustów
w ścianach np. w celu podłączenia uziomu otokowego do
szyny wyrównawczej lub
przewodu wyrównawczego w fundamencie.
Materiał płytki: stal nierdzewna (V4A)
Nr materiału: 1.4571 / 1.4404 / 1.4401
Materiał prętu: stal ocynkowana ogniowo
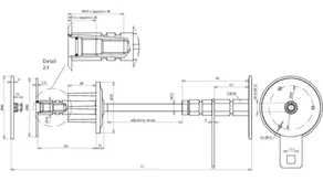
Grubość ściany: 200-300 mm
Gwint przyłączeniowy: M10 / 12
Prąd zwarciowy (AC 50 Hz / DC): 2,6 kA
Spełnia wymagania normy: PN-EN 62561-(1+5)

Producent: DEHN
Typ: WD M10 12 V4A DWD L200 300 STTZN
Nr kat.: 478530
lub podobny.

Certyfikaty

 

Dane techniczne

Materiał płytki stal nierdzewna (V4A)
Nr materiału 1.4571 / 1.4404 / 1.4401
Materiał prętu stal ocynkowana ogniowo
Grubość ściany (l1) 200-300 mm
Gwint przyłączeniowy M10 / 12
Płytka przyłączeniowa Ø 80 mm
Prąd zwarciowy (AC 50 Hz / DC) (1 s; ≤ 300°C) 2,6 kA
Spełnia wymagania normy PN-EN 62561-(1+5)

Produkt 478530 został dodany do notatnika.

Do koszyka dodano produkt 478530.

Nr kat. 478540 WD M10 12 V4A DWD L300 400 STTZN

GTIN / EAN 4013364120358, Nr taryfy celnej (EU): 85359000, Waga brutto: 750.00 g, Jednostka opakowaniowa: 4.00 szt.


Rysunki

Informacje dodatkowe

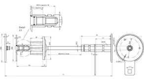
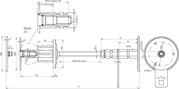
Wodoszczelny przepust ścienny do białej wanny, stal nierdzewna (V4A)
Wodoszczelny przepust ścienny do białej wanny nadaje
się do tworzenia wodoszczelnych przepustów
w ścianach np. w celu podłączenia uziomu otokowego do
szyny wyrównawczej lub
przewodu wyrównawczego w fundamencie.
Materiał płytki: stal nierdzewna (V4A)
Nr materiału: 1.4571 / 1.4404 / 1.4401
Materiał prętu: St/tZn
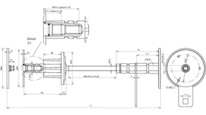
Grubość ściany: 300-400 mm
Gwint przyłączeniowy: M10 / 12
Prąd zwarciowy (AC 50 Hz / DC): 2,4 kA
Spełnia wymagania normy: PN-EN 62561-(1+5)

Producent: DEHN
Typ: WD M10 12 V4A DWD L300 400 STTZN
Nr kat.: 478540
lub podobny.

Certyfikaty

 

Dane techniczne

Materiał płytki stal nierdzewna (V4A)
Nr materiału 1.4571 / 1.4404 / 1.4401
Materiał prętu St/tZn
Grubość ściany (l1) 300-400 mm
Gwint przyłączeniowy M10 / 12
Płytka przyłączeniowa Ø 80 mm
Prąd zwarciowy (AC 50 Hz / DC) (1 s; ≤ 300°C) 2,4 kA
Spełnia wymagania normy PN-EN 62561-(1+5)

Produkt 478540 został dodany do notatnika.

Do koszyka dodano produkt 478540.

Nr kat. 478550 WD M10 12 V4A DWD L400 500 STTZN

GTIN / EAN 4013364120365, Nr taryfy celnej (EU): 85359000, Waga brutto: 838.50 g, Jednostka opakowaniowa: 4.00 szt.


Rysunki

Informacje dodatkowe

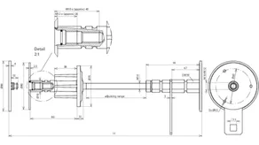
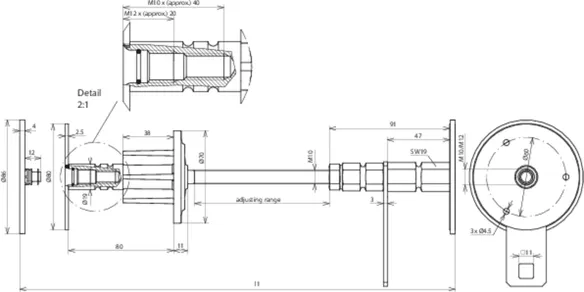
Wodoszczelny przepust ścienny do białej wanny, stal nierdzewna (V4A)
Wodoszczelny przepust ścienny do białej wanny nadaje
się do tworzenia wodoszczelnych przepustów
w ścianach np. w celu podłączenia uziomu otokowego do
szyny wyrównawczej lub
przewodu wyrównawczego w fundamencie.
Materiał płytki: stal nierdzewna (V4A)
Nr materiału: 1.4571 / 1.4404 / 1.4401
Materiał prętu: St/tZn
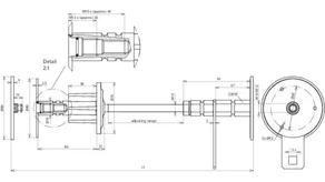
Grubość ściany: 400-500 mm
Gwint przyłączeniowy: M10 / 12
Prąd zwarciowy (AC 50 Hz / DC): 2 kA
Spełnia wymagania normy: PN-EN 62561-(1+5)

Producent: DEHN
Typ: WD M10 12 V4A DWD L400 500 STTZN
Nr kat.: 478550
lub podobny.

Certyfikaty

 

Dane techniczne

Materiał płytki stal nierdzewna (V4A)
Nr materiału 1.4571 / 1.4404 / 1.4401
Materiał prętu St/tZn
Grubość ściany (l1) 400-500 mm
Gwint przyłączeniowy M10 / 12
Płytka przyłączeniowa Ø 80 mm
Prąd zwarciowy (AC 50 Hz / DC) (1 s; ≤ 300°C) 2 kA
Spełnia wymagania normy PN-EN 62561-(1+5)

Produkt 478550 został dodany do notatnika.

Do koszyka dodano produkt 478550.


Powrót na górę