Your dashboard services.
Register to access all tools.

Mocowanie rur wsporczych

Nasza oferta obejmuje szeroką gamę wsporników i uchwytów do rur wsporczych pozwalających na mocowanie na balustradach, murach lub okrągłych wspornikach stalowych. Częściowo z punktem łączeniowym do połączeń wyrównawczych.

Zaciski na rurę

1 Produkt

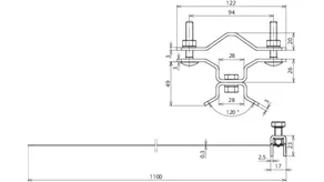
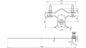
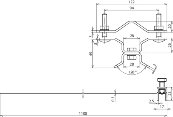
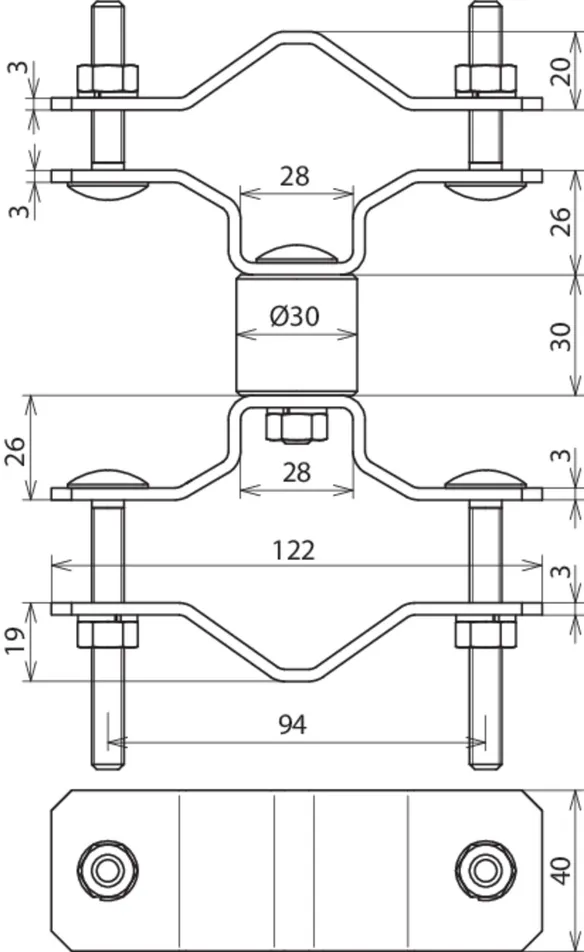
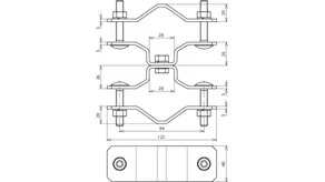
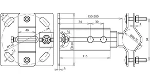
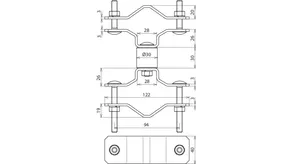
Nr kat. 105162 BSC D40 DS95 D45.65 V2A

GTIN / EAN 4013364146433, Nr taryfy celnej (EU): 85389099, Waga brutto: 600.00 g, Jednostka opakowaniowa: 1.00 szt.


Rysunki

Informacje dodatkowe

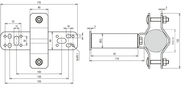
Zacisk na rurę do mocowania rur wsporczych
Zaciski na rurę do mocowania rur wsporczych
lub iglic odgromowych D40 do elementów konstrukcyjnych
np. rur poręczy
Materiał: stal nierdzewna
Zakres zacisku (rura Ø): 45-65 mm (1 1/2-2'')
Zakres zacisku (rura wsporcza): 40-50 mm
Długość elementu dystansującego: 95 mm
Odniesienie do norm: DIN EN 62561-1

Producent: DEHN
Typ: BSC D40 DS95 D45.65 V2A
Nr kat.: 105162
lub podobny.

Certyfikaty

 

Dane techniczne

Materiał stal nierdzewna
Zakres zacisku (rura Ø) 45-65 mm (1 1/2-2'')
Zakres zacisku (rura wsporcza) 40-50 mm
Długość elementu dystansującego 95 mm
Odniesienie do norm DIN EN 62561-1
*) Dokładne przyporządkowanie znajduje się w certyfikacie testu.

Produkt 105162 został dodany do notatnika.

Do koszyka dodano produkt 105162.


Uchwyt ścienny, poziomy, płaski

1 Produkt

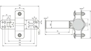
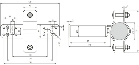
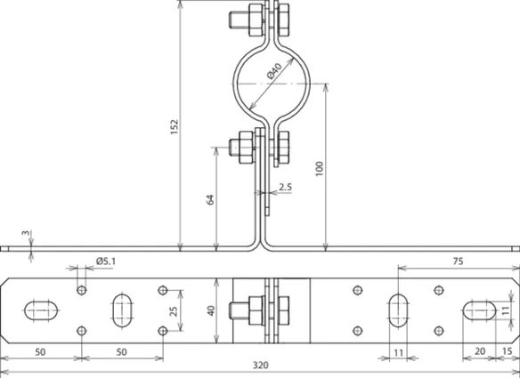
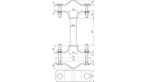
Nr kat. 105140 WB D40 WA V2A

GTIN / EAN 4013364112650, Nr taryfy celnej (EU): 85389099, Waga brutto: 653.00 g, Jednostka opakowaniowa: 1.00 szt.


Rysunki

Informacje dodatkowe

Uchwyt do iglic odgromowych D40 i rur wsporczych DEHNcon-H, stal nierdzewna, montaż poziomy
Uchwyt do iglic odgromowych D40 i rur wsporczych DEHNcon-H
Do montażu iglic odgromowych D40
lub rur wsporczych
na chronionej konstrukcji lub na ścianie
Materiał: stal nierdzewna
Mocowanie: [8x] Ø5,1 / [4x] 11 x 20 mm
Odległość od ściany: 80 mm
Zakres zacisku (iglica odgromowa): 40 mm

Producent: DEHN
Typ: WB D40 WA V2A
Nr kat.: 105140
lub podobny.

Certyfikaty

 

Dane techniczne

Materiał stal nierdzewna
Mocowanie [8x] Ø5,1 / [4x] 11 x 20 mm
Odległość od ściany 80 mm
Zakres zacisku (iglica odgromowa) 40 mm

Produkt 105140 został dodany do notatnika.

Do koszyka dodano produkt 105140.


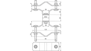
Uchwyt ścienny regulowany w zakresie 230-1300 mm

3 Produkty

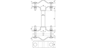
Nr kat. 105347 WB D40.50 V230.400 STTZN V2A

GTIN / EAN 4013364278554, Nr taryfy celnej (EU): 85389099, Waga brutto: 2.42 kg, Jednostka opakowaniowa: 1.00 szt.


Rysunki

Informacje dodatkowe


Materiał kątownika: Stal HDG / stal nierdzewna
Zakres zacisku (rura wsporcza): 40-50 mm
Odległość od ściany: 230-400 mm
Wymiary płytki: 120 x 120 x 4 mm
Mocowanie: [4x] 12 x 26 mm

Producent: DEHN
Typ: WB D40.50 V230.400 STTZN V2A
Nr kat.: 105347
lub podobny.

Certyfikaty

 

Dane techniczne

Materiał kątownika Stal HDG / stal nierdzewna
Zakres zacisku (rura wsporcza) 40-50 mm
Odległość od ściany 230-400 mm
Wymiary płytki 120 x 120 x 4 mm
Mocowanie [4x] 12 x 26 mm

Produkt 105347 został dodany do notatnika.

Do koszyka dodano produkt 105347.

Nr kat. 105349 WB D40.50 V700.1300 STTZN V2A

GTIN / EAN 4013364288614, Nr taryfy celnej (EU): 85389099, Waga brutto: 5.80 kg, Jednostka opakowaniowa: 1.00 szt.


Rysunki

Informacje dodatkowe


Materiał kątownika: Stal HDG / stal nierdzewna
Zakres zacisku (rura wsporcza): 40-50 mm
Odległość od ściany: 700-1300 mm
Wymiary płytki: 120 x 120 x 4 mm
Mocowanie: [4x] 12 x 26 mm

Producent: DEHN
Typ: WB D40.50 V700.1300 STTZN V2A
Nr kat.: 105349
lub podobny.

Certyfikaty

 

Dane techniczne

Materiał kątownika Stal HDG / stal nierdzewna
Zakres zacisku (rura wsporcza) 40-50 mm
Odległość od ściany 700-1300 mm
Wymiary płytki 120 x 120 x 4 mm
Mocowanie [4x] 12 x 26 mm

Produkt 105349 został dodany do notatnika.

Do koszyka dodano produkt 105349.

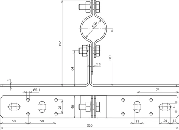
Nr kat. 105343 WB D40.50 V400.700 STTZN V2A

GTIN / EAN 4013364118515, Nr taryfy celnej (EU): 85389099, Waga brutto: 3.60 kg, Jednostka opakowaniowa: 1.00 szt.


Rysunki

Informacje dodatkowe

Uchwyt do iglic odgromowych D40 lub DEHNcon-H regulowany
Uchwyt do iglic odgromowych D40 i rur wsporczych DEHNcon-H
Do montażu iglic odgromowych D40
lub rur wsporczych
na chronionej konstrukcji lub na ścianie
Zakres regulacji 400-700 mm
Materiał kątownika: Stal HDG / stal nierdzewna
Zakres zacisku (rura wsporcza): 40-50 mm
Odległość od ściany: 400-700 mm
Wymiary płytki: 120 x 120 x 4 mm
Mocowanie: [4x] 12 x 26 mm

Producent: DEHN
Typ: WB D40.50 V400.700 STTZN V2A
Nr kat.: 105343
lub podobny.

Certyfikaty

 

Dane techniczne

Materiał kątownika Stal HDG / stal nierdzewna
Zakres zacisku (rura wsporcza) 40-50 mm
Odległość od ściany 400-700 mm
Wymiary płytki 120 x 120 x 4 mm
Mocowanie [4x] 12 x 26 mm

Produkt 105343 został dodany do notatnika.

Do koszyka dodano produkt 105343.


Zaciski na rurę

1 Produkt

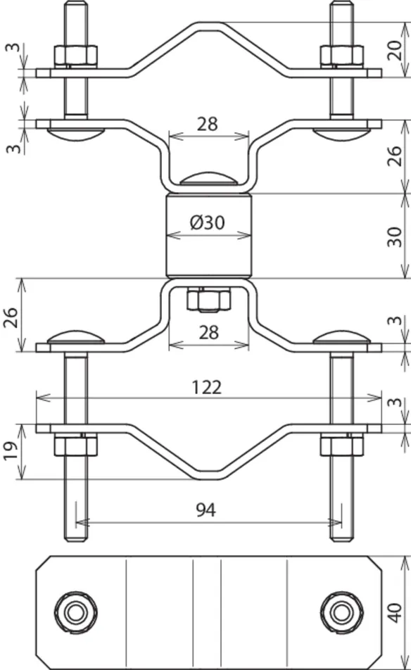
Nr kat. 105354 BS D40.50 D48.60 V2A

GTIN / EAN 4013364098725, Nr taryfy celnej (EU): 85389099, Waga brutto: 637.00 g, Jednostka opakowaniowa: 5.00 szt.


Rysunki

Informacje dodatkowe

Uchwyt do iglic odgromowych D40 i rur wsporczych DEHNcon-H, zacisk na rurę, stal nierdzewna
Zaciski na rurę
do mocowania rur wsporczych
lub iglic odgromowych D40 do
elementów konstrukcyjnych
np. rur poręczy
Materiał: stal nierdzewna
Zakres zacisku (rura Ø) Ø: 48-60 mm (11/2-2'')
Zakres zacisku (rura wsporcza): 40-50 mm

Producent: DEHN
Typ: BS D40.50 D48.60 V2A
Nr kat.: 105354
lub podobny.

Certyfikaty

 

Dane techniczne

Materiał stal nierdzewna
Zakres zacisku (rura Ø) Ø 48-60 mm (11/2-2'')
Zakres zacisku (rura wsporcza) 40-50 mm

Produkt 105354 został dodany do notatnika.

Do koszyka dodano produkt 105354.


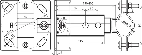
Uchwyt ścienny do montażu pionowego

2 Produkty

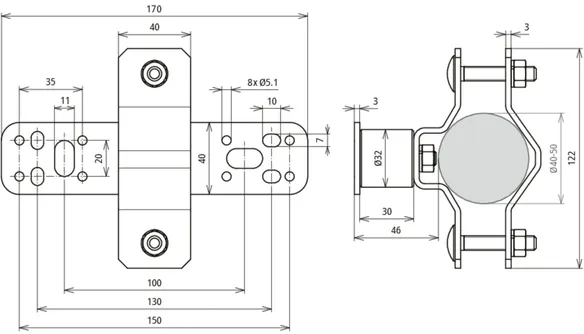
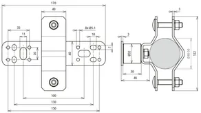
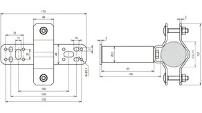
Nr kat. 105348 WB D40.50 SE WA110 V2A

GTIN / EAN 4013364287013, Nr taryfy celnej (EU): 85389099, Waga brutto: 540.00 g, Jednostka opakowaniowa: 1.00 szt.


Rysunki

Informacje dodatkowe


Materiał kątownika: stal nierdzewna
Mocowanie: [8x] Ø5,1 / [4x] 7 x 10 / [2x] 11 x 20 mm
Zakres zacisku (rura wsporcza): 40-50 mm
Odległość od ściany: 110 mm

Producent: DEHN
Typ: WB D40.50 SE WA110 V2A
Nr kat.: 105348
lub podobny.

Certyfikaty

 

Dane techniczne

Materiał kątownika stal nierdzewna
Mocowanie [8x] Ø5,1 / [4x] 7 x 10 / [2x] 11 x 20 mm
Zakres zacisku (rura wsporcza) 40-50 mm
Odległość od ściany 110 mm

Produkt 105348 został dodany do notatnika.

Do koszyka dodano produkt 105348.

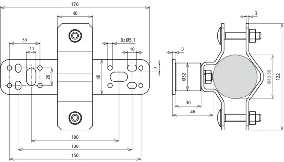
Nr kat. 105342 WB D40.50 SE WA46 V2A

GTIN / EAN 4013364111141, Nr taryfy celnej (EU): 85389099, Waga brutto: 514.00 g, Jednostka opakowaniowa: 1.00 szt.


Rysunki

Informacje dodatkowe

Uchwyt do iglic odgromowych D40 i rur wsporczych DEHNcon-H, stal nierdzewna, do montażu pionowego
Uchwyt do iglic odgromowych D40 i rur wsporczych DEHNcon-H
Do montażu iglic odgromowych D40
lub rur wsporczych
na chronionej konstrukcji lub na ścianie
Materiał kątownika: stal nierdzewna
Mocowanie: [8x] Ø5,1 / [4x] 7 x 10 / [2x] 11 x 20 mm
Zakres zacisku (rura wsporcza): 40-50 mm
Odległość od ściany: 46 mm

Producent: DEHN
Typ: WB D40.50 SE WA46 V2A
Nr kat.: 105342
lub podobny.

Certyfikaty

 

Dane techniczne

Materiał kątownika stal nierdzewna
Mocowanie [8x] Ø5,1 / [4x] 7 x 10 / [2x] 11 x 20 mm
Zakres zacisku (rura wsporcza) 40-50 mm
Odległość od ściany 46 mm

Produkt 105342 został dodany do notatnika.

Do koszyka dodano produkt 105342.


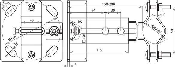
Uchwyt ścienny regulowany w zakresie 150-200 mm

1 Produkt

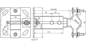
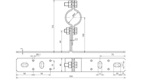
Nr kat. 105344 WB D40.50 V150.200 V2A

GTIN / EAN 4013364147300, Nr taryfy celnej (EU): 85389099, Waga brutto: 1.52 kg, Jednostka opakowaniowa: 1.00 szt.


Rysunki

Informacje dodatkowe

Uchwyt do iglic odgromowych D40 lub DEHNcon-H regulowany
Uchwyt do iglic odgromowych D40 i rur wsporczych DEHNcon-H
Do montażu iglic odgromowych D40
lub rur wsporczych
na chronionej konstrukcji lub na ścianie
Zakres regulacji 150-200 mm
Materiał kątownika: stal nierdzewna
Zakres zacisku (drut): 8-10 mm
Zakres zacisku (rura wsporcza): 40-50 mm
Odległość od ściany: 150-200 mm
Wymiary płytki: 120 x 120 x 4 mm
Mocowanie: [4x] 12 x 26 mm
Odniesienie do norm: DIN EN 62561-1

Producent: DEHN
Typ: WB D40.50 V150.200 V2A
Nr kat.: 105344
lub podobny.

Certyfikaty

 

Dane techniczne

Materiał kątownika stal nierdzewna
Zakres zacisku (drut) 8-10 mm
Zakres zacisku (rura wsporcza) 40-50 mm
Odległość od ściany 150-200 mm
Wymiary płytki 120 x 120 x 4 mm
Mocowanie [4x] 12 x 26 mm
Odniesienie do norm DIN EN 62561-1

Produkt 105344 został dodany do notatnika.

Do koszyka dodano produkt 105344.


Zacisk mocujący

1 Produkt

Nr kat. 105161 BSC D40 D45.65 V2A

GTIN / EAN 4013364118324, Nr taryfy celnej (EU): 85389099, Waga brutto: 667.00 g, Jednostka opakowaniowa: 1.00 szt.


Rysunki

Informacje dodatkowe

Zaciski mocujące do DEHNcon-H
Zaciski mocujące do DEHNcon-H do mocowania rur wsporczych np. na masztach antenowych
z elementem dystansującym o długości 30 mm, do kompensacji mocowań np.
anteny
Materiał: stal nierdzewna
Zakres zacisku (rura Ø) Ø: 45-65 mm (1 1/2-2'')
Zakres zacisku (rura wsporcza): 40-50 mm
Długość elementu dystansującego: 30 mm

Producent: DEHN
Typ: BSC D40 D45.65 V2A
Nr kat.: 105161
lub podobny.

 

Dane techniczne

Materiał stal nierdzewna
Zakres zacisku (rura Ø) Ø 45-65 mm (1 1/2-2'')
Zakres zacisku (rura wsporcza) 40-50 mm
Długość elementu dystansującego 30 mm

Produkt 105161 został dodany do notatnika.

Do koszyka dodano produkt 105161.


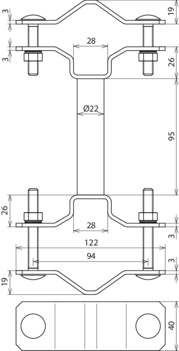
Uchwyt do iglic odgromowych oraz rur wsporczych

1 Produkt

Nr kat. 105160 BSC D40.50 SB50.300 V2A

GTIN / EAN 4013364113022, Nr taryfy celnej (EU): 85389099, Waga brutto: 506.20 g, Jednostka opakowaniowa: 1.00 szt.


Rysunki

Informacje dodatkowe

Uchwyt do iglic odgromowych D40 i rur wsporczych DEHNcon-H z zaciskiem mocującym
Uchwyt do iglic odgromowych D40 i rur wsporczych DEHNcon-H
Zacisk mocujący z obejmą taśmową
do rur
Materiał: stal nierdzewna
Zakres zacisku (rura Ø): 50-300 mm
Zakres zacisku (iglica odgromowa): 40-50 mm
Wymiary taśmy: 25 x 0,3 mm
Odniesienie do norm: DIN EN 62561-1

Producent: DEHN
Typ: BSC D40.50 SB50.300 V2A
Nr kat.: 105160
lub podobny.

Certyfikaty

 

Dane techniczne

Materiał stal nierdzewna
Zakres zacisku (rura Ø) 50-300 mm
Zakres zacisku (iglica odgromowa) 40-50 mm
Wymiary taśmy (sz. x gł.) 25 x 0,3 mm
Odniesienie do norm DIN EN 62561-1
*) Dokładne przyporządkowanie znajduje się w certyfikacie testu.

Produkt 105160 został dodany do notatnika.

Do koszyka dodano produkt 105160.


Powrót na górę