Your dashboard services.
Register to access all tools.

Akcesoria do zestawu DEHNcon-H

Akcesoria

1 Produkt

Nr kat. 105342 WB D40.50 SE WA46 V2A

GTIN / EAN 4013364111141, Nr taryfy celnej (EU): 85389099, Waga brutto: 514.00 g, Jednostka opakowaniowa: 1.00 szt.


Rysunki

Informacje dodatkowe

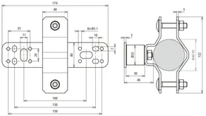
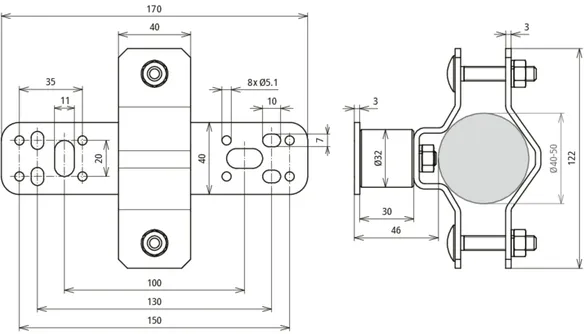
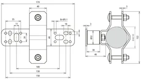
Uchwyt do iglic odgromowych D40 i rur wsporczych DEHNcon-H, stal nierdzewna, do montażu pionowego
Uchwyt do iglic odgromowych D40 i rur wsporczych DEHNcon-H
Do montażu iglic odgromowych D40
lub rur wsporczych
na chronionej konstrukcji lub na ścianie

Producent: DEHN
Typ: WB D40.50 SE WA46 V2A
Nr kat.: 105342
lub podobny.

Certyfikaty

 

Dane techniczne

Materiał stal nierdzewna
Mocowanie [8x] Ø5,1 / [4x] 7 x 10 / [2x] 11 x 20 mm
Odległość od ściany 46 mm

Produkt 105342 został dodany do notatnika.

Do koszyka dodano produkt 105342.


Powrót na górę