Your dashboard services.
Register to access all tools.

DEHNvario

Rodzina zmiennych ograniczników
  • kompaktowe zaciski umożliwiają łatwy i szybki montaż
  • technika wtyku bezpośredniego pozwala na montaż bez użycia narzędzi
  • szybka wymiana ogranicznika poprzez naciśnięcie przycisku i usunięcie kostki zaciskowej
  • uziemienie / wyrównanie potencjałów poprzez szynę DIN
  • ochrona przepięciowa dopasowana do zastosowania

Szczegóły

Technika wtyku bezpośredniego pozwala na montaż bez użycia narzędzi.
lorem ipsum
Szybka wymiana ogranicznika poprzez naciśnięcie przycisku i usunięcie kostki zaciskowej.
lorem ipsum
Zintegrowane otwory probiercze do testowania obwodu sygnałowego za pomocą sondy probierczej.
lorem ipsum
Przykładowe rozwiązanie: kompaktowy ogranicznik 3w1 do ochrony 3 interfejsów za pomocą jednego urządzenia.
lorem ipsum
Opcjonalna sygnalizacja.
lorem ipsum
Styk uziemienia wytrzymały na prąd piorunowy i udarowy.
lorem ipsum

DVR 2 BY S 150 FM

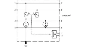
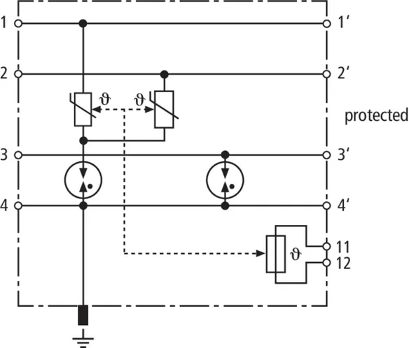
Kompaktowy kombinowany ogranicznik przepięć do ochrony systemów elektroakustycznych (np. głosowych systemów ostrzegania, systemów głośnikowych). Ochrona jednej pary galwanicznie odseparowanej; bezpośrednie lub pośrednie uziemienie ekranu. Technika wtyku bezpośredniego umożliwia szybkie podłączenie przewodu bez użycia narzędzi. Łatwość wymiany ogranicznika zapewnia zintegrowana kostka zaciskowa, którą można wyjąć z obudowy po naciśnięciu przycisku. Wbudowany zestyk zdalnej sygnalizacji (zestyk rozwierny).

1 Produkt

Nr kat. 928430 DVR 2 BY S 150 FM

GTIN / EAN 4013364261389, Nr taryfy celnej (EU): 85363010, Waga brutto: 161.30 g, Jednostka opakowaniowa: 1.00 szt.


Rysunki

Informacje dodatkowe

Kompaktowy ogranicznik przepięć DEHNvario do instalacji elektroakustycznych
Kompaktowy kombinowany ogranicznik przepięć
o klasie SPD typu 1 / P2
DEHNvario jest przetestowany zgodnie z EN 61643-21
i skoordynowany energetycznie według normy IEC 61643-22
Do ochrony instalacji elektroakustycznych
(np. alarmy głosowe, systemy głośnikowe)
do ochrony żyły podwójnej z separacją galwaniczną do bezpośredniego lub pośredniego uziemienia ekranu,
szybki montaż bez narzędzi dzięki bezpośredniej
technice wtykowej (bloki przyłączeniowe można odblokować
i wyjąć z obudowy).
Z zestykiem zdalnej sygnalizacji, 1 styk rozwierny
Do montażu na szynach 35 mm, 2 moduły
Napięcie znamionowe AC: 100 V
Największe napięcie trwałej pracy DC: 150 V
Największe napięcie trwałej pracy AC: 110 V
Prąd znamionowy przy 70°C: 10 A
Prąd znamionowy przy 80°C: 7 A
D1 Piorunowy prąd udarowy (10/350 µs) na linię: 2,5 kA
D1 Całkowity piorunowy prąd udarowy (10/350 µs) : 9 kA
C2 Znamionowy prąd wyładowczy (8/20 µs) na linię: 7,5 kA
C2 Całkowity znamionowy prąd wyładowczy (8/20 µs): 22,5 kA
Częstotliwość graniczna linia-linia: 1,4 MHz
Stopień ochrony: IP 20

Producent: DEHN
Typ: DVR 2 BY S 150 FM
Nr kat.: 928430
lub podobny.

Certyfikaty

 

Dane techniczne

Klasa SPD L
Największe napięcie trwałej pracy DC (UC ) 150 V
Prąd znamionowy przy 70°C (IL ) 10 A
Prąd znamionowy przy 80°C (IL ) 7 A
D1 Piorunowy prąd udarowy (10/350 µs) na linię (Iimp ) 2,5 kA
C2 Całkowity znamionowy prąd wyładowczy (8/20 µs) (In ) 22,5 kA
Częstotliwość graniczna linia-linia (fG ) 1,4 MHz

Produkt 928430 został dodany do notatnika.

Do koszyka dodano produkt 928430.


DVR BNC RS485 230

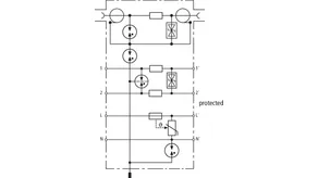
Kompaktowy ogranicznik przepięć 3w1 do ochrony systemów kamer analogowych. Ochrona sygnału wideo (złącze BNC), danych (RS485) i instalacji zasilającej (230 V AC). Technologia wtyku bezpośredniego umożliwia szybkie podłączenie przewodu bez użycia narzędzi. Łatwość wymiany ogranicznika zapewnia zintegrowana kostka zaciskowa, którą można wyjąć z obudowy po naciśnięciu przycisku. Wbudowany wskaźnik przeciążenia (230 V).

1 Produkt

Nr kat. 928440 DVR BNC RS485 230

GTIN / EAN 4013364280809, Nr taryfy celnej (EU): 85363010, Waga brutto: 185.50 g, Jednostka opakowaniowa: 1.00 szt.


Rysunki

Informacje dodatkowe

Kompaktowy ogranicznik przepięć DEHNvario do systemów kamer analogowych
Kompaktowy ogranicznik przepięć 3w1
o klasie SPD T2 / typu 2
DEHNvario został przebadany zgodnie z normami EN / IEC 61643-11
IEC 61643-21 i
skoordynowany energetycznie według normy IEC 61643-22
Do ochrony sygnału wideo (przyłącze BNC),
sygnału danych (RS485) i
instalacji zasilającej (230 V AC)
szybki montaż bez narzędzi dzięki bezpośredniej
technice wtykowej (jednostki przyłączeniowe można odblokować
i wyjąć z obudowy).
Do montażu na szynach 35 mm, 2 moduły

Klasyfikacja ogranicznika przepięć:
Zasilanie typu 2 / klasa II
Dane typu 2 / P1
Wideo typu 2 / P2
Napięcie znamionowe:
Zasilanie 230 V AC
Dane 5 V DC
Wideo 5 V DC
Największe napięcie trwałej pracy:
Zasilanie 255 V AC
Dane 8 V DC
Wideo 6,4 V DC
Prąd znamionowy:
Zasilanie 10 A
Dane 0,5 A
Wideo 100 mA
Znamionowy prąd wyładowczy: (8/20)
5 kA na linię
10 kA łącznie
Częstotliwość graniczna:
Dane 100 MHz
Video 300 MHz @ 75 Ω
Stopień ochrony: IP 20

Producent: DEHN
Typ: DVR BNC RS485 230
Nr kat.: 928440
lub podobny.

Certyfikaty

 

Dane techniczne

Wideo (BNC)
Klasa SPD U
Największe trwałe napięcie pracy DC (UC ) 6,4 V
Prąd znamionowy (IL ) 0,1 A
C2 Znamionowy prąd wyładowczy (8/20 µs) ekran-PG (In ) 10 kA
Tłumienność wtrąceniowa przy 300 MHz (75 Ω) ≤ 3,0 dB
Połączenie (wejście / wyjście) gniazdo BNC / gniazdo BNC
Dane (RS485)
Klasa SPD T
Największe trwałe napięcie pracy DC (UC ) 8 V
Prąd znamionowy (IL ) 0,5 A
C2 Całkowity znamionowy prąd wyładowczy (8/20 µs) (In ) 10 kA
Częstotliwość graniczna linia-linia (fG ) 100 MHz
Zasilanie (230 V)
Klasa SPD typ 2 / klasa II
Największe napięcie trwałej pracy AC [L-N] (UC ) 255 V (50 / 60 Hz)
Największe napięcie trwałej pracy AC [N-PE] (UC ) 255 V (50 / 60 Hz)
Prąd znamionowy (IL ) 10 A
Znamionowy prąd wyładowczy (8/20 µs) (In ) 5 kA
Maksymalny prąd wyładowczy (8/20 µs) (Imax ) 10 kA
Napięciowy poziom ochrony [L-N] (UP ) ≤ 1,5 kV
Napięciowy poziom ochrony [N-PE] (UP ) ≤ 1,5 kV

Produkt 928440 został dodany do notatnika.

Do koszyka dodano produkt 928440.


Powrót na górę