Your dashboard services.
Register to access all tools.

Maszt odgromowy do przewodu HVI light plus na dachy płaskie

Kompletny zestaw składający się z  iglicy odgromowej/pręta odgromowego, rury wsporczej, zestawu mocującego (w tym płytki przyłączeniowej, uchwytów z tworzywa sztucznego, opasek kablowych i elementu przyłączeniowego wyrównawczego) oraz statywu.
Z możliwością kompensacji nachylenia dachu do maks. 10°.
Podstawy betonowe (waga 17 kg) oraz podkładki należy zamawiać oddzielnie.

Maszt odgromowy z małym statywem o 3 nogach i iglicą odgromową

2 Produkty

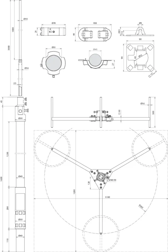
Nr kat. 819685 FM D40 L2200 GFK AL V2A DBS R320 STTZN

GTIN / EAN 4013364494459, Nr taryfy celnej (EU): 85389099, Waga brutto: 6.34 kg, Jednostka opakowaniowa: 1.00 szt.


Rysunki

Informacje dodatkowe

Maszty odgromowe do przewodu HVI light plus na dachach płaskich
kompletne, z poczwórną płytką przyłączeniową na
przewód HVI light plus i zestaw mocujący do montażu
przewodu na maszcie odgromowym
Pozwalający zachować odstęp separujący od elementów przewodzących prąd
zgodnie z normą DIN EN 62305-3 (VDE 0185-305-3)
Długość izolacyjna z tworzywa sztucznego wzmocnionego włóknem szklanym (GRP)
Rura Ø40 mm
Współczynnik materiałowy km = 0,7
Kolor jasnoszary, odporny na promieniowanie UV
Maszt odgromowy, zwymiarowany zgodnie z
Eurokodem 1 (DIN EN 1991-1-4 + DIN EN 1991-1-4/NA)
Możliwość dostosowania do nachylenia dachu do maks. 10°.
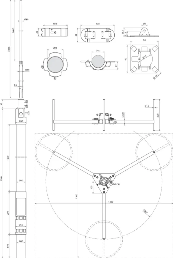
Maszt odgromowy do przewodu HVI light plus
Wysokość całkowita 2200 mm
Podstawę betonową do układania jedna na drugiej (art. nr 102 010) i
Podkładkę (art. nr 102 050) należy zamawiać oddzielnie
Materiał statywu: stal ocynkowana ogniowo
Promień (statyw): 320 mm
Materiał rury wsporczej: TWS / Al
Długość rury wsporczej: 1600 mm
Długość izolacyjna: 1230 mm
Długość iglicy odgromowej: 500 mm
Materiał iglicy odgromowej: stal nierdzewna
Spełnia wymagania normy: DIN IEC/TS 62561-8 (VDE V 0185-561-8)

Producent: DEHN
Typ: FM D40 L2200 GFK AL V2A DBS R320 STTZN
Nr kat.: 819685
lub podobny.

Certyfikaty

 

Dane techniczne

Wysokość 2200 mm
Materiał statywu stal ocynkowana ogniowo
Promień (statyw) 320 mm
Materiał rury wsporczej TWS / Al
Długość rury wsporczej 1600 mm
Długość iglicy odgromowej 500 mm
Materiał iglicy odgromowej stal nierdzewna
Spełnia wymagania normy DIN IEC/TS 62561-8 (VDE V 0185-561-8)

Produkt 819685 został dodany do notatnika.

Do koszyka dodano produkt 819685.

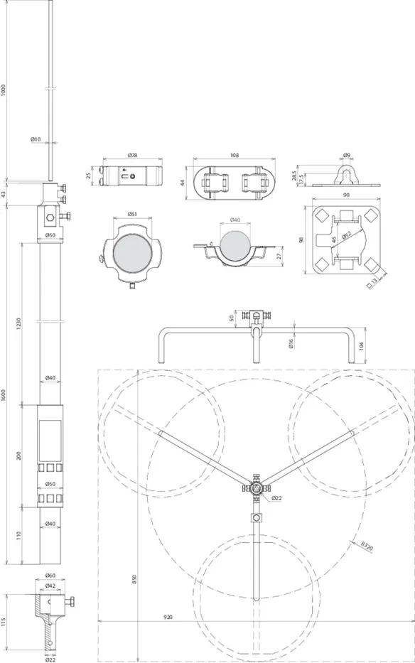
Nr kat. 819690 FM D40 L2700 GFK AL V2A DBS R320 STTZN

GTIN / EAN 4013364494466, Nr taryfy celnej (EU): 85389099, Waga brutto: 6.61 kg, Jednostka opakowaniowa: 1.00 szt.


Rysunki

Informacje dodatkowe

Maszty odgromowe do przewodu HVI light plus na dachach płaskich
kompletne, z poczwórną płytką przyłączeniową na
przewód HVI light plus i zestaw mocujący do montażu
przewodu na maszcie odgromowym
Pozwalający zachować odstęp separujący od elementów przewodzących prąd
zgodnie z normą DIN EN 62305-3 (VDE 0185-305-3)
Długość izolacyjna z tworzywa sztucznego wzmocnionego włóknem szklanym (GRP)
Rura Ø40 mm
Współczynnik materiałowy km = 0,7
Kolor jasnoszary, odporny na promieniowanie UV
Maszt odgromowy, zwymiarowany zgodnie z
Eurokodem 1 (DIN EN 1991-1-4 + DIN EN 1991-1-4/NA)
Możliwość dostosowania do nachylenia dachu do maks. 10°.
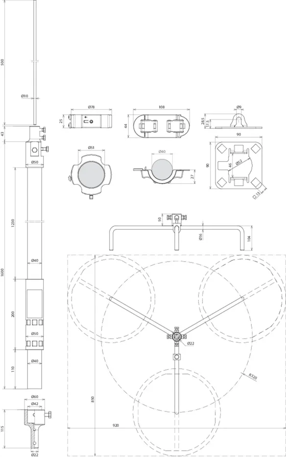
Maszt odgromowy do przewodu HVI light plus
Wysokość całkowita 2700 mm
Podstawę betonową do układania jedna na drugiej (art. nr 102 010) i
podkładkę (art. nr 102 050) należy zamawiać oddzielnie.
Materiał statywu: stal ocynkowana ogniowo
Promień (statyw): 320 mm
Materiał rury wsporczej: TWS / Al
Długość rury wsporczej: 1600 mm
Długość izolacyjna: 1230 mm
Długość iglicy odgromowej: 1000 mm
Materiał iglicy odgromowej: stal nierdzewna
Spełnia wymagania normy: DIN IEC/TS 62561-8 (VDE V 0185-561-8)

Producent: DEHN
Typ: FM D40 L2700 GFK AL V2A DBS R320 STTZN
Nr kat.: 819690
lub podobny.

Certyfikaty

 

Dane techniczne

Wysokość 2700 mm
Materiał statywu stal ocynkowana ogniowo
Promień (statyw) 320 mm
Materiał rury wsporczej TWS / Al
Długość rury wsporczej 1600 mm
Długość iglicy odgromowej 1000 mm
Materiał iglicy odgromowej stal nierdzewna
Spełnia wymagania normy DIN IEC/TS 62561-8 (VDE V 0185-561-8)

Produkt 819690 został dodany do notatnika.

Do koszyka dodano produkt 819690.


Maszt odgromowy z dużym statywem o 3 nogach i iglicą odgromową

1 Produkt

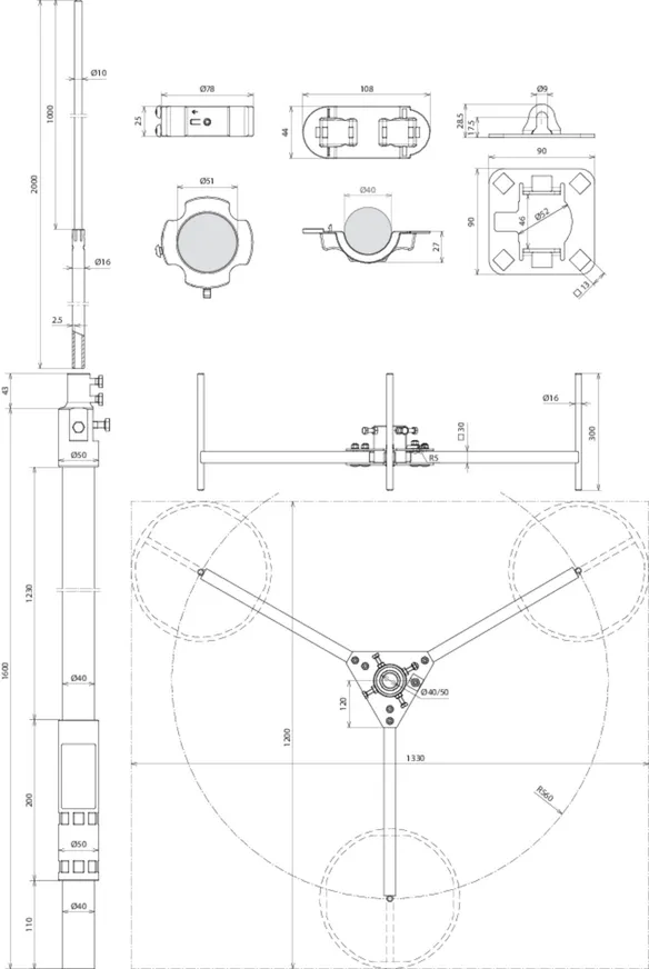
Nr kat. 819682 FM D40 L2700 GFK AL V2A DBS R560 HVI60

GTIN / EAN 4013364494428, Nr taryfy celnej (EU): 85389099, Waga brutto: 12.86 kg, Jednostka opakowaniowa: 1.00 szt.


Rysunki

Informacje dodatkowe

Maszty odgromowe do przewodu HVI light plus na dachach płaskich
kompletne, z poczwórną płytką przyłączeniową na
przewód HVI light i zestaw mocujący do montażu
przewodu na maszcie odgromowym.
Pozwalający zachować odstęp separujący od elementów przewodzących prąd
zgodnie z normą DIN EN 62305-3 (VDE 0185-305-3)
Długość izolacyjna z tworzywa sztucznego wzmocnionego włóknem szklanym (GRP)
Rura Ø40 mm
Współczynnik materiałowy km = 0,7
Kolor jasnoszary, odporny na promieniowanie UV
Maszty odgromowe są zwymiarowane zgodnie
Eurokodem 1 (DIN EN 1991-1-4 + DIN EN 1991-1-4/NA) do
maksymalnego obciążenia wiatrem 200 km/godz.
Możliwość dostosowania do nachylenia dachu do maks. 10°.
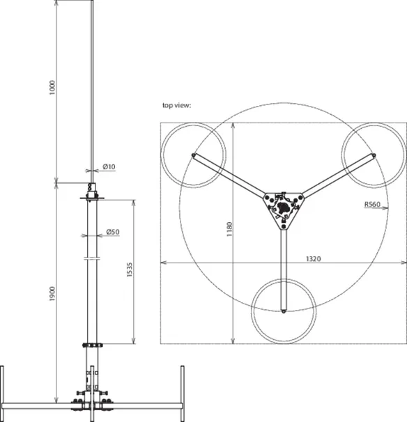
Maszt odgromowy do przewodu HVI light plus
Wysokość całkowita 2700 mm
Podstawę betonową do układania jedna na drugiej (art. nr 102 010) i
podkładkę (art. nr 102 050) należy zamawiać oddzielnie.
Materiał statywu: stal ocynkowana ogniowo
Promień (statyw): 560 mm
Materiał rury wsporczej: TWS / Al
Długość rury wsporczej: 1600 mm
Długość izolacyjna: 1230 mm
Długość iglicy odgromowej: 1000 mm
Materiał iglicy odgromowej: stal nierdzewna
Spełnia wymagania normy: DIN IEC/TS 62561-8 (VDE V 0185-561-8)

Producent: DEHN
Typ: FM D40 L2700 GFK AL V2A DBS R560 HVI60
Nr kat.: 819682
lub podobny.

Certyfikaty

 

Dane techniczne

Wysokość 2700 mm
Materiał statywu stal ocynkowana ogniowo
Promień (statyw) 560 mm
Materiał rury wsporczej TWS / Al
Długość rury wsporczej 1600 mm
Długość iglicy odgromowej 1000 mm
Materiał iglicy odgromowej stal nierdzewna
Spełnia wymagania normy DIN IEC/TS 62561-8 (VDE V 0185-561-8)

Produkt 819682 został dodany do notatnika.

Do koszyka dodano produkt 819682.


Maszt odgromowy z dużym statywem o 3 nogach i zwodem pionowym

2 Produkty

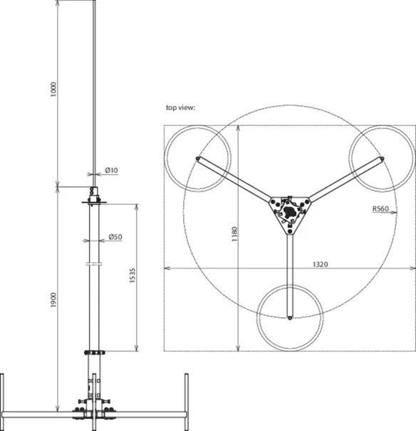
Nr kat. 819687 FM D40 L3700 GFK AL AL DBS R560 HVI60

GTIN / EAN 4013364494435, Nr taryfy celnej (EU): 85389099, Waga brutto: 13.02 kg, Jednostka opakowaniowa: 1.00 szt.


Rysunki

Informacje dodatkowe

Maszty odgromowe do przewodu HVI light plus na dachach płaskich
kompletne, z poczwórną płytką przyłączeniową na
przewód HVI light plus i zestaw mocujący do montażu
przewodu na maszcie odgromowym
Pozwalający zachować odstęp separujący od elementów przewodzących prąd
zgodnie z normą DIN EN 62305-3 (VDE 0185-305-3)
Długość izolacyjna z tworzywa sztucznego wzmocnionego włóknem szklanym (GRP)
Rura Ø40 mm
Współczynnik materiałowy km = 0,7
Kolor jasnoszary, odporny na promieniowanie UV
Maszty odgromowe są zwymiarowane zgodnie
Eurokodem 1 (DIN EN 1991-1-4 + DIN EN 1991-1-4/NA) do
maksymalnego obciążenia wiatrem 159 km/godz.
Możliwość dostosowania do nachylenia dachu do maks. 10°.
Maszt odgromowy 40 do przewodów HVI light plus
Wysokość całkowita 3700 mm
Podstawę betonową do układania jedna na drugiej (art. nr 102 010) i
Podkładkę (art. nr 102 050) należy zamawiać oddzielnie
Materiał statywu: stal ocynkowana ogniowo
Promień (statyw): 560 mm
Materiał rury wsporczej: TWS / Al
Długość rury wsporczej: 1600 mm
Długość izolacyjna: 1230 mm
Długość zwodu pionowego: 2000 mm
Materiał zwodu pionowego: AlMgSi
Spełnia wymagania normy: DIN IEC/TS 62561-8 (VDE V 0185-561-8)

Producent: DEHN
Typ: FM D40 L3700 GFK AL AL DBS R560 HVI60
Nr kat.: 819687
lub podobny.

Certyfikaty

 

Dane techniczne

Wysokość 3700 mm
Materiał statywu stal ocynkowana ogniowo
Promień (statyw) 560 mm
Materiał rury wsporczej TWS / Al
Długość rury wsporczej 1600 mm
Długość zwodu pionowego 2000 mm
Materiał zwodu pionowego AlMgSi
Spełnia wymagania normy DIN IEC/TS 62561-8 (VDE V 0185-561-8)

Produkt 819687 został dodany do notatnika.

Do koszyka dodano produkt 819687.

Nr kat. 819680 FM D40 L4700 GFK AL DBS R560 STTZN

GTIN / EAN 4013364494442, Nr taryfy celnej (EU): 85389099, Waga brutto: 13.06 kg, Jednostka opakowaniowa: 1.00 szt.


Rysunki

Informacje dodatkowe

Maszty odgromowe do przewodu HVI light plus na dachach płaskich
kompletne, z poczwórną płytką przyłączeniową na
przewód HVI light plus i zestaw mocujący do montażu
przewodu na maszcie odgromowym
Pozwalający zachować odstęp separujący od elementów przewodzących prąd
zgodnie z normą DIN EN 62305-3 (VDE 0185-305-3)
Długość izolacyjna z tworzywa sztucznego wzmocnionego włóknem szklanym (GRP)
Rura Ø40 mm
Współczynnik materiałowy km = 0,7
Kolor jasnoszary, odporny na promieniowanie UV
Maszty odgromowe są zwymiarowane zgodnie
Eurokodem 1 (DIN EN 1991-1-4 + DIN EN 1991-1-4/NA) do
maksymalnego obciążenia wiatrem 99 km/godz.
Możliwość dostosowania do nachylenia dachu do maks. 10°.
Maszt odgromowy 40 do przewodów HVI light plus
Wysokość całkowita 4700 mm
Podstawę betonową do układania jedna na drugiej (art. nr 102 010) i
podkładkę (art. nr 102 050) należy zamawiać oddzielnie.
Materiał statywu: stal ocynkowana ogniowo
Promień (statyw): 560 mm
Materiał rury wsporczej: TWS / Al
Długość rury wsporczej: 1600 mm
Długość izolacyjna: 1230 mm
Długość zwodu pionowego: 3000 mm
Materiał zwodu pionowego: AlMgSi
Spełnia wymagania normy: DIN IEC/TS 62561-8 (VDE V 0185-561-8)

Producent: DEHN
Typ: FM D40 L4700 GFK AL DBS R560 STTZN
Nr kat.: 819680
lub podobny.

Certyfikaty

 

Dane techniczne

Wysokość 4700 mm
Materiał statywu stal ocynkowana ogniowo
Promień (statyw) 560 mm
Materiał rury wsporczej TWS / Al
Długość rury wsporczej 1600 mm
Długość zwodu pionowego 3000 mm
Materiał zwodu pionowego AlMgSi
Spełnia wymagania normy DIN IEC/TS 62561-8 (VDE V 0185-561-8)

Produkt 819680 został dodany do notatnika.

Do koszyka dodano produkt 819680.


Powrót na górę