Your dashboard services.
Register to access all tools.

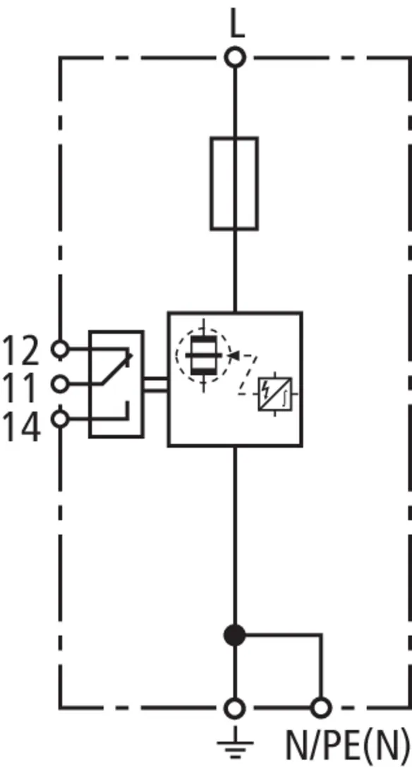
DEHNbloc Maxi 1 CI 440 / 760 FM

  • ogranicznik przepięć typu 1 na bazie iskiernika z wbudowanym bezpiecznikiem na prąd piorunowy, w zwartej obudowie
  • wysoka zdolność odprowadzania prądów udarowych do 35 kA (10/350 µs)
  • niski napięciowy poziom ochrony (z uwzględnieniem bezpiecznika)
  • wysoka zdolność ograniczania i gaszenia prądów następczych dzięki technologii RADAX Flow
  • koordynacja energetyczna z innymi ogranicznikami z serii Red / Line
  • optyczny wskaźnik działania / uszkodzenia (zielony / czerwony) w oknie kontrolnym

Szczegóły

Elastyczny montaż za pomocą wsporników montażowych.
lorem ipsum

DEHNbloc Maxi 1 CI 440 FM

Skoordynowany jednobiegunowny ogranicznik przepięć z wbudowanym bezpiecznikiem, do sieci TN 400 / 690 V oraz sieci IT 400 V; wersja FM ze zdalną sygnalizacją stanu (bezpotencjałowy zestyk przełączny).

1 Produkt

Nr kat. 961146 DBM 1 CI 440 FM

GTIN / EAN 4013364250062, Nr taryfy celnej (EU): 85363090, Waga brutto: 1175.20 g, Jednostka opakowaniowa: 1.00 szt.


Rysunki

Informacje dodatkowe

Skoordynowany ogranicznik przepięć DEHNbloc Maxi 1 CI 440 FM
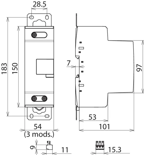
1-biegunowy skoordynowany ogranicznik przepięć, szerokość: 3 moduły
z wbudowanym bezpiecznikiem dodatkowym
z zestykiem zdalnej sygnalizacji
Ogranicznik przepięć typu 1 zgodnie z EN 61643-11
Technika iskiernikowa RADAX-Flow
do ograniczenia prądów następczych
Wskaźnik uszkodzenia
Największe napięcie trwałej pracy: 440 V AC
Napięciowy poziom ochrony: <= 2,5 kV
Prąd udarowy pioruna (10/350): 35 kA
Zdolność gaszenia prądów następczych: do 50 kArms:
Koordynacja energetyczna według DIN EN 62305-4
Ogranicznik przepięć z rodziny Red/Line

Producent: DEHN
Typ: DBM 1 CI 440 FM
Nr kat.: 961146
lub podobny.

Certyfikaty

 

Circuit Interruption (przerwanie obwodu)

Ograniczniki przepięć oznaczone tym symbolem posiadają wbudowany bezpiecznik. Oznacza to oszczędność miejsca, niższe koszty montażu, skrócenie czasu montażu, krótsze kable połączeniowe. Wbudowany bezpiecznik występuje w produktach z rodziny DEHNvenCI, DEHNbloc Maxi S, DEHNguard … CI oraz V(A) NH.

Funkcja falochronu

Ogranicznik przepięć typu 1 – podobnie jak falochron – ucina energię udaru do znacznie niższego poziomu. Chroni to instalację elektryczną i ograniczniki typu 2 i 3 zainstalowane za ogranicznikiem typu 1, wydłużając okres ich eksploatacji. Wszystkie ograniczniki typu 1 z serii produktów Red/Line posiadają funkcję falochronu (WBF).

Dane techniczne

Ogranicznik przepięć zgodnie z PN-EN 61643-11 typ 1 / klasa I
Największe napięcie trwałej pracy AC (UC ) 440 V (50 / 60 Hz)
Prąd udarowy (10/350 µs) (Iimp ) 35 kA
Napięciowy poziom ochrony (UP ) ≤ 2,5 kV
Maksymalny bezpiecznik dodatkowy zbędny
Rodzaj zestyku zdalnej sygnalizacji (FM) bezpotencjałowy zestyk przełączny

Produkt 961146 został dodany do notatnika.

Do koszyka dodano produkt 961146.


DEHNbloc Maxi 1 CI 760 FM

Skoordynowany jednobiegunowny ogranicznik przepięć z wbudowanym bezpiecznikiem, do sieci TN i IT 690 V; wersja FM ze zdalną sygnalizacją stanu (bezpotencjałowy zestyk przełączny).

1 Produkt

Nr kat. 961176 DBM 1 CI 760 FM

GTIN / EAN 4013364250123, Nr taryfy celnej (EU): 85363090, Waga brutto: 1170.00 g, Jednostka opakowaniowa: 1.00 szt.


Rysunki

Informacje dodatkowe

Skoordynowany ogranicznik przepięć DEHNbloc Maxi 1 CI 760 FM
1-biegunowy skoordynowany ogranicznik przepięć, szerokość: 3 moduły
z wbudowanym bezpiecznikiem dodatkowym
z zestykiem zdalnej sygnalizacji
Ogranicznik przepięć typu 1 zgodnie z EN 61643-11
Technika iskiernikowa RADAX-Flow
do ograniczenia prądów następczych
Wskaźnik uszkodzenia
Największe napięcie trwałej pracy: 760 V AC
Napięciowy poziom ochrony: <= 4 kV
Prąd udarowy pioruna (10/350): 35 kA
Zdolność gaszenia prądów następczych: do 25 kArms
Koordynacja energetyczna według DIN EN 62305-4
Ogranicznik przepięć z rodziny Red/Line

Producent: DEHN
Typ: DBM 1 CI 760 FM
Nr kat.: 961176
lub podobny.

Certyfikaty

 

Circuit Interruption (przerwanie obwodu)

Ograniczniki przepięć oznaczone tym symbolem posiadają wbudowany bezpiecznik. Oznacza to oszczędność miejsca, niższe koszty montażu, skrócenie czasu montażu, krótsze kable połączeniowe. Wbudowany bezpiecznik występuje w produktach z rodziny DEHNvenCI, DEHNbloc Maxi S, DEHNguard … CI oraz V(A) NH.

Funkcja falochronu

Ogranicznik przepięć typu 1 – podobnie jak falochron – ucina energię udaru do znacznie niższego poziomu. Chroni to instalację elektryczną i ograniczniki typu 2 i 3 zainstalowane za ogranicznikiem typu 1, wydłużając okres ich eksploatacji. Wszystkie ograniczniki typu 1 z serii produktów Red/Line posiadają funkcję falochronu (WBF).

Dane techniczne

Ogranicznik przepięć zgodnie z PN-EN 61643-11 typ 1 / klasa I
Największe napięcie trwałej pracy AC (UC ) 760 V (50 / 60 Hz)
Prąd udarowy (10/350 µs) (Iimp ) 35 kA
Napięciowy poziom ochrony (UP ) ≤ 4 kV
Maksymalny bezpiecznik dodatkowy zbędny
Rodzaj zestyku zdalnej sygnalizacji (FM) bezpotencjałowy zestyk przełączny

Produkt 961176 został dodany do notatnika.

Do koszyka dodano produkt 961176.


Powrót na górę