Your dashboard services.
Register to access all tools.

Maszty teleskopowe

Do mocowania np. do ścian lub innych konstrukcji

Iglice odgromowe są zwymiarowane zgodnie z Eurokodem 1 (DIN EN 1991-1-4 + DIN EN 1991-1-4/NA).

Mocowanie, np. do ściany, odbywa się za pomocą art. nr 105 342, a do rur za pomocą art. nr 105 354.

Maksymalna długość swobodna to odległość od końcówki iglicy odgromowej do górnego uchwytu (punktu mocowania).
Dla zachowania stabilności, środkowy uchwyt (3 mocowania) powinien być zamontowany bezpośrednio pod górnym uchwytem. Odległość nie może być większa niż 15 cm. Dolny uchwyt (punkt mocowania) musi być zamontowany w odległości ≤ 15 cm od końca iglicy odgromowej.

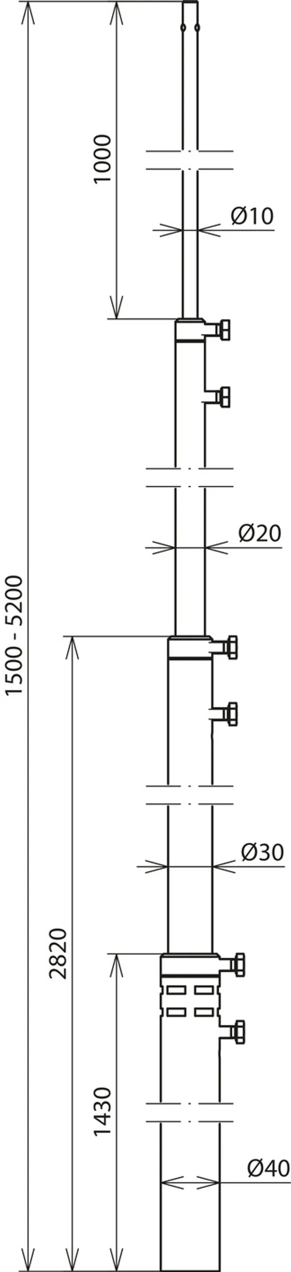
Wysokość 1,5-5,2 m

1 Produkt

Nr kat. 105185 FS T D40 1500 5200 AL

GTIN / EAN 4013364481411, Nr taryfy celnej (EU): 85389099, Waga brutto: 4.40 kg, Jednostka opakowaniowa: 1.00 szt.


Rysunki

Informacje dodatkowe

Teleskopowa iglica odgromowa wykonana z aluminium
Średnica od 10 mm do 40 mm
Wyciągana od 1,5 m do 5,2 m
Składa się z 4 segmentów
Maksymalna długość swobodna iglicy odgromowej od 3,7 m do 4,2 m
w przypadku mocowania np. do murów lub
innych konstrukcji. Iglice odgromowe są zwymiarowane zgodnie
z Eurokodem 1 (DIN EN 1991-1-4 + DIN EN 1991-1-4/NA)
dla maksymalnego obciążenia wiatrem od
149 km/godz. do 190 km/godz.
w zależności od długości wyciągniętej iglicy odgromowej
Mocowanie, np. do ściany, odbywa się za pomocą
art. nr 105 342, a do rur za pomocą art. nr 105 354
Długość całkowita: 5200 mm
Maksymalna długość swobodna z iglicą odgromową: 4200 mm
Długość zaciskowa: 500 mm i 1000 mm
Maksymalne obciążenie wiatrem (iglica Ø10 mm dł. 0 mm): 190 km/h
Maksymalne obciążenie wiatrem (iglica Ø10 mm dł. 500 mm): 173 km/h
Maksymalne obciążenie wiatrem (iglica Ø10 mm dł. 1000 mm): 149 km/h
Liczba mocowań: 2
Materiał iglicy odgromowej: aluminium

Producent: DEHN
Typ: FS T D40 1500 5200 AL
Nr kat.: 105185
lub podobny.

 

Dane techniczne

Długość całkowita 5200 mm
Iglica odgromowa (Ø długość) 10-1000 mm
Maszt odgromowy (Ø długość) 40/30/20-4200 mm
Długość transportowa 1650 mm
Segmenty masztu 4
Średnica rury przy podstawie Ø 40 mm
Maksymalna długość swobodna z iglicą odgromową 4200 mm
Długość zaciskowa 500 mm i 1000 mm
Maksymalne obciążenie wiatrem (iglica Ø10 mm dł. 0 mm) 190 km/h
Maksymalne obciążenie wiatrem (iglica Ø10 mm dł. 500 mm) 173 km/h
Maksymalne obciążenie wiatrem (iglica Ø10 mm dł. 1000 mm) 149 km/h
Liczba mocowań 2
Materiał iglicy odgromowej aluminium
Spełnia wymagania normy DIN EN 62561-(1+2)

Produkt 105185 został dodany do notatnika.

Do koszyka dodano produkt 105185.


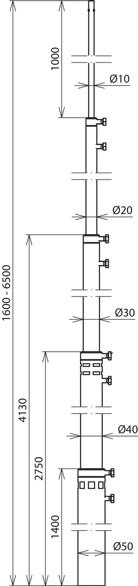
Wysokość 1,6-6,5 m

1 Produkt

Nr kat. 105186 FS T D50 1600 6500 AL

GTIN / EAN 4013364481435, Nr taryfy celnej (EU): 85389099, Waga brutto: 6.39 kg, Jednostka opakowaniowa: 1.00 szt.


Rysunki

Informacje dodatkowe

Teleskopowa iglica odgromowa wykonana z aluminium
Średnica od 10 mm do 50 mm
Wyciągana od 1,6 m do 6,5 m
Składa się z 5 segmentów
Maksymalna długość swobodna iglicy odgromowej od 4,5 m do 5,2 m
w przypadku mocowania np. do murów lub
innych konstrukcji. Iglice odgromowe są zwymiarowane zgodnie
z Eurokodem 1 (DIN EN 1991-1-4 + DIN EN 1991-1-4/NA)
dla maksymalnego obciążenia wiatrem od
149 km/godz. do 189 km/godz.
w zależności od długości wyciągniętej iglicy odgromowej
Mocowanie, np. do ściany, odbywa się za pomocą
art. nr 105 342, a do rur za pomocą art. nr 105 354
Długość całkowita: 6500 mm
Maksymalna długość swobodna z iglicą odgromową: 5200 mm
Długość zaciskowa: 1000 mm i 1300 mm
Maksymalne obciążenie wiatrem (iglica Ø10 mm dł. 0 mm): 189 km/h
Maksymalne obciążenie wiatrem (iglica Ø10 mm dł. 500 mm): 172 km/h
Maksymalne obciążenie wiatrem (iglica Ø10 mm dł. 1000 mm): 149 km/h
Liczba mocowań: 2-3
Materiał iglicy odgromowej: aluminium

Producent: DEHN
Typ: FS T D50 1600 6500 AL
Nr kat.: 105186
lub podobny.

 

Dane techniczne

Długość całkowita 6500 mm
Iglica odgromowa (Ø długość) 10-1000 mm
Maszt odgromowy (Ø długość) 50/40/30/20-5500 mm
Długość transportowa 1650 mm
Segmenty masztu 5
Średnica rury przy podstawie Ø 50 mm
Maksymalna długość swobodna z iglicą odgromową 5200 mm
Długość zaciskowa 1000 mm i 1300 mm
Maksymalne obciążenie wiatrem (iglica Ø10 mm dł. 0 mm) 189 km/h
Maksymalne obciążenie wiatrem (iglica Ø10 mm dł. 500 mm) 172 km/h
Maksymalne obciążenie wiatrem (iglica Ø10 mm dł. 1000 mm) 149 km/h
Liczba mocowań 2-3
Materiał iglicy odgromowej aluminium
Spełnia wymagania normy DIN EN 62561-(1+2)

Produkt 105186 został dodany do notatnika.

Do koszyka dodano produkt 105186.


Wysokość 1,8-8 m

1 Produkt

Nr kat. 105188 FS T D60 1800 8000 AL

GTIN / EAN 4013364481442, Nr taryfy celnej (EU): 85389099, Waga brutto: 9.35 kg, Jednostka opakowaniowa: 1.00 szt.


Rysunki

Informacje dodatkowe

Teleskopowa iglica odgromowa wykonana z aluminium
Średnica od 10 mm do 60 mm
Wyciągana od 1,8 m do 8,0 m
Składa się z 6 segmentów
z redukcją na Ø50 mm
Maksymalna długość swobodna iglicy odgromowej od 5,3 m do 6,3 m
w przypadku mocowania np. do murów lub
innych konstrukcji. Iglice odgromowe są zwymiarowane zgodnie
z Eurokodem 1 (DIN EN 1991-1-4 + DIN EN 1991-1-4/NA)
dla maksymalnego obciążenia wiatrem od
153 km/godz. do 176 km/godz.
w zależności od długości wyciągniętej iglicy odgromowej
Mocowanie, np. do ściany, odbywa się za pomocą
art. nr 105 342, a do rur za pomocą art. nr 105 354
Długość całkowita: 8000 mm
Maksymalna długość swobodna z iglicą odgromową: 6300 mm
Długość zaciskowa: 1700 mm
Maksymalne obciążenie wiatrem (iglica Ø10 mm dł. 0 mm): 176 km/h
Maksymalne obciążenie wiatrem (iglica Ø10 mm dł. 500 mm): 166 km/h
Maksymalne obciążenie wiatrem (iglica Ø10 mm dł. 1000 mm): 153 km/h
Liczba mocowań: 3
Materiał iglicy odgromowej: aluminium

Producent: DEHN
Typ: FS T D60 1800 8000 AL
Nr kat.: 105188
lub podobny.

 

Dane techniczne

Długość całkowita 8000 mm
Iglica odgromowa (Ø długość) 10-1000 mm
Maszt odgromowy (Ø długość) 50/60/50/40/30/20-7000 mm
Długość transportowa 1850 mm
Segmenty masztu 6
Średnica rury przy podstawie Ø 60 mm
Maksymalna długość swobodna z iglicą odgromową 6300 mm
Długość zaciskowa 1700 mm
Maksymalne obciążenie wiatrem (iglica Ø10 mm dł. 0 mm) 176 km/h
Maksymalne obciążenie wiatrem (iglica Ø10 mm dł. 500 mm) 166 km/h
Maksymalne obciążenie wiatrem (iglica Ø10 mm dł. 1000 mm) 153 km/h
Liczba mocowań 3
Materiał iglicy odgromowej aluminium
Spełnia wymagania normy DIN EN 62561-(1+2)

Produkt 105188 został dodany do notatnika.

Do koszyka dodano produkt 105188.


Powrót na górę