Your dashboard services.
Register to access all tools.

Nieiskrzące szyny wyrównawcze do strefy zagrożonej wybuchem 1/21, 2/22

Nieiskrząca szyna wyrównawcza do stref zagrożonych wybuchem Ex do łączenia drutów metalowych i przewodów z połączeniami wyrównawczymi piorunochronnymi zgodnie z VDE 0185-305-3 (IEC 62305-3) oraz z ochronnymi i funkcjonalnymi połączeniami wyrównawczymi zgodnie z DIN VDE 0100 część 410/540.
  • Do stosowania w strefach zagrożenia wybuchem (strefy Ex 1/21 i 2/22).
  • Może być również stosowana do grupy wybuchowości IIC i klasy temperaturowej T4.
  • Przetestowana pod kątem braku iskrzenia zgodnie z CLC 50703-2 do 100 kA.
  • Klasa obciążalności prądowej H.
  • Śruby zabezpieczone przed samoczynnym poluzowaniem zgodnie z VDE 0185-305-3, załącznik 2.
  • Elastyczna konfiguracja do realizacji różnych możliwości przyłączenia.

PAS EX 7(11)AP SET

  • Do stosowania w strefach zagrożonych wybuchem Ex 1 i 2 (gazy, opary, mgły) do grupy wybuchowości IIC oraz w strefach Ex 21 i 22 (pyły).
  • Śruby zabezpieczone przed samoczynnym poluzowaniem.
  • Przy zastosowaniu adaptera push-in dozwolony tylko montaż wewnątrz pomieszczeń.

2 Produkty

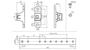
Nr kat. 472415 PAS EX 7AP SET

GTIN / EAN 4013364470590, Nr taryfy celnej (EU): 85359000, Waga brutto: 3.23 kg, Jednostka opakowaniowa: 1.00 szt.


Rysunki

Informacje dodatkowe

Nieiskrząca szyna wyrównawcza do stref zagrożonych wybuchem PAS EX 7AP ZESTAW
Integracja drutów metalowych i przewodów
z połączeniami wyrównawczymi piorunochronnymi
zgodnie z VDE 0185-305-3 (IEC 62305-3) oraz
z ochronnymi i funkcjonalnymi połączeniami wyrównawczymi
zgodnie z DIN VDE 0100 część 410/540.
Do stosowania w strefach Ex 1 i 2 (gazy, opary, mgły) oraz
w strefach Ex 21 i 22 (pyły)
Grupa wybuchowości IIC (współczynnik bezpieczeństwa 1)
zgodnie z CLC 50703-2;
Klasa temperaturowa T4 oraz EN 62561-1
(VDE 0185-561-1)
Klasa obciążalności prądowej H (100 kA).
Zabezpieczenie śruby przed samoczynnym luzowaniem
zgodnie z VDE 0185-305-3 uzupełnienie 2.
Dozwolone stosowanie zarówno wewnątrz,
jak i na zewnątrz.
Prąd udarowy (10/350 µs) stal nierdzewna (V4A) 30x3,5 mm/40x5 mm:
2HExIIC 75 kA (nieiskrząca) T4
Prąd udarowy (10/350 µs) stal nierdzewna (V4A) 30x3,5 mm/40x5 mm:
H 100 kA
Prąd udarowy (10/350 µs) stal HDG 30x3,5 mm/40x5 mm:
1HExIIC 100 kA (nieiskrząca) T4
Maksymalny prąd zwarciowy (AC 50Hz / DC / 5s) stal nierdz. (V4A) 30x3,5 mm/40x5 mm:
750 A / T4
Maksymalny prąd zwarciowy (AC 50Hz / DC / 5s) stal HDG 30x3,5 mm/40x5 mm:
1500 A / T4
Prąd udarowy pioruna (10/350 µs) stal nierdz. (V4A) Ø10 mm:
NExIIC 50 kA (nieiskrząca) T4
Prąd udarowy pioruna (10/350 µs) stal nierdz. (V4A) Ø10 mm:
75 kA
Prąd udarowy (10/350 µs) stal HDG Ø10 mm:
2HExIIC 75 kA (nieiskrząca) T4
Prąd udarowy (10/350 µs) stal HDG Ø10 mm:
H 100 kA
Maksymalny prąd zwarciowy (AC 50Hz / DC / 5s) stal nierdz. (V4A) Ø10 mm:
650 A / T4
Maksymalny prąd zwarciowy (AC 50Hz / DC / 5s) stal HDG Ø10 mm:
1000 A / T4
Prąd udarowy pioruna (10/350 µs) Cu 16 - 95 mm²:
1HExIIC 100 kA (nieiskrząca) T4
Maksymalny prąd zwarciowy (AC 50Hz / DC / 5s) Cu 16mm²:
750 A / T4
Maksymalny prąd zwarciowy (AC 50Hz / DC / 5s) Cu 95mm²:
3,1 kA / T4
Znamionowy prąd wyładowczy (8/20 µs) na linię (In) 4-10 mm² Cu:
10 kA (nieiskrząca)
Znamionowy prąd wyładowczy (8/20 µs) na linię (In) 16 mm² Cu:
15 kA (nieiskrząca)
Prąd udarowy pioruna (10/350 µs) miedź 4-16 mm² (na linię):
3kA (nieiskrząca)
Prąd udarowy pioruna (10/350 µs) miedź 16 mm² (na linię):
25 kA (na linię)
Maks. temperatura powierzchni T4: 135 °C
Aby uniknąć rozszczepień w strefie zagrożenia wybuchem,
zaleca się zastosowanie ocynowanych
zaciskanych końcówek kablowych z niklową warstwą blokującą.
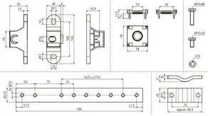
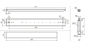
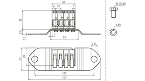
Szyna: 360 x 40 x 10 mm
Wymiary: 382 x 140 x 101 mm
Przyłącza: 1x płaskownik 30/40 mm albo
adapter do drutu 10 mm,
1x elastyczny / sztywny przewód 16-95 mm²
z końcówką kablową
1x adapter w technice wtykowej („push-in”) 4x 4-16 mm²
Materiał: stal nierdzewna, nr materiału: 1.4301 / 1.4303
Izolator/obudowa adaptera płaskownika: Poliamid, bezhalogenowy,
niebieski, odporna na promieniowanie UV
Adapter push-in: Poliamid
Odniesienie do norm: DIN EN 62561-1 / CLC 50703-2

Producent: DEHN
Typ: PAS EX 7AP SET
Nr kat.: 472415
lub podobny.

Certyfikaty

 

Dane techniczne

Przyłączenie (drut / płaskownik) 1x płaskownik 30/40 mm lub 1x drut okrągły 10 mm
Zacisk przyłączeniowy przyłącza 4x 4-16 mm²
Końcówka kablowa przyłącza 1x elastyczny / sztywny przewód 16-95 mm²
Wymiary 382 x 140 x 101 mm
Prąd udarowy (10/350 µs) StSt (V4A) 30x3,5 mm / 40x5 mm 2HExIIC 75 kA (brak iskrzenia) T4
Prąd udarowy (10/350 µs) St/tZn 30x3,5 mm/40x5 mm 1HExIIC 100 kA (brak iskrzenia) T4
Prąd udarowy (10/350 µs) StSt (V4A) Ø10 mm NExIIC 50 kA (brak iskrzenia) T4
Prąd udarowy (10/350 µs) St/tZn Ø10 mm 2HExIIC 75 kA (brak iskrzenia) T4
Prąd udarowy (10/350 µs) Cu 16-95 mm2 1HExIIC 100 kA (brak iskrzenia) T4
Prąd udarowy (10/350 µs) Cu 4-16 mm² (na żyłę) 3 kA (brak iskrzenia)
Znamionowy prąd wyładowczy (8/20 µs) na linię (In) Cu 4-10 mm² 10 kA (brak iskrzenia)
Znamionowy prąd wyładowczy (8/20 µs) na linię (In) Cu 16 mm² 15 kA (brak iskrzenia)
Maksymalny prąd zwarciowy (AC 50 Hz / DC / 5 s) StSt (V4A) 30x3,5 mm / 40x5 mm 750 A / T4
Maksymalny prąd zwarciowy (AC 50 Hz / DC / 5 s) St/tZn 30x3,5 mm / 40x5 mm 1500 A / T4
Maksymalny prąd zwarciowy (AC 50 Hz /DC /5 s) StSt (V4A) Ø10 mm 650 A / T4
Maksymalny prąd zwarciowy (AC 50 Hz / DC / 5 s) St/tZn Ø10 mm 1000 A / T4
Spełnia wymagania normy IEC 62561-1 / CLC 50703-2

Produkt 472415 został dodany do notatnika.

Do koszyka dodano produkt 472415.

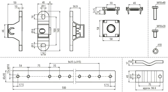
Nr kat. 472425 PAS EX 11AP SET

GTIN / EAN 4013364470606, Nr taryfy celnej (EU): 85359000, Waga brutto: 3.82 kg, Jednostka opakowaniowa: 1.00 szt.


Rysunki

Informacje dodatkowe

Nieiskrząca szyna wyrównawcza do stref zagrożonych wybuchem PAS EX 11AP ZESTAW
Integracja drutów metalowych i przewodów
z połączeniami wyrównawczymi piorunochronnymi
zgodnie z VDE 0185-305-3 (IEC 62305-3) oraz
z ochronnymi i funkcjonalnymi połączeniami wyrównawczymi
zgodnie z DIN VDE 0100 część 410/540.
Do stosowania w strefach Ex 1 i 2 (gazy, opary, mgły) oraz
w strefach Ex 21 i 22 (pyły)
Grupa wybuchowości IIC (współczynnik bezpieczeństwa 1)
zgodnie z CLC 50703-2;
Klasa temperaturowa T4 oraz EN 62561-1
(VDE 0185-561-1)
Klasa obciążalności prądowej H (100 kA).
Zabezpieczenie śruby przed samoczynnym luzowaniem
zgodnie z VDE 0185-305-3 uzupełnienie 2.
Dozwolone stosowanie zarówno wewnątrz,
jak i na zewnątrz.
Prąd udarowy pioruna (10/350 µs) stal nierdzewna (V4A) 30x3,5 mm/40x5 mm:
2HExIIC 75 kA (nieiskrząca) T4
Prąd udarowy pioruna (10/350 µs) stal nierdzewna (V4A) 30x3,5 mm/40x5 mm:
H 100 kA
Prąd udarowy (10/350 µs) stal HDG 30x3,5 mm/40x5 mm:
1HExIIC 100 kA (nieiskrząca) T4
Maksymalny prąd zwarciowy (AC 50Hz / DC / 5s) stal nierdz. (V4A) 30x3,5 mm/40x5 mm:
750 A / T4
Maksymalny prąd zwarciowy (AC 50Hz / DC / 5s) stal HDG 30x3,5 mm/40x5 mm:
1500 A / T4
Prąd udarowy pioruna (10/350 µs) stal nierdz. (V4A) Ø10 mm:
NExIIC 50 kA (nieiskrząca) T4
Prąd udarowy pioruna (10/350 µs) stal nierdz. (V4A) Ø10 mm:
75 kA
Prąd udarowy (10/350 µs) stal HDG Ø10 mm:
2HExIIC 75 kA (nieiskrząca) T4
Prąd udarowy (10/350 µs) stal HDG Ø10 mm:
H 100 kA
Maksymalny prąd zwarciowy (AC 50Hz / DC / 5s) stal nierdz. (V4A) Ø10 mm:
650 A / T4
Maksymalny prąd zwarciowy (AC 50Hz / DC / 5s) stal HDG Ø10 mm:
1000 A / T4
Prąd udarowy pioruna (10/350 µs) Cu 16 - 95 mm²:
1HExIIC 100 kA (nieiskrząca) T4
Maksymalny prąd zwarciowy (AC 50Hz / DC / 5s) Cu 16mm²:
750 A / T4
Maksymalny prąd zwarciowy (AC 50Hz / DC / 5s) Cu 95mm²:
3,1 kA / T4
Znamionowy prąd wyładowczy (8/20 µs) na linię (In) 4-10 mm² Cu:
10 kA (nieiskrząca)
Znamionowy prąd wyładowczy (8/20 µs) na linię (In) 16 mm² Cu:
15 kA (nieiskrząca)
Prąd udarowy pioruna (10/350 µs) miedź 4-16 mm² (na linię):
3kA (nieiskrząca)
Prąd udarowy pioruna (10/350 µs) miedź 16 mm² (na linię):
25 kA (na linię)
Maks. temperatura powierzchni T4: 135 °C
Aby uniknąć rozszczepień w strefie zagrożenia wybuchem,
zaleca się zastosowanie ocynowanych
zaciskanych końcówek kablowych z niklową warstwą blokującą.
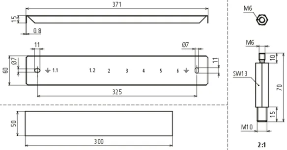
Szyna: 500 x 40 x 10 mm
Wymiary: 522 x 140 x 101 mm
Przyłącza: 1x płaskownik 30/40 mm
albo adapter do drutu 10 mm,
5x elastyczny / sztywny przewód 16-95 mm²
z końcówką kablową
1x adapter w technice wtykowej („push-in”) 4x 4-16 mm²
Materiał: stal nierdzewna,
Nr materiału: 1.4301 / 1.4303
Izolator/obudowa adaptera płaskownika: Poliamid, bezhalogenowy,
niebieski, odporna na promieniowanie UV
Adapter push-in: Poliamid
Odniesienie do norm: DIN EN 62561-1 / CLC 50703-2

Producent: DEHN
Typ: PAS EX 11AP SET
Nr kat.: 472425
lub podobny.

Certyfikaty

 

Dane techniczne

Przyłączenie (drut / płaskownik) 1x płaskownik 30/40 mm lub 1x drut okrągły 10 mm
Zacisk przyłączeniowy przyłącza 4x 4-16 mm²
Końcówka kablowa przyłącza 5x elastyczny / sztywny przewód 16-95 mm²
Wymiary 522 x 140 x 101 mm
Prąd udarowy (10/350 µs) StSt (V4A) 30x3,5 mm / 40x5 mm 2HExIIC 75 kA (brak iskrzenia) T4
Prąd udarowy (10/350 µs) St/tZn 30x3,5 mm/40x5 mm 1HExIIC 100 kA (brak iskrzenia) T4
Prąd udarowy (10/350 µs) StSt (V4A) Ø10 mm NExIIC 50 kA (brak iskrzenia) T4
Prąd udarowy (10/350 µs) St/tZn Ø10 mm 2HExIIC 75 kA (brak iskrzenia) T4
Prąd udarowy (10/350 µs) Cu 16-95 mm2 1HExIIC 100 kA (brak iskrzenia) T4
Prąd udarowy (10/350 µs) Cu 4-16 mm² (na żyłę) 3 kA (brak iskrzenia)
Znamionowy prąd wyładowczy (8/20 µs) na linię (In) Cu 4-10 mm² 10 kA (brak iskrzenia)
Znamionowy prąd wyładowczy (8/20 µs) na linię (In) Cu 16 mm² 15 kA (brak iskrzenia)
Maksymalny prąd zwarciowy (AC 50 Hz / DC / 5 s) StSt (V4A) 30x3,5 mm / 40x5 mm 750 A / T4
Maksymalny prąd zwarciowy (AC 50 Hz / DC / 5 s) St/tZn 30x3,5 mm / 40x5 mm 1500 A / T4
Maksymalny prąd zwarciowy (AC 50 Hz /DC /5 s) StSt (V4A) Ø10 mm 650 A / T4
Maksymalny prąd zwarciowy (AC 50 Hz / DC / 5 s) St/tZn Ø10 mm 1000 A / T4
Spełnia wymagania normy IEC 62561-1 / CLC 50703-2

Produkt 472425 został dodany do notatnika.

Do koszyka dodano produkt 472425.


PAS EX 1+5(9)AP M10 V2A

  • Do stosowania w strefach zagrożonych wybuchem Ex 1 i 2 (gazy, opary, mgły) do grupy wybuchowości IIC oraz w strefach Ex 21 i 22 (pyły).
  • Śruby zabezpieczone przed samoczynnym poluzowaniem.
  • Dozwolony montaż wewnątrz i na zewnątrz pomieszczeń.

2 Produkty

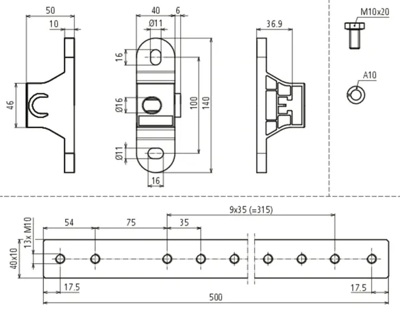
Nr kat. 472410 PAS EX 1+5AP M10 V2A

GTIN / EAN 4013364470521, Nr taryfy celnej (EU): 85359000, Waga brutto: 1.96 kg, Jednostka opakowaniowa: 1.00 szt.


Rysunki

Informacje dodatkowe

Nieiskrząca szyna wyrównawcza do stref zagrożonych wybuchem PAS EX 1+5AP M10 V2A
Integracja drutów metalowych i przewodów
z połączeniami wyrównawczymi piorunochronnymi
zgodnie z VDE 0185-305-3 (IEC 62305-3) oraz
z ochronnymi i funkcjonalnymi połączeniami wyrównawczymi
zgodnie z DIN VDE 0100 część 410/540.
Do stosowania w strefach Ex 1 i 2
(gazy, opary, mgły) oraz
w strefach Ex 21 i 22 (pyły)
Grupa wybuchowości IIC (współczynnik bezpieczeństwa 1)
zgodnie z CLC 50703-2;
Klasa temperaturowa T4 oraz EN 62561-1
(VDE 0185-561-1)
Klasa obciążalności prądowej H (100 kA).
Zabezpieczenie śruby przed samoczynnym luzowaniem
zgodnie z VDE 0185-305-3 uzupełnienie 2.
Dozwolone stosowanie zarówno wewnątrz,
jak i na zewnątrz.
Prąd udarowy pioruna (10/350 µs) stal nierdzewna (V4A) 30x3,5 mm/40x5 mm:
2HExIIC 75 kA (nieiskrząca) T4
Prąd udarowy pioruna (10/350 µs) stal nierdzewna (V4A) 30x3,5 mm/40x5 mm:
H 100 kA
Prąd udarowy (10/350 µs) stal HDG 30x3,5 mm/40x5 mm:
1HExIIC 100 kA (nieiskrząca) T4
Maksymalny prąd zwarciowy (AC 50Hz / DC / 5s) stal nierdz. (V4A) 30x3,5 mm/40x5 mm:
750 A / T4
Maksymalny prąd zwarciowy (AC 50Hz / DC / 5s) stal HDG 30x3,5 mm/40x5 mm:
1500 A / T4
Prąd udarowy pioruna (10/350 µs) Cu 16 - 95 mm²:
1HExIIC 100 kA (nieiskrząca) T4
Maksymalny prąd zwarciowy (AC 50Hz / DC / 5s) Cu 16mm²:
750 A / T4
Maksymalny prąd zwarciowy (AC 50Hz / DC / 5s) Cu 95mm²:
3,1 kA / T4
Maks. temperatura powierzchni T4: 135 °C
Aby uniknąć rozszczepień w strefie zagrożenia wybuchem,
zaleca się zastosowanie ocynowanych
zaciskanych końcówek kablowych z niklową warstwą blokującą.
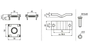
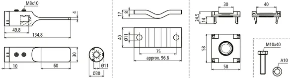
Szyna: 360 x 40 x 10 mm
Wymiary: 382 x 140 x 101 mm
Przyłącza: 1 płaskie (M10 x 40 mm z podkładką sprężystą)
+ 5 końcówek kablowych (M10 x 20 mm z podkładką sprężystą)
Szyna PA/płytka dociskowa/śruby/podkładka sprężysta:
stal nierdzewna, nr materiału: 1.4301 / 1.4303
Izolator/obudowa adaptera płaskownika:
Poliamid, bezhalogenowy, niebieski, odporna na promieniowanie UV
Odniesienie do norm: DIN EN 62561-1 / CLC 50703-2

Producent: DEHN
Typ: PAS EX 1+5AP M10 V2A
Nr kat.: 472410
lub podobny.

Certyfikaty

 

Dane techniczne

Przyłączenie (płaskownik) 1x płaskownik 30/40 mm
Końcówka kablowa przyłącza 5x elastyczny / sztywny przewód 16-95 mm²
Wymiary 382 x 140 x 65 mm
Prąd udarowy (10/350 µs) StSt (V4A) 30x3,5 mm / 40x5 mm 2HExIIC 75 kA (brak iskrzenia) T4
Prąd udarowy (10/350 µs) St/tZn 30x3,5 mm/40x5 mm 1HExIIC 100 kA (brak iskrzenia) T4
Prąd udarowy (10/350 µs) Cu 16-95 mm2 1HExIIC 100 kA (brak iskrzenia) T4
Maksymalny prąd zwarciowy (AC 50 Hz / DC / 5 s) StSt (V4A) 30x3,5 mm / 40x5 mm 750 A / T4
Maksymalny prąd zwarciowy (AC 50 Hz / DC / 5 s) St/tZn 30x3,5 mm / 40x5 mm 1500 A / T4
Spełnia wymagania normy IEC 62561-1 / CLC 50703-2
W odniesieniu do odporności na korozję należy sprawdzić materiały stosowane w PAS EX (np. miedź galwanizowana cyną, stal nierdzewna, poliamid, estry poliuretanowe) pod kątem możliwości stosowania w dostępnych warunkach otoczenia.

Produkt 472410 został dodany do notatnika.

Do koszyka dodano produkt 472410.

Nr kat. 472420 PAS EX 1+9AP M10 V2A

GTIN / EAN 4013364476059, Nr taryfy celnej (EU): 85359000, Waga brutto: 2.50 kg, Jednostka opakowaniowa: 1.00 szt.


Rysunki

Informacje dodatkowe

Nieiskrząca szyna wyrównawcza do stref zagrożonych wybuchem PAS EX 1+9AP M10 V2A
Integracja drutów metalowych i przewodów
z połączeniami wyrównawczymi piorunochronnymi
zgodnie z VDE 0185-305-3 (IEC 62305-3) oraz
z ochronnymi i funkcjonalnymi połączeniami wyrównawczymi
zgodnie z DIN VDE 0100 część 410/540.
Do stosowania w strefach Ex 1 i 2
(gazy, opary, mgły) oraz
w strefach Ex 21 i 22 (pyły)
Grupa wybuchowości IIC (współczynnik bezpieczeństwa 1)
zgodnie z CLC 50703-2;
Klasa temperaturowa T4 oraz EN 62561-1
(VDE 0185-561-1)
Klasa obciążalności prądowej H (100 kA).
Zabezpieczenie śruby przed samoczynnym luzowaniem
zgodnie z VDE 0185-305-3 uzupełnienie 2.
Dozwolone stosowanie zarówno wewnątrz,
jak i na zewnątrz.
Prąd udarowy pioruna (10/350 µs) stal nierdzewna (V4A) 30x3,5 mm/40x5 mm:
2HExIIC 75 kA (nieiskrząca) T4
Prąd udarowy pioruna (10/350 µs) stal nierdzewna (V4A) 30x3,5 mm/40x5 mm:
H 100 kA
Prąd udarowy (10/350 µs) stal HDG 30x3,5 mm/40x5 mm:
1HExIIC 100 kA (nieiskrząca) T4
Maksymalny prąd zwarciowy (AC 50Hz / DC / 5s) stal nierdz. (V4A) 30x3,5 mm/40x5 mm:
750 A / T4
Maksymalny prąd zwarciowy (AC 50Hz / DC / 5s) stal HDG 30x3,5 mm/40x5 mm:
1500 A / T4
Prąd udarowy pioruna (10/350 µs) Cu 16 - 95 mm²:
1HExIIC 100 kA (nieiskrząca) T4
Maksymalny prąd zwarciowy (AC 50Hz / DC / 5s) Cu 16mm²:
750 A / T4
Maksymalny prąd zwarciowy (AC 50Hz / DC / 5s) Cu 95mm²:
3,1 kA / T4
Maks. temperatura powierzchni T4: 135 °C
Aby uniknąć rozszczepień w strefie zagrożenia wybuchem,
zaleca się zastosowanie ocynowanych
zaciskanych końcówek kablowych z niklową warstwą blokującą.
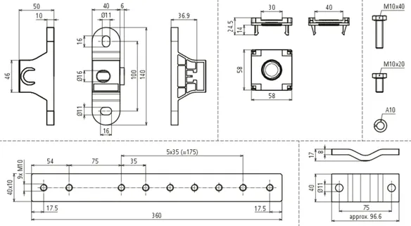
Szyna: 500 x 40 x 10 mm
Wymiary: 522 x 140 x 101 mm
Przyłącza: 1 płaskie (M10 x 40 mm z podkładką sprężystą)
+ 9 końcówek kablowych (M10 x 20 mm z podkładką sprężystą)
Szyna PA/płytka dociskowa/śruby/podkładka sprężysta:
stal nierdzewna, nr materiału: 1.4301 / 1.4303
Izolator/obudowa adaptera płaskownika: Poliamid,
bezhalogenowy, niebieski, odporna na promieniowanie UV
Odniesienie do norm: DIN EN 62561-1 / CLC 50703-2

Producent: DEHN
Typ: PAS EX 1+9AP M10 V2A
Nr kat.: 472420
lub podobny.

Certyfikaty

 

Dane techniczne

Przyłączenie (płaskownik) 1x płaskownik 30/40 mm
Końcówka kablowa przyłącza 9x elastyczny / sztywny przewód 16-95 mm²
Wymiary 522 x 140 x 65 mm
Prąd udarowy (10/350 µs) StSt (V4A) 30x3,5 mm / 40x5 mm 2HExIIC 75 kA (brak iskrzenia) T4
Prąd udarowy (10/350 µs) St/tZn 30x3,5 mm/40x5 mm 1HExIIC 100 kA (brak iskrzenia) T4
Prąd udarowy (10/350 µs) Cu 16-95 mm2 1HExIIC 100 kA (brak iskrzenia) T4
Maksymalny prąd zwarciowy (AC 50 Hz / DC / 5 s) StSt (V4A) 30x3,5 mm / 40x5 mm 750 A / T4
Maksymalny prąd zwarciowy (AC 50 Hz / DC / 5 s) St/tZn 30x3,5 mm / 40x5 mm 1500 A / T4
Spełnia wymagania normy IEC 62561-1 / CLC 50703-2
W odniesieniu do odporności na korozję należy sprawdzić materiały stosowane w PAS EX (np. miedź galwanizowana cyną, stal nierdzewna, poliamid, estry poliuretanowe) pod kątem możliwości stosowania w dostępnych warunkach otoczenia.

Produkt 472420 został dodany do notatnika.

Do koszyka dodano produkt 472420.


PAS EX 7(11)AP M10 V2A

  • Do stosowania w strefach zagrożonych wybuchem Ex 1 i 2 (gazy, opary, mgły) do grupy wybuchowości IIC oraz w strefach Ex 21 i 22 (pyły).
  • Śruby zabezpieczone przed samoczynnym poluzowaniem.
  • Dozwolony montaż wewnątrz i na zewnątrz pomieszczeń.

2 Produkty

Nr kat. 472411 PAS EX 7AP M10 V2A

GTIN / EAN 4013364470460, Nr taryfy celnej (EU): 85359000, Waga brutto: 1.65 kg, Jednostka opakowaniowa: 1.00 szt.


Rysunki

Informacje dodatkowe

Nieiskrząca szyna wyrównawcza do stref zagrożonych wybuchem PAS EX 7AP M10 V2A
Integracja drutów metalowych i przewodów
z połączeniami wyrównawczymi piorunochronnymi
zgodnie z VDE 0185-305-3 (IEC 62305-3) oraz
z ochronnymi i funkcjonalnymi połączeniami wyrównawczymi
zgodnie z DIN VDE 0100 część 410/540.
Do stosowania w strefach Ex 1 i 2 (gazy, opary, mgły) oraz
w strefach Ex 21 i 22 (pyły)
Grupa wybuchowości IIC (współczynnik bezpieczeństwa 1)
zgodnie z CLC 50703-2;
Klasa temperaturowa T4 oraz EN 62561-1
(VDE 0185-561-1)
Klasa obciążalności prądowej H (100 kA).
Zabezpieczenie śruby przed samoczynnym luzowaniem
zgodnie z VDE 0185-305-3 uzupełnienie 2.
Dozwolone stosowanie zarówno wewnątrz,
jak i na zewnątrz.
Prąd udarowy pioruna (10/350 µs) Cu 16 - 95 mm²:
1HExIIC 100 kA (nieiskrząca) T4
Maksymalny prąd zwarciowy (AC 50Hz / DC / 5s) Cu 16mm²:
750 A / T4
Maksymalny prąd zwarciowy (AC 50Hz / DC / 5s) Cu 95mm²:
3,1 kA / T4
Maks. temperatura powierzchni T4: 135 °C
Aby uniknąć rozszczepień w strefie zagrożenia wybuchem,
zaleca się zastosowanie ocynowanych
zaciskanych końcówek kablowych z niklową warstwą blokującą.
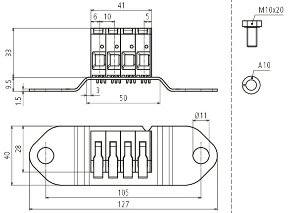
Szyna: 300 x 40 x 10 mm
Wymiary: 382 x 140 x 101 mm
Przyłącza: 7 końcówek kablowych (M10 x 20 mm z podkładką sprężystą).
szyna PA/śruby/podkładka sprężysta: stal nierdzewna,
Nr materiału: 1.4301 / 1.4303
Izolator: Poliamid, bezhalogenowy, niebieski, odporna na promieniowanie UV
Odniesienie do norm: DIN EN 62561-1 / CLC 50703-2

Producent: DEHN
Typ: PAS EX 7AP M10 V2A
Nr kat.: 472411
lub podobny.

Certyfikaty

 

Dane techniczne

Końcówka kablowa przyłącza 7x elastyczny / sztywny przewód 16-95 mm²
Wymiary 382 x 140 x 50 mm
Prąd udarowy (10/350 µs) Cu 16-95 mm2 1HExIIC 100 kA (brak iskrzenia) T4
Spełnia wymagania normy IEC 62561-1 / CLC 50703-2
W odniesieniu do odporności na korozję należy sprawdzić materiały stosowane w PAS EX (np. miedź galwanizowana cyną, stal nierdzewna, poliamid, estry poliuretanowe) pod kątem możliwości stosowania w dostępnych warunkach otoczenia.

Produkt 472411 został dodany do notatnika.

Do koszyka dodano produkt 472411.

Nr kat. 472421 PAS EX 11AP M10 V2A

GTIN / EAN 4013364470477, Nr taryfy celnej (EU): 85359000, Waga brutto: 2.16 kg, Jednostka opakowaniowa: 1.00 szt.


Rysunki

Informacje dodatkowe

Nieiskrząca szyna wyrównawcza do stref zagrożonych wybuchem PAS EX 11AP M10 V2A
Integracja drutów metalowych i przewodów
z połączeniami wyrównawczymi piorunochronnymi
zgodnie z VDE 0185-305-3 (IEC 62305-3) oraz
z ochronnymi i funkcjonalnymi połączeniami wyrównawczymi
zgodnie z DIN VDE 0100 część 410/540.
Do stosowania w strefach Ex 1 i 2 (gazy, opary, mgły) oraz
w strefach Ex 21 i 22 (pyły)
Grupa wybuchowości IIC (współczynnik bezpieczeństwa 1)
zgodnie z CLC 50703-2;
Klasa temperaturowa T4 oraz EN 62561-1
(VDE 0185-561-1)
Klasa obciążalności prądowej H (100 kA).
Zabezpieczenie śruby przed samoczynnym luzowaniem
zgodnie z VDE 0185-305-3 uzupełnienie 2.
Dozwolone stosowanie zarówno wewnątrz,
jak i na zewnątrz.
Prąd udarowy pioruna (10/350 µs) Cu 16 - 95 mm²:
1HExIIC 100 kA (nieiskrząca) T4
Maksymalny prąd zwarciowy (AC 50Hz / DC / 5s) Cu 16mm²:
750 A / T4
Maksymalny prąd zwarciowy (AC 50Hz / DC / 5s) Cu 95mm²:
3,1 kA / T4
Maks. temperatura powierzchni T4: 135 °C
Aby uniknąć rozszczepień w strefie zagrożenia wybuchem,
zaleca się zastosowanie ocynowanych
zaciskanych końcówek kablowych z niklową warstwą blokującą.
Szyna: 500 x 40 x 10 mm
Wymiary: 522 x 140 x 101 mm
Przyłącza: 11 końcówek kablowych (M10 x 20 mm z podkładką sprężystą)
szyna PA/śruby/podkładka sprężysta:
stal nierdzewna, nr materiału: 1.4301 / 1.4303
Izolator: Poliamid, bezhalogenowy, niebieski, odporna na promieniowanie UV
Odniesienie do norm: DIN EN 62561-1 / CLC 50703-2

Producent: DEHN
Typ: PAS EX 11AP M10 V2A
Nr kat.: 472421
lub podobny.

Certyfikaty

 

Dane techniczne

Końcówka kablowa przyłącza 11x elastyczny / sztywny przewód 16-95 mm²
Wymiary 522 x 140 x 50 mm
Prąd udarowy (10/350 µs) Cu 16-95 mm2 1HExIIC 100 kA (brak iskrzenia) T4
Spełnia wymagania normy IEC 62561-1 / CLC 50703-2
W odniesieniu do odporności na korozję należy sprawdzić materiały stosowane w PAS EX (np. miedź galwanizowana cyną, stal nierdzewna, poliamid, estry poliuretanowe) pod kątem możliwości stosowania w dostępnych warunkach otoczenia.

Produkt 472421 został dodany do notatnika.

Do koszyka dodano produkt 472421.


PAS EX AD 7(11) AP

Pokrywa z trzpieniem dystansującym do nieiskrzących szyn wyrównawczych do stref zagrożonych wybuchem PAS EX. Z numeracją przyłączy i etykietą.

2 Produkty

Nr kat. 472412 PAS EX AD 7 AP

GTIN / EAN 4013364470491, Nr taryfy celnej (EU): 85389099, Waga brutto: 576.00 g, Jednostka opakowaniowa: 1.00 szt.


Rysunki

Informacje dodatkowe

Pokrywa z trzpieniem dystansującym
i tabliczką oznaczeniową do
PAS EX 1+5AP M10 V2A i
PAS EX 7AP M10 V2A
Materiał: stal nierdzewna,
Nr materiału: 1.4301 / 1.4303

Producent: DEHN
Typ: PAS EX AD 7 AP
Nr kat.: 472412
lub podobny.

 

Dane techniczne

Materiał stal nierdzewna

Produkt 472412 został dodany do notatnika.

Do koszyka dodano produkt 472412.

Nr kat. 472422 PAS EX AD 11 AP

GTIN / EAN 4013364470507, Nr taryfy celnej (EU): 85389099, Waga brutto: 658.00 g, Jednostka opakowaniowa: 1.00 szt.


Rysunki

Informacje dodatkowe

Pokrywa z trzpieniem dystansującym
i tabliczką oznaczeniową do
PAS EX 1+9AP M10 V2A i
PAS EX 11AP M10 V2A
Materiał: stal nierdzewna,
Nr materiału: 1.4301 / 1.4303

Producent: DEHN
Typ: PAS EX AD 11 AP
Nr kat.: 472422
lub podobny.

 

Dane techniczne

Materiał stal nierdzewna

Produkt 472422 został dodany do notatnika.

Do koszyka dodano produkt 472422.


PAS EX CC

Adapter w technice wtykowej („push-in”) do nieiskrzącej szyny wyrównawczej do stref zagrożonych wybuchem PAS EX do łatwego przyłączania elastycznych przewodów. Do stosowania w strefach zagrożonych wybuchem Ex 1 i 2 (gazy, opary, mgły) do grupy wybuchowości IIC oraz w strefach Ex 21 i 22 (pyły). Dozwolony montaż tylko wewnątrz pomieszczeń.

1 Produkt

Nr kat. 472497 PAS EX CC

GTIN / EAN 4013364470484, Nr taryfy celnej (EU): 85359000, Waga brutto: 196.00 g, Jednostka opakowaniowa: 1.00 szt.


Rysunki

Informacje dodatkowe

Adapter push-in do kontaktowania
elastycznych przewodów 4x 4-16 mm² na PAS EX...
stosowanie w obszarach zagrożonych wybuchem
w strefach Ex 1 i 2 (gazy, opary, mgły)
oraz w strefach Ex 21 i 22 (pyły)
Możliwość stosowania do grupy wybuchowości IIC
(współczynnik bezpieczeństwa 1)
Możliwość stosowania do klasy temperaturowej T4
Zabezpieczenie śruby przed samoczynnym luzowaniem
zgodnie z VDE 0185-305-3 uzupełnienie 2
Dozwolone stosowanie wewnątrz pomieszczeń
Znamionowy prąd wyładowczy (8/20 µs) na linię (In) Cu 4-10 mm²:
10 kA (nieiskrząca)
Znamionowy prąd wyładowczy (8/20 µs) na linię (In) Cu 16 mm²:
15 kA (nieiskrząca)
Prąd udarowy pioruna (10/350 µs) miedź 4-16 mm² (na linię):
3 kA (nieiskrząca)
Prąd udarowy pioruna (10/350 µs) miedź 16 mm² (na linię):
25 kA
Materiał: Poliamid

Producent: DEHN
Typ: PAS EX CC
Nr kat.: 472497
lub podobny.

Certyfikaty

 

Dane techniczne

Prąd udarowy (10/350 µs) Cu 4-16 mm² (na żyłę) 3 kA (brak iskrzenia)
Znamionowy prąd wyładowczy (8/20 µs) na linię (In) Cu 4-10 mm² 10 kA (brak iskrzenia)
Znamionowy prąd wyładowczy (8/20 µs) na linię (In) Cu 16 mm² 15 kA (brak iskrzenia)
Uwaga: Brak iskrzenia zapewniony tylko w przypadku stosowania łącznie z PAS EX...!

Produkt 472497 został dodany do notatnika.

Do koszyka dodano produkt 472497.


PAS EX R

Adapter do nieiskrzącej szyny wyrównawczej do stref zagrożonych wybuchem PAS EX do przyłączania drutu. Do stosowania w strefach zagrożonych wybuchem Ex 1 i 2 (gazy, opary, mgły) do grupy wybuchowości IIC oraz w strefach Ex 21 i 22 (pyły). Dozwolony montaż wewnątrz i na zewnątrz pomieszczeń.

1 Produkt

Nr kat. 472498 PAS EX R

GTIN / EAN 4013364476042, Nr taryfy celnej (EU): 85359000, Waga brutto: 790.00 g, Jednostka opakowaniowa: 1.00 szt.


Rysunki

Informacje dodatkowe

Zestaw przyłączeniowy do drutu okrągłego 10 mm do
PAS EX 11AP M10 V2A
PAS EX 7AP M10 V2A
Integracja drutów metalowych i przewodów
z połączeniami wyrównawczymi piorunochronnymi
zgodnie z VDE 0185-305-3 (IEC 62305-3)
oraz z ochronnymi i funkcjonalnymi połączeniami wyrównawczymi
zgodnie z DIN VDE 0100 część 410/540.
Do stosowania w strefach Ex 1 i 2 (gazy, opary, mgły) oraz
w strefach Ex 21 i 22 (pyły)
Grupa wybuchowości IIC (współczynnik bezpieczeństwa 1)
zgodnie z CLC 50703-2;
Klasa temperaturowa T4 oraz EN 62561-1
(VDE 0185-561-1)
Klasa obciążalności prądowej H (100 kA).
Zabezpieczenie śruby przed samoczynnym luzowaniem
zgodnie z VDE 0185-305-3 uzupełnienie 2.
Dozwolone stosowanie zarówno wewnątrz,
jak i na zewnątrz.
Prąd udarowy pioruna (10/350 µs) stal nierdz. (V4A) Ø10 mm:
NExIIC 50 kA (nieiskrząca) T4
Prąd udarowy pioruna (10/350 µs) stal nierdz. (V4A) Ø10 mm:
75 kA
Prąd udarowy (10/350 µs) stal HDG Ø10 mm:
2HExIIC 75 kA (nieiskrząca) T4
Prąd udarowy (10/350 µs) stal HDG Ø10 mm:
H 100 kA
Maksymalny prąd zwarciowy (AC 50Hz / DC / 5s) stal nierdz. (V4A) Ø10 mm:
650 A / T4
Maksymalny prąd zwarciowy (AC 50Hz / DC / 5s) stal HDG Ø10 mm:
1000 A / T4
Maks. temperatura powierzchni T4: 135 °C
Adapter drutu/płytka dociskowa: stal nierdzewna,
Nr materiału: 1.4301 / 1.4303
Obudowa adaptera płaskownika: Poliamid,
bezhalogenowy, niebieski, odporna na promieniowanie UV

Producent: DEHN
Typ: PAS EX R
Nr kat.: 472498
lub podobny.

Certyfikaty

 

Dane techniczne

Prąd udarowy (10/350 µs) StSt (V4A) Ø10 mm NExIIC 50 kA (brak iskrzenia) T4
Prąd udarowy (10/350 µs) St/tZn Ø10 mm 2HExIIC 75 kA (brak iskrzenia) T4
Maksymalny prąd zwarciowy (AC 50 Hz /DC /5 s) StSt (V4A) Ø10 mm 650 A / T4
Maksymalny prąd zwarciowy (AC 50 Hz / DC / 5 s) St/tZn Ø10 mm 1000 A / T4
Uwaga: Brak iskrzenia zapewniony tylko w przypadku stosowania łącznie z PAS EX...!

Produkt 472498 został dodany do notatnika.

Do koszyka dodano produkt 472498.


PAS EX FL

Adapter do nieiskrzącej szyny wyrównawczej do stref zagrożonych wybuchem PAS EX do przyłączania płaskownika. Do stosowania w strefach zagrożonych wybuchem Ex 1 i 2 (gazy, opary, mgły) do grupy wybuchowości IIC oraz w strefach Ex 21 i 22 (pyły). Dozwolony montaż wewnątrz i na zewnątrz pomieszczeń.

1 Produkt

Nr kat. 472499 PAS EX FL

GTIN / EAN 4013364470514, Nr taryfy celnej (EU): 85359000, Waga brutto: 408.00 g, Jednostka opakowaniowa: 1.00 szt.


Rysunki

Informacje dodatkowe

Zestaw przyłączeniowy do płaskownika 30/40 mm do
PAS EX 11AP M10 V2A
PAS EX 7AP M10 V2A
Integracja drutów metalowych i przewodów
z połączeniami wyrównawczymi piorunochronnymi
zgodnie z VDE 0185-305-3 (IEC 62305-3) oraz
z ochronnymi i funkcjonalnymi połączeniami wyrównawczymi
zgodnie z DIN VDE 0100 część 410/540.
Do stosowania w strefach Ex 1 i 2 (gazy, opary, mgły) oraz
w strefach Ex 21 i 22 (pyły)
Grupa wybuchowości IIC (współczynnik bezpieczeństwa 1)
zgodnie z CLC 50703-2;
Klasa temperaturowa T4 oraz EN 62561-1
(VDE 0185-561-1)
Klasa obciążalności prądowej H (100 kA).
Zabezpieczenie śruby przed samoczynnym luzowaniem
zgodnie z VDE 0185-305-3 uzupełnienie 2.
Dozwolone stosowanie zarówno wewnątrz,
jak i na zewnątrz.
Prąd udarowy pioruna (10/350 µs) stal nierdzewna (V4A) 30x3,5 mm/40x5 mm:
2HExIIC 75kA (nieiskrząca) T4
Prąd udarowy pioruna (10/350 µs) stal nierdzewna (V4A) 30x3,5 mm/40x5 mm:
H 100 kA
Prąd udarowy (10/350 µs) stal HDG 30x3,5 mm/40x5 mm:
1HExIIC 100 kA (nieiskrząca) T4
Maksymalny prąd zwarciowy (AC 50Hz / DC / 5s) stal nierdz. (V4A) 30x3,5 mm/40x5 mm:
750 A / T4
Maksymalny prąd zwarciowy (AC 50Hz / DC / 5s) stal HDG 30x3,5 mm/40x5 mm:
1500 A / T4
Maks. temperatura powierzchni T4: 135 °C
Materiał płytki dociskowej: stal nierdzewna,
Nr materiału: 1.4301 / 1.4303
Obudowa adaptera płaskownika: Poliamid, bezhalogenowy,
niebieski, odporna na promieniowanie UV

Producent: DEHN
Typ: PAS EX FL
Nr kat.: 472499
lub podobny.

Certyfikaty

 

Dane techniczne

Prąd udarowy (10/350 µs) StSt (V4A) 30x3,5 mm / 40x5 mm 2HExIIC 75kA (brak iskrzenia) T4
Prąd udarowy (10/350 µs) St/tZn 30x3,5 mm/40x5 mm 1HExIIC 100 kA (brak iskrzenia) T4
Maksymalny prąd zwarciowy (AC 50 Hz / DC / 5 s) StSt (V4A) 30x3,5 mm / 40x5 mm 750 A / T4
Maksymalny prąd zwarciowy (AC 50 Hz / DC / 5 s) St/tZn 30x3,5 mm / 40x5 mm 1500 A / T4
Uwaga: Brak iskrzenia zapewniony tylko w przypadku stosowania łącznie z PAS EX...!

Produkt 472499 został dodany do notatnika.

Do koszyka dodano produkt 472499.


PAS ... CUGALSSN

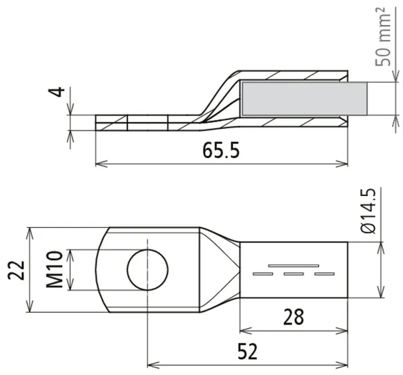
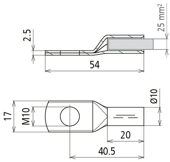
Zaciskana końcówka kablowa zgodnie z DIN 46235 z warstwą niklową zapobiegającą tworzeniu się wąsów metalicznych.

6 Produkty

Nr kat. 472432 PKS 16 10 CUGALNISN

GTIN / EAN 4013364470538, Nr taryfy celnej (EU): 85369010, Waga brutto: 16.33 g, Jednostka opakowaniowa: 3.00 szt.


Rysunki

Informacje dodatkowe

Zaciskana końcówka kablowa DIN 46235 16 mm² M10
Cu/galwanizowana cyną z niklową warstwą blokującą.
Aby uniknąć rozszczepień w strefie wybuchowej
, zalecamy zastosowanie
ocynowanych wciskanych końcówek kablowych
z niklową warstwą blokującą
Materiał: Cu/gal (Ni)Sn
Prąd udarowy pioruna (10/350 µs) Cugal (Ni)Sn 16 mm² (Re/Rm/Rf) /
stal nierdzewna 40 x 10 mm 1HExIIC 100 kA (nieiskrząca) T4
Maksymalny prąd zwarciowy (AC 50 Hz / DC / 5 s) Cugal (Ni)Sn 16
mm² (Re) / stal nierdzewna 40x10 mm: 1100 A / T4
Maksymalny prąd zwarciowy (AC 50 Hz / DC / 5 s) Cugal (Ni)Sn 16
mm² (Rm/Rf) / StSt 40x10 mm: 750 A / T4
Maks. temperatura powierzchni T4: 135 °C
Otwór końcówki kablowej: M10
Przekrój przewodu: 16 mm²

Producent: DEHN
Typ: PKS 16 10 CUGALNISN
Nr kat.: 472432
lub podobny.

Certyfikaty

 

Dane techniczne

Materiał miedź / galwanicznie powlekana niklem i cyną
Otwór w końcówce kablowej M10
Przekrój przewodu 16 mm2
Uwaga: Brak iskrzenia zapewniony tylko w przypadku stosowania łącznie z PAS EX...!

Produkt 472432 został dodany do notatnika.

Do koszyka dodano produkt 472432.

Nr kat. 472433 PKS 25 10 CUGALNISN

GTIN / EAN 4013364470545, Nr taryfy celnej (EU): 85369010, Waga brutto: 19.67 g, Jednostka opakowaniowa: 3.00 szt.


Rysunki

Informacje dodatkowe

Zaciskana końcówka kablowa DIN 46235 25 mm² M10
Cu/galwanizowana cyną z niklową warstwą blokującą.
Aby uniknąć rozszczepień w strefie wybuchowej
, zalecamy zastosowanie
ocynowanych wciskanych końcówek kablowych
z niklową warstwą blokującą
Materiał: Cu/gal (Ni)Sn
Prąd udarowy pioruna (10/350 µs) Cugal (Ni)Sn 25 mm² (Rm/Rf) /
stal nierdzewna 40 x 10 mm 1HExIIC 100 kA (nieiskrząca) T4
Maksymalny prąd zwarciowy (AC 50 Hz / DC / 5 s) Cugal (Ni)Sn
25 mm² (Rm/Rf) / stal nierdzewna 40x10 mm: 1100 A / T4
Maks. temperatura powierzchni T4: 135 °C
Otwór końcówki kablowej: M10
Przekrój przewodu: 25 mm²

Producent: DEHN
Typ: PKS 25 10 CUGALNISN
Nr kat.: 472433
lub podobny.

Certyfikaty

 

Dane techniczne

Materiał miedź / galwanicznie powlekana niklem i cyną
Otwór w końcówce kablowej M10
Przekrój przewodu 25 mm2
Uwaga: Brak iskrzenia zapewniony tylko w przypadku stosowania łącznie z PAS EX...!

Produkt 472433 został dodany do notatnika.

Do koszyka dodano produkt 472433.

Nr kat. 472434 PKS 35 10 CUGALNISN

GTIN / EAN 4013364470552, Nr taryfy celnej (EU): 85369010, Waga brutto: 34.33 g, Jednostka opakowaniowa: 3.00 szt.


Rysunki

Informacje dodatkowe

Zaciskana końcówka kablowa DIN 46235 35 mm² M10
Cu/galwanizowana cyną z niklową warstwą blokującą.
Aby uniknąć rozszczepień w strefie wybuchowej
, zalecamy zastosowanie
ocynowanych wciskanych końcówek kablowych
z niklową warstwą blokującą
Materiał: Cu/gal (Ni)Sn
Prąd udarowy pioruna (10/350 µs) Cugal (Ni)Sn 35 mm² (Rm/Rf) /
stal nierdzewna 40 x 10 mm 1HExIIC 100 kA (nieiskrząca) T4
Maksymalny prąd zwarciowy (AC 50 Hz / DC / 5 s) Cugal (Ni)Sn
35 mm² (Rm/Rf) / stal nierdzewna 40x10 mm: 1100 A / T4
Maks. temperatura powierzchni T4: 135 °C
Otwór końcówki kablowej: M10
Przekrój przewodu: 35 mm²

Producent: DEHN
Typ: PKS 35 10 CUGALNISN
Nr kat.: 472434
lub podobny.

Certyfikaty

 

Dane techniczne

Materiał miedź / galwanicznie powlekana niklem i cyną
Otwór w końcówce kablowej M10
Przekrój przewodu 35 mm2
Uwaga: Brak iskrzenia zapewniony tylko w przypadku stosowania łącznie z PAS EX...!

Produkt 472434 został dodany do notatnika.

Do koszyka dodano produkt 472434.

Nr kat. 472435 PKS 50 10 CUGALNISN

GTIN / EAN 4013364470569, Nr taryfy celnej (EU): 85369010, Waga brutto: 51.67 g, Jednostka opakowaniowa: 3.00 szt.


Rysunki

Informacje dodatkowe

Zaciskana końcówka kablowa DIN 46235 50 mm² M10
Cu/galwanizowana cyną z niklową warstwą blokującą.
Aby uniknąć rozszczepień w strefie wybuchowej
, zalecamy zastosowanie
ocynowanych wciskanych końcówek kablowych
z niklową warstwą blokującą
Materiał: Cu/gal (Ni)Sn
Prąd udarowy pioruna (10/350 µs) Cugal (Ni)Sn 50 mm² (Rm/Rf) /
stal nierdzewna 40 x 10 mm 1HExIIC 100 kA (nieiskrząca) T4
Maksymalny prąd zwarciowy (AC 50 Hz / DC / 5 s) Cugal (Ni)Sn
50 mm² (Rm/Rf) / stal nierdzewna 40x10 mm: 1100 A / T4
Maks. temperatura powierzchni T4: 135 °C
Otwór końcówki kablowej: M10
Przekrój przewodu: 50 mm²

Producent: DEHN
Typ: PKS 50 10 CUGALNISN
Nr kat.: 472435
lub podobny.

Certyfikaty

 

Dane techniczne

Materiał miedź / galwanicznie powlekana niklem i cyną
Otwór w końcówce kablowej M10
Przekrój przewodu 50 mm2
Uwaga: Brak iskrzenia zapewniony tylko w przypadku stosowania łącznie z PAS EX...!

Produkt 472435 został dodany do notatnika.

Do koszyka dodano produkt 472435.

Nr kat. 472436 PKS 70 10 CUGALNISN

GTIN / EAN 4013364470576, Nr taryfy celnej (EU): 85369010, Waga brutto: 68.00 g, Jednostka opakowaniowa: 3.00 szt.


Rysunki

Informacje dodatkowe

Zaciskana końcówka kablowa DIN 46235 70 mm² M10
Cu/galwanizowana cyną z niklową warstwą blokującą.
Aby uniknąć rozszczepień w strefie wybuchowej
, zalecamy zastosowanie
ocynowanych wciskanych końcówek kablowych
z niklową warstwą blokującą
Materiał: Cu/gal (Ni)Sn
Prąd udarowy pioruna (10/350 µs) Cugal (Ni)Sn 70 mm² (Rm/Rf) /
stal nierdzewna 40 x 10 mm 1HExIIC 100 kA (nieiskrząca) T4
Maksymalny prąd zwarciowy (AC 50 Hz / DC / 5 s) Cugal (Ni)Sn
70 mm² (Rm/Rf) / stal nierdzewna 40x10 mm: 1100 A / T4
Maks. temperatura powierzchni T4: 135 °C
Otwór końcówki kablowej: M10
Przekrój przewodu: 70 mm²

Producent: DEHN
Typ: PKS 70 10 CUGALNISN
Nr kat.: 472436
lub podobny.

Certyfikaty

 

Dane techniczne

Materiał miedź / galwanicznie powlekana niklem i cyną
Otwór w końcówce kablowej M10
Przekrój przewodu 70 mm2
Uwaga: Brak iskrzenia zapewniony tylko w przypadku stosowania łącznie z PAS EX...!

Produkt 472436 został dodany do notatnika.

Do koszyka dodano produkt 472436.

Nr kat. 472437 PKS 95 10 CUGALNISN

GTIN / EAN 4013364470583, Nr taryfy celnej (EU): 85369010, Waga brutto: 98.00 g, Jednostka opakowaniowa: 3.00 szt.


Rysunki

Informacje dodatkowe

Zaciskana końcówka kablowa DIN 46235 95 mm² M10
Cu/galwanizowana cyną z niklową warstwą blokującą.
Aby uniknąć rozszczepień w strefie wybuchowej
, zalecamy zastosowanie
ocynowanych wciskanych końcówek kablowych
z niklową warstwą blokującą
Materiał: Cu/gal (Ni)Sn
Prąd udarowy pioruna (10/350 µs) Cugal (Ni)Sn 95 mm² (Rm/Rf) /
stal nierdzewna 40 x 10 mm 1HExIIC 100 kA (nieiskrząca) T4
Maksymalny prąd zwarciowy (AC 50 Hz / DC / 5 s) Cugal (Ni)Sn
95 mm² (Rm/Rf) / stal nierdzewna 40x10 mm: 1100 A / T4
Maks. temperatura powierzchni T4: 135 °C
Otwór końcówki kablowej: M10
Przekrój przewodu: 95 mm²

Producent: DEHN
Typ: PKS 95 10 CUGALNISN
Nr kat.: 472437
lub podobny.

Certyfikaty

 

Dane techniczne

Materiał miedź / galwanicznie powlekana niklem i cyną
Otwór w końcówce kablowej M10
Przekrój przewodu 95 mm2
Uwaga: Brak iskrzenia zapewniony tylko w przypadku stosowania łącznie z PAS EX...!

Produkt 472437 został dodany do notatnika.

Do koszyka dodano produkt 472437.


Powrót na górę