Your dashboard services.
Register to access all tools.

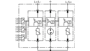
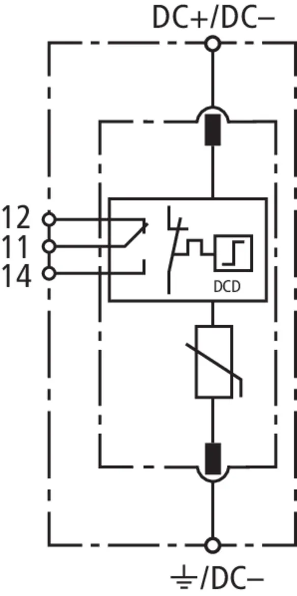
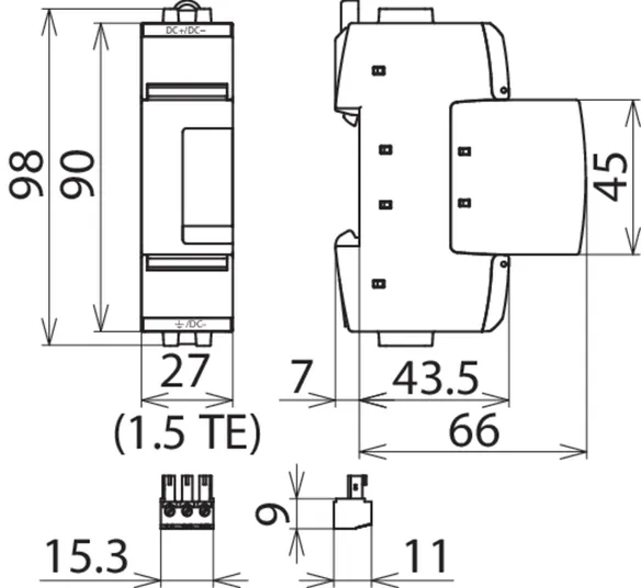
DEHNguard ME/SE DC ... (FM)

  • Uniwersalny ogranicznik kombinowany składający się z podstawy i wymiennego modułu ochronnego
  • Urządzenie zaprojektowane specjalnie do stosowania w obwodach stałoprądowych (DC)
  • Wysokowydajne urządzenie przełączające prądu stałego DCD Do ochrony przed pożarami spowodowanymi łukiem elektrycznym DC
  • Możliwość stosowania bez dobezpieczenia w określonych przypadkach
  • Wskaźnik działania / uszkodzenia w postaci zielonego / czerwonego znacznika w okienku kontrolnym
  • Łatwa wymiana modułów bez używania narzędzi poprzez zastosowanie rygla blokującego z przyciskiem zwalniającym moduł

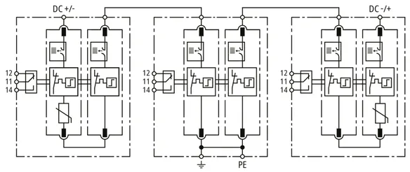
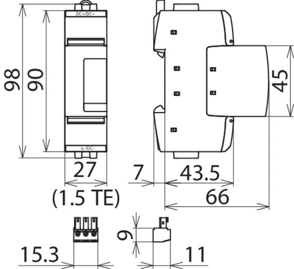
DEHNguard M DC ACI 1250 FM

Modułowy ogranicznik przepięć do zastosowań stałoprądowych; ze zdalną sygnalizacją stanu (bezpotencjałowy zestyk przełączny).

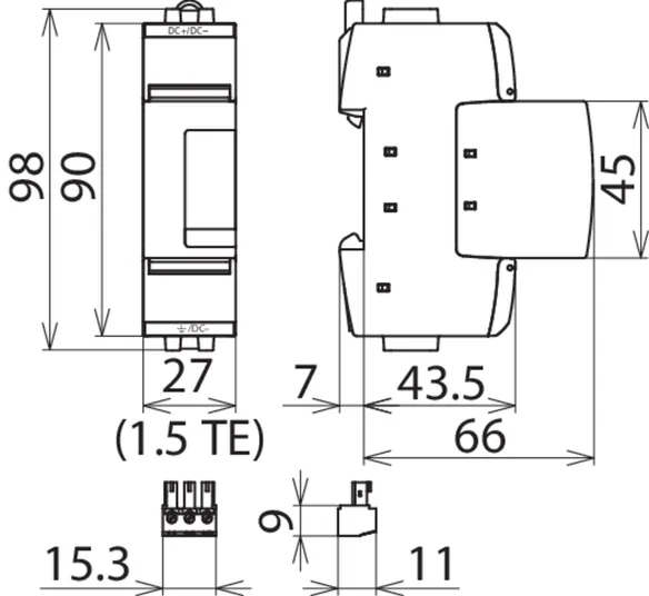
1 Produkt

Nr kat. 972150 DG M DC ACI 1250 FM

GTIN / EAN 4013364530850, Nr taryfy celnej (EU): 85354000, Waga brutto: 757.40 g, Jednostka opakowaniowa: 1.00 szt.


Rysunki

Informacje dodatkowe

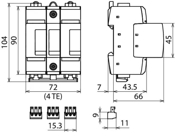
Ogranicznik przepięć typu 2, DG M DC ACI 1250 FM
modułowy, gotowy do podłączenia ogranicznik przepięć
do zastosowań stałoprądowych, szerokość 6 modułów
mechaniczny wskaźnik działania / uszkodzenia
Ogranicznik przepięć typu 2 zgodnie z EN / IEC 61643-41
składający się z kombinacji przełącznika i iskiernika
Szczególnie nadaje się do zastosowań w urządzeniach ładujących DC do 1250 V
Największe napięcie trwałej pracy (+ --> -): 1250 V DC
Znamionowy prąd wyładowczy (8/20 µs): 10 kA
ze zdalną sygnalizacją stanu (bezpotencjałowy zestyk przełączny)
Odporność na wibrację i wstrząsy zgodnie z EN60068
Wypełnia IEC 61851-23

Producent: DEHN
Typ: DG M DC ACI 1250 FM
Nr kat.: 972150
lub podobny.

Certyfikaty

 

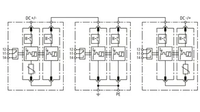
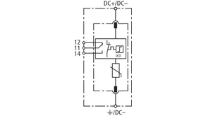
Technika ACI

Dalszy rozwój technologii CI – technika ACI – składa się z kombinacji przełącznika i iskiernika połączonej szeregowo z warystorem o dużej wytrzymałości, dzięki czemu można wyeliminować ewentualne błędy konfiguracyjne podczas doboru wartości bezpiecznika. Odporność na przepięcia dorywcze (TOV) i brak prądu upływu oznacza większą wytrzymałość, a mniejszy przekrój przewodów przyłączeniowych – łatwiejszy montaż. Ograniczniki przepięć z techniką ACI zapewniają maksymalne bezpieczeństwo i dostępność systemu.

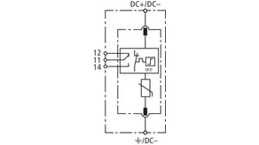
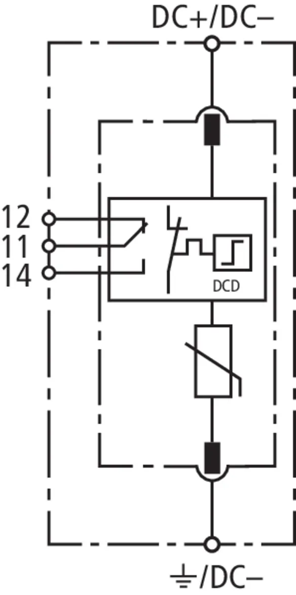
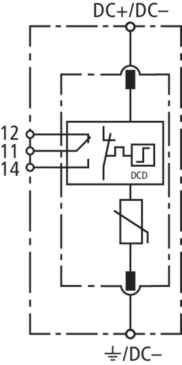
Direct Current-Disconnection (rozłączenie obwodu prądu stałego)

W przypadku stosowania ograniczników przepięć w instalacjach prądu stałego, gdzie nie występuje przejście przez zero, także należy zapewnić awaryjne rozłączenie. Technika DCD działa jak klin, który niezawodnie przerywa prąd stały, a tym samym zapobiega pożarom spowodowanym przez łuki przełączające DC. Ten symbol można znaleźć na wszystkich produktach z rodziny DEHNguard SE DC.

Dane techniczne

Klasyfikacja ogranicznika przepięć zgodnie z EN 61643-41 / ... IEC 61643-41 typ 2 / klasa II
Największe napięcie trwałej pracy DC [DC+ --> DC-] (UC ) 1250 V
Największe napięcie trwałej pracy DC [(DC+/DC-) --> PE] (UC ) 625 V
Znamionowy prąd wyładowczy (8/20 µs) (In ) 10 kA
Maks. znamionowy prąd wyładowczy (8/20 µs) (Imaks. ) 20 kA
Napięciowy poziom ochrony [DC+ --> DC-] (UP ) < 5 kV
Napięciowy poziom ochrony [(DC+/DC-) -> PE] (UP ) < 2,5 kV
Maksymalna wytrzymałość zwarciowa (ISCCR ) 5 kA
Rodzaj zestyku zdalnej sygnalizacji (FM) bezpotencjałowy zestyk przełączny

Produkt 972150 został dodany do notatnika.

Do koszyka dodano produkt 972150.


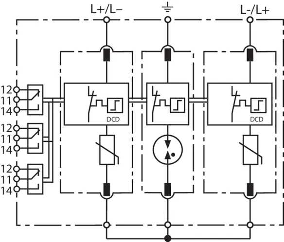
DEHNguard ME DC ... FM

Modułowy kombinowany ogranicznik przepięć do zastosowań stałoprądowych; ze zdalną sygnalizacją stanu (bezpotencjałowy zestyk przełączny).

1 Produkt

Nr kat. 972147 DG ME DC Y 1000 FM

GTIN / EAN 4013364519817, Nr taryfy celnej (EU): 85363030, Waga brutto: 530.49 g, Jednostka opakowaniowa: 1.00 szt.


Rysunki

Informacje dodatkowe

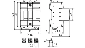
Kombinowany ogranicznik przepięć typu 1+2 DEHNguard ME DC Y 1000 FM
3-biegunowy, modułowy, gotowy do podłączenia kombinowany ogranicznik przepięć
do zastosowań stałoprądowych, szerokość: 4 moduły
mechaniczny wskaźnik działania / uszkodzenia
Ogranicznik przepięć z certyfikatem UL
Typu 1+2, analogowy, zgodnie z PN-EN 61643-11, układ Y
w technologii opartej na niepowodujących prądów upływu warystorach i iskiernikach gazowych
Szczególnie nadają się do zastosowań w obwodach stałoprądowych do 950 V
układu przełączającego prądu stałego DCD
Największe napięcie trwałej pracy: 1000 V DC
Piorunowy prąd udarowy 5 kA (10/350µs)
Znamionowy prąd wyładowczy: 12,5 kA (8/20µs)
ze zdalną sygnalizacją stanu (bezpotencjałowy zestyk przełączny)
Odporność na wibrację i wstrząsy zgodnie z EN60068

Producent: DEHN
Typ: DG ME DC Y 1000 FM
Nr kat.: 972147
lub podobny.

Certyfikaty

 

Direct Current-Disconnection (rozłączenie obwodu prądu stałego)

W przypadku stosowania ograniczników przepięć w instalacjach prądu stałego, gdzie nie występuje przejście przez zero, także należy zapewnić awaryjne rozłączenie. Technika DCD działa jak klin, który niezawodnie przerywa prąd stały, a tym samym zapobiega pożarom spowodowanym przez łuki przełączające DC. Ten symbol można znaleźć na wszystkich produktach z rodziny DEHNguard SE DC.

Dane techniczne

Prąd udarowy (10/350 µs) (Iimp ) 5 kA
Znamionowy prąd wyładowczy (8/20 µs) (In ) 12,5 kA
Maks. znamionowy prąd wyładowczy (8/20 µs) (Imaks. ) 20 kA
Napięciowy poziom ochrony [DC+ --> DC-] (UP ) < 3,75 kV
Napięciowy poziom ochrony [(DC+/DC-) -> PE] (UP ) < 2,5 kV
Maksymalna wytrzymałość zwarciowa (ISCCR ) 5 kA
Rodzaj zestyku zdalnej sygnalizacji (FM) bezpotencjałowy zestyk przełączny

Produkt 972147 został dodany do notatnika.

Do koszyka dodano produkt 972147.


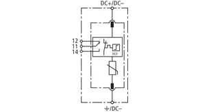
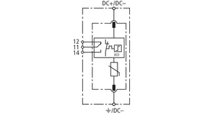
DEHNguard SE DC ...

Jednobiegunowy, modułowy ogranicznik przepięć do zastosowań stałoprądowych

4 Produkty

Nr kat. 972110 DG SE DC 60

GTIN / EAN 4013364158504, Nr taryfy celnej (EU): 85363030, Waga brutto: 160.00 g, Jednostka opakowaniowa: 1.00 szt.


Rysunki

Informacje dodatkowe

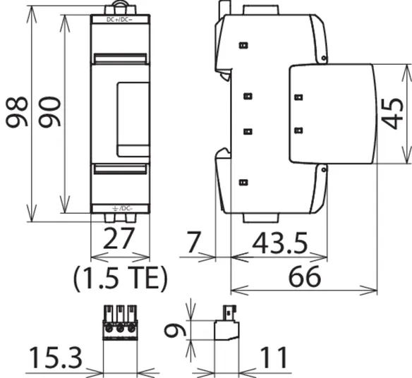
Ogranicznik przepięć DEHNguard SE DC 60
1-biegunowy, modułowy, gotowy do podłączenia ogranicznik przepięć
do zastosowań stałoprądowych, szerokość: 1,5 modułu
Wskaźnik uszkodzenia
Ogranicznik przepięć typu 2 zgodnie z EN 61643-11
Wysokowydajna technologia warystorów
Zaprojektowane specjalnie do stosowania w obwodach stałoprądowych (DC)
urządzenie przełączające prądu stałego DCD
Największe napięcie trwałej pracy: 60 V DC
Napięciowy poziom ochrony: <= 0,5 kV
Znamionowy prąd wyładowczy: 12,5 kA
Wytrzymałość zwarciowa przy maksymalnym
bezpieczniku DC: 2000 A
Koordynacja energetyczna według DIN EN 62305-4
Ogranicznik przepięć z rodziny Red/Line

Producent: DEHN
Typ: DG SE DC 60
Nr kat.: 972110
lub podobny.

Certyfikaty

 

Direct Current-Disconnection (rozłączenie obwodu prądu stałego)

W przypadku stosowania ograniczników przepięć w instalacjach prądu stałego, gdzie nie występuje przejście przez zero, także należy zapewnić awaryjne rozłączenie. Technika DCD działa jak klin, który niezawodnie przerywa prąd stały, a tym samym zapobiega pożarom spowodowanym przez łuki przełączające DC. Ten symbol można znaleźć na wszystkich produktach z rodziny DEHNguard SE DC.

Dane techniczne

Ogranicznik przepięć zgodnie z PN-EN 61643-11 typ 2 / klasa II
Największe napięcie trwałej pracy DC (UC ) 60 V
Znamionowy prąd wyładowczy (8/20 µs) (In ) 12,5 kA
Napięciowy poziom ochrony (UP ) ≤ 0,5 kV
Wytrzymałość zwarciowa bez bezpiecznika DC (ISCCR ) 300 A
Wytrzymałość zwarciowa przy maksymalnym bezpieczniku DC (ISCCR ) 25 kA
Maksymalny bezpiecznik dodatkowy 35 A gG

Produkt 972110 został dodany do notatnika.

Do koszyka dodano produkt 972110.

Nr kat. 972120 DG SE DC 242

GTIN / EAN 4013364158528, Nr taryfy celnej (EU): 85363030, Waga brutto: 170.00 g, Jednostka opakowaniowa: 1.00 szt.


Rysunki

Informacje dodatkowe

Ogranicznik przepięć DEHNguard SE DC 242
1-biegunowy, modułowy, gotowy do podłączenia ogranicznik przepięć
do zastosowań stałoprądowych, szerokość: 1,5 modułu
Wskaźnik uszkodzenia
Ogranicznik przepięć typu 2 zgodnie z EN 61643-11
Wysokowydajna technologia warystorów
Zaprojektowane specjalnie do stosowania w obwodach stałoprądowych (DC)
urządzenie przełączające prądu stałego DCD
Największe napięcie trwałej pracy: 242 V DC
Napięciowy poziom ochrony: <= 1,25 kV
Znamionowy prąd wyładowczy: 12,5 kA
Wytrzymałość zwarciowa przy maksymalnym
bezpieczniku DC: 2000 A
Koordynacja energetyczna według
DIN EN 62305-4
Ogranicznik przepięć z rodziny Red/Line

Producent: DEHN
Typ: DG SE DC 242
Nr kat.: 972120
lub podobny.

Certyfikaty

 

Direct Current-Disconnection (rozłączenie obwodu prądu stałego)

W przypadku stosowania ograniczników przepięć w instalacjach prądu stałego, gdzie nie występuje przejście przez zero, także należy zapewnić awaryjne rozłączenie. Technika DCD działa jak klin, który niezawodnie przerywa prąd stały, a tym samym zapobiega pożarom spowodowanym przez łuki przełączające DC. Ten symbol można znaleźć na wszystkich produktach z rodziny DEHNguard SE DC.

Dane techniczne

Ogranicznik przepięć zgodnie z PN-EN 61643-11 typ 2 / klasa II
Największe napięcie trwałej pracy DC (UC ) 242 V
Znamionowy prąd wyładowczy (8/20 µs) (In ) 12,5 kA
Napięciowy poziom ochrony (UP ) ≤ 1,25 kV
Wytrzymałość zwarciowa bez bezpiecznika DC (ISCCR ) 300 A
Wytrzymałość zwarciowa przy maksymalnym bezpieczniku DC (ISCCR ) 25 kA
Maksymalny bezpiecznik dodatkowy 35 A gG

Produkt 972120 został dodany do notatnika.

Do koszyka dodano produkt 972120.

Nr kat. 972130 DG SE DC 550

GTIN / EAN 4013364158627, Nr taryfy celnej (EU): 85363030, Waga brutto: 184.00 g, Jednostka opakowaniowa: 1.00 szt.


Rysunki

Informacje dodatkowe

Ogranicznik przepięć DEHNguard SE DC 550
1-biegunowy, modułowy, gotowy do podłączenia ogranicznik przepięć
do zastosowań stałoprądowych, szerokość: 1,5 modułu
Wskaźnik uszkodzenia
Ogranicznik przepięć typu 2 zgodnie z EN 61643-11
Wysokowydajna technologia warystorów
Zaprojektowane specjalnie do stosowania w obwodach stałoprądowych (DC)
urządzenie przełączające prądu stałego DCD
Największe napięcie trwałej pracy: 550 V DC
Napięciowy poziom ochrony: <= 2,0 kV
Znamionowy prąd wyładowczy: 12,5 kA
Wytrzymałość zwarciowa przy maksymalnym
bezpieczniku DC: 2000 A
Koordynacja energetyczna według DIN EN 62305-4
Ogranicznik przepięć z rodziny Red/Line

Producent: DEHN
Typ: DG SE DC 550
Nr kat.: 972130
lub podobny.

Certyfikaty

 

Direct Current-Disconnection (rozłączenie obwodu prądu stałego)

W przypadku stosowania ograniczników przepięć w instalacjach prądu stałego, gdzie nie występuje przejście przez zero, także należy zapewnić awaryjne rozłączenie. Technika DCD działa jak klin, który niezawodnie przerywa prąd stały, a tym samym zapobiega pożarom spowodowanym przez łuki przełączające DC. Ten symbol można znaleźć na wszystkich produktach z rodziny DEHNguard SE DC.

Dane techniczne

Ogranicznik przepięć zgodnie z PN-EN 61643-11 typ 2 / klasa II
Największe napięcie trwałej pracy DC (UC ) 550 V
Znamionowy prąd wyładowczy (8/20 µs) (In ) 12,5 kA
Napięciowy poziom ochrony (UP ) ≤ 2,0 kV
Wytrzymałość zwarciowa bez bezpiecznika DC (ISCCR ) 200 A
Wytrzymałość zwarciowa przy maksymalnym bezpieczniku DC (ISCCR ) 25 kA
Maksymalny bezpiecznik dodatkowy 35 A gG

Produkt 972130 został dodany do notatnika.

Do koszyka dodano produkt 972130.

Nr kat. 972140 DG SE DC 900

GTIN / EAN 4013364158641, Nr taryfy celnej (EU): 85363030, Waga brutto: 190.00 g, Jednostka opakowaniowa: 1.00 szt.


Rysunki

Informacje dodatkowe

Ogranicznik przepięć DEHNguard SE DC 900
1-biegunowy, modułowy, gotowy do podłączenia ogranicznik przepięć
do zastosowań stałoprądowych, szerokość: 1,5 modułu
Wskaźnik uszkodzenia
Ogranicznik przepięć typu 2 zgodnie z EN 61643-11
Wysokowydajna technologia warystorów
Zaprojektowane specjalnie do stosowania w obwodach stałoprądowych (DC)
urządzenie przełączające prądu stałego DCD
Największe napięcie trwałej pracy: 900 V DC
Napięciowy poziom ochrony: <= 3,0 kV
Znamionowy prąd wyładowczy: 12,5 kA
Wytrzymałość zwarciowa przy maksymalnym
bezpieczniku DC: 2000 A
Koordynacja energetyczna według DIN EN 62305-4
Ogranicznik przepięć z rodziny Red/Line

Producent: DEHN
Typ: DG SE DC 900
Nr kat.: 972140
lub podobny.

Certyfikaty

 

Direct Current-Disconnection (rozłączenie obwodu prądu stałego)

W przypadku stosowania ograniczników przepięć w instalacjach prądu stałego, gdzie nie występuje przejście przez zero, także należy zapewnić awaryjne rozłączenie. Technika DCD działa jak klin, który niezawodnie przerywa prąd stały, a tym samym zapobiega pożarom spowodowanym przez łuki przełączające DC. Ten symbol można znaleźć na wszystkich produktach z rodziny DEHNguard SE DC.

Dane techniczne

Ogranicznik przepięć zgodnie z PN-EN 61643-11 typ 2 / klasa II
Największe napięcie trwałej pracy DC (UC ) 900 V
Znamionowy prąd wyładowczy (8/20 µs) (In ) 12,5 kA
Napięciowy poziom ochrony (UP ) ≤ 3,0 kV
Wytrzymałość zwarciowa bez bezpiecznika DC (ISCCR ) 100 A
Wytrzymałość zwarciowa przy maksymalnym bezpieczniku DC (ISCCR ) 25 kA
Maksymalny bezpiecznik dodatkowy 80 A gPV

Produkt 972140 został dodany do notatnika.

Do koszyka dodano produkt 972140.


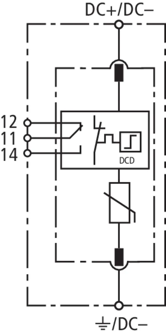
DEHNguard SE DC ... FM

Jednobiegunowy, modułowy ogranicznik przepięć do zastosowań stałoprądowych; ze zdalną sygnalizacją stanu (bezpotencjałowy zestyk przełączny).

4 Produkty

Nr kat. 972115 DG SE DC 60 FM

GTIN / EAN 4013364158511, Nr taryfy celnej (EU): 85363030, Waga brutto: 164.00 g, Jednostka opakowaniowa: 1.00 szt.


Rysunki

Informacje dodatkowe

Ogranicznik przepięć DEHNguard SE DC 60 FM
1-biegunowy, modułowy, gotowy do podłączenia ogranicznik przepięć
do zastosowań stałoprądowych, szerokość: 1,5 modułu
Wskaźnik uszkodzenia
Ogranicznik przepięć typu 2 zgodnie z EN 61643-11
Z zestykiem zdalnej sygnalizacji
Wysokowydajna technologia warystorów
Zaprojektowane specjalnie do stosowania w obwodach stałoprądowych (DC)
urządzenie przełączające prądu stałego DCD
Największe napięcie trwałej pracy: 60 V DC
Napięciowy poziom ochrony: <= 0,5 kV
Znamionowy prąd wyładowczy: 12,5 kA
Wytrzymałość zwarciowa przy maksymalnym
bezpieczniku DC: 2000 A
Koordynacja energetyczna według DIN EN 62305-4
Ogranicznik przepięć z rodziny Red/Line

Producent: DEHN
Typ: DG SE DC 60 FM
Nr kat.: 972115
lub podobny.

Certyfikaty

 

Direct Current-Disconnection (rozłączenie obwodu prądu stałego)

W przypadku stosowania ograniczników przepięć w instalacjach prądu stałego, gdzie nie występuje przejście przez zero, także należy zapewnić awaryjne rozłączenie. Technika DCD działa jak klin, który niezawodnie przerywa prąd stały, a tym samym zapobiega pożarom spowodowanym przez łuki przełączające DC. Ten symbol można znaleźć na wszystkich produktach z rodziny DEHNguard SE DC.

Dane techniczne

Ogranicznik przepięć zgodnie z PN-EN 61643-11 typ 2 / klasa II
Największe napięcie trwałej pracy DC (UC ) 60 V
Znamionowy prąd wyładowczy (8/20 µs) (In ) 12,5 kA
Napięciowy poziom ochrony (UP ) ≤ 0,5 kV
Wytrzymałość zwarciowa bez bezpiecznika DC (ISCCR ) 300 A
Wytrzymałość zwarciowa przy maksymalnym bezpieczniku DC (ISCCR ) 25 kA
Maksymalny bezpiecznik dodatkowy 35 A gG
Rodzaj zestyku zdalnej sygnalizacji (FM) bezpotencjałowy zestyk przełączny

Produkt 972115 został dodany do notatnika.

Do koszyka dodano produkt 972115.

Nr kat. 972125 DG SE DC 242 FM

GTIN / EAN 4013364158610, Nr taryfy celnej (EU): 85363030, Waga brutto: 174.00 g, Jednostka opakowaniowa: 1.00 szt.


Rysunki

Informacje dodatkowe

Ogranicznik przepięć DEHNguard SE DC 242 FM
1-biegunowy, modułowy, gotowy do podłączenia ogranicznik przepięć
do zastosowań stałoprądowych, szerokość: 1,5 modułu
Wskaźnik uszkodzenia
Ogranicznik przepięć typu 2 zgodnie z EN 61643-11
Z zestykiem zdalnej sygnalizacji
Wysokowydajna technologia warystorów
Zaprojektowane specjalnie do stosowania w obwodach stałoprądowych (DC)
urządzenie przełączające prądu stałego DCD
Największe napięcie trwałej pracy: 242 V DC
Napięciowy poziom ochrony: <= 1,25 kV
Znamionowy prąd wyładowczy: 12,5 kA
Wytrzymałość zwarciowa przy maksymalnym
bezpieczniku DC: 2000 A
Koordynacja energetyczna według DIN EN 62305-4
Ogranicznik przepięć z rodziny Red/Line

Producent: DEHN
Typ: DG SE DC 242 FM
Nr kat.: 972125
lub podobny.

Certyfikaty

 

Direct Current-Disconnection (rozłączenie obwodu prądu stałego)

W przypadku stosowania ograniczników przepięć w instalacjach prądu stałego, gdzie nie występuje przejście przez zero, także należy zapewnić awaryjne rozłączenie. Technika DCD działa jak klin, który niezawodnie przerywa prąd stały, a tym samym zapobiega pożarom spowodowanym przez łuki przełączające DC. Ten symbol można znaleźć na wszystkich produktach z rodziny DEHNguard SE DC.

Dane techniczne

Ogranicznik przepięć zgodnie z PN-EN 61643-11 typ 2 / klasa II
Największe napięcie trwałej pracy DC (UC ) 242 V
Znamionowy prąd wyładowczy (8/20 µs) (In ) 12,5 kA
Napięciowy poziom ochrony (UP ) ≤ 1,25 kV
Wytrzymałość zwarciowa bez bezpiecznika DC (ISCCR ) 300 A
Wytrzymałość zwarciowa przy maksymalnym bezpieczniku DC (ISCCR ) 25 kA
Maksymalny bezpiecznik dodatkowy 35 A gG
Rodzaj zestyku zdalnej sygnalizacji (FM) bezpotencjałowy zestyk przełączny

Produkt 972125 został dodany do notatnika.

Do koszyka dodano produkt 972125.

Nr kat. 972135 DG SE DC 550 FM

GTIN / EAN 4013364158634, Nr taryfy celnej (EU): 85363030, Waga brutto: 189.00 g, Jednostka opakowaniowa: 1.00 szt.


Rysunki

Informacje dodatkowe

Ogranicznik przepięć DEHNguard SE DC 550 FM
1-biegunowy, modułowy, gotowy do podłączenia ogranicznik przepięć
do zastosowań stałoprądowych, szerokość: 1,5 modułu
Wskaźnik uszkodzenia
Ogranicznik przepięć typu 2 zgodnie z EN 61643-11
Z zestykiem zdalnej sygnalizacji
Wysokowydajna technologia warystorów
Zaprojektowane specjalnie do stosowania w obwodach stałoprądowych (DC)
urządzenie przełączające prądu stałego DCD
Największe napięcie trwałej pracy: 550 V DC
Napięciowy poziom ochrony: <= 2,0 kV
Znamionowy prąd wyładowczy: 12,5 kA
Wytrzymałość zwarciowa przy maksymalnym
bezpieczniku DC: 2000 A
Koordynacja energetyczna według DIN EN 62305-4
Ogranicznik przepięć z rodziny Red/Line

Producent: DEHN
Typ: DG SE DC 550 FM
Nr kat.: 972135
lub podobny.

Certyfikaty

 

Direct Current-Disconnection (rozłączenie obwodu prądu stałego)

W przypadku stosowania ograniczników przepięć w instalacjach prądu stałego, gdzie nie występuje przejście przez zero, także należy zapewnić awaryjne rozłączenie. Technika DCD działa jak klin, który niezawodnie przerywa prąd stały, a tym samym zapobiega pożarom spowodowanym przez łuki przełączające DC. Ten symbol można znaleźć na wszystkich produktach z rodziny DEHNguard SE DC.

Dane techniczne

Ogranicznik przepięć zgodnie z PN-EN 61643-11 typ 2 / klasa II
Największe napięcie trwałej pracy DC (UC ) 550 V
Znamionowy prąd wyładowczy (8/20 µs) (In ) 12,5 kA
Napięciowy poziom ochrony (UP ) ≤ 2,0 kV
Wytrzymałość zwarciowa bez bezpiecznika DC (ISCCR ) 200 A
Wytrzymałość zwarciowa przy maksymalnym bezpieczniku DC (ISCCR ) 25 kA
Maksymalny bezpiecznik dodatkowy 35 A gG
Rodzaj zestyku zdalnej sygnalizacji (FM) bezpotencjałowy zestyk przełączny

Produkt 972135 został dodany do notatnika.

Do koszyka dodano produkt 972135.

Nr kat. 972145 DG SE DC 900 FM

GTIN / EAN 4013364158658, Nr taryfy celnej (EU): 85363030, Waga brutto: 194.00 g, Jednostka opakowaniowa: 1.00 szt.


Rysunki

Informacje dodatkowe

Ogranicznik przepięć DEHNguard SE DC 900 FM
1-biegunowy, modułowy, gotowy do podłączenia ogranicznik przepięć
do zastosowań stałoprądowych, szerokość: 1,5 modułu
Wskaźnik uszkodzenia
Ogranicznik przepięć typu 2 zgodnie z EN 61643-11
Z zestykiem zdalnej sygnalizacji
Wysokowydajna technologia warystorów
Zaprojektowane specjalnie do stosowania w obwodach stałoprądowych (DC)
urządzenie przełączające prądu stałego DCD
Największe napięcie trwałej pracy: 900 V DC
Napięciowy poziom ochrony: <= 3,0 kV
Znamionowy prąd wyładowczy: 12,5 kA
Wytrzymałość zwarciowa przy maksymalnym
bezpieczniku DC: 2000 A
Koordynacja energetyczna według DIN EN 62305-4
Ogranicznik przepięć z rodziny Red/Line

Producent: DEHN
Typ: DG SE DC 900 FM
Nr kat.: 972145
lub podobny.

Certyfikaty

 

Direct Current-Disconnection (rozłączenie obwodu prądu stałego)

W przypadku stosowania ograniczników przepięć w instalacjach prądu stałego, gdzie nie występuje przejście przez zero, także należy zapewnić awaryjne rozłączenie. Technika DCD działa jak klin, który niezawodnie przerywa prąd stały, a tym samym zapobiega pożarom spowodowanym przez łuki przełączające DC. Ten symbol można znaleźć na wszystkich produktach z rodziny DEHNguard SE DC.

Dane techniczne

Ogranicznik przepięć zgodnie z PN-EN 61643-11 typ 2 / klasa II
Największe napięcie trwałej pracy DC (UC ) 900 V
Znamionowy prąd wyładowczy (8/20 µs) (In ) 12,5 kA
Napięciowy poziom ochrony (UP ) ≤ 3,0 kV
Wytrzymałość zwarciowa bez bezpiecznika DC (ISCCR ) 100 A
Wytrzymałość zwarciowa przy maksymalnym bezpieczniku DC (ISCCR ) 25 kA
Maksymalny bezpiecznik dodatkowy 80 A gPV
Rodzaj zestyku zdalnej sygnalizacji (FM) bezpotencjałowy zestyk przełączny

Produkt 972145 został dodany do notatnika.

Do koszyka dodano produkt 972145.


Powrót na górę