Your dashboard services.
Register to access all tools.

Systemy uziemienia infrastruktury kolejowej

Nasz system uziemienia infrastruktury kolejowego DEHN sprawdził się w inżynierii ruchu, ponieważ został specjalnie opracowany do uziemiania zbrojenia elementów betonowych w pobliżu instalacji elektrycznych wysokiego napięcia. Z jednej strony służy do wyrównywania potencjałów konstrukcji betonowych, z drugiej do odprowadzania prądu zwarciowego w przypadku zerwania przewodu trakcyjnego.
W tym celu DEHN oferuje użytkownikowi różne mostki uziemiające i łączniki uziemiające, które dzięki różnym końcówkom i elementom łączącym oferują kompleksowy system modułowy z dużą liczbą możliwych kombinacji. Nasze systemy do uziemienia infrastruktury kolejowej DEHN posiadają aprobatę spółki DB Netz AG.

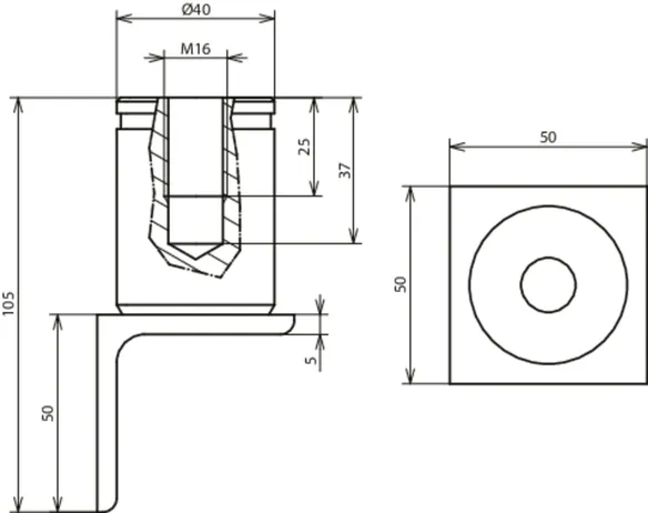
Mostki uziemiające D BEB 16 ze stali nierdzewnej

Mostki uziemiające służą do uziemienia, prowadzenia prądu powrotnego i wyrównania potencjałów na obszarze eksploatacji linii kolejowych. Mostek uziemiający ze stali nierdzewnej spełnia tę funkcję poprzez zdefiniowaną spoinę do przewodu uziemiającego. Ten mostek uziemiający posiada również aprobatę techniczną firmy DB Netz AG i może być wykorzystywany w ich infrastrukturze zapewniając jednocześnie bezpieczeństwo projektu.

1 Produkt

Nr kat. 419160 D BEB 16 - 105 / 3 EBS 15-03-19-38

GTIN / EAN 4013364510203, Nr taryfy celnej (EU): 85369010, Waga brutto: 697.72 g, Jednostka opakowaniowa: 8.00 szt.


Rysunki

Informacje dodatkowe

Mostek uziemiający ze stali nierdzewnej D BEB 16 - 105 / 3 EBS 15-03-19-38
Mostek uziemiający ze stali nierdzewnej
D BEB 16 - 105 / 3 EBS 15-03-19-38
do uziemiania
zbrojenia
elementów betonowych z
aprobatą firmy
DB Netz AG
Materiał elementu przyłączeniowego: stal nierdzewna
Nr materiału: 1.4301
Materiał kątownika: Stal
Prąd zwarciowy: > 25 kA
Prąd testowy: 40 kA / 100 ms
Prąd zwarciowy (AC 50 Hz / DC): 12,6 kA
Gwint: M16
Średnica płytki przyłączeniowej: 40 mm
Wymiary kątownika: 50 x 50 x 5 mm
Wysokość całkowita: 105 mm
Nr rysunku DB: 3 Ebs 15.03.19 - 38
Odniesienie do norm: Ril 997.0205A01

Producent: DEHN
Typ: D BEB 16 - 105 / 3 EBS 15-03-19-38
Nr kat.: 419160
lub podobny.

 

Dane techniczne

Materiał elementu przyłączeniowego stal nierdzewna
Nr materiału 1.4301
Materiał kątownika Stal
Prąd zwarciowy > 25 kA
Prąd testowy 40 kA / 100 ms
Prąd zwarciowy (AC 50 Hz / DC) (1 s; ≤ 300 °C) 12,6 kA
Gwint M16
Średnica płytki przyłączeniowej 40 mm
Wymiary kątownika (dł. x sz. x gł.) 50 x 50 x 5 mm
Wysokość całkowita 105 mm
Nr rysunku DB 3 Ebs 15.03.19 - 38
Odniesienie do norm Ril 997.0205A01

Produkt 419160 został dodany do notatnika.

Do koszyka dodano produkt 419160.


Mostki uziemiające z płaskownika stalowego D BEB 1-NR

Mostki uziemiające służą do uziemienia, prowadzenia prądu powrotnego i wyrównania potencjałów na obszarze eksploatacji linii kolejowych. Wariant ten spełnia tę funkcję poprzez zlicowanie z powierzchnią i przyspawanie płaskownika stalowego do uziemiającego zbrojenia – przez zdefiniowaną spoinę spawalniczą. Ten mostek uziemiający posiada również aprobatę techniczną firmy DB Netz AG i może być wykorzystywany w ich infrastrukturze zapewniając jednocześnie bezpieczeństwo projektu.

1 Produkt

Nr kat. 419012 D BEB 1-NR / EBS 15-03-19

GTIN / EAN 4013364439467, Nr taryfy celnej (EU): 85369010, Waga brutto: 1.46 kg, Jednostka opakowaniowa: 1.00 szt.


Rysunki

Informacje dodatkowe

Mostek uziemiający z płaskownika stalowego D BEB 1-NR / EBS 15-03-19
do uziemiania zbrojenia elementów betonowych
z aprobatą firmy DB Netz AG
Materiał elementu przyłączeniowego: stal nierdzewna
Nr materiału: 1.4301
Materiał płaskownika: S235
Prąd zwarciowy: > 25 kA
Prąd testowy: 40 kA / 100 ms
Prąd zwarciowy (AC 50 Hz / DC): 12,6 kA
Gwint: M16
Średnica płytki przyłączeniowej: 50 mm
Wymiary płaskownika: 400 x 50 x 5 mm
Wysokość całkowita: 63 mm
Nr rysunku DB: 3 Ebs 15.03.19 - 36
Odniesienie do norm: Ril 997.0205A01

Producent: DEHN
Typ: D BEB 1-NR / EBS 15-03-19
Nr kat.: 419012
lub podobny.

 

Dane techniczne

Materiał elementu przyłączeniowego stal nierdzewna
Nr materiału 1.4301
Materiał płaskownika S235
Prąd zwarciowy > 25 kA
Prąd testowy 40 kA / 100 ms
Prąd zwarciowy (AC 50 Hz / DC) (1 s; ≤ 300 °C) 12,6 kA
Gwint M16
Średnica płytki przyłączeniowej 50 mm
Wymiary płaskownika 400 x 50 x 5 mm
Wysokość całkowita 63 mm
Nr rysunku DB 3 Ebs 15.03.19 - 36
Odniesienie do norm Ril 997.0205A01

Produkt 419012 został dodany do notatnika.

Do koszyka dodano produkt 419012.


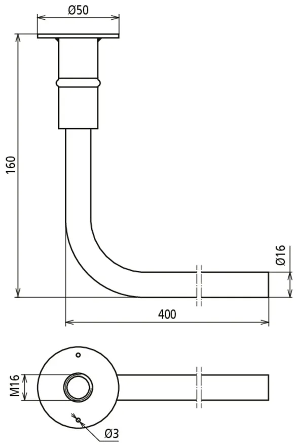
Mostki uziemiające ze stali zbrojeniowej D BEB 2

Mostki uziemiające służą do uziemienia, prowadzenia prądu powrotnego i wyrównania potencjałów na obszarze eksploatacji linii kolejowych. Wariant ten spełnia tę funkcję poprzez zlicowanie z powierzchnią i przyspawanie wygiętego pręta zbrojeniowego do uziemiającego zbrojenia. To rozwiązanie jest szczególnie godne polecenia w sytuacjach montażowych, w których przestrzeń ma krytyczne znaczenie. Ten mostek uziemiający posiada również aprobatę techniczną firmy DB Netz AG i może być wykorzystywany w ich infrastrukturze zapewniając jednocześnie bezpieczeństwo projektu.

1 Produkt

Nr kat. 419020 D BEB 2 / EBS 15-03-19

GTIN / EAN 4013364439405, Nr taryfy celnej (EU): 85369010, Waga brutto: 950.00 g, Jednostka opakowaniowa: 1.00 szt.


Rysunki

Informacje dodatkowe

Mostek uziemiający ze stali zbrojeniowej D BEB 2 / EBS 15-03-19
do uziemiania zbrojenia elementów betonowych
z aprobatą spółki DB Netz AG
Materiał płytki: stal nierdzewna
Nr materiału: 1.4301
Materiał tulei: Stal / Miedź
Materiał osi: Stal zbrojeniowa B500B
Prąd zwarciowy: > 25 kA
Prąd testowy: 40 kA / 100 ms
Prąd zwarciowy (AC 50 Hz / DC): 12,6 kA
Gwint: M16
Średnica płytki przyłączeniowej: 50 mm
Średnica stali zbrojeniowej: 16 mm
Wysokość montażowa: 160 mm
Długość: 400 mm
Nr rysunku DB: 3 Ebs 15.03.19 - 31
Odniesienie do norm: Ril 997.0205A01

Producent: DEHN
Typ: D BEB 2 / EBS 15-03-19
Nr kat.: 419020
lub podobny.

 

Dane techniczne

Materiał płytki stal nierdzewna
Nr materiału 1.4301
Materiał tulei Stal / Miedź
Materiał osi Stal zbrojeniowa B500B
Prąd zwarciowy > 25 kA
Prąd testowy 40 kA / 100 ms
Prąd zwarciowy (AC 50 Hz / DC) (1 s; ≤ 300 °C) 12,6 kA
Gwint M16
Średnica płytki przyłączeniowej 50 mm
Średnica stali zbrojeniowej 16 mm
Wysokość montażowa 160 mm
Długość 400 mm
Nr rysunku DB 3 Ebs 15.03.19 - 31
Odniesienie do norm Ril 997.0205A01

Produkt 419020 został dodany do notatnika.

Do koszyka dodano produkt 419020.


Mostki uziemiające ze stali zbrojeniowej D BEB 3

Mostki uziemiające służą do uziemienia, prowadzenia prądu powrotnego i wyrównania potencjałów na obszarze eksploatacji linii kolejowych. Wariant ten jest montowany poprzez zlicowanie z powierzchnią i przyspawanie stali zbrojeniowej do uziemiającego zbrojenia. Ten mostek uziemiający posiada również aprobatę techniczną firmy DB Netz AG i może być wykorzystywany w ich infrastrukturze zapewniając jednocześnie bezpieczeństwo projektu.

1 Produkt

Nr kat. 419030 D BEB 3 / EBS 15-03-19

GTIN / EAN 4013364439474, Nr taryfy celnej (EU): 85369010, Waga brutto: 750.00 g, Jednostka opakowaniowa: 1.00 szt.


Rysunki

Informacje dodatkowe

Mostek uziemiający ze stali zbrojeniowej D BEB 3 / EBS 15-03-19
do uziemiania zbrojenia elementów betonowych
z aprobatą spółki DB Netz AG
Materiał płytki: stal nierdzewna
Nr materiału: 1.4301
Materiał tulei: Stal / Miedź
Materiał osi: Stal zbrojeniowa B500B
Prąd zwarciowy: > 25 kA
Prąd testowy: 40 kA / 100 ms
Prąd zwarciowy (AC 50 Hz / DC): 12,6 kA
Gwint: M16
Średnica płytki przyłączeniowej: 50 mm
Średnica stali zbrojeniowej: 16 mm
Długość: 400 mm
Nr rysunku DB: 3 Ebs 15.03.19 - 31
Odniesienie do norm: Ril 997.0205A01

Producent: DEHN
Typ: D BEB 3 / EBS 15-03-19
Nr kat.: 419030
lub podobny.

 

Dane techniczne

Materiał płytki stal nierdzewna
Nr materiału 1.4301
Materiał tulei Stal / Miedź
Materiał osi Stal zbrojeniowa B500B
Prąd zwarciowy > 25 kA
Prąd testowy 40 kA / 100 ms
Prąd zwarciowy (AC 50 Hz / DC) (1 s; ≤ 300 °C) 12,6 kA
Gwint M16
Średnica płytki przyłączeniowej 50 mm
Średnica stali zbrojeniowej 16 mm
Długość 400 mm
Nr rysunku DB 3 Ebs 15.03.19 - 31
Odniesienie do norm Ril 997.0205A01

Produkt 419030 został dodany do notatnika.

Do koszyka dodano produkt 419030.


Mostki uziemiające z kabla miedzianego D BEB 4 / 5

Mostki uziemiające służą do uziemienia, prowadzenia prądu powrotnego i wyrównania potencjałów na obszarze eksploatacji linii kolejowych. Wariant ten spełnia tę funkcję poprzez zlicowanie z powierzchnią i przyspawanie do uziemiającego zbrojenia końcówki przyłączeniowej ze stali miedziowanej nałożonej na kabel miedziany. Elastyczność kabla ułatwia użytkownikowi montaż w zbrojeniu. Specjalne warianty FLEX są szczególnie przydatne w sytuacjach montażowych, w których dostępna jest bardzo niewielka ilość miejsca – stosowane są tutaj wyjątkowo elastyczne, cienkożyłowe kable miedziane. Te mostki uziemiające posiadają również aprobatę techniczną firmy DB Netz AG i mogą być tym samym wykorzystywane w ich infrastrukturze zapewniając jednocześnie bezpieczeństwo projektu.
Na życzenie dostępne są długości specjalne: do 500 mm długości całkowitej w odstępach co 50 mm i od 500 mm długości całkowitej w odstępach co 100 mm.

7 Produkty

Nr kat. 419040 D BEB 4 / EBS 15-03-19

GTIN / EAN 4013364439481, Nr taryfy celnej (EU): 85369010, Waga brutto: 640.00 g, Jednostka opakowaniowa: 1.00 szt.


Rysunki

Informacje dodatkowe

Mostek uziemiający z kabla miedzianego D BEB 4 / EBS 15-03-19
do uziemiania zbrojenia elementów betonowych
z aprobatą spółki DB Netz AG
Materiał płytki: stal nierdzewna
Nr materiału: 1.4301
Materiał tulei: Stal / Miedź
Materiał końcówki przyłączeniowej: Stal / Miedź
Materiał kabla: Miedź
Prąd zwarciowy: ≤ 25 kA
Prąd testowy: 25 kA / 100 ms
Prąd zwarciowy (AC 50 Hz / DC): 7,9 kA
Gwint: M16
Średnica płytki przyłączeniowej: 50 mm
Kabel: NYY-O
Przekrój kabla: 70 mm²
Średnica kabla: 17 mm
Wymiary końcówki przyłączeniowej: 80 x 30 mm
Długość: 500 mm
Nr rysunku DB: 3 Ebs 15.03.19 - 32
Odniesienie do norm: Ril 997.0205A01

Producent: DEHN
Typ: D BEB 4 / EBS 15-03-19
Nr kat.: 419040
lub podobny.

 

Dane techniczne

Materiał płytki stal nierdzewna
Nr materiału 1.4301
Materiał tulei Stal / Miedź
Materiał końcówki przyłączeniowej Stal / Miedź
Materiał kabla Miedź
Prąd zwarciowy ≤ 25 kA
Prąd testowy 25 kA / 100 ms
Prąd zwarciowy (AC 50 Hz / DC) (1 s; ≤ 300 °C) 7,9 kA
Gwint M16
Średnica płytki przyłączeniowej 50 mm
Kabel NYY-O
Przekrój kabla 70 mm²
Średnica kabla 17 mm
Wymiary końcówki przyłączeniowej 80 x 30 mm
Długość 500 mm
Nr rysunku DB 3 Ebs 15.03.19 - 32
Odniesienie do norm Ril 997.0205A01

Produkt 419040 został dodany do notatnika.

Do koszyka dodano produkt 419040.

Nr kat. 419050 D BEB 5 / EBS 15-03-19

GTIN / EAN 4013364439504, Nr taryfy celnej (EU): 85369010, Waga brutto: 710.00 g, Jednostka opakowaniowa: 1.00 szt.


Rysunki

Informacje dodatkowe

Mostek uziemiający z kabla miedzianego D BEB 5 / EBS 15-03-19
do uziemiania zbrojenia elementów betonowych
z aprobatą spółki DB Netz AG
Materiał płytki: stal nierdzewna
Nr materiału: 1.4301
Materiał tulei: Stal / Miedź
Materiał końcówki przyłączeniowej: Stal / Miedź
Materiał kabla: Miedź
Prąd zwarciowy: > 25 kA
Prąd testowy: 40 kA / 100 ms
Prąd zwarciowy (AC 50 Hz / DC): 12,6 kA
Gwint: M16
Średnica płytki przyłączeniowej: 50 mm
Kabel: NYY-O
Przekrój kabla: 95 mm²
Średnica kabla: 19 mm
Wymiary końcówki przyłączeniowej: 80 x 30 mm
Długość: 500 mm
Nr rysunku DB: 3 Ebs 15.03.19 - 32
Odniesienie do norm: Ril 997.0205A01

Producent: DEHN
Typ: D BEB 5 / EBS 15-03-19
Nr kat.: 419050
lub podobny.

 

Dane techniczne

Materiał płytki stal nierdzewna
Nr materiału 1.4301
Materiał tulei Stal / Miedź
Materiał końcówki przyłączeniowej Stal / Miedź
Materiał kabla Miedź
Prąd zwarciowy > 25 kA
Prąd testowy 40 kA / 100 ms
Prąd zwarciowy (AC 50 Hz / DC) (1 s; ≤ 300 °C) 12,6 kA
Gwint M16
Średnica płytki przyłączeniowej 50 mm
Kabel NYY-O
Przekrój kabla 95 mm²
Średnica kabla 19 mm
Wymiary końcówki przyłączeniowej 80 x 30 mm
Długość 500 mm
Nr rysunku DB 3 Ebs 15.03.19 - 32
Odniesienie do norm Ril 997.0205A01

Produkt 419050 został dodany do notatnika.

Do koszyka dodano produkt 419050.

Nr kat. 419051 D BEB 5-FLEX / EBS 15-03-19

GTIN / EAN 4013364439511, Nr taryfy celnej (EU): 85369010, Waga brutto: 640.00 g, Jednostka opakowaniowa: 1.00 szt.


Rysunki

Informacje dodatkowe

Mostek uziemiający z kabla miedzianego D BEB 5-FLEX / EBS 15-03-19
do uziemiania zbrojenia elementów betonowych
z aprobatą spółki DB Netz AG
Materiał płytki: stal nierdzewna
Nr materiału: 1.4301
Materiał tulei: Stal / Miedź
Materiał końcówki przyłączeniowej: Stal / Miedź
Materiał kabla: Miedź
Prąd zwarciowy: > 25 kA
Prąd testowy: 40 kA / 100 ms
Prąd zwarciowy (AC 50 Hz / DC): 12,6 kA
Gwint: M16
Średnica płytki przyłączeniowej: 50 mm
Kabel: H07V-K
Przekrój kabla: 95 mm²
Średnica kabla: 19 mm
Wymiary końcówki przyłączeniowej: 80 x 30 mm
Długość: 500 mm
Nr rysunku DB: 3 Ebs 15.03.19 - 32
Odniesienie do norm: Ril 997.0205A01

Producent: DEHN
Typ: D BEB 5-FLEX / EBS 15-03-19
Nr kat.: 419051
lub podobny.

 

Dane techniczne

Materiał płytki stal nierdzewna
Nr materiału 1.4301
Materiał tulei Stal / Miedź
Materiał końcówki przyłączeniowej Stal / Miedź
Materiał kabla Miedź
Prąd zwarciowy > 25 kA
Prąd testowy 40 kA / 100 ms
Prąd zwarciowy (AC 50 Hz / DC) (1 s; ≤ 300 °C) 12,6 kA
Gwint M16
Średnica płytki przyłączeniowej 50 mm
Kabel H07V-K
Przekrój kabla 95 mm²
Średnica kabla 19 mm
Wymiary końcówki przyłączeniowej 80 x 30 mm
Długość 500 mm
Nr rysunku DB 3 Ebs 15.03.19 - 32
Odniesienie do norm Ril 997.0205A01

Produkt 419051 został dodany do notatnika.

Do koszyka dodano produkt 419051.

Nr kat. 419501 D BEB 5 - L700 / EBS 15-03-19

GTIN / EAN 4013364458390, Nr taryfy celnej (EU): 85369010, Waga brutto: 980.00 g, Jednostka opakowaniowa: 1.00 szt.


Rysunki

Informacje dodatkowe

Mostek uziemiający z kabla miedzianego D BEB 5 / EBS 15-03-19
do uziemiania zbrojenia elementów betonowych
z aprobatą spółki DB Netz AG
Materiał płytki: stal nierdzewna
Nr materiału: 1.4301
Materiał tulei: Stal / Miedź
Materiał końcówki przyłączeniowej: Stal / Miedź
Materiał kabla: Miedź
Prąd zwarciowy: > 25 kA
Prąd testowy: 40 kA / 100 ms
Prąd zwarciowy (AC 50 Hz / DC): 12,6 kA
Gwint: M16
Średnica płytki przyłączeniowej: 50 mm
Kabel: NYY-O
Przekrój kabla: 95 mm²
Średnica kabla: 19 mm
Wymiary końcówki przyłączeniowej: 80 x 30 mm
Długość: 700 mm
Nr rysunku DB: 3 Ebs 15.03.19 - 32
Odniesienie do norm: Ril 997.0205A01

Producent: DEHN
Typ: D BEB 5 - L700 / EBS 15-03-19
Nr kat.: 419501
lub podobny.

 

Dane techniczne

Materiał płytki stal nierdzewna
Nr materiału 1.4301
Materiał tulei Stal / Miedź
Materiał końcówki przyłączeniowej Stal / Miedź
Materiał kabla Miedź
Prąd zwarciowy > 25 kA
Prąd testowy 40 kA / 100 ms
Prąd zwarciowy (AC 50 Hz / DC) (1 s; ≤ 300 °C) 12,6 kA
Gwint M16
Średnica płytki przyłączeniowej 50 mm
Kabel NYY-O
Przekrój kabla 95 mm²
Średnica kabla 19 mm
Wymiary końcówki przyłączeniowej 80 x 30 mm
Długość 700 mm
Nr rysunku DB 3 Ebs 15.03.19 - 32
Odniesienie do norm Ril 997.0205A01

Produkt 419501 został dodany do notatnika.

Do koszyka dodano produkt 419501.

Nr kat. 419502 D BEB 5 - L1000 / EBS 15-03-19

GTIN / EAN 4013364458406, Nr taryfy celnej (EU): 85369010, Waga brutto: 1.40 kg, Jednostka opakowaniowa: 1.00 szt.


Rysunki

Informacje dodatkowe

Mostek uziemiający z kabla miedzianego D BEB 5 / EBS 15-03-19
do uziemiania zbrojenia elementów betonowych
z aprobatą spółki DB Netz AG
Materiał płytki: stal nierdzewna
Nr materiału: 1.4301
Materiał tulei: Stal / Miedź
Materiał końcówki przyłączeniowej: Stal / Miedź
Materiał kabla: Miedź
Prąd zwarciowy: > 25 kA
Prąd testowy: 40 kA / 100 ms
Prąd zwarciowy (AC 50 Hz / DC): 12,6 kA
Gwint: M16
Średnica płytki przyłączeniowej: 50 mm
Kabel: NYY-O
Przekrój kabla: 95 mm²
Średnica kabla: 19 mm
Wymiary końcówki przyłączeniowej: 80 x 30 mm
Długość: 1000 mm
Nr rysunku DB: 3 Ebs 15.03.19 - 32
Odniesienie do norm: Ril 997.0205A01

Producent: DEHN
Typ: D BEB 5 - L1000 / EBS 15-03-19
Nr kat.: 419502
lub podobny.

 

Dane techniczne

Materiał płytki stal nierdzewna
Nr materiału 1.4301
Materiał tulei Stal / Miedź
Materiał końcówki przyłączeniowej Stal / Miedź
Materiał kabla Miedź
Prąd zwarciowy > 25 kA
Prąd testowy 40 kA / 100 ms
Prąd zwarciowy (AC 50 Hz / DC) (1 s; ≤ 300 °C) 12,6 kA
Gwint M16
Średnica płytki przyłączeniowej 50 mm
Kabel NYY-O
Przekrój kabla 95 mm²
Średnica kabla 19 mm
Wymiary końcówki przyłączeniowej 80 x 30 mm
Długość 1000 mm
Nr rysunku DB 3 Ebs 15.03.19 - 32
Odniesienie do norm Ril 997.0205A01

Produkt 419502 został dodany do notatnika.

Do koszyka dodano produkt 419502.

Nr kat. 419503 D BEB 5 - L1500 / EBS 15-03-19

GTIN / EAN 4013364458413, Nr taryfy celnej (EU): 85369010, Waga brutto: 2.10 kg, Jednostka opakowaniowa: 1.00 szt.


Rysunki

Informacje dodatkowe

Mostek uziemiający z kabla miedzianego D BEB 5 / EBS 15-03-19
do uziemiania zbrojenia elementów betonowych
z aprobatą spółki DB Netz AG
Materiał płytki: stal nierdzewna
Nr materiału: 1.4301
Materiał tulei: Stal / Miedź
Materiał końcówki przyłączeniowej: Stal / Miedź
Materiał kabla: Miedź
Prąd zwarciowy: > 25 kA
Prąd testowy: 40 kA / 100 ms
Prąd zwarciowy (AC 50 Hz / DC): 12,6 kA
Gwint: M16
Średnica płytki przyłączeniowej: 50 mm
Kabel: NYY-O
Przekrój kabla: 95 mm²
Średnica kabla: 19 mm
Wymiary końcówki przyłączeniowej: 80 x 30 mm
Długość: 1500 mm
Nr rysunku DB: 3 Ebs 15.03.19 - 32
Odniesienie do norm: Ril 997.0205A01

Producent: DEHN
Typ: D BEB 5 - L1500 / EBS 15-03-19
Nr kat.: 419503
lub podobny.

 

Dane techniczne

Materiał płytki stal nierdzewna
Nr materiału 1.4301
Materiał tulei Stal / Miedź
Materiał końcówki przyłączeniowej Stal / Miedź
Materiał kabla Miedź
Prąd zwarciowy > 25 kA
Prąd testowy 40 kA / 100 ms
Prąd zwarciowy (AC 50 Hz / DC) (1 s; ≤ 300 °C) 12,6 kA
Gwint M16
Średnica płytki przyłączeniowej 50 mm
Kabel NYY-O
Przekrój kabla 95 mm²
Średnica kabla 19 mm
Wymiary końcówki przyłączeniowej 80 x 30 mm
Długość 1500 mm
Nr rysunku DB 3 Ebs 15.03.19 - 32
Odniesienie do norm Ril 997.0205A01

Produkt 419503 został dodany do notatnika.

Do koszyka dodano produkt 419503.

Nr kat. 419504 D BEB 5 - L2000 / EBS 15-03-19

GTIN / EAN 4013364458420, Nr taryfy celnej (EU): 85369010, Waga brutto: 2.80 kg, Jednostka opakowaniowa: 1.00 szt.


Rysunki

Informacje dodatkowe

Mostek uziemiający z kabla miedzianego D BEB 5 / EBS 15-03-19
do uziemiania zbrojenia elementów betonowych
z aprobatą spółki DB Netz AG
Materiał płytki: stal nierdzewna
Nr materiału: 1.4301
Materiał tulei: Stal / Miedź
Materiał końcówki przyłączeniowej: Stal / Miedź
Materiał kabla: Miedź
Prąd zwarciowy: > 25 kA
Prąd testowy: 40 kA / 100 ms
Prąd zwarciowy (AC 50 Hz / DC): 12,6 kA
Gwint: M16
Średnica płytki przyłączeniowej: 50 mm
Kabel: NYY-O
Przekrój kabla: 95 mm²
Średnica kabla: 19 mm
Wymiary końcówki przyłączeniowej: 80 x 30 mm
Długość: 2000 mm
Nr rysunku DB: 3 Ebs 15.03.19 - 32
Odniesienie do norm: Ril 997.0205A01

Producent: DEHN
Typ: D BEB 5 - L2000 / EBS 15-03-19
Nr kat.: 419504
lub podobny.

 

Dane techniczne

Materiał płytki stal nierdzewna
Nr materiału 1.4301
Materiał tulei Stal / Miedź
Materiał końcówki przyłączeniowej Stal / Miedź
Materiał kabla Miedź
Prąd zwarciowy > 25 kA
Prąd testowy 40 kA / 100 ms
Prąd zwarciowy (AC 50 Hz / DC) (1 s; ≤ 300 °C) 12,6 kA
Gwint M16
Średnica płytki przyłączeniowej 50 mm
Kabel NYY-O
Przekrój kabla 95 mm²
Średnica kabla 19 mm
Wymiary końcówki przyłączeniowej 80 x 30 mm
Długość 2000 mm
Nr rysunku DB 3 Ebs 15.03.19 - 32
Odniesienie do norm Ril 997.0205A01

Produkt 419504 został dodany do notatnika.

Do koszyka dodano produkt 419504.


Mostki uziemiające z kabla miedzianego D BEB 6 / 7

Mostki uziemiające służą do uziemienia, prowadzenia prądu powrotnego i wyrównania potencjałów na obszarze eksploatacji linii kolejowych. Ten wariant jest używany jako przepust uziemiający do elementów budowlanych. Jest montowany równo z powierzchnią po obu stronach. Elastyczność kabla ułatwia użytkownikowi montaż w zbrojeniu. Specjalne warianty FLEX są szczególnie przydatne w sytuacjach montażowych, w których dostępna jest bardzo niewielka ilość miejsca – stosowane są tutaj wyjątkowo elastyczne, cienkożyłowe kable miedziane. Te mostki uziemiające posiadają również aprobatę techniczną firmy DB Netz AG i mogą być tym samym wykorzystywane w ich infrastrukturze zapewniając jednocześnie bezpieczeństwo projektu.
Na życzenie dostępne są długości specjalne: do 500 mm długości całkowitej w odstępach co 50 mm i od 500 mm długości całkowitej w odstępach co 100 mm.

4 Produkty

Nr kat. 419060 D BEB 6 / EBS 15-03-19

GTIN / EAN 4013364439528, Nr taryfy celnej (EU): 85369010, Waga brutto: 600.00 g, Jednostka opakowaniowa: 1.00 szt.


Rysunki

Informacje dodatkowe

Mostek uziemiający z kabla miedzianego D BEB 6 / EBS 15-03-19
do uziemiania zbrojenia elementów betonowych
z aprobatą spółki DB Netz AG
Materiał płytki: stal nierdzewna
Nr materiału: 1.4301
Materiał tulei: Stal / Miedź
Materiał kabla: Miedź
Prąd zwarciowy: ≤ 25 kA
Prąd testowy: 25 kA / 100 ms
Prąd zwarciowy (AC 50 Hz / DC): 7,9 kA
Gwint: M16
Średnica płytki przyłączeniowej: 50 mm
Kabel: NYY-O
Przekrój kabla: 70 mm²
Średnica kabla: 17 mm
Długość: 500 mm
Nr rysunku DB: 3 Ebs 15.03.19 - 33
Odniesienie do norm: Ril 997.0205A01

Producent: DEHN
Typ: D BEB 6 / EBS 15-03-19
Nr kat.: 419060
lub podobny.

 

Dane techniczne

Materiał płytki stal nierdzewna
Nr materiału 1.4301
Materiał tulei Stal / Miedź
Materiał kabla Miedź
Prąd zwarciowy ≤ 25 kA
Prąd testowy 25 kA / 100 ms
Prąd zwarciowy (AC 50 Hz / DC) (1 s; ≤ 300 °C) 7,9 kA
Gwint M16
Średnica płytki przyłączeniowej 50 mm
Kabel NYY-O
Przekrój kabla 70 mm²
Średnica kabla 17 mm
Długość 500 mm
Nr rysunku DB 3 Ebs 15.03.19 - 33
Odniesienie do norm Ril 997.0205A01

Produkt 419060 został dodany do notatnika.

Do koszyka dodano produkt 419060.

Nr kat. 419061 D BEB 6-FLEX / EBS 15-03-19

GTIN / EAN 4013364439535, Nr taryfy celnej (EU): 85369010, Waga brutto: 530.00 g, Jednostka opakowaniowa: 1.00 szt.


Rysunki

Informacje dodatkowe

Mostek uziemiający z kabla miedzianego D BEB 6-FLEX / EBS 15-03-19
do uziemiania zbrojenia elementów betonowych
z aprobatą spółki DB Netz AG
Materiał płytki: stal nierdzewna
Nr materiału: 1.4301
Materiał tulei: Stal / Miedź
Materiał kabla: Miedź
Prąd zwarciowy: ≤ 25 kA
Prąd testowy: 25 kA / 100 ms
Prąd zwarciowy (AC 50 Hz / DC): 7,9 kA
Gwint: M16
Średnica płytki przyłączeniowej: 50 mm
Kabel: H07V-K
Przekrój kabla: 70 mm²
Średnica kabla: 17 mm
Długość: 500 mm
Nr rysunku DB: 3 Ebs 15.03.19 - 33
Odniesienie do norm: Ril 997.0205A01

Producent: DEHN
Typ: D BEB 6-FLEX / EBS 15-03-19
Nr kat.: 419061
lub podobny.

 

Dane techniczne

Materiał płytki stal nierdzewna
Nr materiału 1.4301
Materiał tulei Stal / Miedź
Materiał kabla Miedź
Prąd zwarciowy ≤ 25 kA
Prąd testowy 25 kA / 100 ms
Prąd zwarciowy (AC 50 Hz / DC) (1 s; ≤ 300 °C) 7,9 kA
Gwint M16
Średnica płytki przyłączeniowej 50 mm
Kabel H07V-K
Przekrój kabla 70 mm²
Średnica kabla 17 mm
Długość 500 mm
Nr rysunku DB 3 Ebs 15.03.19 - 33
Odniesienie do norm Ril 997.0205A01

Produkt 419061 został dodany do notatnika.

Do koszyka dodano produkt 419061.

Nr kat. 419070 D BEB 7 / EBS 15-03-19

GTIN / EAN 4013364439542, Nr taryfy celnej (EU): 85369010, Waga brutto: 704.50 g, Jednostka opakowaniowa: 1.00 szt.


Rysunki

Informacje dodatkowe

Mostek uziemiający z kabla miedzianego D BEB 7 / EBS 15-03-19
do uziemiania zbrojenia elementów betonowych
z aprobatą spółki DB Netz AG
Materiał płytki: stal nierdzewna
Nr materiału: 1.4301
Materiał tulei: Stal / Miedź
Materiał kabla: Miedź
Prąd zwarciowy: > 25 kA
Prąd testowy: 40 kA / 100 ms
Prąd zwarciowy (AC 50 Hz / DC): 12,6 kA
Gwint: M16
Średnica płytki przyłączeniowej: 50 mm
Kabel: NYY-O
Przekrój kabla: 95 mm²
Średnica kabla: 19 mm
Długość: 500 mm
Nr rysunku DB: 3 Ebs 15.03.19 - 33
Odniesienie do norm: Ril 997.0205A01

Producent: DEHN
Typ: D BEB 7 / EBS 15-03-19
Nr kat.: 419070
lub podobny.

 

Dane techniczne

Materiał płytki stal nierdzewna
Nr materiału 1.4301
Materiał tulei Stal / Miedź
Materiał kabla Miedź
Prąd zwarciowy > 25 kA
Prąd testowy 40 kA / 100 ms
Prąd zwarciowy (AC 50 Hz / DC) (1 s; ≤ 300 °C) 12,6 kA
Gwint M16
Średnica płytki przyłączeniowej 50 mm
Kabel NYY-O
Przekrój kabla 95 mm²
Średnica kabla 19 mm
Długość 500 mm
Nr rysunku DB 3 Ebs 15.03.19 - 33
Odniesienie do norm Ril 997.0205A01

Produkt 419070 został dodany do notatnika.

Do koszyka dodano produkt 419070.

Nr kat. 419071 D BEB 7-FLEX / EBS 15-03-19

GTIN / EAN 4013364439559, Nr taryfy celnej (EU): 85369010, Waga brutto: 622.00 g, Jednostka opakowaniowa: 1.00 szt.


Rysunki

Informacje dodatkowe

Mostek uziemiający z kabla miedzianego D BEB 7-FLEX / EBS 15-03-19
do uziemiania zbrojenia elementów betonowych
z aprobatą spółki DB Netz AG
Materiał płytki: stal nierdzewna
Nr materiału: 1.4301
Materiał tulei: Stal / Miedź
Materiał kabla: Miedź
Prąd zwarciowy: > 25 kA
Prąd testowy: 40 kA / 100 ms
Prąd zwarciowy (AC 50 Hz / DC): 12,6 kA
Gwint: M16
Średnica płytki przyłączeniowej: 50 mm
Kabel: H07V-K
Przekrój kabla: 95 mm²
Średnica kabla: 19 mm
Długość: 500 mm
Nr rysunku DB: 3 Ebs 15.03.19 - 33
Odniesienie do norm: Ril 997.0205A01

Producent: DEHN
Typ: D BEB 7-FLEX / EBS 15-03-19
Nr kat.: 419071
lub podobny.

 

Dane techniczne

Materiał płytki stal nierdzewna
Nr materiału 1.4301
Materiał tulei Stal / Miedź
Materiał kabla Miedź
Prąd zwarciowy > 25 kA
Prąd testowy 40 kA / 100 ms
Prąd zwarciowy (AC 50 Hz / DC) (1 s; ≤ 300 °C) 12,6 kA
Gwint M16
Średnica płytki przyłączeniowej 50 mm
Kabel H07V-K
Przekrój kabla 95 mm²
Średnica kabla 19 mm
Długość 500 mm
Nr rysunku DB 3 Ebs 15.03.19 - 33
Odniesienie do norm Ril 997.0205A01

Produkt 419071 został dodany do notatnika.

Do koszyka dodano produkt 419071.


Mostki uziemiające z kabla miedzianego D BEB 9 / 10

Mostki uziemiające służą do uziemienia, prowadzenia prądu powrotnego i wyrównania potencjałów na obszarze eksploatacji linii kolejowych. Ten wariant tworzy niewidoczne połączenie w betonie. Połączenie ustanowione jest poprzez przyspawanie do zbrojenia uziemiającego końcówki przyłączeniowej ze stali miedziowanej nałożonej na kabel miedziany. Elastyczność kabla ułatwia użytkownikowi montaż w zbrojeniu. Specjalne warianty FLEX są szczególnie przydatne w sytuacjach montażowych, w których dostępna jest bardzo niewielka ilość miejsca – stosowane są tutaj wyjątkowo elastyczne, cienkożyłowe kable miedziane. Te mostki uziemiające posiadają również aprobatę techniczną firmy DB Netz AG i mogą być tym samym wykorzystywane w ich infrastrukturze zapewniając jednocześnie bezpieczeństwo projektu.
Na życzenie dostępne są długości specjalne: do 500 mm długości całkowitej w odstępach co 50 mm i od 500 mm długości całkowitej w odstępach co 100 mm.

5 Produkty

Nr kat. 419090 D BEB 9 / EBS 15-03-19

GTIN / EAN 4013364439573, Nr taryfy celnej (EU): 85369010, Waga brutto: 640.00 g, Jednostka opakowaniowa: 1.00 szt.


Rysunki

Informacje dodatkowe

Mostek uziemiający z kabla miedzianego D BEB 9 / EBS 15-03-19
do uziemiania zbrojenia elementów betonowych
z aprobatą spółki DB Netz AG
Materiał końcówki przyłączeniowej: Stal / Miedź
Materiał kabla: Miedź
Prąd zwarciowy: ≤ 25 kA
Prąd testowy: 25 kA / 100 ms
Prąd zwarciowy (AC 50 Hz / DC): 7,9 kA
Kabel: NYY-O
Przekrój kabla: 70 mm²
Średnica kabla: 17 mm
Wymiary końcówki przyłączeniowej: 80 x 30 mm
Długość: 500 mm
Nr rysunku DB: 3 Ebs 15.03.19 - 33
Odniesienie do norm: Ril 997.0205A01

Producent: DEHN
Typ: D BEB 9 / EBS 15-03-19
Nr kat.: 419090
lub podobny.

 

Dane techniczne

Materiał końcówki przyłączeniowej Stal / Miedź
Materiał kabla Miedź
Prąd zwarciowy ≤ 25 kA
Prąd testowy 25 kA / 100 ms
Prąd zwarciowy (AC 50 Hz / DC) (1 s; ≤ 300 °C) 7,9 kA
Kabel NYY-O
Przekrój kabla 70 mm²
Średnica kabla 17 mm
Wymiary końcówki przyłączeniowej 80 x 30 mm
Długość 500 mm
Nr rysunku DB 3 Ebs 15.03.19 - 33
Odniesienie do norm Ril 997.0205A01

Produkt 419090 został dodany do notatnika.

Do koszyka dodano produkt 419090.

Nr kat. 419091 D BEB 9-FLEX / EBS 15-03-19

GTIN / EAN 4013364439580, Nr taryfy celnej (EU): 85369010, Waga brutto: 570.00 g, Jednostka opakowaniowa: 1.00 szt.


Rysunki

Informacje dodatkowe

Mostek uziemiający z kabla miedzianego D BEB 9-FLEX / EBS 15-03-19
do uziemiania zbrojenia elementów betonowych
z aprobatą spółki DB Netz AG
Materiał końcówki przyłączeniowej: Stal / Miedź
Materiał kabla: Miedź
Prąd zwarciowy: ≤ 25 kA
Prąd testowy: 25 kA / 100 ms
Prąd zwarciowy (AC 50 Hz / DC): 7,9 kA
Kabel: H07V-K
Przekrój kabla: 70 mm²
Średnica kabla: 17 mm
Wymiary końcówki przyłączeniowej: 80 x 30 mm
Długość: 500 mm
Nr rysunku DB: 3 Ebs 15.03.19 - 33
Odniesienie do norm: Ril 997.0205A01

Producent: DEHN
Typ: D BEB 9-FLEX / EBS 15-03-19
Nr kat.: 419091
lub podobny.

 

Dane techniczne

Materiał końcówki przyłączeniowej Stal / Miedź
Materiał kabla Miedź
Prąd zwarciowy ≤ 25 kA
Prąd testowy 25 kA / 100 ms
Prąd zwarciowy (AC 50 Hz / DC) (1 s; ≤ 300 °C) 7,9 kA
Kabel H07V-K
Przekrój kabla 70 mm²
Średnica kabla 17 mm
Wymiary końcówki przyłączeniowej 80 x 30 mm
Długość 500 mm
Nr rysunku DB 3 Ebs 15.03.19 - 33
Odniesienie do norm Ril 997.0205A01

Produkt 419091 został dodany do notatnika.

Do koszyka dodano produkt 419091.

Nr kat. 419100 D BEB 10 / EBS 15-03-19

GTIN / EAN 4013364439597, Nr taryfy celnej (EU): 85369010, Waga brutto: 722.50 g, Jednostka opakowaniowa: 1.00 szt.


Rysunki

Informacje dodatkowe

Mostek uziemiający z kabla miedzianego D BEB 10 / EBS 15-03-19
do uziemiania zbrojenia elementów betonowych
z aprobatą spółki DB Netz AG
Materiał końcówki przyłączeniowej: Stal / Miedź
Materiał kabla: Miedź
Prąd zwarciowy: > 25 kA
Prąd testowy: 40 kA / 100 ms
Prąd zwarciowy (AC 50 Hz / DC): 12,6 kA
Kabel: NYY-O
Przekrój kabla: 95 mm²
Średnica kabla: 19 mm
Wymiary końcówki przyłączeniowej: 80 x 30 mm
Długość: 500 mm
Nr rysunku DB: 3 Ebs 15.03.19 - 33
Odniesienie do norm: Ril 997.0205A01

Producent: DEHN
Typ: D BEB 10 / EBS 15-03-19
Nr kat.: 419100
lub podobny.

 

Dane techniczne

Materiał końcówki przyłączeniowej Stal / Miedź
Materiał kabla Miedź
Prąd zwarciowy > 25 kA
Prąd testowy 40 kA / 100 ms
Prąd zwarciowy (AC 50 Hz / DC) (1 s; ≤ 300 °C) 12,6 kA
Kabel NYY-O
Przekrój kabla 95 mm²
Średnica kabla 19 mm
Wymiary końcówki przyłączeniowej 80 x 30 mm
Długość 500 mm
Nr rysunku DB 3 Ebs 15.03.19 - 33
Odniesienie do norm Ril 997.0205A01

Produkt 419100 został dodany do notatnika.

Do koszyka dodano produkt 419100.

Nr kat. 419101 D BEB 10-FLEX / EBS 15-03-19

GTIN / EAN 4013364439603, Nr taryfy celnej (EU): 85369010, Waga brutto: 667.00 g, Jednostka opakowaniowa: 1.00 szt.


Rysunki

Informacje dodatkowe

Mostek uziemiający z kabla miedzianego D BEB 10-FLEX / EBS 15-03-19
do uziemiania zbrojenia elementów betonowych
z aprobatą spółki DB Netz AG
Materiał końcówki przyłączeniowej: Stal / Miedź
Materiał kabla: Miedź
Prąd zwarciowy: > 25 kA
Prąd testowy: 40 kA / 100 ms
Prąd zwarciowy (AC 50 Hz / DC): 12,6 kA
Kabel: H07V-K
Przekrój kabla: 95 mm²
Średnica kabla: 19 mm
Wymiary końcówki przyłączeniowej: 80 x 30 mm
Długość: 500 mm
Nr rysunku DB: 3 Ebs 15.03.19 - 33
Odniesienie do norm: Ril 997.0205A01

Producent: DEHN
Typ: D BEB 10-FLEX / EBS 15-03-19
Nr kat.: 419101
lub podobny.

 

Dane techniczne

Materiał końcówki przyłączeniowej Stal / Miedź
Materiał kabla Miedź
Prąd zwarciowy > 25 kA
Prąd testowy 40 kA / 100 ms
Prąd zwarciowy (AC 50 Hz / DC) (1 s; ≤ 300 °C) 12,6 kA
Kabel H07V-K
Przekrój kabla 95 mm²
Średnica kabla 19 mm
Wymiary końcówki przyłączeniowej 80 x 30 mm
Długość 500 mm
Nr rysunku DB 3 Ebs 15.03.19 - 33
Odniesienie do norm Ril 997.0205A01

Produkt 419101 został dodany do notatnika.

Do koszyka dodano produkt 419101.

Nr kat. 419505 D BEB 10 - L800 / EBS 15-03-19

GTIN / EAN 4013364458437, Nr taryfy celnej (EU): 85369010, Waga brutto: 1.12 kg, Jednostka opakowaniowa: 1.00 szt.


Rysunki

Informacje dodatkowe

Mostek uziemiający z kabla miedzianego D BEB 10 / EBS 15-03-19
do uziemiania zbrojenia elementów betonowych
z aprobatą spółki DB Netz AG
Materiał końcówki przyłączeniowej: Stal / Miedź
Materiał kabla: Miedź
Prąd zwarciowy: > 25 kA
Prąd testowy: 40 kA / 100 ms
Prąd zwarciowy (AC 50 Hz / DC): 12,6 kA
Kabel: NYY-O
Przekrój kabla: 95 mm²
Średnica kabla: 19 mm
Wymiary końcówki przyłączeniowej: 80 x 30 mm
Długość: 800 mm
Nr rysunku DB: 3 Ebs 15.03.19 - 33
Odniesienie do norm: Ril 997.0205A01

Producent: DEHN
Typ: D BEB 10 - L800 / EBS 15-03-19
Nr kat.: 419505
lub podobny.

 

Dane techniczne

Materiał końcówki przyłączeniowej Stal / Miedź
Materiał kabla Miedź
Prąd zwarciowy > 25 kA
Prąd testowy 40 kA / 100 ms
Prąd zwarciowy (AC 50 Hz / DC) (1 s; ≤ 300 °C) 12,6 kA
Kabel NYY-O
Przekrój kabla 95 mm²
Średnica kabla 19 mm
Wymiary końcówki przyłączeniowej 80 x 30 mm
Długość 800 mm
Nr rysunku DB 3 Ebs 15.03.19 - 33
Odniesienie do norm Ril 997.0205A01

Produkt 419505 został dodany do notatnika.

Do koszyka dodano produkt 419505.


Mostek uziemiający do uziemiania rur wielkogabarytowych D BEB 11

Mostki uziemiające służą do uziemienia, prowadzenia prądu powrotnego i wyrównania potencjałów na obszarze eksploatacji linii kolejowych. Wariant do uziemienia rur wielkogabarytowych jest przeznaczony do stosowania z fundamentami palowymi i z rur wielkogabarytowych. Produkt składa się z kabla miedzianego z wciśniętą tuleją oraz płytki przyłączeniowej ze stali nierdzewnej z wbudowanymi otworami do mocowania do szalunku na jednym końcu i końcówki kablowej na drugim końcu. Końcówka kablowa służy do wykonania połączenia odpornego na prąd zwarciowy z fundamentem palowym lub z rur wielkogabarytowych. Elastyczność kabla ułatwia użytkownikowi montaż w zbrojeniu. Ten mostek uziemiający posiada również aprobatę techniczną firmy DB Netz AG i może być wykorzystywany w ich infrastrukturze zapewniając jednocześnie bezpieczeństwo projektu.
Na życzenie dostępne są długości specjalne: do 500 mm długości całkowitej w odstępach co 50 mm i od 500 mm długości całkowitej w odstępach co 100 mm.

2 Produkty

Nr kat. 419110 D BEB 11 / EBS 15-03-27

GTIN / EAN 4013364439665, Nr taryfy celnej (EU): 85369010, Waga brutto: 640.00 g, Jednostka opakowaniowa: 1.00 szt.


Rysunki

Informacje dodatkowe

Mostek uziemiający do uziemiania rur wielkogabarytowych D BEB 11 / EBS 15-03-27
do uziemiania zbrojenia elementów betonowych
z aprobatą spółki DB Netz AG
Materiał płytki: stal nierdzewna
Nr materiału: 1.4301
Materiał tulei: Stal / Miedź
Materiał kabla uziemiającego z końcówką kablową: Miedź/gal Sn
Materiał kabla: Miedź
Prąd zwarciowy: ≤ 25 kA
Prąd testowy: 25 kA / 100 ms
Prąd zwarciowy (AC 50 Hz / DC): 7,9 kA
Gwint: M16
Średnica płytki przyłączeniowej: 50 mm
Kabel: NYY-O
Przekrój kabla: 70 mm²
Średnica kabla: 17 mm
Otwór kabla uziemiającego z końcówką kablową: 13 mm
Długość: 500 mm
Nr rysunku DB: 4 Ebs 15.03.27 - 2
Odniesienie do norm: Ril 997.0205A01

Producent: DEHN
Typ: D BEB 11 / EBS 15-03-27
Nr kat.: 419110
lub podobny.

 

Dane techniczne

Materiał płytki stal nierdzewna
Nr materiału 1.4301
Materiał tulei Stal / Miedź
Materiał kabla uziemiającego z końcówką kablową Miedź /gal Sn
Materiał kabla Miedź
Prąd zwarciowy ≤ 25 kA
Prąd testowy 25 kA / 100 ms
Prąd zwarciowy (AC 50 Hz / DC) (1 s; ≤ 300 °C) 7,9 kA
Gwint M16
Średnica płytki przyłączeniowej 50 mm
Kabel NYY-O
Przekrój kabla 70 mm²
Średnica kabla 17 mm
Otwór kabla uziemiającego z końcówką kablową 13 mm
Długość 500 mm
Nr rysunku DB 4 Ebs 15.03.27 - 2
Odniesienie do norm Ril 997.0205A01

Produkt 419110 został dodany do notatnika.

Do koszyka dodano produkt 419110.

Nr kat. 419506 D BEB 11 - L1000 / EBS 15-03-27

GTIN / EAN 4013364458444, Nr taryfy celnej (EU): 85369010, Waga brutto: 1.10 kg, Jednostka opakowaniowa: 1.00 szt.


Rysunki

Informacje dodatkowe

Mostek uziemiający do uziemiania rur wielkogabarytowych D BEB 11 / EBS 15-03-27
do uziemiania zbrojenia elementów betonowych
z aprobatą spółki DB Netz AG
Materiał płytki: stal nierdzewna
Nr materiału: 1.4301
Materiał tulei: Stal / Miedź
Materiał kabla uziemiającego z końcówką kablową: Miedź/gal Sn
Materiał kabla: Miedź
Prąd zwarciowy: ≤ 25 kA
Prąd testowy: 25 kA / 100 ms
Prąd zwarciowy (AC 50 Hz / DC): 7,9 kA
Gwint: M16
Średnica płytki przyłączeniowej: 50 mm
Kabel: NYY-O
Przekrój kabla: 70 mm²
Średnica kabla: 17 mm
Otwór kabla uziemiającego z końcówką kablową: 13 mm
Długość: 1000 mm
Nr rysunku DB: 4 Ebs 15.03.27 - 2
Odniesienie do norm: Ril 997.0205A01

Producent: DEHN
Typ: D BEB 11 - L1000 / EBS 15-03-27
Nr kat.: 419506
lub podobny.

 

Dane techniczne

Materiał płytki stal nierdzewna
Nr materiału 1.4301
Materiał tulei Stal / Miedź
Materiał kabla uziemiającego z końcówką kablową Miedź /gal Sn
Materiał kabla Miedź
Prąd zwarciowy ≤ 25 kA
Prąd testowy 25 kA / 100 ms
Prąd zwarciowy (AC 50 Hz / DC) (1 s; ≤ 300 °C) 7,9 kA
Gwint M16
Średnica płytki przyłączeniowej 50 mm
Kabel NYY-O
Przekrój kabla 70 mm²
Średnica kabla 17 mm
Otwór kabla uziemiającego z końcówką kablową 13 mm
Długość 1000 mm
Nr rysunku DB 4 Ebs 15.03.27 - 2
Odniesienie do norm Ril 997.0205A01

Produkt 419506 został dodany do notatnika.

Do koszyka dodano produkt 419506.


Łącznik uziemiający z kabla ze stopu CuStAl D BEB 29

Łączniki uziemiające służą do uziemienia, prowadzenia prądu powrotnego i wyrównania potencjałów na obszarze eksploatacji linii kolejowych. Wariant bezhalogenowy D BEB 29 lub wariant bezhalogenowy o zmniejszonej palności D BEB 29-NF do zewnętrznego przyłączania punktów połączenia uziemienia i innych elementów przyłączeniowych. W tym rozwiązaniu zastosowano kabel uziemiający z końcówką kablową M16. Te łączniki uziemiające składają się z kabla miedziano-stalowo-aluminiowego, co pozwala na zapobieganie kradzieżom. Te łączniki uziemiające uziemiający również posiadają aprobatę techniczną firmy DB Netz AG i mogą być wykorzystywane w ich infrastrukturze zapewniając jednocześnie bezpieczeństwo projektu. Wykonanie bezhalogenowe o zmniejszonej palności może być stosowane w tunelach zgodnie z przepisami UE.
Na życzenie dostępne są długości specjalne: do 500 mm długości całkowitej w odstępach co 50 mm i od 500 mm długości całkowitej w odstępach co 100 mm.

6 Produkty

Nr kat. 419290 D BEB 29 / EBS 15-03-17

GTIN / EAN 4013364439627, Nr taryfy celnej (EU): 85359000, Waga brutto: 390.00 g, Jednostka opakowaniowa: 1.00 szt.


Rysunki

Informacje dodatkowe

Łącznik uziemiający z kabla miedziano-stalowo-aluminiowego
D BEB 29 / EBS 15-03-17
do uziemiania zbrojenia elementów betonowych
z aprobatą spółki DB Netz AG
Materiał kabla uziemiającego z końcówką kablową: Miedź/gal Sn
Materiał kabla: MiedźStalaluminium
Prąd zwarciowy: > 25 kA
Prąd testowy: 40 kA / 100 ms
Prąd zwarciowy (AC 50 Hz / DC): 12,6 kA
Kabel: (N)2X RF MiedźStalaluminium
Przekrój kabla: ≥ 70 mm²
Wykonanie: bezhalogenowa
Średnica kabla: 17 mm
Otwór kabla uziemiającego z końcówką kablową: 17 mm
Długość: 500 mm
Nr rysunku DB: 4 Ebs 15.03.17 - 6 (Bayka)
Odniesienie do norm: Ril 997.0205A01; DIN EN 62561-1

Producent: DEHN
Typ: D BEB 29 / EBS 15-03-17
Nr kat.: 419290
lub podobny.

Certyfikaty

 

Dane techniczne

Materiał kabla uziemiającego z końcówką kablową Miedź /gal Sn
Materiał kabla Miedź Stal aluminium
Prąd zwarciowy > 25 kA
Prąd testowy 40 kA / 100 ms
Prąd zwarciowy (AC 50 Hz / DC) (1 s; ≤ 300 °C) 12,6 kA
Kabel (N)2X RF Miedź Stal aluminium
Przekrój kabla ≥ 70 mm²
Wykonanie bezhalogenowa
Średnica kabla 17 mm
Otwór kabla uziemiającego z końcówką kablową 17 mm
Długość 500 mm
Nr rysunku DB 4 Ebs 15.03.17 - 6 (Bayka)
Odniesienie do norm Ril 997.0205A01; DIN EN 62561-1

Produkt 419290 został dodany do notatnika.

Do koszyka dodano produkt 419290.

Nr kat. 419291 D BEB 29-NF / EBS 15-03-17

GTIN / EAN 4013364439634, Nr taryfy celnej (EU): 85359000, Waga brutto: 410.00 g, Jednostka opakowaniowa: 1.00 szt.


Rysunki

Informacje dodatkowe

Łącznik uziemiający z kabla miedziano-stalowo-aluminiowego
D BEB 29-NF / EBS 15-03-17
do uziemiania zbrojenia elementów betonowych
z aprobatą spółki DB Netz AG
Materiał kabla uziemiającego z końcówką kablową: Miedź/gal Sn
Materiał kabla: MiedźStalaluminium
Prąd zwarciowy: > 25 kA
Prąd testowy: 40 kA / 100 ms
Prąd zwarciowy (AC 50 Hz / DC): 12,6 kA
Kabel: B2ca RF MiedźStalaluminium
Przekrój kabla: ≥ 70 mm²
Wykonanie: bezhalogenowe o zmniejszonej palności
Średnica kabla: 17 mm
Otwór kabla uziemiającego z końcówką kablową: 17 mm
Długość: 500 mm
Nr rysunku DB: 4 Ebs 15.03.17 - 6 (Bayka)
Odniesienie do norm: Ril 997.0205A01; DIN EN 62561-1

Producent: DEHN
Typ: D BEB 29-NF / EBS 15-03-17
Nr kat.: 419291
lub podobny.

Certyfikaty

 

Dane techniczne

Materiał kabla uziemiającego z końcówką kablową Miedź /gal Sn
Materiał kabla Miedź Stal aluminium
Prąd zwarciowy > 25 kA
Prąd testowy 40 kA / 100 ms
Prąd zwarciowy (AC 50 Hz / DC) (1 s; ≤ 300 °C) 12,6 kA
Kabel B2ca RF Miedź Stal aluminium
Przekrój kabla ≥ 70 mm²
Wykonanie bezhalogenowe o zmniejszonej palności
Średnica kabla 17 mm
Otwór kabla uziemiającego z końcówką kablową 17 mm
Długość 500 mm
Nr rysunku DB 4 Ebs 15.03.17 - 6 (Bayka)
Odniesienie do norm Ril 997.0205A01; DIN EN 62561-1

Produkt 419291 został dodany do notatnika.

Do koszyka dodano produkt 419291.

Nr kat. 419511 D BEB 29 M12 M16 / EBS 15-03-17

GTIN / EAN 4013364480513, Nr taryfy celnej (EU): 85359000, Waga brutto: 410.00 g, Jednostka opakowaniowa: 1.00 szt.


Rysunki

Informacje dodatkowe

Łącznik uziemiający z kabla miedziano-stalowo-aluminiowego
D BEB 29 M12 M16 / EBS 15-03-17
do uziemiania elementów konstrukcyjnych (M16) lub szyn (M12)
z aprobatą spółki DB Netz AG
Materiał kabla uziemiającego z końcówką kablową: Miedź/gal Sn
Materiał kabla: MiedźStalaluminium
Prąd zwarciowy: > 25 kA
Prąd testowy: 40 kA / 100 ms
Prąd zwarciowy (AC 50 Hz / DC): 12,6 kA
Kabel: (N)2X RF MiedźStalaluminium
Przekrój kabla: ≥ 70 mm²
Wykonanie: bezhalogenowa
Średnica kabla: 17 mm
Otwór kabla uziemiającego z końcówką kablową: 13 mm dla M12 oraz 17 mm dla M16
Długość: 500 mm
Nr rysunku DB: 4 Ebs 15.03.17 - 6 (Bayka)
Odniesienie do norm: Ril 997.0205A01

Producent: DEHN
Typ: D BEB 29 M12 M16 / EBS 15-03-17
Nr kat.: 419511
lub podobny.

 

Dane techniczne

Materiał kabla uziemiającego z końcówką kablową Miedź /gal Sn
Materiał kabla Miedź Stal aluminium
Prąd zwarciowy > 25 kA
Prąd testowy 40 kA / 100 ms
Prąd zwarciowy (AC 50 Hz / DC) (1 s; ≤ 300 °C) 12,6 kA
Kabel (N)2X RF Miedź Stal aluminium
Przekrój kabla ≥ 70 mm²
Wykonanie bezhalogenowa
Średnica kabla 17 mm
Otwór kabla uziemiającego z końcówką kablową 13 mm dla M12 oraz 17 mm dla M16
Długość 500 mm
Nr rysunku DB 4 Ebs 15.03.17 - 6 (Bayka)
Odniesienie do norm Ril 997.0205A01

Produkt 419511 został dodany do notatnika.

Do koszyka dodano produkt 419511.

Nr kat. 419512 D BEB 29-NF M12 M16 / EBS 15-03-17

GTIN / EAN 4013364480520, Nr taryfy celnej (EU): 85359000, Waga brutto: 410.00 g, Jednostka opakowaniowa: 1.00 szt.


Rysunki

Informacje dodatkowe

Łącznik uziemiający z kabla miedziano-stalowo-aluminiowego
D BEB 29-NF / EBS 15-03-17
do uziemiania zbrojenia elementów betonowych
z aprobatą spółki DB Netz AG
Materiał kabla uziemiającego z końcówką kablową: Miedź/gal Sn
Materiał kabla: MiedźStalaluminium
Prąd zwarciowy: > 25 kA
Prąd testowy: 40 kA / 100 ms
Prąd zwarciowy (AC 50 Hz / DC): 12,6 kA
Kabel: B2ca RF MiedźStalaluminium
Przekrój kabla: ≥ 70 mm²
Wykonanie: bezhalogenowe o zmniejszonej palności
Średnica kabla: 17 mm
Otwór kabla uziemiającego z końcówką kablową: 13 mm dla M12 oraz 17 mm dla M16
Długość: 500 mm
Nr rysunku DB: 4 Ebs 15.03.17 - 6 (Bayka)
Odniesienie do norm: Ril 997.0205A01

Producent: DEHN
Typ: D BEB 29-NF M12 M16 / EBS 15-03-17
Nr kat.: 419512
lub podobny.

 

Dane techniczne

Materiał kabla uziemiającego z końcówką kablową Miedź /gal Sn
Materiał kabla Miedź Stal aluminium
Prąd zwarciowy > 25 kA
Prąd testowy 40 kA / 100 ms
Prąd zwarciowy (AC 50 Hz / DC) (1 s; ≤ 300 °C) 12,6 kA
Kabel B2ca RF Miedź Stal aluminium
Przekrój kabla ≥ 70 mm²
Wykonanie bezhalogenowe o zmniejszonej palności
Średnica kabla 17 mm
Otwór kabla uziemiającego z końcówką kablową 13 mm dla M12 oraz 17 mm dla M16
Długość 500 mm
Nr rysunku DB 4 Ebs 15.03.17 - 6 (Bayka)
Odniesienie do norm Ril 997.0205A01

Produkt 419512 został dodany do notatnika.

Do koszyka dodano produkt 419512.

Nr kat. 419513 D BEB 29 R / EBS 15-03-17

GTIN / EAN 4013364480506, Nr taryfy celnej (EU): 85359000, Waga brutto: 410.00 g, Jednostka opakowaniowa: 1.00 szt.


Rysunki

Informacje dodatkowe

Łącznik uziemiający z kabla miedziano-stalowo-aluminiowego
W wykonaniu z obrotem w prawo
D BEB 29 R / EBS 15-03-17
do uziemiania zbrojenia elementów betonowych
z aprobatą spółki DB Netz AG
Materiał kabla uziemiającego z końcówką kablową: Miedź/gal Sn
Materiał kabla: MiedźStalaluminium
Prąd zwarciowy: > 25 kA
Prąd testowy: 40 kA / 100 ms
Prąd zwarciowy (AC 50 Hz / DC): 12,6 kA
Kabel: (N)2X RF MiedźStalaluminium
Przekrój kabla: ≥ 70 mm²
Wykonanie: bezhalogenowa
Średnica kabla: 17 mm
Otwór kabla uziemiającego z końcówką kablową: 17 mm
Wykonanie z końcówką kablową: obrócona o 90° w prawo
Długość: 500 mm
Nr rysunku DB: 4 Ebs 15.03.17 - 6 (Bayka)
Odniesienie do norm: Ril 997.0205A01; DIN EN 62561-1

Producent: DEHN
Typ: D BEB 29 R / EBS 15-03-17
Nr kat.: 419513
lub podobny.

Certyfikaty

 

Dane techniczne

Materiał kabla uziemiającego z końcówką kablową Miedź /gal Sn
Materiał kabla Miedź Stal aluminium
Prąd zwarciowy > 25 kA
Prąd testowy 40 kA / 100 ms
Prąd zwarciowy (AC 50 Hz / DC) (1 s; ≤ 300 °C) 12,6 kA
Kabel (N)2X RF Miedź Stal aluminium
Przekrój kabla ≥ 70 mm²
Wykonanie bezhalogenowa
Średnica kabla 17 mm
Otwór kabla uziemiającego z końcówką kablową 17 mm
Wykonanie z końcówką kablową obrócona o 90° w prawo
Długość 500 mm
Nr rysunku DB 4 Ebs 15.03.17 - 6 (Bayka)
Odniesienie do norm Ril 997.0205A01; DIN EN 62561-1

Produkt 419513 został dodany do notatnika.

Do koszyka dodano produkt 419513.

Nr kat. 419514 D BEB 29 L / EBS 15-03-17

GTIN / EAN 4013364480537, Nr taryfy celnej (EU): 85359000, Waga brutto: 410.00 g, Jednostka opakowaniowa: 1.00 szt.


Rysunki

Informacje dodatkowe

Łącznik uziemiający z kabla miedziano-stalowo-aluminiowego
W wykonaniu z obrotem w lewo
D BEB 29 R / EBS 15-03-17
do uziemiania zbrojenia elementów betonowych
z aprobatą spółki DB Netz AG
Materiał kabla uziemiającego z końcówką kablową: Miedź/gal Sn
Materiał kabla: MiedźStalaluminium
Prąd zwarciowy: > 25 kA
Prąd testowy: 40 kA / 100 ms
Prąd zwarciowy (AC 50 Hz / DC): 12,6 kA
Kabel: (N)2X RF MiedźStalaluminium
Przekrój kabla: ≥ 70 mm²
Wykonanie: bezhalogenowa
Średnica kabla: 17 mm
Otwór kabla uziemiającego z końcówką kablową: 17 mm
Wykonanie z końcówką kablową: obrócona o 90° w lewo
Długość: 500 mm
Nr rysunku DB: 4 Ebs 15.03.17 - 6 (Bayka)
Odniesienie do norm: Ril 997.0205A01; DIN EN 62561-1

Producent: DEHN
Typ: D BEB 29 L / EBS 15-03-17
Nr kat.: 419514
lub podobny.

Certyfikaty

 

Dane techniczne

Materiał kabla uziemiającego z końcówką kablową Miedź /gal Sn
Materiał kabla Miedź Stal aluminium
Prąd zwarciowy > 25 kA
Prąd testowy 40 kA / 100 ms
Prąd zwarciowy (AC 50 Hz / DC) (1 s; ≤ 300 °C) 12,6 kA
Kabel (N)2X RF Miedź Stal aluminium
Przekrój kabla ≥ 70 mm²
Wykonanie bezhalogenowa
Średnica kabla 17 mm
Otwór kabla uziemiającego z końcówką kablową 17 mm
Wykonanie z końcówką kablową obrócona o 90° w lewo
Długość 500 mm
Nr rysunku DB 4 Ebs 15.03.17 - 6 (Bayka)
Odniesienie do norm Ril 997.0205A01; DIN EN 62561-1

Produkt 419514 został dodany do notatnika.

Do koszyka dodano produkt 419514.


Podkładka samoprzylepna

Podkładka samoprzylepna służy do mocowania produktów uziemienia infrastruktury kolejowej do szalunku za pomocą połączenia klejowego. Podkładkę samoprzylepną można przykleić do płytki przyłączeniowej ze stali nierdzewnej D BEB 0, aby następnie można ją było połączyć bezpośrednio z szalunkiem.

1 Produkt

Nr kat. 419900 D KLP D50 BEB

GTIN / EAN 4013364439641, Nr taryfy celnej (EU): 39191080, Waga brutto: 2.00 g, Jednostka opakowaniowa: 1.00 szt.


Rysunki

Informacje dodatkowe

Podkładka samoprzylepna D KLP D50 BEB
do produktów do uziemienia infrastruktury kolejowej D BEB 0-x
Średnica: 50 mm
Średnica: 50 mm

Producent: DEHN
Typ: D KLP D50 BEB
Nr kat.: 419900
lub podobny.

 

Dane techniczne

Średnica 50 mm

Produkt 419900 został dodany do notatnika.

Do koszyka dodano produkt 419900.


Naklejka do oznaczania produktów uziemiających

Naklejka do oznaczania produktów uziemiających jest przeznaczona jako część zamienna do oznaczania zainstalowanych produktów uziemienia infrastruktury kolejowej. Można ją łatwo przykleić do płytki przyłączeniowej ze stali nierdzewnej. Takie oznaczenie można wykonać dla mostków uziemiających D BEB 1 do 8, a także dla wariantu D BEB 11 do uziemienia rur wielkogabarytowych, jeśli naklejona fabrycznie naklejka nie jest już dostępna lub jest uszkodzona.

1 Produkt

Nr kat. 419901 D EAK D50 BEB

GTIN / EAN 4013364439658, Nr taryfy celnej (EU): 39191080, Waga brutto: 3.00 g, Jednostka opakowaniowa: 1.00 szt.


Rysunki

Informacje dodatkowe

Naklejka do oznaczania produktów uziemiających D EAK D50 BEB
jako oznakowanie produktów uziemiających infrastruktury kolejowej
Średnica: 50 mm
Średnica: 50 mm

Producent: DEHN
Typ: D EAK D50 BEB
Nr kat.: 419901
lub podobny.

 

Dane techniczne

Średnica 50 mm

Produkt 419901 został dodany do notatnika.

Do koszyka dodano produkt 419901.


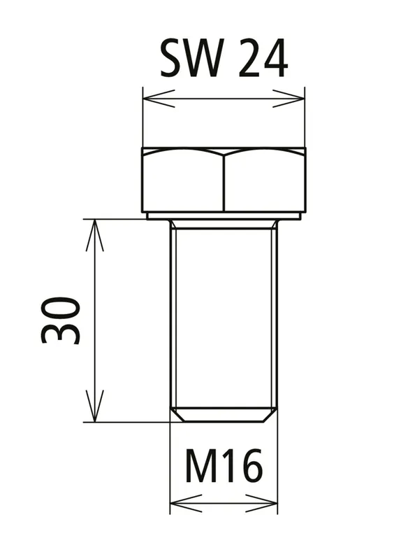
Śruba z łbem sześciokątnym

1 Produkt

Nr kat. 419902 D SKS M16X30 V4A

GTIN / EAN 4013364439689, Nr taryfy celnej (EU): 85389099, Waga brutto: 76.89 g, Jednostka opakowaniowa: 1.00 szt.


Rysunki

Informacje dodatkowe

Śruba z łbem sześciokątnym D SKS M16X30 V2A
Materiał: stal nierdzewna A4-70
Gwint: M16 x 30 mm
Materiał: stal nierdz. (V4A)
Gwint: M16 x 30 mm

Producent: DEHN
Typ: D SKS M16X30 V4A
Nr kat.: 419902
lub podobny.

 

Dane techniczne

Materiał stal nierdz. (V4A)
Gwint M16 x 30 mm

Produkt 419902 został dodany do notatnika.

Do koszyka dodano produkt 419902.


Nakrętka sześciokątna

1 Produkt

Nr kat. 419903 D SKM M16 V4A

GTIN / EAN 4013364439696, Nr taryfy celnej (EU): 73181639, Waga brutto: 28.98 g, Jednostka opakowaniowa: 1.00 szt.


Rysunki

Informacje dodatkowe

Nakrętka sześciokątna D SKM M16 V2A
Materiał: stal nierdzewna A4-70
Gwint: M16
Materiał: stal nierdz. (V4A)
Gwint: M16

Producent: DEHN
Typ: D SKM M16 V4A
Nr kat.: 419903
lub podobny.

 

Dane techniczne

Materiał stal nierdz. (V4A)
Gwint M16

Produkt 419903 został dodany do notatnika.

Do koszyka dodano produkt 419903.


Podkładka

1 Produkt

Nr kat. 419904 D SCH A17 V4A

GTIN / EAN 4013364574649, Nr taryfy celnej (EU): 73182200, Waga brutto: 9.50 g, Jednostka opakowaniowa: 1.00 szt.


Rysunki

Informacje dodatkowe

Podkładka D SCH A17 V2A
Materiał: stal nierdzewna A4-70
Średnica zewnętrzna: 30 mm
Średnica wewnętrzna: 17 mm
Materiał: stal nierdz. (V4A)
Średnica zewnętrzna: 30 mm
Średnica wewnętrzna: 17 mm

Producent: DEHN
Typ: D SCH A17 V4A
Nr kat.: 419904
lub podobny.

 

Dane techniczne

Materiał stal nierdz. (V4A)
Średnica zewnętrzna 30 mm
Średnica wewnętrzna 17 mm

Produkt 419904 został dodany do notatnika.

Do koszyka dodano produkt 419904.


Powrót na górę