Mostki uziemiające D BEB 16 ze stali nierdzewnej
Mostki uziemiające służą do uziemienia, prowadzenia prądu powrotnego i wyrównania potencjałów na obszarze eksploatacji linii kolejowych. Mostek uziemiający ze stali nierdzewnej spełnia tę funkcję poprzez zdefiniowaną spoinę do przewodu uziemiającego. Ten mostek uziemiający posiada również aprobatę techniczną firmy DB Netz AG i może być wykorzystywany w ich infrastrukturze zapewniając jednocześnie bezpieczeństwo projektu.
1 Produkt
Nr kat. 419160 D BEB 16 - 105 / 3 EBS 15-03-19-38
GTIN / EAN 4013364510203, Nr taryfy celnej (EU): 85369010, Waga brutto: 697.72 g, Jednostka opakowaniowa: 8.00 szt.
Dane techniczne
| Materiał elementu przyłączeniowego | stal nierdzewna |
| Nr materiału | 1.4301 |
| Materiał kątownika | Stal |
| Prąd zwarciowy | > 25 kA |
| Prąd testowy | 40 kA / 100 ms |
| Prąd zwarciowy (AC 50 Hz / DC) (1 s; ≤ 300 °C) | 12,6 kA |
| Gwint | M16 |
| Średnica płytki przyłączeniowej | 40 mm |
| Wymiary kątownika (dł. x sz. x gł.) | 50 x 50 x 5 mm |
| Wysokość całkowita | 105 mm |
| Nr rysunku DB | 3 Ebs 15.03.19 - 38 |
| Odniesienie do norm | Ril 997.0205A01 |
Mostki uziemiające z płaskownika stalowego D BEB 1-NR
Mostki uziemiające służą do uziemienia, prowadzenia prądu powrotnego i wyrównania potencjałów na obszarze eksploatacji linii kolejowych. Wariant ten spełnia tę funkcję poprzez zlicowanie z powierzchnią i przyspawanie płaskownika stalowego do uziemiającego zbrojenia – przez zdefiniowaną spoinę spawalniczą. Ten mostek uziemiający posiada również aprobatę techniczną firmy DB Netz AG i może być wykorzystywany w ich infrastrukturze zapewniając jednocześnie bezpieczeństwo projektu.
1 Produkt
Nr kat. 419012 D BEB 1-NR / EBS 15-03-19
GTIN / EAN 4013364439467, Nr taryfy celnej (EU): 85369010, Waga brutto: 1.46 kg, Jednostka opakowaniowa: 1.00 szt.
Dane techniczne
| Materiał elementu przyłączeniowego | stal nierdzewna |
| Nr materiału | 1.4301 |
| Materiał płaskownika | S235 |
| Prąd zwarciowy | > 25 kA |
| Prąd testowy | 40 kA / 100 ms |
| Prąd zwarciowy (AC 50 Hz / DC) (1 s; ≤ 300 °C) | 12,6 kA |
| Gwint | M16 |
| Średnica płytki przyłączeniowej | 50 mm |
| Wymiary płaskownika | 400 x 50 x 5 mm |
| Wysokość całkowita | 63 mm |
| Nr rysunku DB | 3 Ebs 15.03.19 - 36 |
| Odniesienie do norm | Ril 997.0205A01 |
Mostki uziemiające ze stali zbrojeniowej D BEB 2
Mostki uziemiające służą do uziemienia, prowadzenia prądu powrotnego i wyrównania potencjałów na obszarze eksploatacji linii kolejowych. Wariant ten spełnia tę funkcję poprzez zlicowanie z powierzchnią i przyspawanie wygiętego pręta zbrojeniowego do uziemiającego zbrojenia. To rozwiązanie jest szczególnie godne polecenia w sytuacjach montażowych, w których przestrzeń ma krytyczne znaczenie. Ten mostek uziemiający posiada również aprobatę techniczną firmy DB Netz AG i może być wykorzystywany w ich infrastrukturze zapewniając jednocześnie bezpieczeństwo projektu.
1 Produkt
Nr kat. 419020 D BEB 2 / EBS 15-03-19
GTIN / EAN 4013364439405, Nr taryfy celnej (EU): 85369010, Waga brutto: 950.00 g, Jednostka opakowaniowa: 1.00 szt.
Dane techniczne
| Materiał płytki | stal nierdzewna |
| Nr materiału | 1.4301 |
| Materiał tulei | Stal / Miedź |
| Materiał osi | Stal zbrojeniowa B500B |
| Prąd zwarciowy | > 25 kA |
| Prąd testowy | 40 kA / 100 ms |
| Prąd zwarciowy (AC 50 Hz / DC) (1 s; ≤ 300 °C) | 12,6 kA |
| Gwint | M16 |
| Średnica płytki przyłączeniowej | 50 mm |
| Średnica stali zbrojeniowej | 16 mm |
| Wysokość montażowa | 160 mm |
| Długość | 400 mm |
| Nr rysunku DB | 3 Ebs 15.03.19 - 31 |
| Odniesienie do norm | Ril 997.0205A01 |
Mostki uziemiające ze stali zbrojeniowej D BEB 3
Mostki uziemiające służą do uziemienia, prowadzenia prądu powrotnego i wyrównania potencjałów na obszarze eksploatacji linii kolejowych. Wariant ten jest montowany poprzez zlicowanie z powierzchnią i przyspawanie stali zbrojeniowej do uziemiającego zbrojenia. Ten mostek uziemiający posiada również aprobatę techniczną firmy DB Netz AG i może być wykorzystywany w ich infrastrukturze zapewniając jednocześnie bezpieczeństwo projektu.
1 Produkt
Nr kat. 419030 D BEB 3 / EBS 15-03-19
GTIN / EAN 4013364439474, Nr taryfy celnej (EU): 85369010, Waga brutto: 0.00 g, Jednostka opakowaniowa: 1.00 szt.
Dane techniczne
| Materiał płytki | stal nierdzewna |
| Nr materiału | 1.4301 |
| Materiał tulei | Stal / Miedź |
| Materiał osi | Stal zbrojeniowa B500B |
| Prąd zwarciowy | > 25 kA |
| Prąd testowy | 40 kA / 100 ms |
| Prąd zwarciowy (AC 50 Hz / DC) (1 s; ≤ 300 °C) | 12,6 kA |
| Gwint | M16 |
| Średnica płytki przyłączeniowej | 50 mm |
| Średnica stali zbrojeniowej | 16 mm |
| Długość | 400 mm |
| Nr rysunku DB | 3 Ebs 15.03.19 - 31 |
| Odniesienie do norm | Ril 997.0205A01 |
Mostki uziemiające z kabla miedzianego D BEB 4 / 5
Mostki uziemiające służą do uziemienia, prowadzenia prądu powrotnego i wyrównania potencjałów na obszarze eksploatacji linii kolejowych. Wariant ten spełnia tę funkcję poprzez zlicowanie z powierzchnią i przyspawanie do uziemiającego zbrojenia końcówki przyłączeniowej ze stali miedziowanej nałożonej na kabel miedziany. Elastyczność kabla ułatwia użytkownikowi montaż w zbrojeniu. Specjalne warianty FLEX są szczególnie przydatne w sytuacjach montażowych, w których dostępna jest bardzo niewielka ilość miejsca – stosowane są tutaj wyjątkowo elastyczne, cienkożyłowe kable miedziane. Te mostki uziemiające posiadają również aprobatę techniczną firmy DB Netz AG i mogą być tym samym wykorzystywane w ich infrastrukturze zapewniając jednocześnie bezpieczeństwo projektu.
Na życzenie dostępne są długości specjalne: do 500 mm długości całkowitej w odstępach co 50 mm i od 500 mm długości całkowitej w odstępach co 100 mm.
7 Produkty
Nr kat. 419040 D BEB 4 / EBS 15-03-19
GTIN / EAN 4013364439481, Nr taryfy celnej (EU): 85369010, Waga brutto: 640.00 g, Jednostka opakowaniowa: 1.00 szt.
Dane techniczne
| Materiał płytki | stal nierdzewna |
| Nr materiału | 1.4301 |
| Materiał tulei | Stal / Miedź |
| Materiał końcówki przyłączeniowej | Stal / Miedź |
| Materiał kabla | Miedź |
| Prąd zwarciowy | ≤ 25 kA |
| Prąd testowy | 25 kA / 100 ms |
| Prąd zwarciowy (AC 50 Hz / DC) (1 s; ≤ 300 °C) | 7,9 kA |
| Gwint | M16 |
| Średnica płytki przyłączeniowej | 50 mm |
| Kabel | NYY-O |
| Przekrój kabla | 70 mm² |
| Średnica kabla | 17 mm |
| Wymiary końcówki przyłączeniowej | 80 x 30 mm |
| Długość | 500 mm |
| Nr rysunku DB | 3 Ebs 15.03.19 - 32 |
| Odniesienie do norm | Ril 997.0205A01 |
Nr kat. 419050 D BEB 5 / EBS 15-03-19
GTIN / EAN 4013364439504, Nr taryfy celnej (EU): 85369010, Waga brutto: 710.00 g, Jednostka opakowaniowa: 1.00 szt.
Dane techniczne
| Materiał płytki | stal nierdzewna |
| Nr materiału | 1.4301 |
| Materiał tulei | Stal / Miedź |
| Materiał końcówki przyłączeniowej | Stal / Miedź |
| Materiał kabla | Miedź |
| Prąd zwarciowy | > 25 kA |
| Prąd testowy | 40 kA / 100 ms |
| Prąd zwarciowy (AC 50 Hz / DC) (1 s; ≤ 300 °C) | 12,6 kA |
| Gwint | M16 |
| Średnica płytki przyłączeniowej | 50 mm |
| Kabel | NYY-O |
| Przekrój kabla | 95 mm² |
| Średnica kabla | 19 mm |
| Wymiary końcówki przyłączeniowej | 80 x 30 mm |
| Długość | 500 mm |
| Nr rysunku DB | 3 Ebs 15.03.19 - 32 |
| Odniesienie do norm | Ril 997.0205A01 |
Nr kat. 419051 D BEB 5-FLEX / EBS 15-03-19
GTIN / EAN 4013364439511, Nr taryfy celnej (EU): 85369010, Waga brutto: 640.00 g, Jednostka opakowaniowa: 1.00 szt.
Dane techniczne
| Materiał płytki | stal nierdzewna |
| Nr materiału | 1.4301 |
| Materiał tulei | Stal / Miedź |
| Materiał końcówki przyłączeniowej | Stal / Miedź |
| Materiał kabla | Miedź |
| Prąd zwarciowy | > 25 kA |
| Prąd testowy | 40 kA / 100 ms |
| Prąd zwarciowy (AC 50 Hz / DC) (1 s; ≤ 300 °C) | 12,6 kA |
| Gwint | M16 |
| Średnica płytki przyłączeniowej | 50 mm |
| Kabel | H07V-K |
| Przekrój kabla | 95 mm² |
| Średnica kabla | 19 mm |
| Wymiary końcówki przyłączeniowej | 80 x 30 mm |
| Długość | 500 mm |
| Nr rysunku DB | 3 Ebs 15.03.19 - 32 |
| Odniesienie do norm | Ril 997.0205A01 |
Nr kat. 419501 D BEB 5 - L700 / EBS 15-03-19
GTIN / EAN 4013364458390, Nr taryfy celnej (EU): 85369010, Waga brutto: 980.00 g, Jednostka opakowaniowa: 1.00 szt.
Dane techniczne
| Materiał płytki | stal nierdzewna |
| Nr materiału | 1.4301 |
| Materiał tulei | Stal / Miedź |
| Materiał końcówki przyłączeniowej | Stal / Miedź |
| Materiał kabla | Miedź |
| Prąd zwarciowy | > 25 kA |
| Prąd testowy | 40 kA / 100 ms |
| Prąd zwarciowy (AC 50 Hz / DC) (1 s; ≤ 300 °C) | 12,6 kA |
| Gwint | M16 |
| Średnica płytki przyłączeniowej | 50 mm |
| Kabel | NYY-O |
| Przekrój kabla | 95 mm² |
| Średnica kabla | 19 mm |
| Wymiary końcówki przyłączeniowej | 80 x 30 mm |
| Długość | 700 mm |
| Nr rysunku DB | 3 Ebs 15.03.19 - 32 |
| Odniesienie do norm | Ril 997.0205A01 |
Nr kat. 419502 D BEB 5 - L1000 / EBS 15-03-19
GTIN / EAN 4013364458406, Nr taryfy celnej (EU): 85369010, Waga brutto: 1.40 kg, Jednostka opakowaniowa: 1.00 szt.
Dane techniczne
| Materiał płytki | stal nierdzewna |
| Nr materiału | 1.4301 |
| Materiał tulei | Stal / Miedź |
| Materiał końcówki przyłączeniowej | Stal / Miedź |
| Materiał kabla | Miedź |
| Prąd zwarciowy | > 25 kA |
| Prąd testowy | 40 kA / 100 ms |
| Prąd zwarciowy (AC 50 Hz / DC) (1 s; ≤ 300 °C) | 12,6 kA |
| Gwint | M16 |
| Średnica płytki przyłączeniowej | 50 mm |
| Kabel | NYY-O |
| Przekrój kabla | 95 mm² |
| Średnica kabla | 19 mm |
| Wymiary końcówki przyłączeniowej | 80 x 30 mm |
| Długość | 1000 mm |
| Nr rysunku DB | 3 Ebs 15.03.19 - 32 |
| Odniesienie do norm | Ril 997.0205A01 |
Nr kat. 419503 D BEB 5 - L1500 / EBS 15-03-19
GTIN / EAN 4013364458413, Nr taryfy celnej (EU): 85369010, Waga brutto: 2.10 kg, Jednostka opakowaniowa: 1.00 szt.
Dane techniczne
| Materiał płytki | stal nierdzewna |
| Nr materiału | 1.4301 |
| Materiał tulei | Stal / Miedź |
| Materiał końcówki przyłączeniowej | Stal / Miedź |
| Materiał kabla | Miedź |
| Prąd zwarciowy | > 25 kA |
| Prąd testowy | 40 kA / 100 ms |
| Prąd zwarciowy (AC 50 Hz / DC) (1 s; ≤ 300 °C) | 12,6 kA |
| Gwint | M16 |
| Średnica płytki przyłączeniowej | 50 mm |
| Kabel | NYY-O |
| Przekrój kabla | 95 mm² |
| Średnica kabla | 19 mm |
| Wymiary końcówki przyłączeniowej | 80 x 30 mm |
| Długość | 1500 mm |
| Nr rysunku DB | 3 Ebs 15.03.19 - 32 |
| Odniesienie do norm | Ril 997.0205A01 |
Nr kat. 419504 D BEB 5 - L2000 / EBS 15-03-19
GTIN / EAN 4013364458420, Nr taryfy celnej (EU): 85369010, Waga brutto: 2.80 kg, Jednostka opakowaniowa: 1.00 szt.
Dane techniczne
| Materiał płytki | stal nierdzewna |
| Nr materiału | 1.4301 |
| Materiał tulei | Stal / Miedź |
| Materiał końcówki przyłączeniowej | Stal / Miedź |
| Materiał kabla | Miedź |
| Prąd zwarciowy | > 25 kA |
| Prąd testowy | 40 kA / 100 ms |
| Prąd zwarciowy (AC 50 Hz / DC) (1 s; ≤ 300 °C) | 12,6 kA |
| Gwint | M16 |
| Średnica płytki przyłączeniowej | 50 mm |
| Kabel | NYY-O |
| Przekrój kabla | 95 mm² |
| Średnica kabla | 19 mm |
| Wymiary końcówki przyłączeniowej | 80 x 30 mm |
| Długość | 2000 mm |
| Nr rysunku DB | 3 Ebs 15.03.19 - 32 |
| Odniesienie do norm | Ril 997.0205A01 |
Mostki uziemiające z kabla miedzianego D BEB 6 / 7
Mostki uziemiające służą do uziemienia, prowadzenia prądu powrotnego i wyrównania potencjałów na obszarze eksploatacji linii kolejowych. Ten wariant jest używany jako przepust uziemiający do elementów budowlanych. Jest montowany równo z powierzchnią po obu stronach. Elastyczność kabla ułatwia użytkownikowi montaż w zbrojeniu. Specjalne warianty FLEX są szczególnie przydatne w sytuacjach montażowych, w których dostępna jest bardzo niewielka ilość miejsca – stosowane są tutaj wyjątkowo elastyczne, cienkożyłowe kable miedziane. Te mostki uziemiające posiadają również aprobatę techniczną firmy DB Netz AG i mogą być tym samym wykorzystywane w ich infrastrukturze zapewniając jednocześnie bezpieczeństwo projektu.
Na życzenie dostępne są długości specjalne: do 500 mm długości całkowitej w odstępach co 50 mm i od 500 mm długości całkowitej w odstępach co 100 mm.
4 Produkty
Nr kat. 419060 D BEB 6 / EBS 15-03-19
GTIN / EAN 4013364439528, Nr taryfy celnej (EU): 85369010, Waga brutto: 600.00 g, Jednostka opakowaniowa: 1.00 szt.
Dane techniczne
| Materiał płytki | stal nierdzewna |
| Nr materiału | 1.4301 |
| Materiał tulei | Stal / Miedź |
| Materiał kabla | Miedź |
| Prąd zwarciowy | ≤ 25 kA |
| Prąd testowy | 25 kA / 100 ms |
| Prąd zwarciowy (AC 50 Hz / DC) (1 s; ≤ 300 °C) | 7,9 kA |
| Gwint | M16 |
| Średnica płytki przyłączeniowej | 50 mm |
| Kabel | NYY-O |
| Przekrój kabla | 70 mm² |
| Średnica kabla | 17 mm |
| Długość | 500 mm |
| Nr rysunku DB | 3 Ebs 15.03.19 - 33 |
| Odniesienie do norm | Ril 997.0205A01 |
Nr kat. 419061 D BEB 6-FLEX / EBS 15-03-19
GTIN / EAN 4013364439535, Nr taryfy celnej (EU): 85369010, Waga brutto: 530.00 g, Jednostka opakowaniowa: 1.00 szt.
Dane techniczne
| Materiał płytki | stal nierdzewna |
| Nr materiału | 1.4301 |
| Materiał tulei | Stal / Miedź |
| Materiał kabla | Miedź |
| Prąd zwarciowy | ≤ 25 kA |
| Prąd testowy | 25 kA / 100 ms |
| Prąd zwarciowy (AC 50 Hz / DC) (1 s; ≤ 300 °C) | 7,9 kA |
| Gwint | M16 |
| Średnica płytki przyłączeniowej | 50 mm |
| Kabel | H07V-K |
| Przekrój kabla | 70 mm² |
| Średnica kabla | 17 mm |
| Długość | 500 mm |
| Nr rysunku DB | 3 Ebs 15.03.19 - 33 |
| Odniesienie do norm | Ril 997.0205A01 |
Nr kat. 419070 D BEB 7 / EBS 15-03-19
GTIN / EAN 4013364439542, Nr taryfy celnej (EU): 85369010, Waga brutto: 704.50 g, Jednostka opakowaniowa: 1.00 szt.
Dane techniczne
| Materiał płytki | stal nierdzewna |
| Nr materiału | 1.4301 |
| Materiał tulei | Stal / Miedź |
| Materiał kabla | Miedź |
| Prąd zwarciowy | > 25 kA |
| Prąd testowy | 40 kA / 100 ms |
| Prąd zwarciowy (AC 50 Hz / DC) (1 s; ≤ 300 °C) | 12,6 kA |
| Gwint | M16 |
| Średnica płytki przyłączeniowej | 50 mm |
| Kabel | NYY-O |
| Przekrój kabla | 95 mm² |
| Średnica kabla | 19 mm |
| Długość | 500 mm |
| Nr rysunku DB | 3 Ebs 15.03.19 - 33 |
| Odniesienie do norm | Ril 997.0205A01 |
Nr kat. 419071 D BEB 7-FLEX / EBS 15-03-19
GTIN / EAN 4013364439559, Nr taryfy celnej (EU): 85369010, Waga brutto: 622.00 g, Jednostka opakowaniowa: 1.00 szt.
Dane techniczne
| Materiał płytki | stal nierdzewna |
| Nr materiału | 1.4301 |
| Materiał tulei | Stal / Miedź |
| Materiał kabla | Miedź |
| Prąd zwarciowy | > 25 kA |
| Prąd testowy | 40 kA / 100 ms |
| Prąd zwarciowy (AC 50 Hz / DC) (1 s; ≤ 300 °C) | 12,6 kA |
| Gwint | M16 |
| Średnica płytki przyłączeniowej | 50 mm |
| Kabel | H07V-K |
| Przekrój kabla | 95 mm² |
| Średnica kabla | 19 mm |
| Długość | 500 mm |
| Nr rysunku DB | 3 Ebs 15.03.19 - 33 |
| Odniesienie do norm | Ril 997.0205A01 |
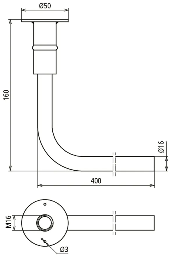
Mostki uziemiające z kabla miedzianego D BEB 9 / 10
Mostki uziemiające służą do uziemienia, prowadzenia prądu powrotnego i wyrównania potencjałów na obszarze eksploatacji linii kolejowych. Ten wariant tworzy niewidoczne połączenie w betonie. Połączenie ustanowione jest poprzez przyspawanie do zbrojenia uziemiającego końcówki przyłączeniowej ze stali miedziowanej nałożonej na kabel miedziany. Elastyczność kabla ułatwia użytkownikowi montaż w zbrojeniu. Specjalne warianty FLEX są szczególnie przydatne w sytuacjach montażowych, w których dostępna jest bardzo niewielka ilość miejsca – stosowane są tutaj wyjątkowo elastyczne, cienkożyłowe kable miedziane. Te mostki uziemiające posiadają również aprobatę techniczną firmy DB Netz AG i mogą być tym samym wykorzystywane w ich infrastrukturze zapewniając jednocześnie bezpieczeństwo projektu.
Na życzenie dostępne są długości specjalne: do 500 mm długości całkowitej w odstępach co 50 mm i od 500 mm długości całkowitej w odstępach co 100 mm.
5 Produkty
Nr kat. 419090 D BEB 9 / EBS 15-03-19
GTIN / EAN 4013364439573, Nr taryfy celnej (EU): 85369010, Waga brutto: 640.00 g, Jednostka opakowaniowa: 1.00 szt.
Dane techniczne
| Materiał końcówki przyłączeniowej | Stal / Miedź |
| Materiał kabla | Miedź |
| Prąd zwarciowy | ≤ 25 kA |
| Prąd testowy | 25 kA / 100 ms |
| Prąd zwarciowy (AC 50 Hz / DC) (1 s; ≤ 300 °C) | 7,9 kA |
| Kabel | NYY-O |
| Przekrój kabla | 70 mm² |
| Średnica kabla | 17 mm |
| Wymiary końcówki przyłączeniowej | 80 x 30 mm |
| Długość | 500 mm |
| Nr rysunku DB | 3 Ebs 15.03.19 - 33 |
| Odniesienie do norm | Ril 997.0205A01 |
Nr kat. 419091 D BEB 9-FLEX / EBS 15-03-19
GTIN / EAN 4013364439580, Nr taryfy celnej (EU): 85369010, Waga brutto: 570.00 g, Jednostka opakowaniowa: 1.00 szt.
Dane techniczne
| Materiał końcówki przyłączeniowej | Stal / Miedź |
| Materiał kabla | Miedź |
| Prąd zwarciowy | ≤ 25 kA |
| Prąd testowy | 25 kA / 100 ms |
| Prąd zwarciowy (AC 50 Hz / DC) (1 s; ≤ 300 °C) | 7,9 kA |
| Kabel | H07V-K |
| Przekrój kabla | 70 mm² |
| Średnica kabla | 17 mm |
| Wymiary końcówki przyłączeniowej | 80 x 30 mm |
| Długość | 500 mm |
| Nr rysunku DB | 3 Ebs 15.03.19 - 33 |
| Odniesienie do norm | Ril 997.0205A01 |
Nr kat. 419100 D BEB 10 / EBS 15-03-19
GTIN / EAN 4013364439597, Nr taryfy celnej (EU): 85369010, Waga brutto: 722.50 g, Jednostka opakowaniowa: 1.00 szt.
Dane techniczne
| Materiał końcówki przyłączeniowej | Stal / Miedź |
| Materiał kabla | Miedź |
| Prąd zwarciowy | > 25 kA |
| Prąd testowy | 40 kA / 100 ms |
| Prąd zwarciowy (AC 50 Hz / DC) (1 s; ≤ 300 °C) | 12,6 kA |
| Kabel | NYY-O |
| Przekrój kabla | 95 mm² |
| Średnica kabla | 19 mm |
| Wymiary końcówki przyłączeniowej | 80 x 30 mm |
| Długość | 500 mm |
| Nr rysunku DB | 3 Ebs 15.03.19 - 33 |
| Odniesienie do norm | Ril 997.0205A01 |
Nr kat. 419101 D BEB 10-FLEX / EBS 15-03-19
GTIN / EAN 4013364439603, Nr taryfy celnej (EU): 85369010, Waga brutto: 667.00 g, Jednostka opakowaniowa: 1.00 szt.
Dane techniczne
| Materiał końcówki przyłączeniowej | Stal / Miedź |
| Materiał kabla | Miedź |
| Prąd zwarciowy | > 25 kA |
| Prąd testowy | 40 kA / 100 ms |
| Prąd zwarciowy (AC 50 Hz / DC) (1 s; ≤ 300 °C) | 12,6 kA |
| Kabel | H07V-K |
| Przekrój kabla | 95 mm² |
| Średnica kabla | 19 mm |
| Wymiary końcówki przyłączeniowej | 80 x 30 mm |
| Długość | 500 mm |
| Nr rysunku DB | 3 Ebs 15.03.19 - 33 |
| Odniesienie do norm | Ril 997.0205A01 |
Nr kat. 419505 D BEB 10 - L800 / EBS 15-03-19
GTIN / EAN 4013364458437, Nr taryfy celnej (EU): 85369010, Waga brutto: 1.12 kg, Jednostka opakowaniowa: 1.00 szt.
Dane techniczne
| Materiał końcówki przyłączeniowej | Stal / Miedź |
| Materiał kabla | Miedź |
| Prąd zwarciowy | > 25 kA |
| Prąd testowy | 40 kA / 100 ms |
| Prąd zwarciowy (AC 50 Hz / DC) (1 s; ≤ 300 °C) | 12,6 kA |
| Kabel | NYY-O |
| Przekrój kabla | 95 mm² |
| Średnica kabla | 19 mm |
| Wymiary końcówki przyłączeniowej | 80 x 30 mm |
| Długość | 800 mm |
| Nr rysunku DB | 3 Ebs 15.03.19 - 33 |
| Odniesienie do norm | Ril 997.0205A01 |
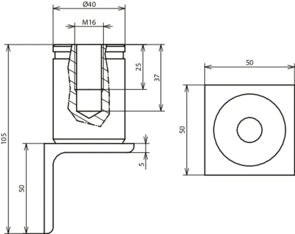
Mostek uziemiający do uziemiania rur wielkogabarytowych D BEB 11
Mostki uziemiające służą do uziemienia, prowadzenia prądu powrotnego i wyrównania potencjałów na obszarze eksploatacji linii kolejowych. Wariant do uziemienia rur wielkogabarytowych jest przeznaczony do stosowania z fundamentami palowymi i z rur wielkogabarytowych. Produkt składa się z kabla miedzianego z wciśniętą tuleją oraz płytki przyłączeniowej ze stali nierdzewnej z wbudowanymi otworami do mocowania do szalunku na jednym końcu i końcówki kablowej na drugim końcu. Końcówka kablowa służy do wykonania połączenia odpornego na prąd zwarciowy z fundamentem palowym lub z rur wielkogabarytowych. Elastyczność kabla ułatwia użytkownikowi montaż w zbrojeniu. Ten mostek uziemiający posiada również aprobatę techniczną firmy DB Netz AG i może być wykorzystywany w ich infrastrukturze zapewniając jednocześnie bezpieczeństwo projektu.
Na życzenie dostępne są długości specjalne: do 500 mm długości całkowitej w odstępach co 50 mm i od 500 mm długości całkowitej w odstępach co 100 mm.
2 Produkty
Nr kat. 419110 D BEB 11 / EBS 15-03-27
GTIN / EAN 4013364439665, Nr taryfy celnej (EU): 85369010, Waga brutto: 640.00 g, Jednostka opakowaniowa: 1.00 szt.
Dane techniczne
| Materiał płytki | stal nierdzewna |
| Nr materiału | 1.4301 |
| Materiał tulei | Stal / Miedź |
| Materiał kabla uziemiającego z końcówką kablową | Miedź /gal Sn |
| Materiał kabla | Miedź |
| Prąd zwarciowy | ≤ 25 kA |
| Prąd testowy | 25 kA / 100 ms |
| Prąd zwarciowy (AC 50 Hz / DC) (1 s; ≤ 300 °C) | 7,9 kA |
| Gwint | M16 |
| Średnica płytki przyłączeniowej | 50 mm |
| Kabel | NYY-O |
| Przekrój kabla | 70 mm² |
| Średnica kabla | 17 mm |
| Otwór kabla uziemiającego z końcówką kablową | 13 mm |
| Długość | 500 mm |
| Nr rysunku DB | 4 Ebs 15.03.27 - 2 |
| Odniesienie do norm | Ril 997.0205A01 |
Nr kat. 419506 D BEB 11 - L1000 / EBS 15-03-27
GTIN / EAN 4013364458444, Nr taryfy celnej (EU): 85369010, Waga brutto: 1.10 kg, Jednostka opakowaniowa: 1.00 szt.
Dane techniczne
| Materiał płytki | stal nierdzewna |
| Nr materiału | 1.4301 |
| Materiał tulei | Stal / Miedź |
| Materiał kabla uziemiającego z końcówką kablową | Miedź /gal Sn |
| Materiał kabla | Miedź |
| Prąd zwarciowy | ≤ 25 kA |
| Prąd testowy | 25 kA / 100 ms |
| Prąd zwarciowy (AC 50 Hz / DC) (1 s; ≤ 300 °C) | 7,9 kA |
| Gwint | M16 |
| Średnica płytki przyłączeniowej | 50 mm |
| Kabel | NYY-O |
| Przekrój kabla | 70 mm² |
| Średnica kabla | 17 mm |
| Otwór kabla uziemiającego z końcówką kablową | 13 mm |
| Długość | 1000 mm |
| Nr rysunku DB | 4 Ebs 15.03.27 - 2 |
| Odniesienie do norm | Ril 997.0205A01 |
Łącznik uziemiający z kabla ze stopu CuStAl D BEB 29
Łączniki uziemiające służą do uziemienia, prowadzenia prądu powrotnego i wyrównania potencjałów na obszarze eksploatacji linii kolejowych. Wariant bezhalogenowy D BEB 29 lub wariant bezhalogenowy o zmniejszonej palności D BEB 29-NF do zewnętrznego przyłączania punktów połączenia uziemienia i innych elementów przyłączeniowych. W tym rozwiązaniu zastosowano kabel uziemiający z końcówką kablową M16. Te łączniki uziemiające składają się z kabla miedziano-stalowo-aluminiowego, co pozwala na zapobieganie kradzieżom. Te łączniki uziemiające uziemiający również posiadają aprobatę techniczną firmy DB Netz AG i mogą być wykorzystywane w ich infrastrukturze zapewniając jednocześnie bezpieczeństwo projektu. Wykonanie bezhalogenowe o zmniejszonej palności może być stosowane w tunelach zgodnie z przepisami UE.
Na życzenie dostępne są długości specjalne: do 500 mm długości całkowitej w odstępach co 50 mm i od 500 mm długości całkowitej w odstępach co 100 mm.
6 Produkty
Nr kat. 419290 D BEB 29 / EBS 15-03-17
GTIN / EAN 4013364439627, Nr taryfy celnej (EU): 85359000, Waga brutto: 390.00 g, Jednostka opakowaniowa: 1.00 szt.
Dane techniczne
| Materiał kabla uziemiającego z końcówką kablową | Miedź /gal Sn |
| Materiał kabla | Miedź Stal aluminium |
| Prąd zwarciowy | > 25 kA |
| Prąd testowy | 40 kA / 100 ms |
| Prąd zwarciowy (AC 50 Hz / DC) (1 s; ≤ 300 °C) | 12,6 kA |
| Kabel | (N)2X RF Miedź Stal aluminium |
| Przekrój kabla | ≥ 70 mm² |
| Wykonanie | bezhalogenowa |
| Średnica kabla | 17 mm |
| Otwór kabla uziemiającego z końcówką kablową | 17 mm |
| Długość | 500 mm |
| Nr rysunku DB | 4 Ebs 15.03.17 - 6 (Bayka) |
| Odniesienie do norm | Ril 997.0205A01; DIN EN 62561-1 |
Nr kat. 419291 D BEB 29-NF / EBS 15-03-17
GTIN / EAN 4013364439634, Nr taryfy celnej (EU): 85359000, Waga brutto: 410.00 g, Jednostka opakowaniowa: 1.00 szt.
Dane techniczne
| Materiał kabla uziemiającego z końcówką kablową | Miedź /gal Sn |
| Materiał kabla | Miedź Stal aluminium |
| Prąd zwarciowy | > 25 kA |
| Prąd testowy | 40 kA / 100 ms |
| Prąd zwarciowy (AC 50 Hz / DC) (1 s; ≤ 300 °C) | 12,6 kA |
| Kabel | B2ca RF Miedź Stal aluminium |
| Przekrój kabla | ≥ 70 mm² |
| Wykonanie | bezhalogenowe o zmniejszonej palności |
| Średnica kabla | 17 mm |
| Otwór kabla uziemiającego z końcówką kablową | 17 mm |
| Długość | 500 mm |
| Nr rysunku DB | 4 Ebs 15.03.17 - 6 (Bayka) |
| Odniesienie do norm | Ril 997.0205A01; DIN EN 62561-1 |
Nr kat. 419511 D BEB 29 M12 M16 / EBS 15-03-17
GTIN / EAN 4013364480513, Nr taryfy celnej (EU): 85359000, Waga brutto: 410.00 g, Jednostka opakowaniowa: 1.00 szt.
Dane techniczne
| Materiał kabla uziemiającego z końcówką kablową | Miedź /gal Sn |
| Materiał kabla | Miedź Stal aluminium |
| Prąd zwarciowy | > 25 kA |
| Prąd testowy | 40 kA / 100 ms |
| Prąd zwarciowy (AC 50 Hz / DC) (1 s; ≤ 300 °C) | 12,6 kA |
| Kabel | (N)2X RF Miedź Stal aluminium |
| Przekrój kabla | ≥ 70 mm² |
| Wykonanie | bezhalogenowa |
| Średnica kabla | 17 mm |
| Otwór kabla uziemiającego z końcówką kablową | 13 mm dla M12 oraz 17 mm dla M16 |
| Długość | 500 mm |
| Nr rysunku DB | 4 Ebs 15.03.17 - 6 (Bayka) |
| Odniesienie do norm | Ril 997.0205A01 |
Nr kat. 419512 D BEB 29-NF M12 M16 / EBS 15-03-17
GTIN / EAN 4013364480520, Nr taryfy celnej (EU): 85359000, Waga brutto: 410.00 g, Jednostka opakowaniowa: 1.00 szt.
Dane techniczne
| Materiał kabla uziemiającego z końcówką kablową | Miedź /gal Sn |
| Materiał kabla | Miedź Stal aluminium |
| Prąd zwarciowy | > 25 kA |
| Prąd testowy | 40 kA / 100 ms |
| Prąd zwarciowy (AC 50 Hz / DC) (1 s; ≤ 300 °C) | 12,6 kA |
| Kabel | B2ca RF Miedź Stal aluminium |
| Przekrój kabla | ≥ 70 mm² |
| Wykonanie | bezhalogenowe o zmniejszonej palności |
| Średnica kabla | 17 mm |
| Otwór kabla uziemiającego z końcówką kablową | 13 mm dla M12 oraz 17 mm dla M16 |
| Długość | 500 mm |
| Nr rysunku DB | 4 Ebs 15.03.17 - 6 (Bayka) |
| Odniesienie do norm | Ril 997.0205A01 |
Nr kat. 419513 D BEB 29 R / EBS 15-03-17
GTIN / EAN 4013364480506, Nr taryfy celnej (EU): 85359000, Waga brutto: 410.00 g, Jednostka opakowaniowa: 1.00 szt.
Dane techniczne
| Materiał kabla uziemiającego z końcówką kablową | Miedź /gal Sn |
| Materiał kabla | Miedź Stal aluminium |
| Prąd zwarciowy | > 25 kA |
| Prąd testowy | 40 kA / 100 ms |
| Prąd zwarciowy (AC 50 Hz / DC) (1 s; ≤ 300 °C) | 12,6 kA |
| Kabel | (N)2X RF Miedź Stal aluminium |
| Przekrój kabla | ≥ 70 mm² |
| Wykonanie | bezhalogenowa |
| Średnica kabla | 17 mm |
| Otwór kabla uziemiającego z końcówką kablową | 17 mm |
| Wykonanie z końcówką kablową | obrócona o 90° w prawo |
| Długość | 500 mm |
| Nr rysunku DB | 4 Ebs 15.03.17 - 6 (Bayka) |
| Odniesienie do norm | Ril 997.0205A01; DIN EN 62561-1 |
Nr kat. 419514 D BEB 29 L / EBS 15-03-17
GTIN / EAN 4013364480537, Nr taryfy celnej (EU): 85359000, Waga brutto: 410.00 g, Jednostka opakowaniowa: 1.00 szt.
Dane techniczne
| Materiał kabla uziemiającego z końcówką kablową | Miedź /gal Sn |
| Materiał kabla | Miedź Stal aluminium |
| Prąd zwarciowy | > 25 kA |
| Prąd testowy | 40 kA / 100 ms |
| Prąd zwarciowy (AC 50 Hz / DC) (1 s; ≤ 300 °C) | 12,6 kA |
| Kabel | (N)2X RF Miedź Stal aluminium |
| Przekrój kabla | ≥ 70 mm² |
| Wykonanie | bezhalogenowa |
| Średnica kabla | 17 mm |
| Otwór kabla uziemiającego z końcówką kablową | 17 mm |
| Wykonanie z końcówką kablową | obrócona o 90° w lewo |
| Długość | 500 mm |
| Nr rysunku DB | 4 Ebs 15.03.17 - 6 (Bayka) |
| Odniesienie do norm | Ril 997.0205A01; DIN EN 62561-1 |
Podkładka samoprzylepna
Podkładka samoprzylepna służy do mocowania produktów uziemienia infrastruktury kolejowej do szalunku za pomocą połączenia klejowego. Podkładkę samoprzylepną można przykleić do płytki przyłączeniowej ze stali nierdzewnej D BEB 0, aby następnie można ją było połączyć bezpośrednio z szalunkiem.
1 Produkt
Nr kat. 419900 D KLP D50 BEB
GTIN / EAN 4013364439641, Nr taryfy celnej (EU): 39191080, Waga brutto: 2.00 g, Jednostka opakowaniowa: 1.00 szt.
Dane techniczne
| Średnica | 50 mm |
Naklejka do oznaczania produktów uziemiających
Naklejka do oznaczania produktów uziemiających jest przeznaczona jako część zamienna do oznaczania zainstalowanych produktów uziemienia infrastruktury kolejowej. Można ją łatwo przykleić do płytki przyłączeniowej ze stali nierdzewnej. Takie oznaczenie można wykonać dla mostków uziemiających D BEB 1 do 8, a także dla wariantu D BEB 11 do uziemienia rur wielkogabarytowych, jeśli naklejona fabrycznie naklejka nie jest już dostępna lub jest uszkodzona.
1 Produkt
Nr kat. 419901 D EAK D50 BEB
GTIN / EAN 4013364439658, Nr taryfy celnej (EU): 39191080, Waga brutto: 3.00 g, Jednostka opakowaniowa: 1.00 szt.
Dane techniczne
| Średnica | 50 mm |
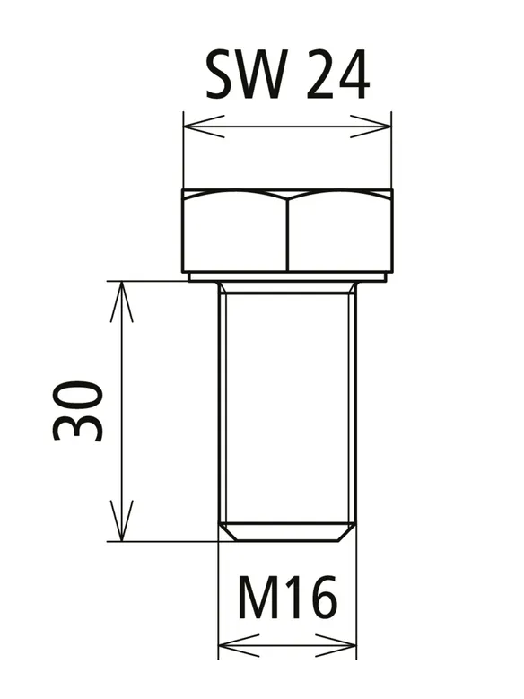
Nr kat. 419902 D SKS M16X30 V4A
GTIN / EAN 4013364439689, Nr taryfy celnej (EU): 85389099, Waga brutto: 76.89 g, Jednostka opakowaniowa: 1.00 szt.
Dane techniczne
| Materiał | stal nierdz. (V4A) |
| Gwint | M16 x 30 mm |
Nr kat. 419903 D SKM M16 V4A
GTIN / EAN 4013364439696, Nr taryfy celnej (EU): 73181639, Waga brutto: 28.98 g, Jednostka opakowaniowa: 1.00 szt.
Dane techniczne
| Materiał | stal nierdz. (V4A) |
| Gwint | M16 |
Nr kat. 419904 D SCH A17 V4A
GTIN / EAN 4013364574649, Nr taryfy celnej (EU): 73182200, Waga brutto: 9.50 g, Jednostka opakowaniowa: 1.00 szt.
Dane techniczne
| Materiał | stal nierdz. (V4A) |
| Średnica zewnętrzna | 30 mm |
| Średnica wewnętrzna | 17 mm |