Your dashboard services.
Register to access all tools.

DEHNvenCI

  • kombinowany ogranicznik przepięć typu 1 na bazie iskierników z wbudowanym bezpiecznikiem
  • koordynacja energetyczna z innymi ogranicznikami z serii Red/Line
  • niski poziom napięciowy ochrony UP ≤ 1,5 kV (z uwzględnieniem bezpiecznika)
  • najwyższa niezawodność instalacji dzięki technologii ograniczania prądów następczych RADAX Flow
  • gaszenie prądów następczych do 100 kArms
  • wysoka zdolność odprowadzania prądów udarowych do 25 kA (10/350 µs)
  • zapewnia ochronę urządzeń końcowych
  • optyczna sygnalizacja stanu w oknie kontrolnym (wskaźnik zielony / czerwony)

DEHNvenCI 255 (FM)

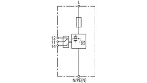
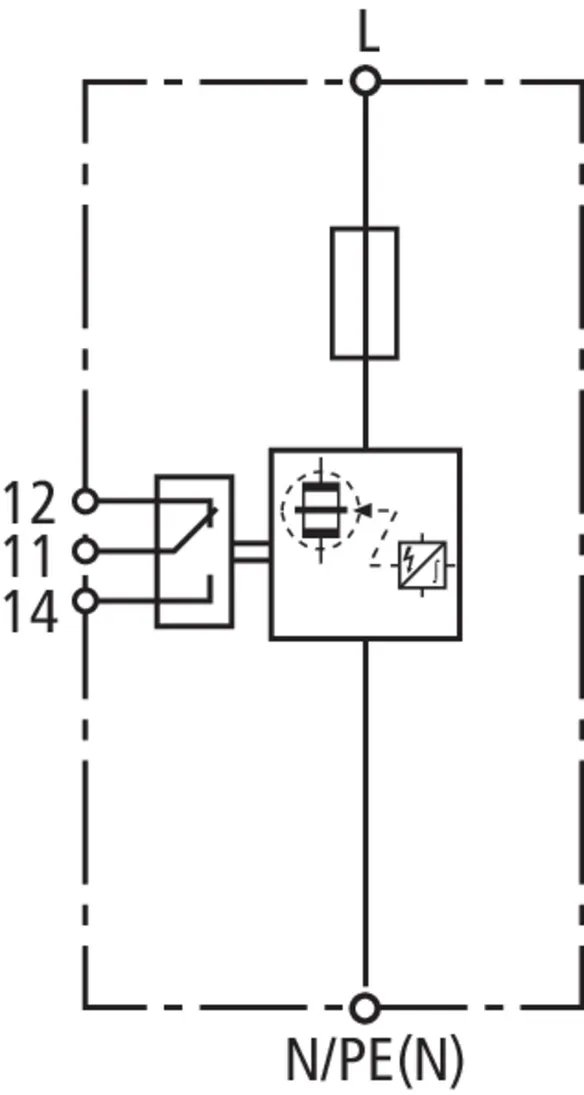
Jednobiegunowy kombinowany ogranicznik przepięć z wbudowanym bezpiecznikiem do sieci o napięciu znamionowym 230/400 V; wersja FM ze zdalną sygnalizacją stanu (bezpotencjałowy zestyk przełączny).

2 Produkty

Nr kat. 961200 DVCI 1 255

GTIN / EAN 4013364145108, Nr taryfy celnej (EU): 85363090, Waga brutto: 477.30 g, Jednostka opakowaniowa: 1.00 szt.


Rysunki

Informacje dodatkowe

Kombinowany ogranicznik przepięć DEHNvenCI 255
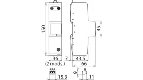
1-biegunowy ogranicznik kombinowany z wbudowanym
bezpiecznikiem, szerokość 2 moduły
Ogranicznik przepięć typu 1 + typu 2 zgodnie z EN 61643-11
Technika iskiernikowa RADAX-Flow
do ograniczenia prądów następczych
Umożliwia ochronę urządzenia końcowego
Wskaźnik uszkodzenia ograniczników przepięć i wbudowany bezpiecznik
Największe napięcie trwałej pracy: 255 V AC
Napięciowy poziom ochrony: <= 1,5 kV
Prąd udarowy pioruna (10/350): 25 kA
Zdolność gaszenia prądu następczego: do 100 kArms.
Koordynacja energetyczna według DIN EN 62305-4
Ogranicznik przepięć z rodziny Red/Line, a także bezpośrednio do urządzenia końcowego

Producent: DEHN
Typ: DVCI 1 255
Nr kat.: 961200
lub podobny.

Certyfikaty

 

Circuit Interruption (przerwanie obwodu)

Ograniczniki przepięć oznaczone tym symbolem posiadają wbudowany bezpiecznik. Oznacza to oszczędność miejsca, niższe koszty montażu, skrócenie czasu montażu, krótsze kable połączeniowe. Wbudowany bezpiecznik występuje w produktach z rodziny DEHNvenCI, DEHNbloc Maxi S, DEHNguard … CI oraz V(A) NH.

Funkcja falochronu

Ogranicznik przepięć typu 1 – podobnie jak falochron – ucina energię udaru do znacznie niższego poziomu. Chroni to instalację elektryczną i ograniczniki typu 2 i 3 zainstalowane za ogranicznikiem typu 1, wydłużając okres ich eksploatacji. Wszystkie ograniczniki typu 1 z serii produktów Red/Line posiadają funkcję falochronu (WBF).

Dane techniczne

Ogranicznik przepięć zgodnie z PN-EN 61643-11 typ 1 + typ 2 / klasa I + klasa II
Największe napięcie trwałej pracy AC (UC ) 255 V (50 / 60 Hz)
Prąd udarowy (10/350 µs) (Iimp ) 25 kA
Napięciowy poziom ochrony (UP ) ≤ 1,5 kV
Maksymalny bezpiecznik dodatkowy dodatkowe dobezpieczenie
Certyfikaty KEMA
Rozszerzone dane techniczne: do stosowania w rozdzielnicach o spodziewanym prądzie zwarciowym > 50 kArms (zbadane przez niemieckie stowarzyszenie VDE)
– Maksymalny przewidywany prąd zwarciowy 100 kArms (220 kApeak)

Produkt 961200 został dodany do notatnika.

Do koszyka dodano produkt 961200.

Nr kat. 961205 DVCI 1 255 FM

GTIN / EAN 4013364145115, Nr taryfy celnej (EU): 85363090, Waga brutto: 480.80 g, Jednostka opakowaniowa: 1.00 szt.


Rysunki

Informacje dodatkowe

Kombinowany ogranicznik przepięć DEHNvenCI 255 FM
1-biegunowy ogranicznik kombinowany z wbudowanym
Bezpiecznik dodatkowy, szerokość 2 moduły
z zestykiem zdalnej sygnalizacji
Ogranicznik przepięć typu 1 + typu 2 zgodnie z EN 61643-11
Technika iskiernikowa RADAX-Flow
do ograniczenia prądów następczych
Umożliwia ochronę urządzenia końcowego
Wskaźnik uszkodzenia i zdalna sygnalizacja stanu ogranicznika przepięć oraz wbudowany bezpiecznik
Największe napięcie trwałej pracy: 255 V AC
Napięciowy poziom ochrony: <= 1,5 kV
Prąd udarowy pioruna (10/350): 25 kA
Zdolność gaszenia prądu następczego: do 100 kArms.
Koordynacja energetyczna według
DIN EN 62305-4
Ogranicznik przepięć z rodziny Red/Line, a także bezpośrednio do urządzenia końcowego

Producent: DEHN
Typ: DVCI 1 255 FM
Nr kat.: 961205
lub podobny.

Certyfikaty

 

Circuit Interruption (przerwanie obwodu)

Ograniczniki przepięć oznaczone tym symbolem posiadają wbudowany bezpiecznik. Oznacza to oszczędność miejsca, niższe koszty montażu, skrócenie czasu montażu, krótsze kable połączeniowe. Wbudowany bezpiecznik występuje w produktach z rodziny DEHNvenCI, DEHNbloc Maxi S, DEHNguard … CI oraz V(A) NH.

Funkcja falochronu

Ogranicznik przepięć typu 1 – podobnie jak falochron – ucina energię udaru do znacznie niższego poziomu. Chroni to instalację elektryczną i ograniczniki typu 2 i 3 zainstalowane za ogranicznikiem typu 1, wydłużając okres ich eksploatacji. Wszystkie ograniczniki typu 1 z serii produktów Red/Line posiadają funkcję falochronu (WBF).

Dane techniczne

Ogranicznik przepięć zgodnie z PN-EN 61643-11 typ 1 + typ 2 / klasa I + klasa II
Największe napięcie trwałej pracy AC (UC ) 255 V (50 / 60 Hz)
Prąd udarowy (10/350 µs) (Iimp ) 25 kA
Napięciowy poziom ochrony (UP ) ≤ 1,5 kV
Maksymalny bezpiecznik dodatkowy dodatkowe dobezpieczenie
Certyfikaty KEMA
Rodzaj zestyku zdalnej sygnalizacji (FM) bezpotencjałowy zestyk przełączny
Rozszerzone dane techniczne: do stosowania w rozdzielnicach o spodziewanym prądzie zwarciowym > 50 kArms (zbadane przez niemieckie stowarzyszenie VDE)
– Maksymalny przewidywany prąd zwarciowy 100 kArms (220 kApeak)

Produkt 961205 został dodany do notatnika.

Do koszyka dodano produkt 961205.


Powrót na górę