Your dashboard services.
Register to access all tools.

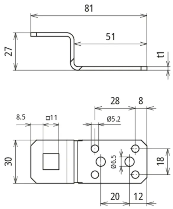
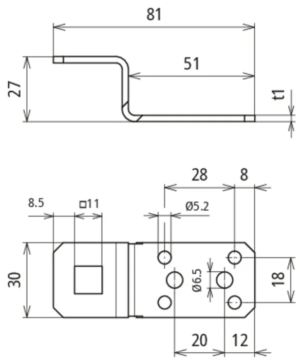
Końcówki przyłączeniowe

Do podłączania do pokryć metalowych za pomocą nitów lub śrub.

Z otworem kwadratowym

Wymiary 11 x 11 mm (np. do łączników KS M10), połączenie wzdłużne lub poprzeczne.

3 Produkty

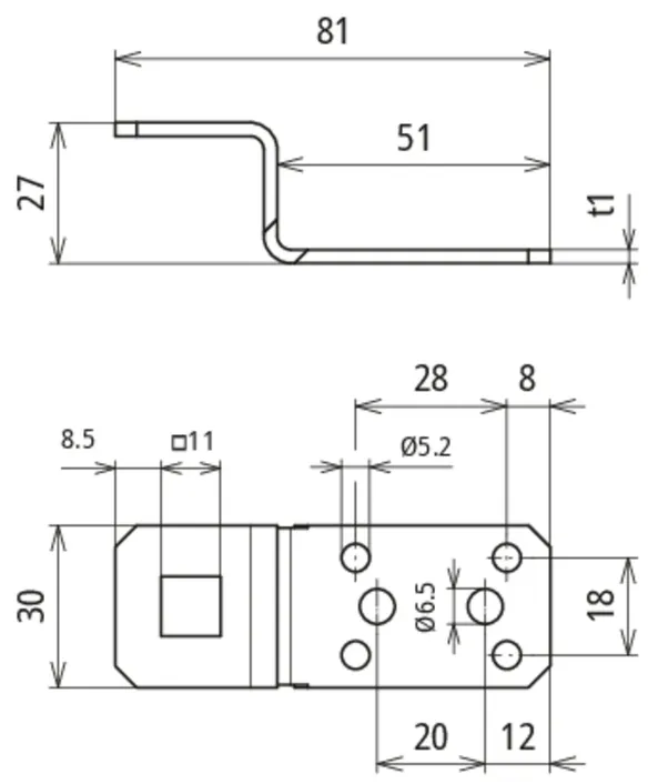
Nr kat. 377005 AL ZF B11.11 B5.2 6.5 L81 AL

GTIN / EAN 4013364024908, Nr taryfy celnej (EU): 85359000, Waga brutto: 23.90 g, Jednostka opakowaniowa: 50.00 szt.


Rysunki

Informacje dodatkowe

Końcówka przyłączeniowa z otworem kwadratowym, aluminium
Końcówki przyłączeniowe
do podłączania do pokryć metalowych
za pomocą nitów lub
śrub, otwór 11 x 11 mm (np. do łącznika KS),
Połączenie wzdłużne lub poprzeczne
Materiał końcówki przyłączeniowej: Al
Mocowanie: [4x] Ø5,2 / [2x] Ø6,5 mm
Spełnia wymagania normy: DIN EN 62561-1

Producent: DEHN
Typ: AL ZF B11.11 B5.2 6.5 L81 AL
Nr kat.: 377005
lub podobny.

Certyfikaty

 

Dane techniczne

Materiał końcówki przyłączeniowej Al
Mocowanie [4x] Ø5,2 / [2x] Ø6,5 mm
Spełnia wymagania normy DIN EN 62561-1
*) Dokładne przyporządkowanie znajduje się w certyfikacie testu.

Produkt 377005 został dodany do notatnika.

Do koszyka dodano produkt 377005.

Nr kat. 377017 AL ZF B11.11 B5.2 6.5 L81 CU

GTIN / EAN 4013364024915, Nr taryfy celnej (EU): 85359000, Waga brutto: 51.20 g, Jednostka opakowaniowa: 50.00 szt.


Rysunki

Informacje dodatkowe

Końcówka przyłączeniowa z otworem kwadratowym, miedź
Końcówki przyłączeniowe
do podłączania do pokryć metalowych
za pomocą nitów lub
śrub, otwór 11 x 11 mm (np. do łącznika KS),
Połączenie wzdłużne lub poprzeczne
Materiał końcówki przyłączeniowej: Cu
Mocowanie: [4x] Ø5,2 / [2x] Ø6,5 mm
Spełnia wymagania normy: DIN EN 62561-1

Producent: DEHN
Typ: AL ZF B11.11 B5.2 6.5 L81 CU
Nr kat.: 377017
lub podobny.

Certyfikaty

 

Dane techniczne

Materiał końcówki przyłączeniowej Cu
Mocowanie [4x] Ø5,2 / [2x] Ø6,5 mm
Spełnia wymagania normy DIN EN 62561-1
*) Dokładne przyporządkowanie znajduje się w certyfikacie testu.

Produkt 377017 został dodany do notatnika.

Do koszyka dodano produkt 377017.

Nr kat. 377009 AL ZF B11.11 B5.2 6.5 L81 V2A

GTIN / EAN 4013364119284, Nr taryfy celnej (EU): 85359000, Waga brutto: 54.10 g, Jednostka opakowaniowa: 50.00 szt.


Rysunki

Informacje dodatkowe

Końcówka przyłączeniowa z otworem kwadratowym, ze stali nierdzewnej
Końcówki przyłączeniowe
do podłączania do pokryć metalowych
za pomocą nitów lub
śrub, otwór 11 x 11 mm (np. do łącznika KS),
Połączenie wzdłużne lub poprzeczne
Materiał końcówki przyłączeniowej: stal nierdzewna
Mocowanie: [4x] Ø5,2 / [2x] Ø6,5 mm
Spełnia wymagania normy: DIN EN 62561-1

Producent: DEHN
Typ: AL ZF B11.11 B5.2 6.5 L81 V2A
Nr kat.: 377009
lub podobny.

Certyfikaty

 

Dane techniczne

Materiał końcówki przyłączeniowej stal nierdzewna
Mocowanie [4x] Ø5,2 / [2x] Ø6,5 mm
Spełnia wymagania normy DIN EN 62561-1
*) Dokładne przyporządkowanie znajduje się w certyfikacie testu.

Produkt 377009 został dodany do notatnika.

Do koszyka dodano produkt 377009.


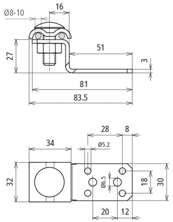
Z ramą zaciskową

Połączenie wzdłużne lub poprzeczne.

1 Produkt

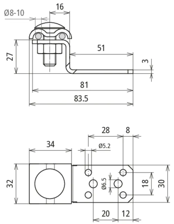
Nr kat. 377100 AL ZF KB 6.10STTZN B5.2 6.5 L81 AL

GTIN / EAN 4013364078604, Nr taryfy celnej (EU): 85359000, Waga brutto: 76.00 g, Jednostka opakowaniowa: 50.00 szt.


Rysunki

Informacje dodatkowe

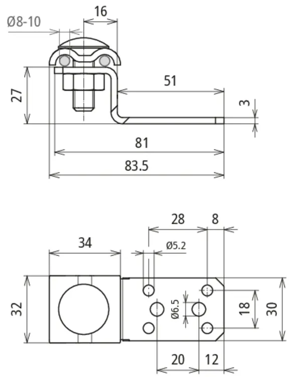
Końcówka przyłączeniowa z ramą zaciskową
Końcówki przyłączeniowe do podłączania do pokryć metalowych za pomocą nitów jednostronnych
lub śrub
z ramą zaciskową do drutów okrągłych 6-10 mm
Materiał końcówki przyłączeniowej: Al
Mocowanie: [4x] Ø5,2 / [2x] Ø6,5 mm
Materiał ramy zaciskowej: St/tZn
Śruba: M10 x 30 mm
Zakres zacisku (drut): 6-10 mm
Spełnia wymagania normy: DIN EN 62561-1

Producent: DEHN
Typ: AL ZF KB 6.10STTZN B5.2 6.5 L81 AL
Nr kat.: 377100
lub podobny.

Certyfikaty

 

Dane techniczne

Materiał końcówki przyłączeniowej Al
Mocowanie [4x] Ø5,2 / [2x] Ø6,5 mm
Materiał ramy zaciskowej St/tZn
Zakres zacisku (drut) 6-10 mm
Spełnia wymagania normy DIN EN 62561-1
*) Dokładne przyporządkowanie znajduje się w certyfikacie testu.

Produkt 377100 został dodany do notatnika.

Do koszyka dodano produkt 377100.


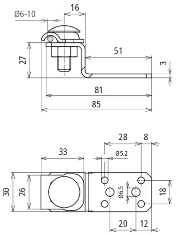
Z podwójną płytką dociskową

Połączenie wzdłużne lub poprzeczne.

3 Produkty

Nr kat. 377200 AL ZF DUL 6.10 B5.2 6.5 L81 AL

GTIN / EAN 4013364136465, Nr taryfy celnej (EU): 85359000, Waga brutto: 72.40 g, Jednostka opakowaniowa: 50.00 szt.


Rysunki

Informacje dodatkowe

Końcówka przyłączeniowa z podwójną płytką dociskową, aluminium
Końcówki przyłączeniowe do podłączania do pokryć metalowych za pomocą nitów jednostronnych
lub śrub
z podwójną płytką dociskową do drutów okrągłych 8-10 mm
Materiał końcówki przyłączeniowej: Al
Mocowanie: [4x] Ø5,2 / [2x] Ø6,5 mm
Materiał podwójnej płytki dociskowej: Al
Śruba: M10 x 30 mm
Zakres zacisku (drut): 8-10 mm
Spełnia wymagania normy: DIN EN 62561-1

Producent: DEHN
Typ: AL ZF DUL 6.10 B5.2 6.5 L81 AL
Nr kat.: 377200
lub podobny.

Certyfikaty

 

Dane techniczne

Materiał końcówki przyłączeniowej Al
Mocowanie [4x] Ø5,2 / [2x] Ø6,5 mm
Materiał podwójnej płytki dociskowej Al
Zakres zacisku (drut) 8-10 mm
Spełnia wymagania normy DIN EN 62561-1
*) Dokładne przyporządkowanie znajduje się w certyfikacie testu.

Produkt 377200 został dodany do notatnika.

Do koszyka dodano produkt 377200.

Nr kat. 377201 AL ZF DUL 6.10 B5.2 6.5 L81 STTZN

GTIN / EAN 4013364525122, Nr taryfy celnej (EU): 85359000, Waga brutto: 117.50 g, Jednostka opakowaniowa: 50.00 szt.


Rysunki

Informacje dodatkowe

Końcówka przyłączeniowa z podwójną płytką dociskową, stal HDG
Końcówki przyłączeniowe do podłączania do
pokryć metalowych za pomocą nitów jednostronnych
lub śrub
z podwójną płytką dociskową do drutów okrągłych 8-10 mm
Materiał końcówki przyłączeniowej: Stal HDG
Mocowanie: [4x] Ø5,2 / [2x] Ø6,5 mm
Materiał podwójnej płytki dociskowej: Stal HDG
Śruba: M10 x 30 mm
Zakres zacisku (drut): 8-10 mm
Spełnia wymagania normy: DIN EN 62561-1

Producent: DEHN
Typ: AL ZF DUL 6.10 B5.2 6.5 L81 STTZN
Nr kat.: 377201
lub podobny.

Certyfikaty

 

Dane techniczne

Materiał końcówki przyłączeniowej Stal HDG
Mocowanie [4x] Ø5,2 / [2x] Ø6,5 mm
Materiał podwójnej płytki dociskowej Stal HDG
Zakres zacisku (drut) 8-10 mm
Spełnia wymagania normy DIN EN 62561-1
*) Dokładne przyporządkowanie znajduje się w certyfikacie testu.

Produkt 377201 został dodany do notatnika.

Do koszyka dodano produkt 377201.

Nr kat. 377209 AL ZF DUL 6.10 B5.2 6.5 L81 V2A

GTIN / EAN 4013364525139, Nr taryfy celnej (EU): 85359000, Waga brutto: 111.65 g, Jednostka opakowaniowa: 50.00 szt.


Rysunki

Informacje dodatkowe

Końcówka przyłączeniowa z podwójną płytką dociskową, stal nierdzewna
Końcówki przyłączeniowe do podłączania do
pokryć metalowych za pomocą nitów jednostronnych
lub śrub
z podwójną płytką dociskową do drutów okrągłych 8-10 mm
Materiał końcówki przyłączeniowej: stal nierdzewna
Mocowanie: [4x] Ø5,2 / [2x] Ø6,5 mm
Materiał podwójnej płytki dociskowej: stal nierdzewna
Śruba: M10 x 30 mm
Zakres zacisku (drut): 8-10 mm
Spełnia wymagania normy: DIN EN 62561-1

Producent: DEHN
Typ: AL ZF DUL 6.10 B5.2 6.5 L81 V2A
Nr kat.: 377209
lub podobny.

Certyfikaty

 

Dane techniczne

Materiał końcówki przyłączeniowej stal nierdzewna
Mocowanie [4x] Ø5,2 / [2x] Ø6,5 mm
Materiał podwójnej płytki dociskowej stal nierdzewna
Zakres zacisku (drut) 8-10 mm
Spełnia wymagania normy DIN EN 62561-1
*) Dokładne przyporządkowanie znajduje się w certyfikacie testu.

Produkt 377209 został dodany do notatnika.

Do koszyka dodano produkt 377209.


Powrót na górę