Your dashboard services.
Register to access all tools.

DEHNshield

  • zoptymalizowany pod kątem zastosowania i gotowy do podłączenia kombinowany ogranicznik przepięć typu 1 i typu 2 na bazie iskiernika
  • kompaktowa, umożliwiająca oszczędność miejsca konstrukcja o szerokości jednego standardowego modułu na biegun w wyniku zastosowania bezwydmuchowej technologii iskiernikowej
  • spełnia minimalne wymagania dotyczące prądu udarowego zgodnie z normą PN-HD 60364-5-534:2016
  • umożliwia odgromowe wyrównanie potencjałów, w tym ochronę urządzeń końcowych.
  • zdolność odprowadzania prądów udarowych do 50 kA (10/350 µs)
  • wskaźnik działania / uszkodzenia w postaci zielonego / czerwonego znacznika w okienku kontrolnym
  • wysoka zdolność gaszenia prądów następczych (Ifi = 25 kArms)

Szczegóły

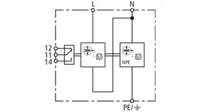
Przelotowe połączenie w "układzie V", przy pomocy zacisku STAK 25 zbadanego prądem piorunowym.
lorem ipsum

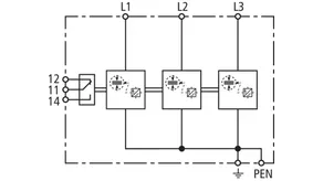
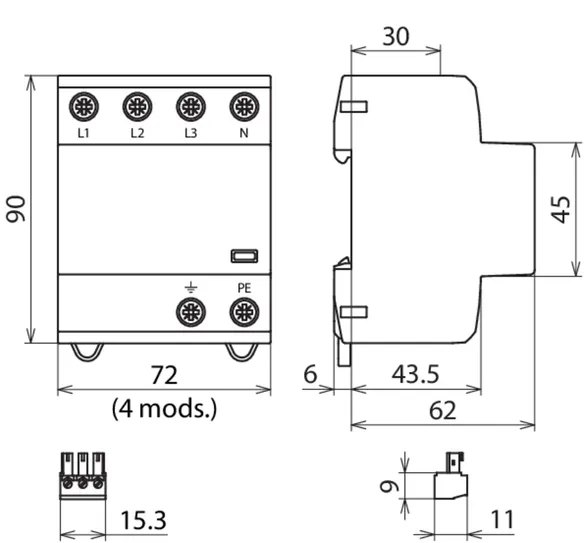
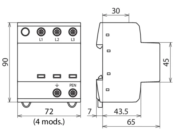
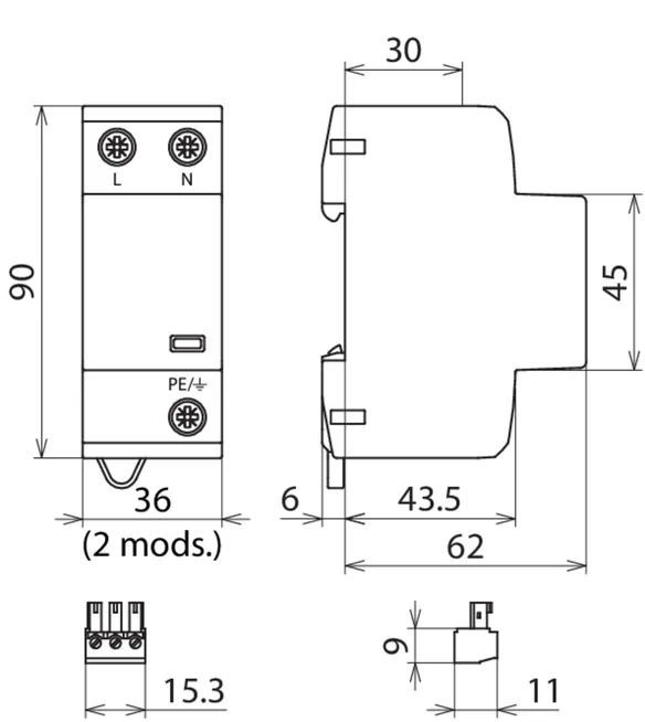
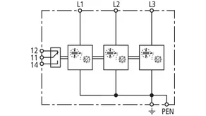
DEHNshield TNC

Zoptymalizowany pod kątem zastosowania i gotowy do podłączenia kombinowany ogranicznik przepięć do sieci TNC o napięciu znamionowym 230 / 400 V (układ połączeń "3+0").

1 Produkt

Nr kat. 941300 DSH TNC 255

GTIN / EAN 4013364133556, Nr taryfy celnej (EU): 85363090, Waga brutto: 415.80 g, Jednostka opakowaniowa: 1.00 szt.


Rysunki

Informacje dodatkowe

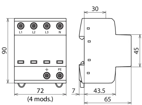
Kombinowany ogranicznik przepięć DEHNshield TNC 255
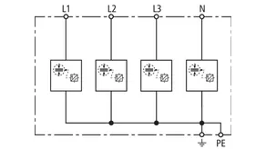
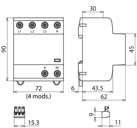
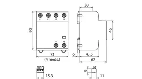
3-biegunowy kombinowany ogranicznik przepięć do sieci TN-C o napięciu znamionowym 230/400 V
Ogranicznik przepięć typu 1 + typu 2 zgodnie z EN 61643-11, szerokość 4 moduły
Zoptymalizowany pod kątem zastosowania w kompaktowych instalacjach elektrycznych
technologia iskiernikowa z ograniczeniem prądów następczych
Wskaźnik uszkodzenia
Największe napięcie trwałej pracy: 255 V AC
Napięciowy poziom ochrony: <= 1,5 kV
Prąd udarowy pioruna (10/350): 37,5 kA
Koordynacja energetyczna według DIN EN 62305-4
Ogranicznik przepięć z rodziny Red/Line, a także bezpośrednio do urządzenia końcowego

Producent: DEHN
Typ: DSH TNC 255
Nr kat.: 941300
lub podobny.

Certyfikaty

 

Funkcja falochronu

Ogranicznik przepięć typu 1 – podobnie jak falochron – ucina energię udaru do znacznie niższego poziomu. Chroni to instalację elektryczną i ograniczniki typu 2 i 3 zainstalowane za ogranicznikiem typu 1, wydłużając okres ich eksploatacji. Wszystkie ograniczniki typu 1 z serii produktów Red/Line posiadają funkcję falochronu (WBF).

Dane techniczne

Ogranicznik przepięć zgodnie z PN-EN 61643-11 typ 1 + typ 2 / klasa I + klasa II
Największe napięcie trwałej pracy AC (UC ) 255 V (50 / 60 Hz)
Prąd udarowy (10/350 µs) [L1+L2+L3-PEN] (Itotal ) 37,5 kA
Prąd udarowy (10/350 µs) [L-PEN] (Iimp ) 12,5 kA
Napięciowy poziom ochrony (UP ) ≤ 1,5 kV
Maksymalny bezpiecznik dodatkowy 160 A gG
Certyfikaty KEMA, VDE, UL

Produkt 941300 został dodany do notatnika.

Do koszyka dodano produkt 941300.


DEHNshield TNC FM

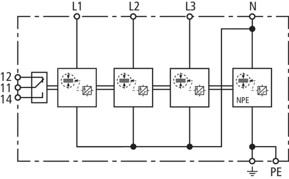
Zoptymalizowany pod kątem zastosowania i gotowy do podłączenia kombinowany ogranicznik przepięć do sieci TNC o napięciu znamionowym 230 / 400 V (układ połączeń "3+0"); ze zdalną sygnalizacją stanu (bezpotencjałowy zestyk przełączny).

1 Produkt

Nr kat. 941305 DSH TNC 255 FM

GTIN / EAN 4013364275317, Nr taryfy celnej (EU): 85363090, Waga brutto: 420.60 g, Jednostka opakowaniowa: 1.00 szt.


Rysunki

Informacje dodatkowe

Kombinowany ogranicznik przepięć DEHNshield TNC 255 FM
3-biegunowy kombinowany ogranicznik przepięć do sieci TN-C o napięciu znamionowym 230/400 V
z zestykiem zdalnej sygnalizacji, szerokość 4 moduły
Ogranicznik przepięć typu 1 + typu 2 zgodnie z EN 61643-11
Zoptymalizowany pod kątem zastosowania w kompaktowych instalacjach elektrycznych
technologia iskiernikowa z ograniczeniem prądów następczych
Wskaźnik uszkodzenia
Największe napięcie trwałej pracy: 255 V AC
Napięciowy poziom ochrony: <= 1,5 kV
Prąd udarowy pioruna (10/350): 37,5 kA
Koordynacja energetyczna według DIN EN 62305-4
Ogranicznik przepięć z rodziny Red/Line, a także bezpośrednio do urządzenia końcowego

Producent: DEHN
Typ: DSH TNC 255 FM
Nr kat.: 941305
lub podobny.

Certyfikaty

 

Funkcja falochronu

Ogranicznik przepięć typu 1 – podobnie jak falochron – ucina energię udaru do znacznie niższego poziomu. Chroni to instalację elektryczną i ograniczniki typu 2 i 3 zainstalowane za ogranicznikiem typu 1, wydłużając okres ich eksploatacji. Wszystkie ograniczniki typu 1 z serii produktów Red/Line posiadają funkcję falochronu (WBF).

Dane techniczne

Ogranicznik przepięć zgodnie z PN-EN 61643-11 typ 1 + typ 2 / klasa I + klasa II
Największe napięcie trwałej pracy AC (UC ) 255 V (50 / 60 Hz)
Prąd udarowy (10/350 µs) [L1+L2+L3-PEN] (Itotal ) 37,5 kA
Prąd udarowy (10/350 µs) [L-PEN] (Iimp ) 12,5 kA
Napięciowy poziom ochrony (UP ) ≤ 1,5 kV
Maksymalny bezpiecznik dodatkowy 160 A gG
Certyfikaty KEMA, VDE
Rodzaj zestyku zdalnej sygnalizacji (FM) bezpotencjałowy zestyk przełączny

Produkt 941305 został dodany do notatnika.

Do koszyka dodano produkt 941305.


DEHNshield TNC Basic FM

Gotowy do podłączenia, zoptymalizowany pod kątem zastosowania kombinowany ogranicznik przepięć do sieci TN-C do stosowania w rozdzielnicy głównej (układ połączeń „3+0") budynków mieszkalnych bez zewnętrznego urządzenia piorunochronnego (także z zasilaniem napowietrznym); z bezpotencjałowym zestykiem przełącznym.

1 Produkt

Nr kat. 941306 DSH B TNC 255 FM

GTIN / EAN 4013364328068, Nr taryfy celnej (EU): 85363090, Waga brutto: 422.00 g, Jednostka opakowaniowa: 1.00 szt.


Rysunki

Informacje dodatkowe

Kombinowany ogranicznik przepięć DEHNshield B TNC 255 FM
3-biegunowy kombinowany ogranicznik przepięć do sieci TN-C o napięciu znamionowym 230/400 V
z zestykiem zdalnej sygnalizacji, szerokość 4 moduły
Ogranicznik przepięć typu 1 + typu 2 zgodnie z EN 61643-11
Spełnia wszystkie wymagania norm DIN VDE 0100-534 oraz DIN VDE 0100-443
technologia iskiernikowa z ograniczeniem prądów następczych
Wskaźnik uszkodzenia
Największe napięcie trwałej pracy: 255 V AC
Napięciowy poziom ochrony: <= 1,5 kV
Prąd udarowy pioruna (10/350): 22,5 kA
Koordynacja energetyczna według DIN EN 62305-4
Ogranicznik przepięć z rodziny Red/Line, a także bezpośrednio do urządzenia końcowego

Producent: DEHN
Typ: DSH B TNC 255 FM
Nr kat.: 941306
lub podobny.

Certyfikaty

 

Funkcja falochronu

Ogranicznik przepięć typu 1 – podobnie jak falochron – ucina energię udaru do znacznie niższego poziomu. Chroni to instalację elektryczną i ograniczniki typu 2 i 3 zainstalowane za ogranicznikiem typu 1, wydłużając okres ich eksploatacji. Wszystkie ograniczniki typu 1 z serii produktów Red/Line posiadają funkcję falochronu (WBF).

Dane techniczne

Ogranicznik przepięć zgodnie z PN-EN 61643-11 typ 1 + typ 2 / klasa I + klasa II
Największe napięcie trwałej pracy AC (UC ) 255 V (50 / 60 Hz)
Prąd udarowy (10/350 µs) [L1+L2+L3-PEN] (Itotal ) 22,5 kA
Prąd udarowy (10/350 µs) [L-PEN] (Iimp ) 7,5 kA
Napięciowy poziom ochrony (UP ) ≤ 1,5 kV
Maksymalny bezpiecznik dodatkowy 160 A gG
Certyfikaty VDE
Rodzaj zestyku zdalnej sygnalizacji (FM) bezpotencjałowy zestyk przełączny

Produkt 941306 został dodany do notatnika.

Do koszyka dodano produkt 941306.


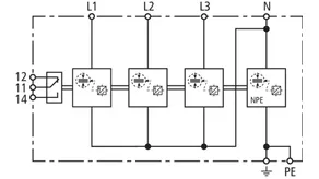
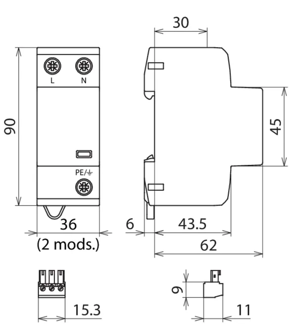
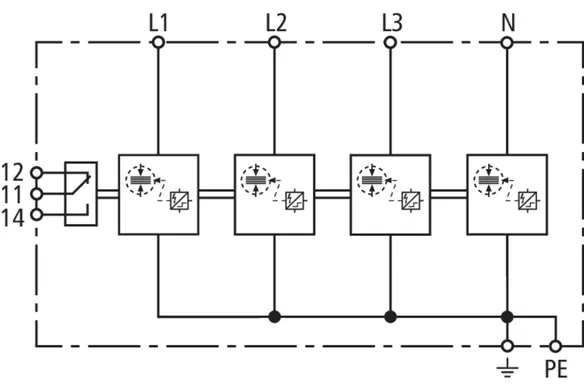
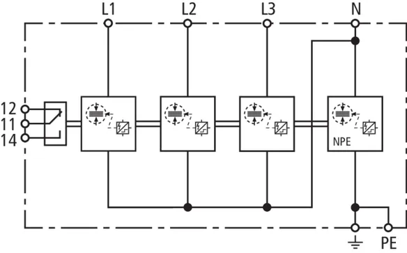
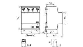
DEHNshield TNS

Zoptymalizowany pod kątem zastosowania i gotowy do podłączenia kombinowany ogranicznik przepięć do sieci TNS o napięciu znamionowym 230 / 400 V (układ połączeń "4+0").

1 Produkt

Nr kat. 941400 DSH TNS 255

GTIN / EAN 4013364133563, Nr taryfy celnej (EU): 85363090, Waga brutto: 555.00 g, Jednostka opakowaniowa: 1.00 szt.


Rysunki

Informacje dodatkowe

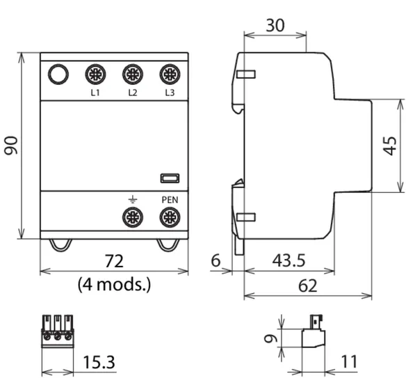
Kombinowany ogranicznik przepięć DEHNshield TNS 255
4-biegunowy kombinowany ogranicznik przepięć do sieci TN(C)-S o napięciu znamionowym 230/400 V, szerokość: 4 moduły
Ogranicznik przepięć typu 1 + typu 2 zgodnie z EN 61643-11
Zoptymalizowany pod kątem zastosowania w kompaktowych instalacjach elektrycznych
technologia iskiernikowa z ograniczeniem prądów następczych
Wskaźnik uszkodzenia
Największe napięcie trwałej pracy: 255 V AC
Napięciowy poziom ochrony: <= 1,5 kV
Prąd udarowy pioruna (10/350): 50 kA
Koordynacja energetyczna według DIN EN 62305-4
Ogranicznik przepięć z rodziny Red/Line, a także bezpośrednio do urządzenia końcowego

Producent: DEHN
Typ: DSH TNS 255
Nr kat.: 941400
lub podobny.

Certyfikaty

 

Funkcja falochronu

Ogranicznik przepięć typu 1 – podobnie jak falochron – ucina energię udaru do znacznie niższego poziomu. Chroni to instalację elektryczną i ograniczniki typu 2 i 3 zainstalowane za ogranicznikiem typu 1, wydłużając okres ich eksploatacji. Wszystkie ograniczniki typu 1 z serii produktów Red/Line posiadają funkcję falochronu (WBF).

Dane techniczne

Ogranicznik przepięć zgodnie z PN-EN 61643-11 typ 1 + typ 2 / klasa I + klasa II
Największe napięcie trwałej pracy AC (UC ) 255 V (50 / 60 Hz)
Prąd udarowy (10/350 µs) [L1+L2+L3+N-PE] (Itotal ) 50 kA
Prąd udarowy (10/350 µs) [L, N-PE] (Iimp ) 12,5 kA
Napięciowy poziom ochrony [L-PE]/[N-PE] (UP ) ≤ 1,5 / ≤ 1,5 kV kV
Maksymalny bezpiecznik dodatkowy 160 A gG
Certyfikaty KEMA, VDE, UL

Produkt 941400 został dodany do notatnika.

Do koszyka dodano produkt 941400.


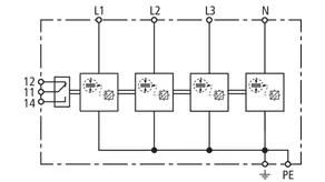
DEHNshield TNS FM

Zoptymalizowany pod kątem zastosowania i gotowy do podłączenia kombinowany ogranicznik przepięć do sieci TNS o napięciu znamionowym 230 / 400 V (układ połączeń "4+0"); ze zdalną sygnalizacją stanu (bezpotencjałowy zestyk przełączny).

1 Produkt

Nr kat. 941405 DSH TNS 255 FM

GTIN / EAN 4013364275331, Nr taryfy celnej (EU): 85363090, Waga brutto: 488.30 g, Jednostka opakowaniowa: 1.00 szt.


Rysunki

Informacje dodatkowe

Kombinowany ogranicznik przepięć DEHNshield TNS 255 FM
4-biegunowy kombinowany ogranicznik przepięć do sieci TN(C)-S o napięciu znamionowym 230/400 V
Szerokość 4 moduły, z zestykiem zdalnej sygnalizacji
Ogranicznik przepięć typu 1 + typu 2 zgodnie z EN 61643-11
Zoptymalizowany pod kątem zastosowania w kompaktowych instalacjach elektrycznych
technologia iskiernikowa z ograniczeniem prądów następczych
Wskaźnik uszkodzenia
Największe napięcie trwałej pracy: 255 V AC
Napięciowy poziom ochrony: <= 1,5 kV
Prąd udarowy pioruna (10/350): 50 kA
Koordynacja energetyczna według DIN EN 62305-4
Ogranicznik przepięć z rodziny Red/Line, a także bezpośrednio do urządzenia końcowego

Producent: DEHN
Typ: DSH TNS 255 FM
Nr kat.: 941405
lub podobny.

Certyfikaty

 

Funkcja falochronu

Ogranicznik przepięć typu 1 – podobnie jak falochron – ucina energię udaru do znacznie niższego poziomu. Chroni to instalację elektryczną i ograniczniki typu 2 i 3 zainstalowane za ogranicznikiem typu 1, wydłużając okres ich eksploatacji. Wszystkie ograniczniki typu 1 z serii produktów Red/Line posiadają funkcję falochronu (WBF).

Dane techniczne

Ogranicznik przepięć zgodnie z PN-EN 61643-11 typ 1 + typ 2 / klasa I + klasa II
Największe napięcie trwałej pracy AC (UC ) 255 V (50 / 60 Hz)
Prąd udarowy (10/350 µs) [L1+L2+L3+N-PE] (Itotal ) 50 kA
Prąd udarowy (10/350 µs) [L, N-PE] (Iimp ) 12,5 kA
Napięciowy poziom ochrony [L-PE]/[N-PE] (UP ) ≤ 1,5 / ≤ 1,5 kV kV
Maksymalny bezpiecznik dodatkowy 160 A gG
Certyfikaty KEMA, VDE
Rodzaj zestyku zdalnej sygnalizacji (FM) bezpotencjałowy zestyk przełączny

Produkt 941405 został dodany do notatnika.

Do koszyka dodano produkt 941405.


DEHNshield TNS Basic FM

Gotowy do podłączenia, zoptymalizowany pod kątem zastosowania kombinowany ogranicznik przepięć do sieci TN-S do stosowania w rozdzielnicy głównej (układ połączeń „4+0") budynków mieszkalnych bez zewnętrznego urządzenia piorunochronnego (także z zasilaniem napowietrznym); z bezpotencjałowym zestykiem przełącznym.

1 Produkt

Nr kat. 941406 DSH B TNS 255 FM

GTIN / EAN 4013364328082, Nr taryfy celnej (EU): 85363090, Waga brutto: 489.00 g, Jednostka opakowaniowa: 1.00 szt.


Rysunki

Informacje dodatkowe

Kombinowany ogranicznik przepięć DEHNshield B TNS 255 FM
4-biegunowy kombinowany ogranicznik przepięć do sieci TN(C)-S o napięciu znamionowym 230/400 V
Szerokość 4 moduły, z zestykiem zdalnej sygnalizacji
Ogranicznik przepięć typu 1 + typu 2 zgodnie z EN 61643-11
Spełnia wszystkie wymagania norm DIN VDE 0100-534 oraz DIN VDE 0100-443
technologia iskiernikowa z ograniczeniem prądów następczych
Wskaźnik uszkodzenia
Największe napięcie trwałej pracy: 255 V AC
Napięciowy poziom ochrony: <= 1,5 kV
Prąd udarowy pioruna (10/350): 30 kA
Koordynacja energetyczna według DIN EN 62305-4
Ogranicznik przepięć z rodziny Red/Line, a także bezpośrednio do urządzenia końcowego

Producent: DEHN
Typ: DSH B TNS 255 FM
Nr kat.: 941406
lub podobny.

Certyfikaty

 

Funkcja falochronu

Ogranicznik przepięć typu 1 – podobnie jak falochron – ucina energię udaru do znacznie niższego poziomu. Chroni to instalację elektryczną i ograniczniki typu 2 i 3 zainstalowane za ogranicznikiem typu 1, wydłużając okres ich eksploatacji. Wszystkie ograniczniki typu 1 z serii produktów Red/Line posiadają funkcję falochronu (WBF).

Dane techniczne

Ogranicznik przepięć zgodnie z PN-EN 61643-11 typ 1 + typ 2 / klasa I + klasa II
Największe napięcie trwałej pracy AC (UC ) 255 V (50 / 60 Hz)
Prąd udarowy (10/350 µs) [L1+L2+L3+N-PE] (Itotal ) 30 kA
Prąd udarowy (10/350 µs) [L, N-PE] (Iimp ) 7,5 kA
Napięciowy poziom ochrony [L-PE]/[N-PE] (UP ) ≤ 1,5 / ≤ 1,5 kV
Maksymalny bezpiecznik dodatkowy 160 A gG
Certyfikaty VDE
Rodzaj zestyku zdalnej sygnalizacji (FM) bezpotencjałowy zestyk przełączny

Produkt 941406 został dodany do notatnika.

Do koszyka dodano produkt 941406.


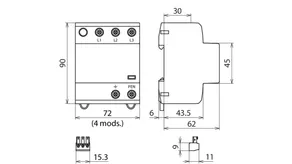
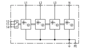
DEHNshield TT

Zoptymalizowany pod kątem zastosowania i gotowy do podłączenia kombinowany ogranicznik przepięć do sieci TT i TNS o napięciu znamionowym 230 / 400 V (układ połączeń "3+1").

1 Produkt

Nr kat. 941310 DSH TT 255

GTIN / EAN 4013364131798, Nr taryfy celnej (EU): 85363090, Waga brutto: 509.90 g, Jednostka opakowaniowa: 1.00 szt.


Rysunki

Informacje dodatkowe

Kombinowany ogranicznik przepięć DEHNshield TT 255
4-biegunowy kombinowany ogranicznik przepięć do sieci TT i TN o napięciu znamionowym 230/400 V,
szerokość 4 moduły
Ogranicznik przepięć typu 1 + typu 2 zgodnie z EN 61643-11
Zoptymalizowany pod kątem zastosowania w kompaktowych instalacjach elektrycznych
technologia iskiernikowa z ograniczeniem prądów następczych
Wskaźnik uszkodzenia
Największe napięcie trwałej pracy: 255 V AC
Napięciowy poziom ochrony: <= 1,5 kV
Prąd udarowy pioruna (10/350): 50 kA
Koordynacja energetyczna według DIN EN 62305-4
Ogranicznik przepięć z rodziny Red/Line, a także bezpośrednio do urządzenia końcowego

Producent: DEHN
Typ: DSH TT 255
Nr kat.: 941310
lub podobny.

Certyfikaty

 

Funkcja falochronu

Ogranicznik przepięć typu 1 – podobnie jak falochron – ucina energię udaru do znacznie niższego poziomu. Chroni to instalację elektryczną i ograniczniki typu 2 i 3 zainstalowane za ogranicznikiem typu 1, wydłużając okres ich eksploatacji. Wszystkie ograniczniki typu 1 z serii produktów Red/Line posiadają funkcję falochronu (WBF).

Dane techniczne

Ogranicznik przepięć zgodnie z PN-EN 61643-11 typ 1 + typ 2 / klasa I + klasa II
Największe napięcie trwałej pracy AC (UC ) 255 V (50 / 60 Hz)
Prąd udarowy (10/350 µs) [L1+L2+L3+N-PE] (Itotal ) 50 kA
Prąd udarowy (10/350 µs) [L-N]/[N-PE] (Iimp ) 12,5 / 50 kA
Napięciowy poziom ochrony [L-N]/[N-PE] (UP ) ≤ 1,5 / ≤ 1,5 kV kV
Maksymalny bezpiecznik dodatkowy 160 A gG
Certyfikaty KEMA, VDE, UL
Rozszerzone dane techniczne: ---------------------------------
Napięciowy poziom ochrony [L-PE] (UP ) 2,0 kV

Produkt 941310 został dodany do notatnika.

Do koszyka dodano produkt 941310.


DEHNshield TT FM

Zoptymalizowany pod kątem zastosowania i gotowy do podłączenia kombinowany ogranicznik przepięć do sieci TT i TNS o napięciu znamionowym 230 / 400 V (układ połączeń "3+1"); ze zdalną sygnalizacją stanu (bezpotencjałowy zestyk przełączny).

1 Produkt

Nr kat. 941315 DSH TT 255 FM

GTIN / EAN 4013364275324, Nr taryfy celnej (EU): 85363090, Waga brutto: 508.80 g, Jednostka opakowaniowa: 1.00 szt.


Rysunki

Informacje dodatkowe

Kombinowany ogranicznik przepięć DEHNshield TT 255 FM
4-biegunowy kombinowany ogranicznik przepięć do sieci TT i TN o napięciu znamionowym 230/400 V,
szerokość 4 moduły, z zestykiem zdalnej sygnalizacji
Ogranicznik przepięć typu 1 + typu 2 zgodnie z EN 61643-11
Zoptymalizowany pod kątem zastosowania w kompaktowych instalacjach elektrycznych
technologia iskiernikowa z ograniczeniem prądów następczych
Wskaźnik uszkodzenia
Największe napięcie trwałej pracy: 255 V AC
Napięciowy poziom ochrony: <= 1,5 kV
Prąd udarowy pioruna (10/350): 50 kA
Koordynacja energetyczna według DIN EN 62305-4
Ogranicznik przepięć z rodziny Red/Line, a także bezpośrednio do urządzenia końcowego

Producent: DEHN
Typ: DSH TT 255 FM
Nr kat.: 941315
lub podobny.

Certyfikaty

 

Funkcja falochronu

Ogranicznik przepięć typu 1 – podobnie jak falochron – ucina energię udaru do znacznie niższego poziomu. Chroni to instalację elektryczną i ograniczniki typu 2 i 3 zainstalowane za ogranicznikiem typu 1, wydłużając okres ich eksploatacji. Wszystkie ograniczniki typu 1 z serii produktów Red/Line posiadają funkcję falochronu (WBF).

Dane techniczne

Ogranicznik przepięć zgodnie z PN-EN 61643-11 typ 1 + typ 2 / klasa I + klasa II
Największe napięcie trwałej pracy AC (UC ) 255 V (50 / 60 Hz)
Prąd udarowy (10/350 µs) [L1+L2+L3+N-PE] (Itotal ) 50 kA
Prąd udarowy (10/350 µs) [L-N]/[N-PE] (Iimp ) 12,5 / 50 kA
Napięciowy poziom ochrony [L-N]/[N-PE] (UP ) ≤ 1,5 / ≤ 1,5 kV kV
Maksymalny bezpiecznik dodatkowy 160 A gG
Certyfikaty KEMA, VDE
Rodzaj zestyku zdalnej sygnalizacji (FM) bezpotencjałowy zestyk przełączny
Rozszerzone dane techniczne: ---------------------------------
Napięciowy poziom ochrony [L-PE] (UP ) 2,0 kV

Produkt 941315 został dodany do notatnika.

Do koszyka dodano produkt 941315.


DEHNshield TT Basic FM

Gotowy do podłączenia, zoptymalizowany pod kątem zastosowania kombinowany ogranicznik przepięć do sieci TT i TN-S do stosowania w rozdzielnicy głównej (układ połączeń "3+1") budynku mieszkalnego bez zewnętrznego urządzenia piorunochronnego (także z zasilaniem napowietrznym); z bezpotencjałowym zestykiem przełącznym.

1 Produkt

Nr kat. 941316 DSH B TT 255 FM

GTIN / EAN 4013364328075, Nr taryfy celnej (EU): 85363090, Waga brutto: 510.00 g, Jednostka opakowaniowa: 1.00 szt.


Rysunki

Informacje dodatkowe

Kombinowany ogranicznik przepięć DEHNshield B TT 255 FM
4-biegunowy kombinowany ogranicznik przepięć do sieci TT i TN (C) o napięciu znamionowym 230/400 V
,
szerokość 4 moduły, z zestykiem zdalnej sygnalizacji
Ogranicznik przepięć typu 1 + typu 2 zgodnie z EN 61643-11
Spełnia wszystkie wymagania norm DIN VDE 0100-534 oraz DIN VDE 0100-443
technologia iskiernikowa z ograniczeniem prądów następczych
Wskaźnik uszkodzenia
Największe napięcie trwałej pracy: 255 V AC
Napięciowy poziom ochrony: <= 1,5 kV
Prąd udarowy pioruna (10/350): 30 kA
Koordynacja energetyczna według DIN EN 62305-4
Ogranicznik przepięć z rodziny Red/Line, a także bezpośrednio do urządzenia końcowego

Producent: DEHN
Typ: DSH B TT 255 FM
Nr kat.: 941316
lub podobny.

Certyfikaty

 

Funkcja falochronu

Ogranicznik przepięć typu 1 – podobnie jak falochron – ucina energię udaru do znacznie niższego poziomu. Chroni to instalację elektryczną i ograniczniki typu 2 i 3 zainstalowane za ogranicznikiem typu 1, wydłużając okres ich eksploatacji. Wszystkie ograniczniki typu 1 z serii produktów Red/Line posiadają funkcję falochronu (WBF).

Dane techniczne

Ogranicznik przepięć zgodnie z PN-EN 61643-11 typ 1 + typ 2 / klasa I + klasa II
Największe napięcie trwałej pracy AC (UC ) 255 V (50 / 60 Hz)
Prąd udarowy (10/350 µs) [L1+L2+L3+N-PE] (Itotal ) 30 kA
Prąd udarowy (10/350 µs) [L-N]/[N-PE] (Iimp ) 7,5 / 30 kA
Napięciowy poziom ochrony [L-N]/[N-PE] (UP ) ≤ 1,5 / ≤ 1,5 kV
Maksymalny bezpiecznik dodatkowy 160 A gG
Certyfikaty VDE
Rodzaj zestyku zdalnej sygnalizacji (FM) bezpotencjałowy zestyk przełączny
Rozszerzone dane techniczne: ---------------------------------
Napięciowy poziom ochrony [L-PE] (UP ) 2,0 kV

Produkt 941316 został dodany do notatnika.

Do koszyka dodano produkt 941316.


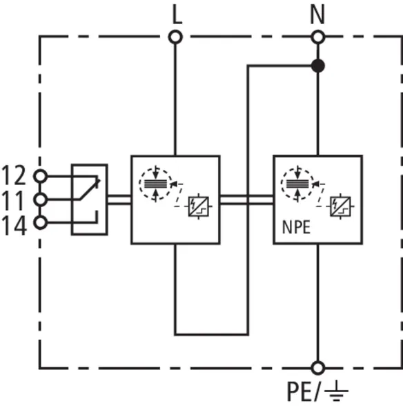
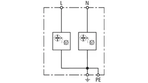
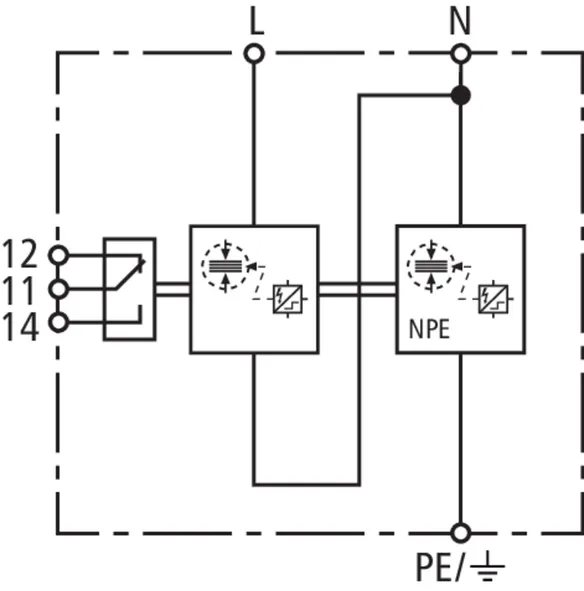
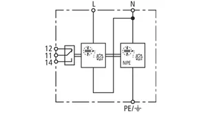
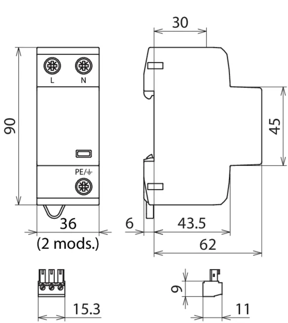
DEHNshield TN

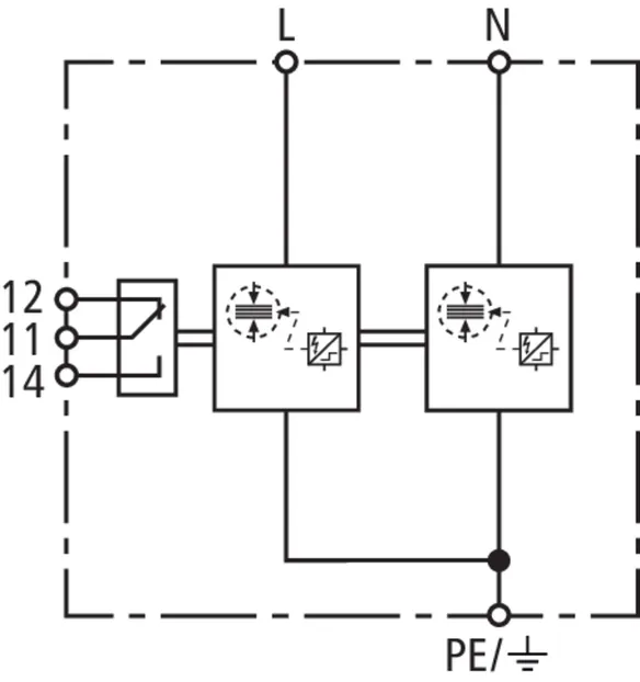
Zoptymalizowany pod kątem zastosowania i gotowy do podłączenia kombinowany ogranicznik przepięć do jednofazowych sieci TN o napięciu znamionowym 230 V (układ połączeń "2+0").

1 Produkt

Nr kat. 941200 DSH TN 255

GTIN / EAN 4013364138209, Nr taryfy celnej (EU): 85363090, Waga brutto: 266.00 g, Jednostka opakowaniowa: 1.00 szt.


Rysunki

Informacje dodatkowe

Kombinowany ogranicznik przepięć DEHNshield TN 255
2-biegunowy kombinowany ogranicznik przepięć do sieci TN o napięciu znamionowym 230/400 V, szerokość 2 moduły
Ogranicznik przepięć typu 1 + typu 2 zgodnie z EN 61643-11
Zoptymalizowany pod kątem zastosowania w kompaktowych instalacjach elektrycznych
technologia iskiernikowa z ograniczeniem prądów następczych
Wskaźnik uszkodzenia
Największe napięcie trwałej pracy: 255 V AC
Napięciowy poziom ochrony: <= 1,5 kV
Prąd udarowy pioruna (10/350): 25 kA
Koordynacja energetyczna według DIN EN 62305-4
Ogranicznik przepięć z rodziny Red/Line, a także bezpośrednio do urządzenia końcowego

Producent: DEHN
Typ: DSH TN 255
Nr kat.: 941200
lub podobny.

Certyfikaty

 

Funkcja falochronu

Ogranicznik przepięć typu 1 – podobnie jak falochron – ucina energię udaru do znacznie niższego poziomu. Chroni to instalację elektryczną i ograniczniki typu 2 i 3 zainstalowane za ogranicznikiem typu 1, wydłużając okres ich eksploatacji. Wszystkie ograniczniki typu 1 z serii produktów Red/Line posiadają funkcję falochronu (WBF).

Dane techniczne

Ogranicznik przepięć zgodnie z PN-EN 61643-11 typ 1 + typ 2 / klasa I + klasa II
Największe napięcie trwałej pracy AC (UC ) 255 V (50 / 60 Hz)
Prąd udarowy (10/350 µs) [L+N-PE] (Itotal ) 25 kA
Prąd udarowy (10/350 µs) [L, N-PE] (Iimp ) 12,5 kA
Napięciowy poziom ochrony [L-PE]/[N-PE] (UP ) ≤ 1,5 / ≤ 1,5 kV kV
Maksymalny bezpiecznik dodatkowy 160 A gG
Certyfikaty KEMA, VDE, UL

Produkt 941200 został dodany do notatnika.

Do koszyka dodano produkt 941200.


DEHNshield TN FM

Zoptymalizowany pod kątem zastosowania i gotowy do podłączenia kombinowany ogranicznik przepięć do jednofazowych sieci TN o napięciu znamionowym 230 V (układ połączeń "2+0"); ze zdalną sygnalizacją stanu (bezpotencjałowy zestyk przełączny).

1 Produkt

Nr kat. 941205 DSH TN 255 FM

GTIN / EAN 4013364289185, Nr taryfy celnej (EU): 85363090, Waga brutto: 276.00 g, Jednostka opakowaniowa: 1.00 szt.


Rysunki

Informacje dodatkowe

Kombinowany ogranicznik przepięć DEHNshield TN 255 FM
2-biegunowy kombinowany ogranicznik przepięć do sieci TN o napięciu znamionowym 230/400 V,
szerokość 2 moduły, z zestykiem zdalnej sygnalizacji
Ogranicznik przepięć typu 1 + typu 2 zgodnie z EN 61643-11
Zoptymalizowany pod kątem zastosowania w kompaktowych instalacjach elektrycznych
technologia iskiernikowa z ograniczeniem prądów następczych
Wskaźnik uszkodzenia
Największe napięcie trwałej pracy: 255 V AC
Napięciowy poziom ochrony: <= 1,5 kV
Prąd udarowy pioruna (10/350): 25 kA
Koordynacja energetyczna według DIN EN 62305-4
Ogranicznik przepięć z rodziny Red/Line, a także bezpośrednio do urządzenia końcowego

Producent: DEHN
Typ: DSH TN 255 FM
Nr kat.: 941205
lub podobny.

Certyfikaty

 

Funkcja falochronu

Ogranicznik przepięć typu 1 – podobnie jak falochron – ucina energię udaru do znacznie niższego poziomu. Chroni to instalację elektryczną i ograniczniki typu 2 i 3 zainstalowane za ogranicznikiem typu 1, wydłużając okres ich eksploatacji. Wszystkie ograniczniki typu 1 z serii produktów Red/Line posiadają funkcję falochronu (WBF).

Dane techniczne

Ogranicznik przepięć zgodnie z PN-EN 61643-11 typ 1 + typ 2 / klasa I + klasa II
Największe napięcie trwałej pracy AC (UC ) 255 V (50 / 60 Hz)
Prąd udarowy (10/350 µs) [L+N-PE] (Itotal ) 25 kA
Prąd udarowy (10/350 µs) [L, N-PE] (Iimp ) 12,5 kA
Napięciowy poziom ochrony [L-PE]/[N-PE] (UP ) ≤ 1,5 / ≤ 1,5 kV kV
Maksymalny bezpiecznik dodatkowy 160 A gG
Certyfikaty KEMA, VDE
Rodzaj zestyku zdalnej sygnalizacji (FM) bezpotencjałowy zestyk przełączny

Produkt 941205 został dodany do notatnika.

Do koszyka dodano produkt 941205.


DEHNshield TN Basic FM

Gotowy do podłączenia, zoptymalizowany pod kątem zastosowania kombinowany ogranicznik przepięć do jednofazowych sieci TN do stosowania w rozdzielnicy głównej (układ połączeń „2+0") budynków mieszkalnych bez zewnętrznego urządzenia piorunochronnego (także z zasilaniem napowietrznym); z bezpotencjałowym zestykiem przełącznym.

1 Produkt

Nr kat. 941206 DSH B TN 255 FM

GTIN / EAN 4013364373839, Nr taryfy celnej (EU): 85363090, Waga brutto: 276.00 g, Jednostka opakowaniowa: 1.00 szt.


Rysunki

Informacje dodatkowe

Kombinowany ogranicznik przepięć DEHNshield B TN 255 FM
2-biegunowy kombinowany ogranicznik przepięć do sieci TN o napięciu znamionowym 230/400 V,
szerokość 2 moduły, z zestykiem zdalnej sygnalizacji
Ogranicznik przepięć typu 1 + typu 2 zgodnie z EN 61643-11
Spełnia wszystkie wymagania norm DIN VDE 0100-534 oraz DIN VDE 0100-443
technologia iskiernikowa z ograniczeniem prądów następczych
Wskaźnik uszkodzenia
Największe napięcie trwałej pracy: 255 V AC
Napięciowy poziom ochrony: <= 1,5 kV
Prąd udarowy pioruna (10/350): 15 kA
Koordynacja energetyczna według DIN EN 62305-4
Ogranicznik przepięć z rodziny Red/Line, a także bezpośrednio do urządzenia końcowego

Producent: DEHN
Typ: DSH B TN 255 FM
Nr kat.: 941206
lub podobny.

Certyfikaty

 

Funkcja falochronu

Ogranicznik przepięć typu 1 – podobnie jak falochron – ucina energię udaru do znacznie niższego poziomu. Chroni to instalację elektryczną i ograniczniki typu 2 i 3 zainstalowane za ogranicznikiem typu 1, wydłużając okres ich eksploatacji. Wszystkie ograniczniki typu 1 z serii produktów Red/Line posiadają funkcję falochronu (WBF).

Dane techniczne

Ogranicznik przepięć zgodnie z PN-EN 61643-11 typ 1 + typ 2 / klasa I + klasa II
Największe napięcie trwałej pracy AC (UC ) 255 V (50 / 60 Hz)
Prąd udarowy (10/350 µs) [L+N-PE] (Itotal ) 15 kA
Prąd udarowy (10/350 µs) [L, N-PE] (Iimp ) 7,5 kA
Napięciowy poziom ochrony [L-PE]/[N-PE] (UP ) ≤ 1,5 / ≤ 1,5 kV
Maksymalny bezpiecznik dodatkowy 160 A gG
Rodzaj zestyku zdalnej sygnalizacji (FM) bezpotencjałowy zestyk przełączny

Produkt 941206 został dodany do notatnika.

Do koszyka dodano produkt 941206.


DEHNshield TT 2P

Zoptymalizowany pod kątem zastosowania i gotowy do podłączenia kombinowany ogranicznik przepięć do jednofazowych sieci TT i TN o napięciu znamionowym 230 V (układ połączeń "1+1").

1 Produkt

Nr kat. 941110 DSH TT 2P 255

GTIN / EAN 4013364137899, Nr taryfy celnej (EU): 85363090, Waga brutto: 291.00 g, Jednostka opakowaniowa: 1.00 szt.


Rysunki

Informacje dodatkowe

Kombinowany ogranicznik przepięć DEHNshield TT 2P 255
2-biegunowy kombinowany ogranicznik przepięć do sieci TT o napięciu znamionowym 230/400 V, szerokość 2 moduły
Ogranicznik przepięć typu 1 + typu 2 zgodnie z EN 61643-11
Zoptymalizowany pod kątem zastosowania w kompaktowych instalacjach elektrycznych
technologia iskiernikowa z ograniczeniem prądów następczych
Wskaźnik uszkodzenia
Największe napięcie trwałej pracy: 255 V AC
Napięciowy poziom ochrony: <= 1,5 kV
Prąd udarowy pioruna (10/350): 25 kA
Koordynacja energetyczna według DIN EN 62305-4
Ogranicznik przepięć z rodziny Red/Line, a także bezpośrednio do urządzenia końcowego

Producent: DEHN
Typ: DSH TT 2P 255
Nr kat.: 941110
lub podobny.

Certyfikaty

 

Funkcja falochronu

Ogranicznik przepięć typu 1 – podobnie jak falochron – ucina energię udaru do znacznie niższego poziomu. Chroni to instalację elektryczną i ograniczniki typu 2 i 3 zainstalowane za ogranicznikiem typu 1, wydłużając okres ich eksploatacji. Wszystkie ograniczniki typu 1 z serii produktów Red/Line posiadają funkcję falochronu (WBF).

Dane techniczne

Ogranicznik przepięć zgodnie z PN-EN 61643-11 typ 1 + typ 2 / klasa I + klasa II
Największe napięcie trwałej pracy AC (UC ) 255 V (50 / 60 Hz)
Prąd udarowy (10/350 µs) [L+N-PE] (Itotal ) 25 kA
Prąd udarowy (10/350 µs) [L-N]/[N-PE] (Iimp ) 12,5 / 25 kA
Napięciowy poziom ochrony [L-N]/[N-PE] (UP ) ≤ 1,5 / ≤ 1,5 kV kV
Maksymalny bezpiecznik dodatkowy 160 A gG
Certyfikaty KEMA, VDE, UL
Rozszerzone dane techniczne: ---------------------------------
Napięciowy poziom ochrony [L-PE] (UP ) 2,0 kV

Produkt 941110 został dodany do notatnika.

Do koszyka dodano produkt 941110.


DEHNshield TT 2P FM

Zoptymalizowany pod kątem zastosowania i gotowy do podłączenia kombinowany ogranicznik przepięć do jednofazowych sieci TT i TN o napięciu znamionowym 230 V (układ połączeń "1+1"); ze zdalną sygnalizacją stanu (bezpotencjałowy zestyk przełączny).

1 Produkt

Nr kat. 941115 DSH TT 2P 255 FM

GTIN / EAN 4013364289208, Nr taryfy celnej (EU): 85363090, Waga brutto: 301.00 g, Jednostka opakowaniowa: 1.00 szt.


Rysunki

Informacje dodatkowe

Kombinowany ogranicznik przepięć DEHNshield TT 2P 255 FM
2-biegunowy kombinowany ogranicznik przepięć do sieci TT o napięciu znamionowym 230/400 V
Ogranicznik przepięć typu 1 + typu 2 zgodnie z EN 61643-11
O szerokości 2 modułów DIN, z zestykiem zdalnej sygnalizacji
Zoptymalizowany pod kątem zastosowania w kompaktowych instalacjach elektrycznych
technologia iskiernikowa z ograniczeniem prądów następczych
Wskaźnik uszkodzenia
Największe napięcie trwałej pracy: 255 V AC
Napięciowy poziom ochrony: <= 1,5 kV
Prąd udarowy pioruna (10/350): 25 kA
Koordynacja energetyczna według DIN EN 62305-4
Ogranicznik przepięć z rodziny Red/Line, a także bezpośrednio do urządzenia końcowego

Producent: DEHN
Typ: DSH TT 2P 255 FM
Nr kat.: 941115
lub podobny.

Certyfikaty

 

Funkcja falochronu

Ogranicznik przepięć typu 1 – podobnie jak falochron – ucina energię udaru do znacznie niższego poziomu. Chroni to instalację elektryczną i ograniczniki typu 2 i 3 zainstalowane za ogranicznikiem typu 1, wydłużając okres ich eksploatacji. Wszystkie ograniczniki typu 1 z serii produktów Red/Line posiadają funkcję falochronu (WBF).

Dane techniczne

Ogranicznik przepięć zgodnie z PN-EN 61643-11 typ 1 + typ 2 / klasa I + klasa II
Największe napięcie trwałej pracy AC (UC ) 255 V (50 / 60 Hz)
Prąd udarowy (10/350 µs) [L+N-PE] (Itotal ) 25 kA
Prąd udarowy (10/350 µs) [L-N]/[N-PE] (Iimp ) 12,5 / 25 kA
Napięciowy poziom ochrony [L-N]/[N-PE] (UP ) ≤ 1,5 / ≤ 1,5 kV
Maksymalny bezpiecznik dodatkowy 160 A gG
Certyfikaty KEMA, VDE
Rodzaj zestyku zdalnej sygnalizacji (FM) bezpotencjałowy zestyk przełączny
Rozszerzone dane techniczne: ---------------------------------
Napięciowy poziom ochrony [L-PE] (UP ) 2,0 kV

Produkt 941115 został dodany do notatnika.

Do koszyka dodano produkt 941115.


DEHNshield TT 2P Basic FM

Gotowy do podłączenia, zoptymalizowany pod kątem zastosowania kombinowany ogranicznik przepięć do jednofazowych sieci TT i TN-S do stosowania w rozdzielnicy głównej (układ połączeń „1+1") budynku mieszkalnego bez zewnętrznego urządzenia piorunochronnego (także z zasilaniem napowietrznym); z bezpotencjałowym zestykiem przełącznym.

1 Produkt

Nr kat. 941116 DSH B TT 2P 255 FM

GTIN / EAN 4013364373235, Nr taryfy celnej (EU): 85363090, Waga brutto: 301.00 g, Jednostka opakowaniowa: 1.00 szt.


Rysunki

Informacje dodatkowe

Kombinowany ogranicznik przepięć DEHNshield B TT 2P 255 FM
2-biegunowy kombinowany ogranicznik przepięć do sieci TT o napięciu znamionowym 230/400 V
O szerokości 2 modułów DIN, z zestykiem zdalnej sygnalizacji
Ogranicznik przepięć typu 1 + typu 2 zgodnie z EN 61643-11
Spełnia wszystkie wymagania norm DIN VDE 0100-534 oraz DIN VDE 0100-443
technologia iskiernikowa z ograniczeniem prądów następczych
Wskaźnik uszkodzenia
Największe napięcie trwałej pracy: 255 V AC
Napięciowy poziom ochrony: <= 1,5 kV
Prąd udarowy pioruna (10/350): 15 kA
Koordynacja energetyczna według DIN EN 62305-4
Ogranicznik przepięć z rodziny Red/Line, a także bezpośrednio do urządzenia końcowego

Producent: DEHN
Typ: DSH B TT 2P 255 FM
Nr kat.: 941116
lub podobny.

Certyfikaty

 

Funkcja falochronu

Ogranicznik przepięć typu 1 – podobnie jak falochron – ucina energię udaru do znacznie niższego poziomu. Chroni to instalację elektryczną i ograniczniki typu 2 i 3 zainstalowane za ogranicznikiem typu 1, wydłużając okres ich eksploatacji. Wszystkie ograniczniki typu 1 z serii produktów Red/Line posiadają funkcję falochronu (WBF).

Dane techniczne

Ogranicznik przepięć zgodnie z PN-EN 61643-11 typ 1 + typ 2 / klasa I + klasa II
Największe napięcie trwałej pracy AC (UC ) 255 V (50 / 60 Hz)
Prąd udarowy (10/350 µs) [L+N-PE] (Itotal ) 15 kA
Prąd udarowy (10/350 µs) [L-N]/[N-PE] (Iimp ) 7,5 / 15 kA
Napięciowy poziom ochrony [L-N]/[N-PE] (UP ) ≤ 1,5 / ≤ 1,5 kV
Maksymalny bezpiecznik dodatkowy 160 A gG
Rodzaj zestyku zdalnej sygnalizacji (FM) bezpotencjałowy zestyk przełączny
Rozszerzone dane techniczne: ---------------------------------
Napięciowy poziom ochrony [L-PE] (UP ) 2,0 kV

Produkt 941116 został dodany do notatnika.

Do koszyka dodano produkt 941116.


Powrót na górę