Your dashboard services.
Register to access all tools.

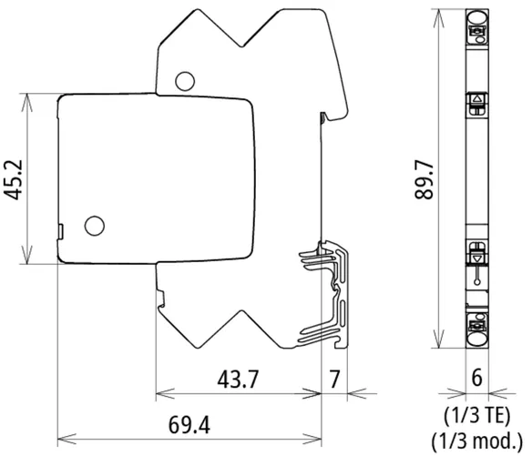
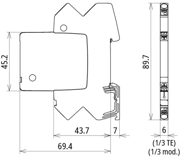
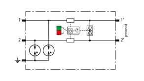
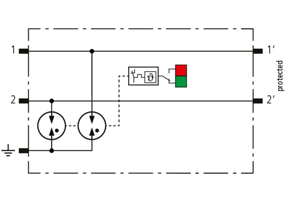
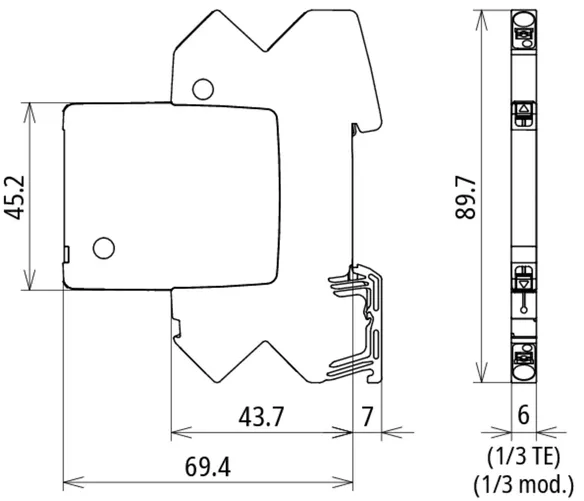
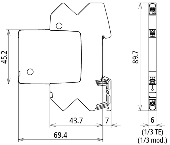
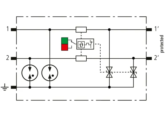
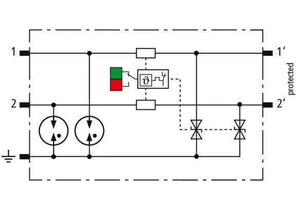
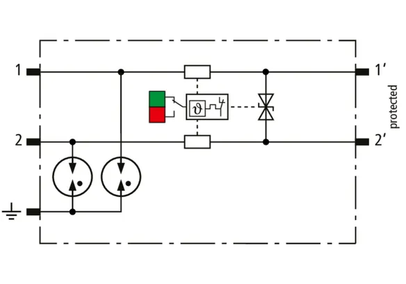
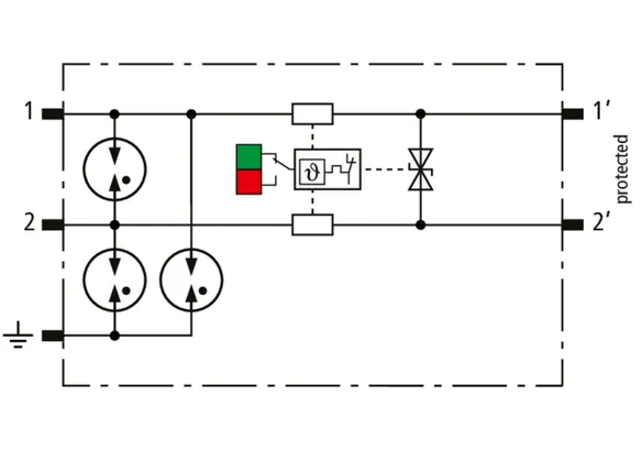
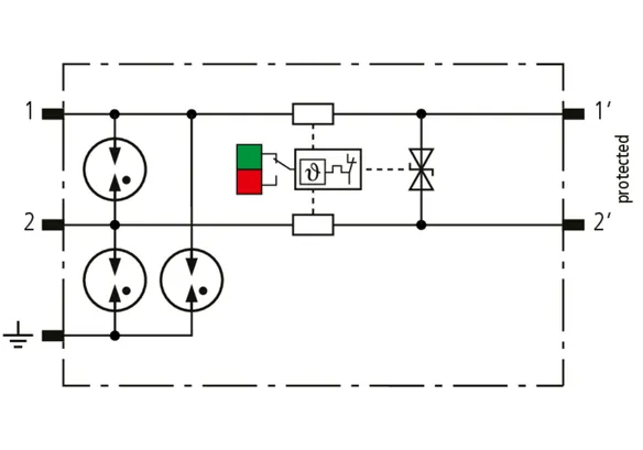
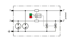
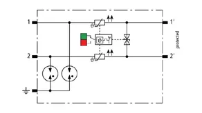
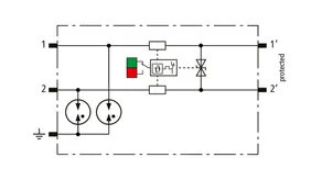
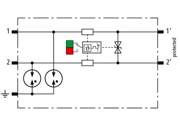
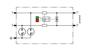
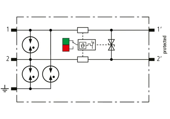
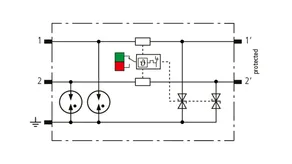
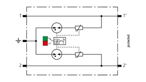
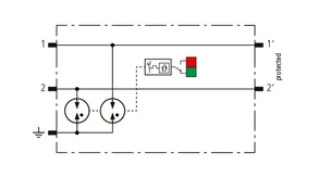
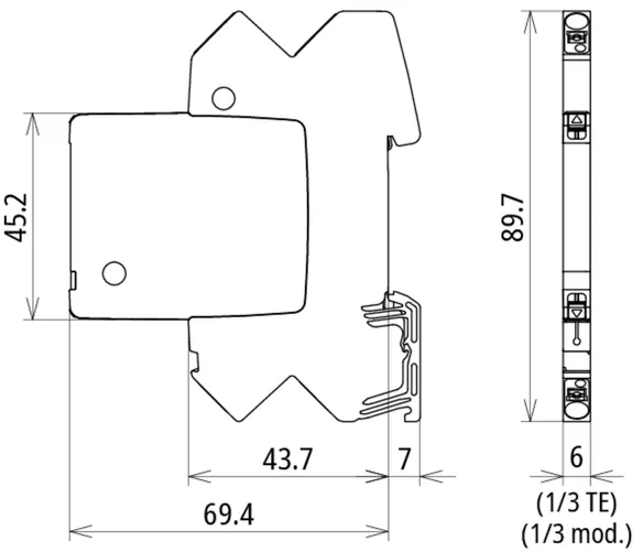
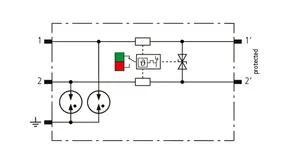
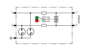
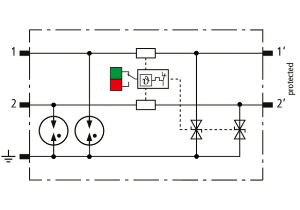
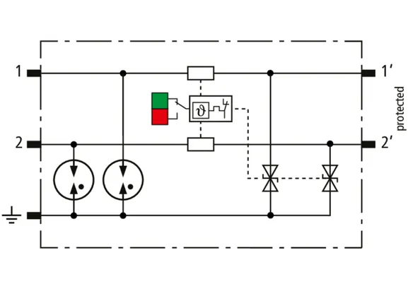
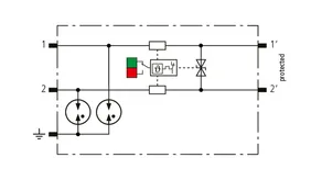
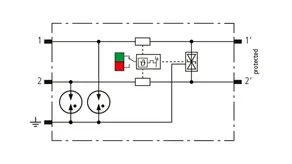
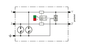
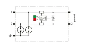
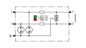
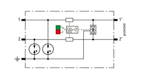
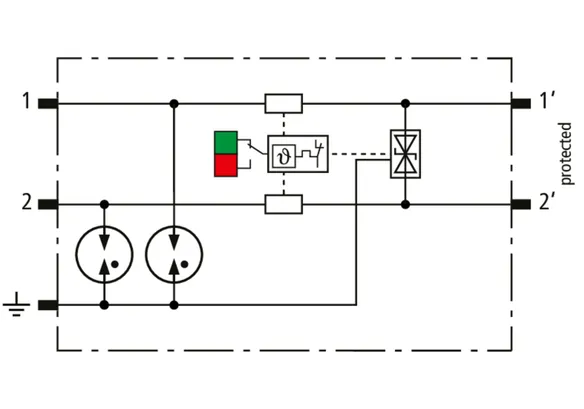
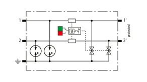
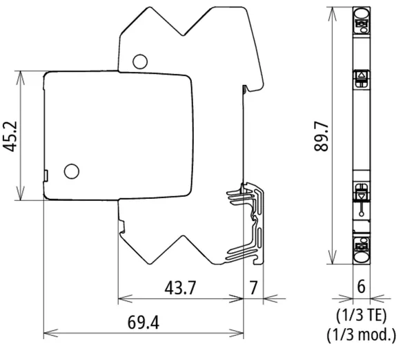
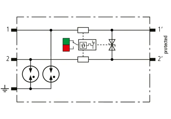
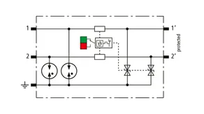
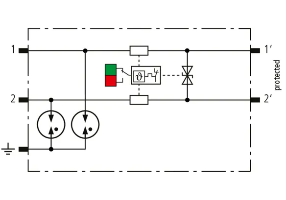
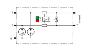
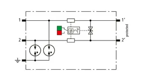
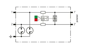
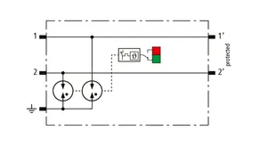
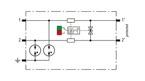
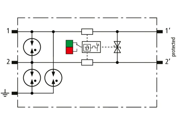
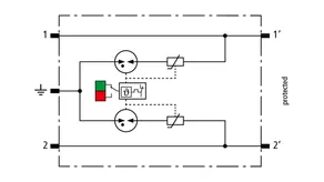
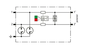
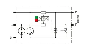
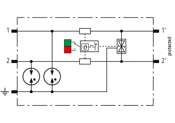
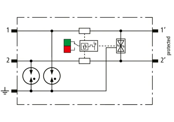
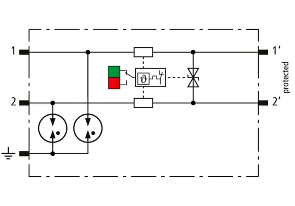
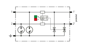
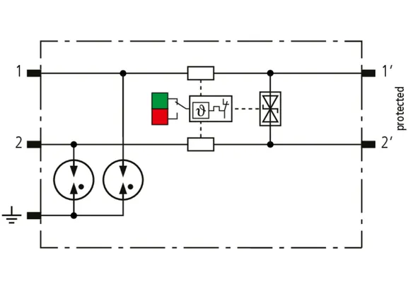
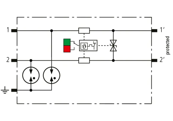
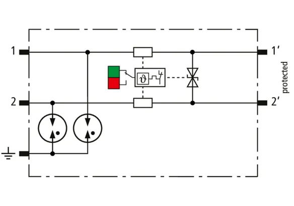
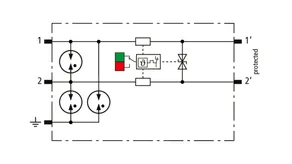
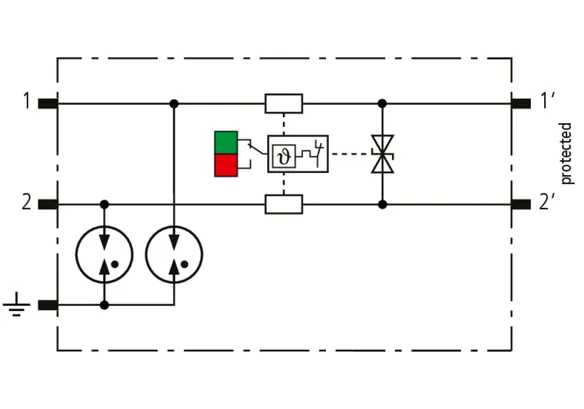
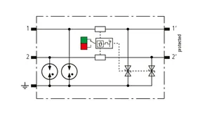
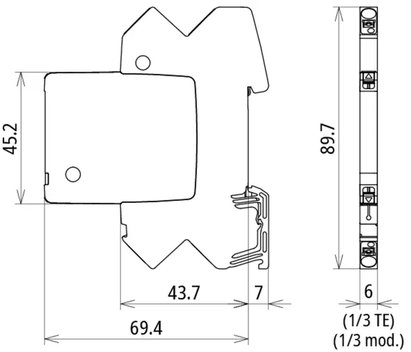
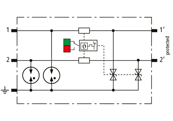
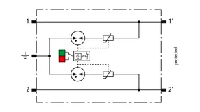
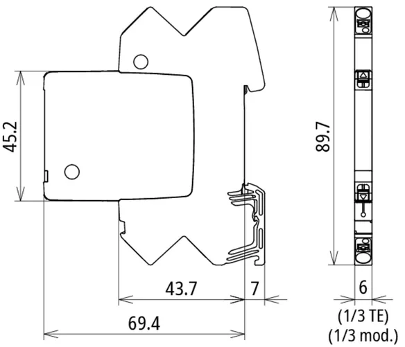
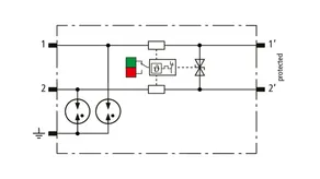
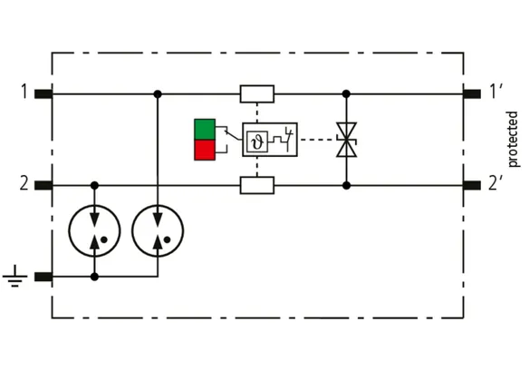
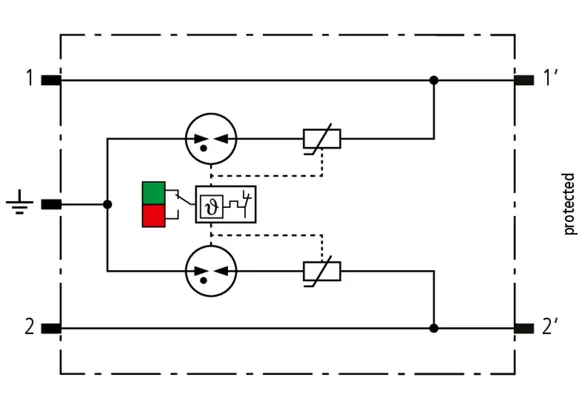
BLITZDUCTORconnect – Modular

Ogranicznik przepięć do uniwersalnego stosowania
  • Do ochrony obwodów pomiarowo-kontrolnych, systemów magistralnych i telekomunikacyjnych
  • Wysoka całkowita zdolność odprowadzania prądów udarowych do 3 kA (10/350 µs), 10 kA (8/20 µs)
  • Maksymalna zdolność odprowadzania prądów wyładowczych (8/20 µs) Imaks. do 20 kA
  • Niski napięciowy poziom ochrony zapewnia ochronę urządzeń końcowych
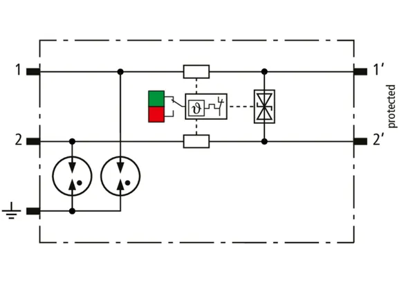
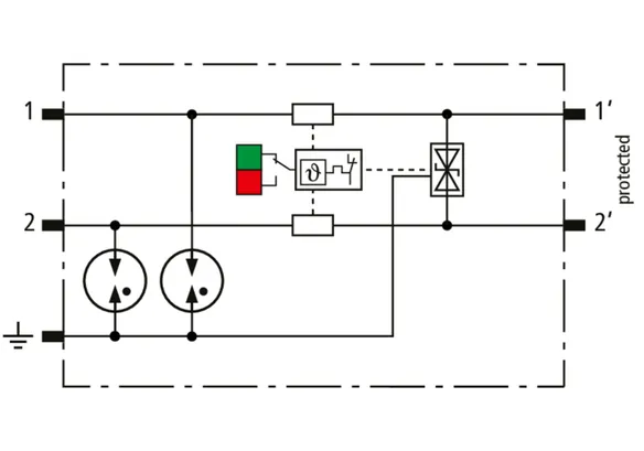
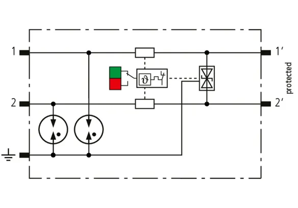
Ogranicznik przepięć składający się z podstawy i modułu
  • Szybki i łatwy montaż bez użycia narzędzi dzięki technice wtykowej
  • Wszystkie elementy ochronne zabudowane w module
  • Przyciski zwalniające secR z obu stron modułu umożliwiają bezpieczną wymianę
  • Wysoka dostępność systemu dzięki technologii zapewniającej bezpieczeństwo także w razie uszkodzenia
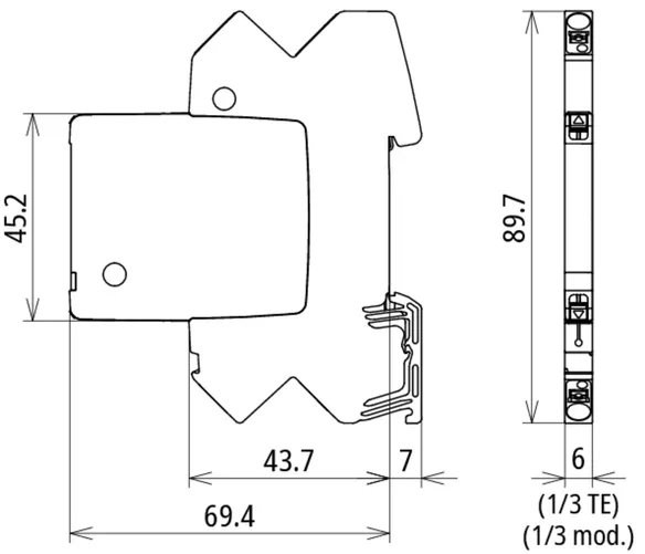
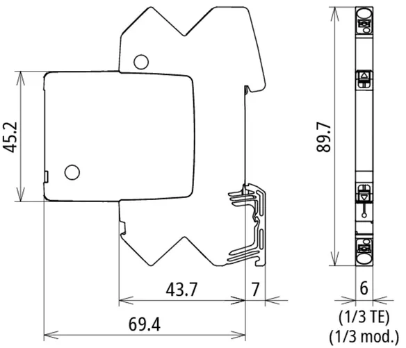
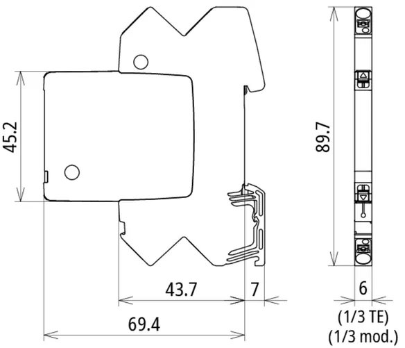
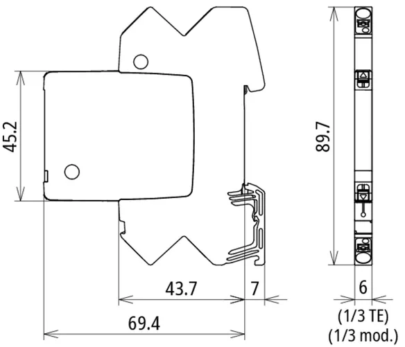
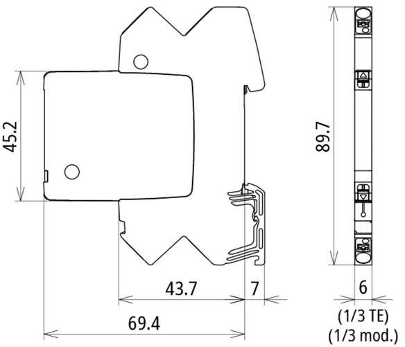
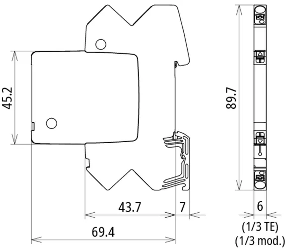
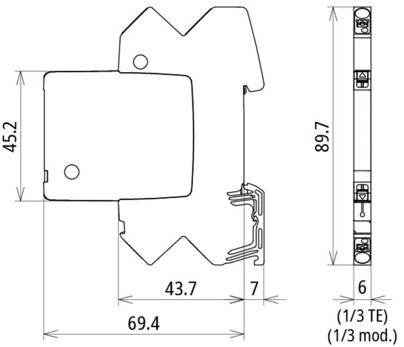
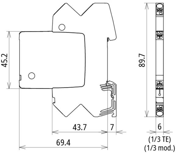
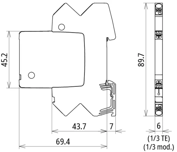
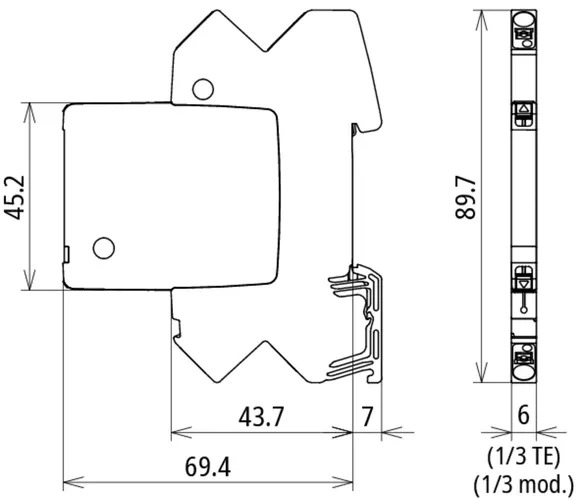
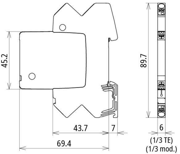
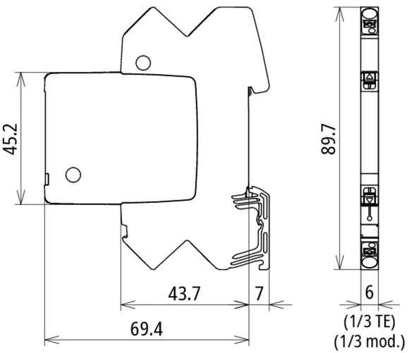
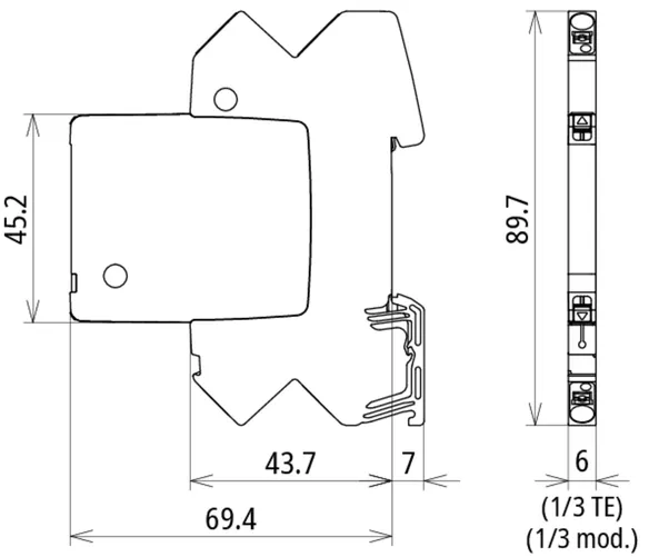
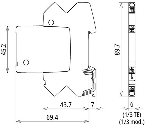
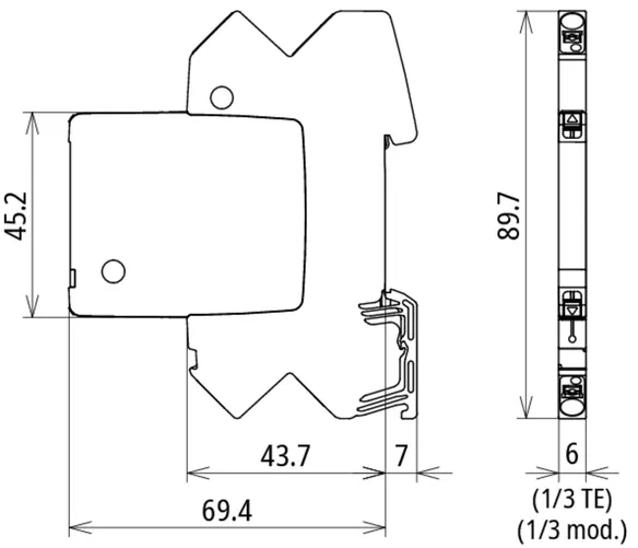
Funkcjonalne wzornictwo - szerokość montażowa tylko 6 mm
  • System monitorowania stanu LifeCheck i optyczna sygnalizacja stanu wbudowane w moduł
  • Łatwy zdalny nadzór stanu ogranicznika dzięki opcjonalnemu modułowi zdalnej sygnalizacji
  • Możliwość rozłączania obwodu sygnałowego na czas konserwacji bez narzędzi
  • Odporność na wibrację i wstrząsy zapewnia bezpieczną pracę ogranicznika

Szczegóły

Szybko sprawdzone - w mgnieniu oka
Wbudowany wskaźnik służy łatwej i szybkiej konserwacji
lorem ipsum
Bezpiecznie zablokowane – precyzyjnie usunięte
Przyciski zwalniające secR po obu stronach modułu umożliwiają łatwą jego wymianę
lorem ipsum
Podłączone = Chronione
Prosta informacja o stanie grupy ograniczników za pomocą urządzenia zdalnej sygnalizacji
lorem ipsum
Maksymalna dostępność instalacji
Urządzenia certyfikowane do stosowania w iskrobezpiecznych obwodach pomiarowych
lorem ipsum

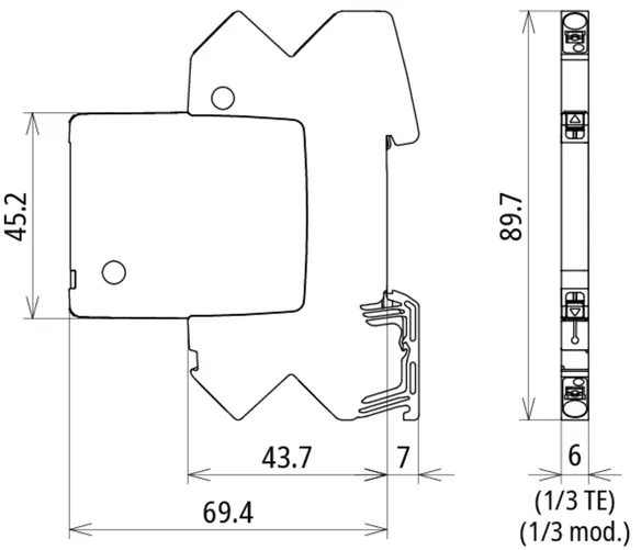
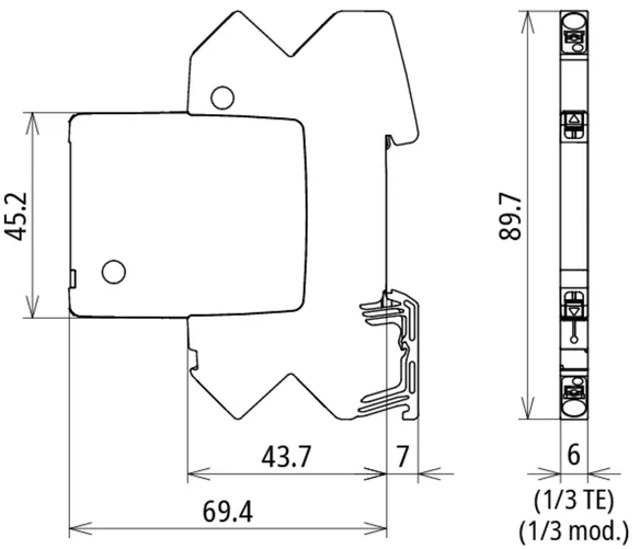
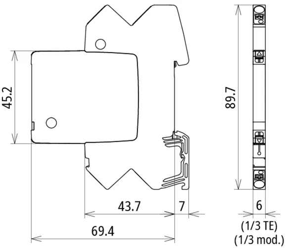
BCO ML2 B 180

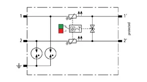
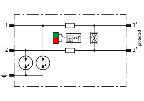
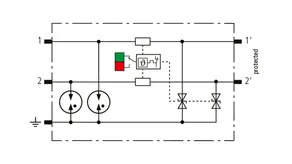
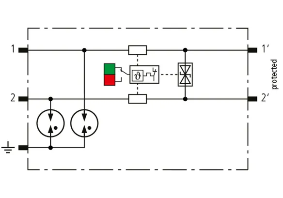
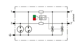
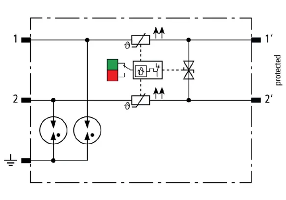
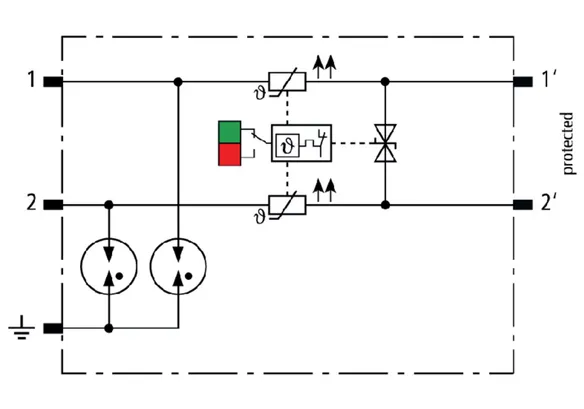
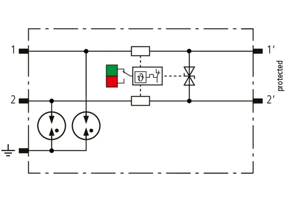
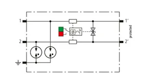
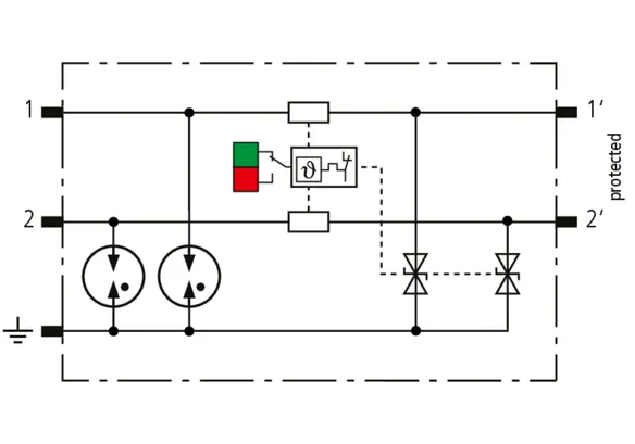
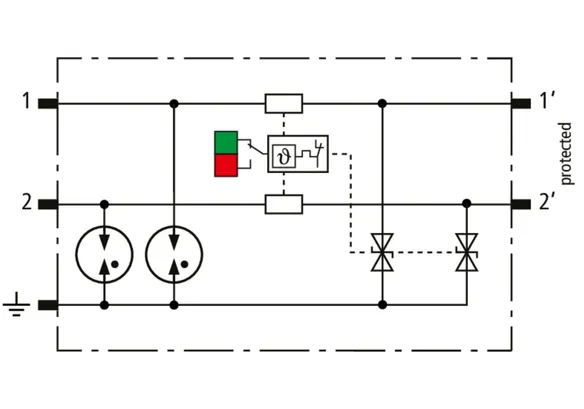
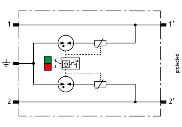
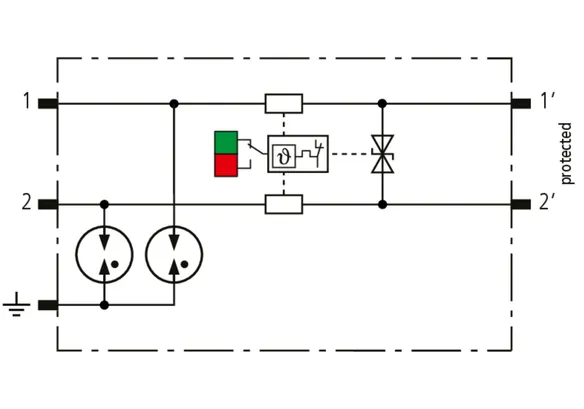
Kompaktowy modułowy ogranicznik przepięć o szerokości 6 mm, z podłączeniem przewodów w technice wtykowej ("push-in"), ze wskaźnikiem stanu, do ochrony dwóch pojedynczych linii do piorunowego wyrównania potencjałów oraz pośredniego uziemienia kabli ekranowanych. Z odłączeniem sygnału na czas konserwacji.

1 Produkt

Nr kat. 927210 BCO ML2 B 180

GTIN / EAN 4013364405585, Nr taryfy celnej (EU): 85363010, Waga brutto: 57.75 g, Jednostka opakowaniowa: 1.00 szt.


Rysunki

Informacje dodatkowe

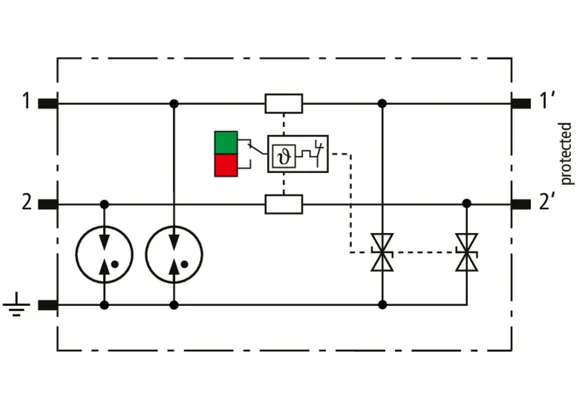
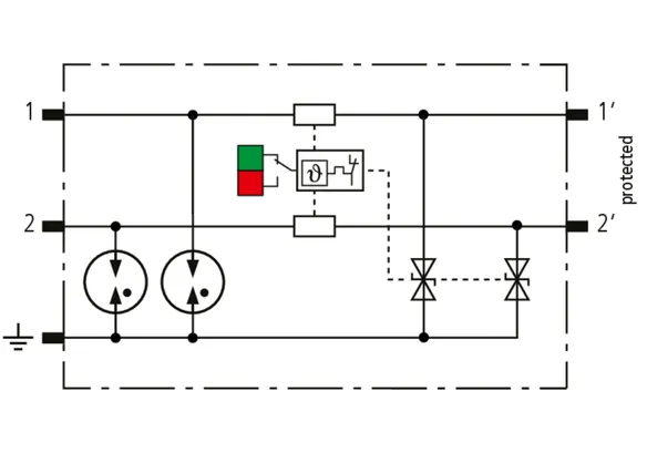
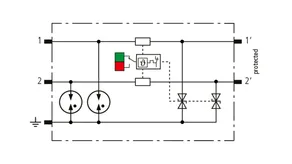
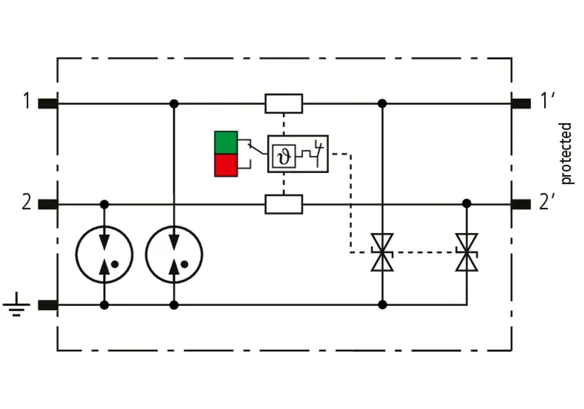
Ogranicznik przepięć BLITZDUCTORconnect ML2 B 180
modułowy, gotowy do podłączenia ogranicznik przepięć
do ochrony 2 pojedynczych linii
piorunowego wyrównania potencjałów oraz
pośredniego uziemienia kabli ekranowanych
przetestowany zgodnie z EN/IEC 61643-21 i skoordynowany
energetycznie według normy IEC 61643-22
Klasa SPD Typ 1
Kategoria udaru: C2, C3, B2, D1
Wskaźnik stanu, szerokość 6 mm
Największe napięcie trwałej pracy: 180,0 V DC / 127,0 V AC
Prąd znamionowy przy 80°C: 1,2 A
C2 Znamionowy prąd wyładowczy na linię (8/20): 5 kA
C2 Całkowity znamionowy prąd wyładowczy (8/20): 10 kA
D1 Piorunowy prąd udarowy (10/350 µs) na linię: 1,5 kA
D1 Całkowity piorunowy prąd udarowy (10/350 µs): 3 kA
z odłączeniem sygnału na czas konserwacji.
Podłączenie: wtykowe

Producent: DEHN
Typ: BCO ML2 B 180
Nr kat.: 927210
lub podobny.

Certyfikaty

 

Dane techniczne

Klasa SPD A
Napięcie znamionowe (UN ) 180 V
Największe napięcie trwałej pracy DC (UC ) 180 V
D1 Piorunowy prąd udarowy (10/350 µs) na linię (Iimp ) 1,5 kA
C2 Całkowity znamionowy prąd wyładowczy (8/20 µs) (In ) 10 kA
Impedancja szeregowa na linię 0 Ω
Certyfikaty UL 497B, CSA, ATEX, IECEx, CCC, SIL
*) Szczegóły patrz: www.dehn.de

Produkt 927210 został dodany do notatnika.

Do koszyka dodano produkt 927210.


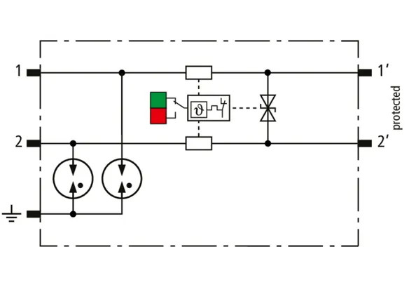
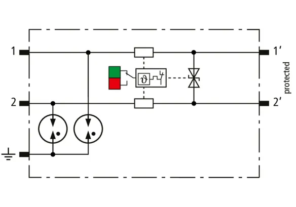
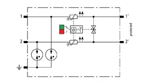
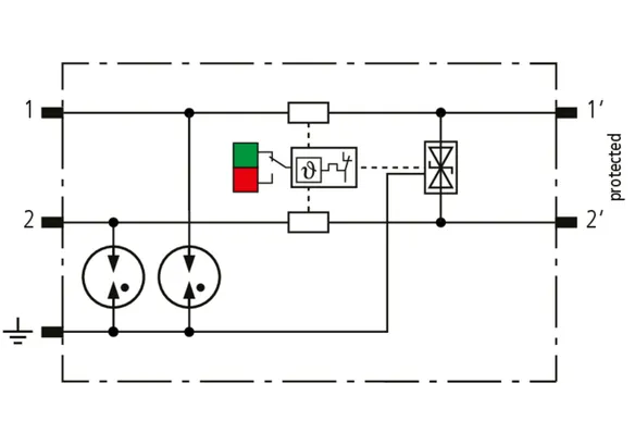
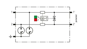
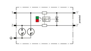
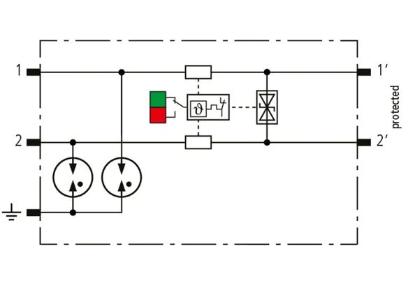
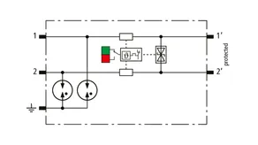
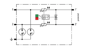
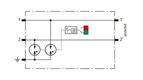
BCO ML2 BE

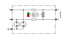
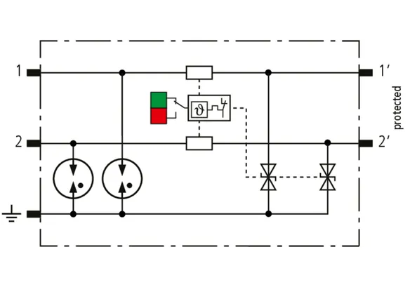
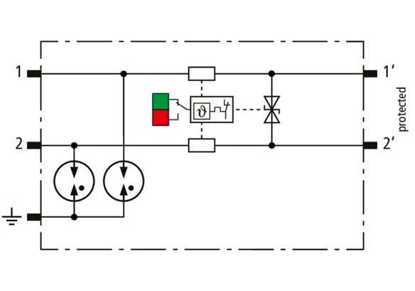
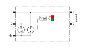
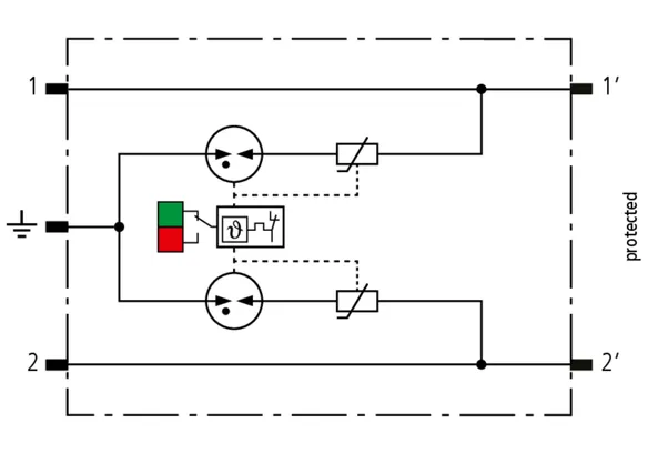
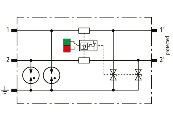
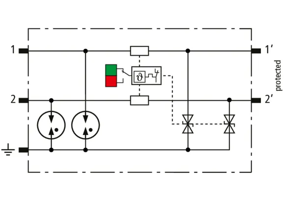
Kompaktowy modułowy ogranicznik przepięć o szerokości 6 mm, z podłączeniem przewodów w technice wtykowej ("push-in"), ze wskaźnikiem stanu, do ochrony dwóch pojedynczych linii ze wspólnym potencjałem odniesienia oraz interfejsów niesymetrycznych. Z odłączeniem sygnału na czas konserwacji.

4 Produkty

Nr kat. 927222 BCO ML2 BE 12

GTIN / EAN 4013364405592, Nr taryfy celnej (EU): 85363010, Waga brutto: 59.19 g, Jednostka opakowaniowa: 1.00 szt.

Wcześniejszy produkt

Rysunki

Informacje dodatkowe

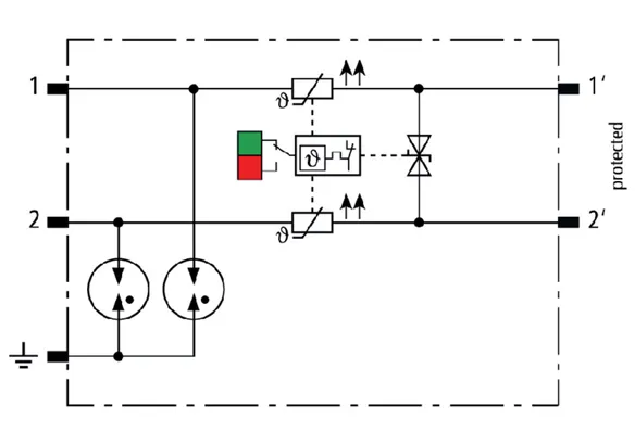
Kombinowany ogranicznik przepięć BLITZDUCTORconnect ML2 BE 12
modułowy, gotowy do podłączenia kombinowany ogranicznik przepięć
do ochrony 2 pojedynczych linii ze wspólnym
potencjałem odniesienia oraz interfejsów niesymetrycznych
przetestowany zgodnie z EN/IEC 61643-21 i skoordynowany
energetycznie według normy IEC 61643-22
Klasa SPD Typ 1 / P1
Kategoria udaru: C1, C2, C3, B2, D1
Wskaźnik stanu, szerokość 6 mm
Największe napięcie trwałej pracy: 15,0 V DC / 10,6 V AC
Prąd znamionowy przy 70°C: 0,75 A
C2 Znamionowy prąd wyładowczy na linię (8/20): 5 kA
C2 Całkowity znamionowy prąd wyładowczy (8/20): 10 kA
D1 Piorunowy prąd udarowy (10/350 µs) na linię: 1,5 kA
D1 Całkowity piorunowy prąd udarowy (10/350 µs): 3 kA
z odłączeniem sygnału na czas konserwacji
Podłączenie: wtykowe

Producent: DEHN
Typ: BCO ML2 BE 12
Nr kat.: 927222
lub podobny.

Certyfikaty

 

Dane techniczne

Klasa SPD M
Napięcie znamionowe (UN ) 12 V
Największe napięcie trwałej pracy DC (UC ) 15 V
Prąd znamionowy przy 70°C (IL ) 0,75 A
D1 Piorunowy prąd udarowy (10/350 µs) na linię (Iimp ) 1,5 kA
C2 Całkowity znamionowy prąd wyładowczy (8/20 µs) (In ) 10 kA
Impedancja szeregowa na linię 1 Ω
Częstotliwość graniczna linia-linia (fG ) 1,4 MHz
Certyfikaty UL 479B, CSA, ATEX, IECEx, CCC, SIL
*) Szczegóły patrz: www.dehn.de

Produkt 927222 został dodany do notatnika.

Do koszyka dodano produkt 927222.

Nr kat. 927224 BCO ML2 BE 24

GTIN / EAN 4013364405608, Nr taryfy celnej (EU): 85363010, Waga brutto: 59.68 g, Jednostka opakowaniowa: 1.00 szt.

Wcześniejszy produkt

Rysunki

Informacje dodatkowe

Kombinowany ogranicznik przepięć BLITZDUCTORconnect ML2 BE 24
modułowy, gotowy do podłączenia kombinowany ogranicznik przepięć
do ochrony 2 pojedynczych linii ze wspólnym
potencjałem odniesienia oraz interfejsów niesymetrycznych
przetestowany zgodnie z EN/IEC 61643-21 i skoordynowany
energetycznie według normy IEC 61643-22
Klasa SPD Typ 1 / P1
Kategoria udaru: C1, C2, C3, B2, D1
Wskaźnik stanu, szerokość 6 mm
Największe napięcie trwałej pracy: 33,0 V DC / 23,3 V AC
Prąd znamionowy przy 70°C: 0,75 A
C2 Znamionowy prąd wyładowczy na linię (8/20): 5 kA
C2 Całkowity znamionowy prąd wyładowczy (8/20): 10 kA
D1 Piorunowy prąd udarowy (10/350 µs) na linię: 1,5 kA
D1 Całkowity piorunowy prąd udarowy (10/350 µs): 3 kA
z odłączeniem sygnału na czas konserwacji
Podłączenie: wtykowe

Producent: DEHN
Typ: BCO ML2 BE 24
Nr kat.: 927224
lub podobny.

Certyfikaty

 

Dane techniczne

Klasa SPD M
Napięcie znamionowe (UN ) 24 V
Największe napięcie trwałej pracy DC (UC ) 33 V
Prąd znamionowy przy 70°C (IL ) 0,75 A
D1 Piorunowy prąd udarowy (10/350 µs) na linię (Iimp ) 1,5 kA
C2 Całkowity znamionowy prąd wyładowczy (8/20 µs) (In ) 10 kA
Impedancja szeregowa na linię 1 Ω
Częstotliwość graniczna linia-linia (fG ) 3,4 MHz
Certyfikaty UL 497B, CSA, ATEX, IECEx, CCC, SIL
*) Szczegóły patrz: www.dehn.de

Produkt 927224 został dodany do notatnika.

Do koszyka dodano produkt 927224.

Nr kat. 927225 BCO ML2 BE 48

GTIN / EAN 4013364405615, Nr taryfy celnej (EU): 85363010, Waga brutto: 58.22 g, Jednostka opakowaniowa: 1.00 szt.

Wcześniejszy produkt

Rysunki

Informacje dodatkowe

Kombinowany ogranicznik przepięć BLITZDUCTORconnect ML2 BE 48
modułowy, gotowy do podłączenia kombinowany ogranicznik przepięć
do ochrony 2 pojedynczych linii ze wspólnym
potencjałem odniesienia oraz interfejsów niesymetrycznych
przetestowany zgodnie z EN/IEC 61643-21 i skoordynowany
energetycznie według normy IEC 61643-22
Klasa SPD Typ 1 / P1
Kategoria udaru: C1, C2, C3, B2, D1
Wskaźnik stanu, szerokość 6 mm
Największe napięcie trwałej pracy: 54,0 V DC / 38,1 V AC
Prąd znamionowy przy 70°C: 0,75 A
C2 Znamionowy prąd wyładowczy na linię (8/20): 5 kA
C2 Całkowity znamionowy prąd wyładowczy (8/20): 10 kA
D1 Piorunowy prąd udarowy (10/350 µs) na linię: 1,5 kA
D1 Całkowity piorunowy prąd udarowy (10/350 µs): 3 kA
z odłączeniem sygnału na czas konserwacji
Podłączenie: wtykowe

Producent: DEHN
Typ: BCO ML2 BE 48
Nr kat.: 927225
lub podobny.

Certyfikaty

 

Dane techniczne

Klasa SPD M
Napięcie znamionowe (UN ) 48 V
Największe napięcie trwałej pracy DC (UC ) 54 V
Prąd znamionowy przy 70°C (IL ) 0,75 A
D1 Piorunowy prąd udarowy (10/350 µs) na linię (Iimp ) 1,5 kA
C2 Całkowity znamionowy prąd wyładowczy (8/20 µs) (In ) 10 kA
Impedancja szeregowa na linię 1 Ω
Częstotliwość graniczna linia-linia (fG ) 5 MHz
Certyfikaty UL 497B, CSA, ATEX, IECEx, CCC, SIL
*) Szczegóły patrz: www.dehn.de

Produkt 927225 został dodany do notatnika.

Do koszyka dodano produkt 927225.

Nr kat. 927227 BCO ML2 BE 180

GTIN / EAN 4013364468658, Nr taryfy celnej (EU): 85363010, Waga brutto: 58.85 g, Jednostka opakowaniowa: 1.00 szt.

Wcześniejszy produkt

Rysunki

Informacje dodatkowe

Kombinowany ogranicznik przepięć BLITZDUCTORconnect ML2 BE 180
modułowy, gotowy do podłączenia kombinowany ogranicznik przepięć
do ochrony 2 pojedynczych linii ze wspólnym
potencjałem odniesienia oraz interfejsów niesymetrycznych
przetestowany zgodnie z EN/IEC 61643-21 i skoordynowany
energetycznie według normy IEC 61643-22
Klasa SPD Typ 1 / P1
Kategoria udaru: C1, C2, C3, B2, D1
Wskaźnik stanu, szerokość 6 mm
Największe napięcie trwałej pracy: 180 V DC / 127 V AC
Prąd znamionowy przy 70°C: 0,5 A
C2 Znamionowy prąd wyładowczy na linię (8/20): 5 kA
C2 Całkowity znamionowy prąd wyładowczy (8/20): 10 kA
D1 Piorunowy prąd udarowy (10/350 µs) na linię: 1,5 kA
D1 Całkowity piorunowy prąd udarowy (10/350 µs): 3 kA
z odłączeniem sygnału na czas konserwacji
Podłączenie: wtykowe

Producent: DEHN
Typ: BCO ML2 BE 180
Nr kat.: 927227
lub podobny.

Certyfikaty

 

Dane techniczne

Klasa SPD M
Napięcie znamionowe (UN ) 180 V
Największe napięcie trwałej pracy DC (UC ) 180 V
Prąd znamionowy przy 70°C (IL ) 0,5 A
D1 Piorunowy prąd udarowy (10/350 µs) na linię (Iimp ) 1,5 kA
C2 Całkowity znamionowy prąd wyładowczy (8/20 µs) (In ) 10 kA
Impedancja szeregowa na linię 1,8 Ω
Częstotliwość graniczna linia-linia (fG ) 10 MHz
Certyfikaty UL 497B, SIL
*) Szczegóły patrz: www.dehn.de

Produkt 927227 został dodany do notatnika.

Do koszyka dodano produkt 927227.


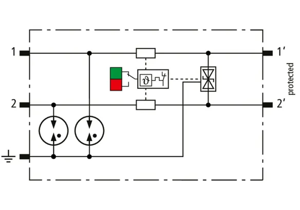
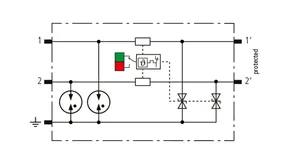
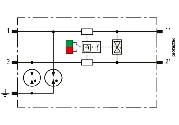
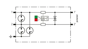
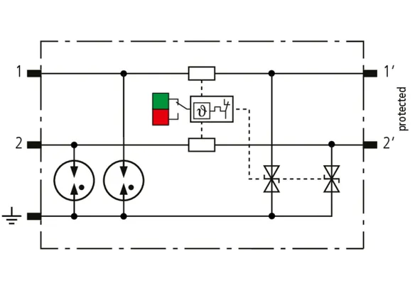
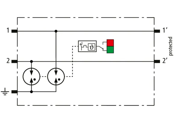
BCO ML2 BD

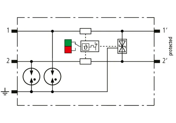
Kompaktowy modułowy ogranicznik przepięć o szerokości 6 mm, z podłączeniem przewodów w technice wtykowej ("push-in"), ze wskaźnikiem stanu, do ochrony jednej pary nieuziemionych interfejsów symetrycznych. Z odłączeniem sygnału na czas konserwacji.

4 Produkty

Nr kat. 927242 BCO ML2 BD 12

GTIN / EAN 4013364405622, Nr taryfy celnej (EU): 85363010, Waga brutto: 58.35 g, Jednostka opakowaniowa: 1.00 szt.

Wcześniejszy produkt

Rysunki

Informacje dodatkowe

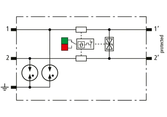
Kombinowany ogranicznik przepięć BLITZDUCTORconnect ML2 BD 12
modułowy, gotowy do podłączenia kombinowany ogranicznik przepięć
do ochrony jednej pary nieuziemionych
interfejsów symetrycznych
przetestowany zgodnie z EN/IEC 61643-21 i
skoordynowany energetycznie według normy IEC 61643-22
Klasa SPD Typ 1 / P2
Kategoria udaru: C1, C2, C3, B2, D1
Wskaźnik stanu, szerokość 6 mm
Największe napięcie trwałej pracy: 15,0 V DC / 10,6 V AC
Prąd znamionowy przy 70°C: 0,75 A
C2 Znamionowy prąd wyładowczy na linię (8/20): 5 kA
C2 Całkowity znamionowy prąd wyładowczy (8/20): 10 kA
D1 Piorunowy prąd udarowy (10/350 µs) na linię: 1,5 kA
D1 Całkowity piorunowy prąd udarowy (10/350 µs): 3 kA
z odłączeniem sygnału na czas konserwacji
Podłączenie: wtykowe

Producent: DEHN
Typ: BCO ML2 BD 12
Nr kat.: 927242
lub podobny.

Certyfikaty

 

Dane techniczne

Klasa SPD L
Napięcie znamionowe (UN ) 12 V
Największe napięcie trwałej pracy DC (UC ) 15 V
Prąd znamionowy przy 70°C (IL ) 0,75 A
D1 Piorunowy prąd udarowy (10/350 µs) na linię (Iimp ) 1,5 kA
C2 Całkowity znamionowy prąd wyładowczy (8/20 µs) (In ) 10 kA
Impedancja szeregowa na linię 1 Ω
Częstotliwość graniczna linia-linia (fG ) 2,6 MHz
Certyfikaty UL 497B, CSA, ATEX, IECEx, CCC, SIL
*) Szczegóły patrz: www.dehn.de

Produkt 927242 został dodany do notatnika.

Do koszyka dodano produkt 927242.

Nr kat. 927244 BCO ML2 BD 24

GTIN / EAN 4013364405639, Nr taryfy celnej (EU): 85363010, Waga brutto: 58.64 g, Jednostka opakowaniowa: 1.00 szt.

Wcześniejszy produkt

Rysunki

Informacje dodatkowe

Kombinowany ogranicznik przepięć BLITZDUCTORconnect ML2 BD 24
modułowy, gotowy do podłączenia kombinowany ogranicznik przepięć
do ochrony jednej pary nieuziemionych
interfejsów symetrycznych
przetestowany zgodnie z EN/IEC 61643-21 i
skoordynowany energetycznie według normy IEC 61643-22
Klasa SPD Typ 1 / P2
Kategoria udaru: C1, C2, C3, B2, D1
Wskaźnik stanu, szerokość 6 mm
Największe napięcie trwałej pracy: 36,0 V DC / 25,4 V AC
Prąd znamionowy przy 70°C: 0,75 A
C2 Znamionowy prąd wyładowczy na linię (8/20): 5 kA
C2 Całkowity znamionowy prąd wyładowczy (8/20): 10 kA
D1 Piorunowy prąd udarowy (10/350 µs) na linię: 1,5 kA
D1 Całkowity piorunowy prąd udarowy (10/350 µs): 3 kA
z odłączeniem sygnału na czas konserwacji
Podłączenie: wtykowe

Producent: DEHN
Typ: BCO ML2 BD 24
Nr kat.: 927244
lub podobny.

Certyfikaty

 

Dane techniczne

Klasa SPD L
Napięcie znamionowe (UN ) 24 V
Największe napięcie trwałej pracy DC (UC ) 36 V
Prąd znamionowy przy 70°C (IL ) 0,75 A
D1 Piorunowy prąd udarowy (10/350 µs) na linię (Iimp ) 1,5 kA
C2 Całkowity znamionowy prąd wyładowczy (8/20 µs) (In ) 10 kA
Impedancja szeregowa na linię 1 Ω
Częstotliwość graniczna linia-linia (fG ) 5,8 MHz
Certyfikaty UL 497B, CSA, ATEX, IECEx, CCC, SIL
*) Szczegóły patrz: www.dehn.de

Produkt 927244 został dodany do notatnika.

Do koszyka dodano produkt 927244.

Nr kat. 927245 BCO ML2 BD 48

GTIN / EAN 4013364405646, Nr taryfy celnej (EU): 85363010, Waga brutto: 58.49 g, Jednostka opakowaniowa: 1.00 szt.

Wcześniejszy produkt

Rysunki

Informacje dodatkowe

Kombinowany ogranicznik przepięć BLITZDUCTORconnect ML2 BD 48
modułowy, gotowy do podłączenia kombinowany ogranicznik przepięć
do ochrony jednej pary nieuziemionych
interfejsów symetrycznych
przetestowany zgodnie z EN/IEC 61643-21 i
skoordynowany energetycznie według normy IEC 61643-22
Klasa SPD Typ 1 / P2
Kategoria udaru: C1, C2, C3, B2, D1
Wskaźnik stanu, szerokość 6 mm
Największe napięcie trwałej pracy: 56,0 V DC / 39,6 V AC
Prąd znamionowy przy 70°C: 0,75 A
C2 Znamionowy prąd wyładowczy na linię (8/20): 5 kA
C2 Całkowity znamionowy prąd wyładowczy (8/20): 10 kA
D1 Piorunowy prąd udarowy (10/350 µs) na linię: 1,5 kA
D1 Całkowity piorunowy prąd udarowy (10/350 µs): 3 kA
z odłączeniem sygnału na czas konserwacji
Podłączenie: wtykowe

Producent: DEHN
Typ: BCO ML2 BD 48
Nr kat.: 927245
lub podobny.

Certyfikaty

 

Dane techniczne

Klasa SPD L
Napięcie znamionowe (UN ) 48 V
Największe napięcie trwałej pracy DC (UC ) 56 V
Prąd znamionowy przy 70°C (IL ) 0,75 A
D1 Piorunowy prąd udarowy (10/350 µs) na linię (Iimp ) 1,5 kA
C2 Całkowity znamionowy prąd wyładowczy (8/20 µs) (In ) 10 kA
Impedancja szeregowa na linię 1 Ω
Częstotliwość graniczna linia-linia (fG ) 7,2 MHz
Certyfikaty UL 497B, CSA, ATEX, IECEx, CCC, SIL
*) Szczegóły patrz: www.dehn.de

Produkt 927245 został dodany do notatnika.

Do koszyka dodano produkt 927245.

Nr kat. 927247 BCO ML2 BD 180

GTIN / EAN 4013364468665, Nr taryfy celnej (EU): 85363010, Waga brutto: 58.92 g, Jednostka opakowaniowa: 1.00 szt.

Wcześniejszy produkt

Rysunki

Informacje dodatkowe

Kombinowany ogranicznik przepięć BLITZDUCTORconnect ML2 BD 180
modułowy, gotowy do podłączenia kombinowany ogranicznik przepięć
do ochrony jednej pary nieuziemionych
interfejsów symetrycznych
przetestowany zgodnie z EN/IEC 61643-21 i
skoordynowany energetycznie według normy IEC 61643-22
Klasa SPD Typ 1 / P2
Kategoria udaru: C1, C2, C3, B2, D1
Wskaźnik stanu, szerokość 6 mm
Największe napięcie trwałej pracy: 180 V DC / 127 V AC
Prąd znamionowy przy 70°C: 0,5 A
C2 Znamionowy prąd wyładowczy na linię (8/20): 5 kA
C2 Całkowity znamionowy prąd wyładowczy (8/20): 10 kA
D1 Piorunowy prąd udarowy (10/350 µs) na linię: 1,5 kA
D1 Całkowity piorunowy prąd udarowy (10/350 µs): 3 kA
z odłączeniem sygnału na czas konserwacji
Podłączenie: wtykowe

Producent: DEHN
Typ: BCO ML2 BD 180
Nr kat.: 927247
lub podobny.

Certyfikaty

 

Dane techniczne

Klasa SPD L
Napięcie znamionowe (UN ) 180 V
Największe napięcie trwałej pracy DC (UC ) 180 V
Prąd znamionowy przy 70°C (IL ) 0,5 A
D1 Piorunowy prąd udarowy (10/350 µs) na linię (Iimp ) 1,5 kA
C2 Całkowity znamionowy prąd wyładowczy (8/20 µs) (In ) 10 kA
Impedancja szeregowa na linię 1,8 Ω
Częstotliwość graniczna linia-linia (fG ) 10 MHz
Certyfikaty UL 497B, SIL
*) Szczegóły patrz: www.dehn.de

Produkt 927247 został dodany do notatnika.

Do koszyka dodano produkt 927247.


BCO ML2 BE HF

Kompaktowy modułowy ogranicznik przepięć o szerokości 6 mm, z podłączeniem przewodów w technice wtykowej ("push-in"), ze wskaźnikiem stanu, do ochrony dwóch pojedynczych linii szybkiej transmisji danych ze wspólnym potencjałem odniesienia oraz interfejsów niesymetrycznych. Z odłączeniem sygnału na czas konserwacji.

2 Produkty

Nr kat. 927270 BCO ML2 BE HF 5

GTIN / EAN 4013364405653, Nr taryfy celnej (EU): 85363010, Waga brutto: 58.57 g, Jednostka opakowaniowa: 1.00 szt.

Wcześniejszy produkt

Rysunki

Informacje dodatkowe

Kombinowany ogranicznik przepięć BLITZDUCTORconnect ML2 BE HF 5
modułowy, gotowy do podłączenia kombinowany ogranicznik przepięć
do ochrony 2 pojedynczych linii szybkiej
transmisji danych ze wspólnym potencjałem odniesienia
oraz interfejsów niesymetrycznych
przetestowany zgodnie z EN/IEC 61643-21 i skoordynowany
energetycznie według normy IEC 61643-22
Klasa SPD Typ 1 / P1
Kategoria udaru: C1, C2, C3, B2, D1
Wskaźnik stanu, szerokość 6 mm
Największe napięcie trwałej pracy: 8,5 V DC / 6,0 V AC
Prąd znamionowy przy 70°C: 0,75 A
Częstotliwość graniczna 100 MHz
C2 Znamionowy prąd wyładowczy na linię (8/20): 5 kA
C2 Całkowity znamionowy prąd wyładowczy (8/20): 10 kA
D1 Piorunowy prąd udarowy (10/350 µs) na linię: 1,5 kA
D1 Całkowity piorunowy prąd udarowy (10/350 µs): 3 kA
z odłączeniem sygnału na czas konserwacji
Podłączenie: wtykowe

Producent: DEHN
Typ: BCO ML2 BE HF 5
Nr kat.: 927270
lub podobny.

Certyfikaty

 

Dane techniczne

Klasa SPD M
Napięcie znamionowe (UN ) 5 V
Największe napięcie trwałej pracy DC (UC ) 8,5 V
Prąd znamionowy przy 70°C (IL ) 0,75 A
D1 Piorunowy prąd udarowy (10/350 µs) na linię (Iimp ) 1,5 kA
C2 Całkowity znamionowy prąd wyładowczy (8/20 µs) (In ) 10 kA
Impedancja szeregowa na linię 1 Ω
Certyfikaty UL 497B, CSA, ATEX, IECEx, CCC, SIL
*) Szczegóły patrz: www.dehn.de

Produkt 927270 został dodany do notatnika.

Do koszyka dodano produkt 927270.

Nr kat. 927274 BCO ML2 BE HF 24

GTIN / EAN 4013364468559, Nr taryfy celnej (EU): 85363010, Waga brutto: 58.30 g, Jednostka opakowaniowa: 1.00 szt.


Rysunki

Informacje dodatkowe

Kombinowany ogranicznik przepięć BLITZDUCTORconnect ML2 BE HF 24
modułowy, gotowy do podłączenia kombinowany ogranicznik przepięć
do ochrony 2 pojedynczych linii szybkiej
transmisji danych ze wspólnym potencjałem odniesienia
oraz interfejsów niesymetrycznych
przetestowany zgodnie z EN/IEC 61643-21 i skoordynowany
energetycznie według normy IEC 61643-22
Klasa SPD Typ 1 / P1
Kategoria udaru: C1, C2, C3, B2, D1
Wskaźnik stanu, szerokość 6 mm
Największe napięcie trwałej pracy: 36 V DC / 25,4 V AC
Prąd znamionowy przy 70°C: 0,75 A
Częstotliwość graniczna 100 MHz
C2 Znamionowy prąd wyładowczy na linię (8/20): 5 kA
C2 Całkowity znamionowy prąd wyładowczy (8/20): 10 kA
D1 Piorunowy prąd udarowy (10/350 µs) na linię: 1,5 kA
D1 Całkowity piorunowy prąd udarowy (10/350 µs): 3 kA
z odłączeniem sygnału na czas konserwacji
Podłączenie: wtykowe

Producent: DEHN
Typ: BCO ML2 BE HF 24
Nr kat.: 927274
lub podobny.

Certyfikaty

 

Dane techniczne

Klasa SPD M
Napięcie znamionowe (UN ) 24 V
Największe napięcie trwałej pracy DC (UC ) 36 V
Prąd znamionowy przy 70°C (IL ) 0,75 A
D1 Piorunowy prąd udarowy (10/350 µs) na linię (Iimp ) 1,5 kA
C2 Całkowity znamionowy prąd wyładowczy (8/20 µs) (In ) 10 kA
Impedancja szeregowa na linię 1 Ω
Certyfikaty UL 497B, SIL
*) Szczegóły patrz: www.dehn.de

Produkt 927274 został dodany do notatnika.

Do koszyka dodano produkt 927274.


BCO ML2 BD HF

Kompaktowy kombinowany ogranicznik przepięć z modułami wymiennymi o szerokości 6 mm, z zaciskiem przyłączeniowym w technice wtykowej („push-in”), ze wskaźnikiem stanu, do ochrony 1 pary nieuziemionych systemów magistralnych oraz interfejsów niesymetrycznych. Z odłączeniem sygnału na czas konserwacji.

2 Produkty

Nr kat. 927271 BCO ML2 BD HF 5

GTIN / EAN 4013364405660, Nr taryfy celnej (EU): 85363010, Waga brutto: 58.42 g, Jednostka opakowaniowa: 1.00 szt.

Wcześniejszy produkt

Rysunki

Informacje dodatkowe

Kombinowany ogranicznik przepięć BLITZDUCTORconnect ML2 BD HF 5
modułowy, gotowy do podłączenia ogranicznik kombinowany, do ochrony
1 pary nieuziemionych, wysokiej częstotliwości
systemów magistralnych oraz interfejsów niesymetrycznych
przetestowany zgodnie z EN/IEC 61643-21 i skoordynowany
energetycznie według normy IEC 61643-22
Klasa SPD Typ 1 / P2
Kategoria udaru: C1, C2, C3, B2, D1
Wskaźnik stanu, szerokość 6 mm
Największe napięcie trwałej pracy: 8,5 V DC / 6,0 V AC
Prąd znamionowy przy 70°C: 0,75 A
Częstotliwość graniczna 100 MHz
C2 Znamionowy prąd wyładowczy na linię (8/20): 5 kA
C2 Całkowity znamionowy prąd wyładowczy (8/20): 10 kA
D1 Piorunowy prąd udarowy (10/350 µs) na linię: 1,5 kA
D1 Całkowity piorunowy prąd udarowy (10/350 µs): 3 kA
z odłączeniem sygnału na czas konserwacji
Podłączenie: wtykowe

Producent: DEHN
Typ: BCO ML2 BD HF 5
Nr kat.: 927271
lub podobny.

Certyfikaty

 

Dane techniczne

Klasa SPD L
Napięcie znamionowe (UN ) 5 V
Największe napięcie trwałej pracy DC (UC ) 8,5 V
Prąd znamionowy przy 70°C (IL ) 0,75 A
D1 Piorunowy prąd udarowy (10/350 µs) na linię (Iimp ) 1,5 kA
C2 Całkowity znamionowy prąd wyładowczy (8/20 µs) (In ) 10 kA
Impedancja szeregowa na linię 1 Ω
Częstotliwość graniczna linia-linia (fG ) 100 MHz
Certyfikaty UL 497B, CSA, ATEX, IECEx, CCC, SIL
*) Szczegóły patrz: www.dehn.de

Produkt 927271 został dodany do notatnika.

Do koszyka dodano produkt 927271.

Nr kat. 927275 BCO ML2 BD HF 24

GTIN / EAN 4013364468566, Nr taryfy celnej (EU): 85363010, Waga brutto: 58.60 g, Jednostka opakowaniowa: 1.00 szt.

Wcześniejszy produkt

Rysunki

Informacje dodatkowe

Kombinowany ogranicznik przepięć BLITZDUCTORconnect ML2 BD HF 24
modułowy, gotowy do podłączenia ogranicznik kombinowany, do ochrony
1 pary nieuziemionych, wysokiej częstotliwości
systemów magistralnych oraz interfejsów niesymetrycznych
przetestowany zgodnie z EN/IEC 61643-21 i skoordynowany
energetycznie według normy IEC 61643-22
Klasa SPD Typ 1 / P2
Kategoria udaru: C1, C2, C3, B2, D1
Wskaźnik stanu, szerokość 6 mm
Największe napięcie trwałej pracy: 36 V DC / 25,4 V AC
Prąd znamionowy przy 70°C: 0,75 A
Częstotliwość graniczna 100 MHz
C2 Znamionowy prąd wyładowczy na linię (8/20): 5 kA
C2 Całkowity znamionowy prąd wyładowczy (8/20): 10 kA
D1 Piorunowy prąd udarowy (10/350 µs) na linię: 1,5 kA
D1 Całkowity piorunowy prąd udarowy (10/350 µs): 3 kA
z odłączeniem sygnału na czas konserwacji
Podłączenie: wtykowe

Producent: DEHN
Typ: BCO ML2 BD HF 24
Nr kat.: 927275
lub podobny.

Certyfikaty

 

Dane techniczne

Klasa SPD L
Napięcie znamionowe (UN ) 24 V
Największe napięcie trwałej pracy DC (UC ) 36 V
Prąd znamionowy przy 70°C (IL ) 0,75 A
D1 Piorunowy prąd udarowy (10/350 µs) na linię (Iimp ) 1,5 kA
C2 Całkowity znamionowy prąd wyładowczy (8/20 µs) (In ) 10 kA
Impedancja szeregowa na linię 1 Ω
Częstotliwość graniczna linia-linia (fG ) 100 MHz
Certyfikaty UL 497B, SIL
*) Szczegóły patrz: www.dehn.de

Produkt 927275 został dodany do notatnika.

Do koszyka dodano produkt 927275.


BCO ML2 BD HC5A 24

1 Produkt

Nr kat. 927254 BCO ML2 BD HC5A 24

GTIN / EAN 4013364513419, Nr taryfy celnej (EU): 85363010, Waga brutto: 60.63 g, Jednostka opakowaniowa: 1.00 szt.


Rysunki

Informacje dodatkowe

Kombinowany ogranicznik przepięć BLITZDUCTORconnect ML2 BD HC5A 24
modułowy, gotowy do podłączenia ogranicznik kombinowany, do ochrony
1 pary nieuziemionych obwodów sygnałowych
o wysokim prądzie znamionowym, do stosowania w systemach informatycznych
i obwodach pomiarowo-kontrolnych,
przetestowany zgodnie z EN/IEC 61643-21 i skoordynowany
energetycznie według normy IEC 61643-22
Klasa SPD Typ 1 / P2
Kategoria udaru: C1, C2, C3, B2, D1
Wskaźnik stanu, szerokość 6 mm
Największe napięcie trwałej pracy: 36 V DC / 25,4 V AC
Prąd znamionowy przy 80°C: 5 A
C2 Znamionowy prąd wyładowczy na linię (8/20): 5 kA
C2 Całkowity znamionowy prąd wyładowczy (8/20): 10 kA
D1 Piorunowy prąd udarowy (10/350 µs) na linię: 1,5 kA
D1 Całkowity piorunowy prąd udarowy (10/350 µs): 3 kA
z odłączeniem sygnału na czas konserwacji.
Podłączenie: wtykowe

Producent: DEHN
Typ: BCO ML2 BD HC5A 24
Nr kat.: 927254
lub podobny.

Certyfikaty

 

Dane techniczne

Klasa SPD L
Napięcie znamionowe (UN ) 24 V
Największe napięcie trwałej pracy DC (UC ) 36 V
Prąd znamionowy przy 80°C (IL ) 5 A
D1 Piorunowy prąd udarowy (10/350 µs) na linię (Iimp ) 1,5 kA
C2 Całkowity znamionowy prąd wyładowczy (8/20 µs) (In ) 10 kA
Impedancja szeregowa na linię 0 Ω
Certyfikaty UL 497B, SIL
*) Szczegóły patrz: www.dehn.de

Produkt 927254 został dodany do notatnika.

Do koszyka dodano produkt 927254.


BCO ML2 BPD 24

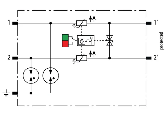
Kompaktowy kombinowany ogranicznik przepięć z modułami wymiennymi o szerokości 6 mm, z podłączeniem przewodów w technice wtykowej („push-in”), ze wskaźnikiem stanu, do ochrony 1 pary linii w sieciach 24 V DC. Może być również stosowany w instalacjach z uziemionymi biegunami ujemnymi. Wbudowane rezystory PTC pozwalają niezawodnie zresetować ogranicznik po wystąpieniu w obwodzie prądów zwarciowych do 40 A. Z odłączeniem sygnału na czas konserwacji.

1 Produkt

Nr kat. 927214 BCO ML2 BPD 24

GTIN / EAN 4013364473003, Nr taryfy celnej (EU): 85363010, Waga brutto: 58.00 g, Jednostka opakowaniowa: 1.00 szt.


Rysunki

Informacje dodatkowe

Kombinowany ogranicznik przepięć BLITZDUCTORconnect ML2 BPD 24
modułowy, gotowy do podłączenia kombinowany ogranicznik przepięć, do ochrony
jednej pary linii w sieciach 24 V DC,
może być również stosowany w instalacjach z uziemionymi biegunami ujemnymi,
z wbudowanymi rezystorami PTC i
zabezpieczeniem nadprądowym do 40 A
przetestowany zgodnie z EN/IEC 61643-21 i skoordynowany
energetycznie według normy IEC 61643-22
Klasa SPD Typ 1 / P2
Kategoria udaru: C1, C2, C3, B2, D1
Wskaźnik stanu, szerokość 6 mm
Największe napięcie trwałej pracy: 33,0 V DC / 23,3 V AC
Prąd znamionowy przy 70°C: 0,1 A
C2 Znamionowy prąd wyładowczy na linię (8/20): 5 kA
C2 Całkowity znamionowy prąd wyładowczy (8/20): 10 kA
D1 Piorunowy prąd udarowy (10/350 µs) na linię: 1,5 kA
D1 Całkowity piorunowy prąd udarowy (10/350 µs): 3 kA
z odłączeniem sygnału na czas konserwacji
Podłączenie: wtykowe

Producent: DEHN
Typ: BCO ML2 BPD 24
Nr kat.: 927214
lub podobny.

Certyfikaty

 

Dane techniczne

Klasa SPD L
Napięcie znamionowe (UN ) 24 V
Największe napięcie trwałej pracy DC (UC ) 33 V
Prąd znamionowy przy 70°C (IL ) 0,1 A
D1 Piorunowy prąd udarowy (10/350 µs) na linię (Iimp ) 1,5 kA
C2 Całkowity znamionowy prąd wyładowczy (8/20 µs) (In ) 10 kA
Impedancja szeregowa na linię 10 Ω
Częstotliwość graniczna linia-linia (fG ) 4,5 MHz
Certyfikaty UL 497B, SIL
*) Szczegóły patrz: www.dehn.de

Produkt 927214 został dodany do notatnika.

Do koszyka dodano produkt 927214.


BCO ML2 MVG 230

Kompaktowy modułowy ogranicznik przepięć o szerokości 6 mm, z podłączeniem przewodów w technice wtykowej („push-in”), ze wskaźnikiem stanu, do ochrony 2 linii wielodrutowych bezpotencjałowych interfejsów sygnałowych o napięciu znamionowym 230 V.
Spełnia m.in. wymagania dla systemów sygnalizacyjnych w infrastrukturze kolejowej (zgodność z RIL 819.0808).

1 Produkt

Nr kat. 927290 BCO ML2 MVG 230

GTIN / EAN 4013364466524, Nr taryfy celnej (EU): 85363010, Waga brutto: 60.12 g, Jednostka opakowaniowa: 1.00 szt.


Rysunki

Informacje dodatkowe

Ogranicznik przepięć BLITZDUCTORconnect ML2 MVG 230
modułowy, gotowy do podłączenia ogranicznik przepięć
do ochrony 2 linii wielodrutowych
interfejsów sygnałowych o napięciu znamionowym 230 V AC.
przetestowany zgodnie z EN/IEC 61643-21 i skoordynowany
energetycznie według normy IEC 61643-22
Klasa SPD Typ 2 / P3
Kategoria udaru: C1, C2, C3
Wskaźnik stanu, szerokość 6 mm
Największe napięcie trwałej pracy: 320 V DC / 250 V AC
Prąd znamionowy przy 80°C: 3 A
C2 Znamionowy prąd wyładowczy na linię (8/20): 3 kA
C2 Całkowity znamionowy prąd wyładowczy (8/20): 6 kA
z odłączeniem sygnału na czas konserwacji
Podłączenie: wtykowe
zgodność z DB RIL 819.0808

Producent: DEHN
Typ: BCO ML2 MVG 230
Nr kat.: 927290
lub podobny.

Certyfikaty

 

Dane techniczne

Klasa SPD V
Napięcie znamionowe (UN ) 230 V
Prąd znamionowy przy 80°C (IL ) 3 A
C2 Całkowity znamionowy prąd wyładowczy (8/20 µs) (In ) 6 kA
Impedancja szeregowa na linię 0 Ω
Certyfikaty SIL
*) Szczegóły patrz: www.dehn.de

Produkt 927290 został dodany do notatnika.

Do koszyka dodano produkt 927290.


BCO ML2 BD EX 24

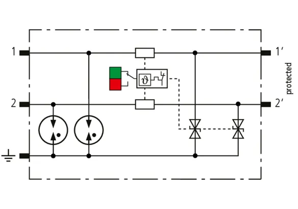
Kompaktowy modułowy ogranicznik przepięć o szerokości 6 mm, z podłączeniem przewodów w technice wtykowej ("push-in"), ze wskaźnikiem stanu, do ochrony jednej pary iskrobezpiecznych obwodów pomiarowych i systemów magistralnych, spełnia wymagania FISCO. Wytrzymałość izolacji > 500 V linia-ziemia. Z odłączeniem sygnału na czas konserwacji.

1 Produkt

Nr kat. 927284 BCO ML2 BD EX 24

GTIN / EAN 4013364405677, Nr taryfy celnej (EU): 85363010, Waga brutto: 65.18 g, Jednostka opakowaniowa: 1.00 szt.

Wcześniejszy produkt

Rysunki

Informacje dodatkowe

Kombinowany ogranicznik przepięć BLITZDUCTORconnect ML2 BD EX 24
modułowy, gotowy do podłączenia kombinowany ogranicznik przepięć
do ochrony jednej pary iskrobezpiecznych,
bezpotencjałowych interfejsów symetrycznych
przetestowany zgodnie z EN/IEC 61643-21 i
skoordynowany energetycznie według normy IEC 61643-22
Klasa SPD Typ 1 / P2
Kategoria udaru: C1, C2, C3, B2, D1
Wskaźnik stanu, szerokość 6 mm
Największe napięcie trwałej pracy: 36,0 V DC / 25,4 V AC
Prąd znamionowy przy 70°C: 0,75 A
Największe napięcie wejściowe zgodnie z EN 60079-11: 30 V
Największy prąd wejściowy zgodnie z EN 60079-11: 0,5 A
C2 Znamionowy prąd wyładowczy na linię (8/20): 5 kA
C2 Całkowity znamionowy prąd wyładowczy (8/20): 10 kA
D1 Piorunowy prąd udarowy (10/350 µs) na linię: 1,5 kA
D1 Całkowity piorunowy prąd udarowy (10/350 µs): 3 kA
z odłączeniem sygnału na czas konserwacji
Podłączenie: wtykowe

Producent: DEHN
Typ: BCO ML2 BD EX 24
Nr kat.: 927284
lub podobny.

Certyfikaty

 

Dane techniczne

Klasa SPD L
Napięcie znamionowe (UN ) 24 V
Największe napięcie trwałej pracy DC (UC ) 36 V
Prąd znamionowy przy 80°C (IL ) 0,5 A
D1 Piorunowy prąd udarowy (10/350 µs) na linię (Iimp ) 1,5 kA
C2 Całkowity znamionowy prąd wyładowczy (8/20 µs) (In ) 10 kA
Impedancja szeregowa na linię 1 Ω
Częstotliwość graniczna linia-linia (fG ) 3,5 MHz
Certyfikaty ATEX, IECEx, CCC, SIL
*) Szczegóły patrz: www.dehn.de

Produkt 927284 został dodany do notatnika.

Do koszyka dodano produkt 927284.


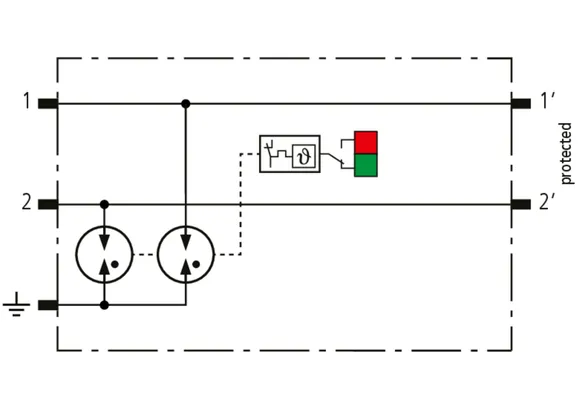
BCO MOD ML2 B

Moduł ochronny o szerokości 6 mm do ogranicznika BLITZDUCTORconnect ze wskaźnikiem stanu, do ochrony dwóch pojedynczych linii do piorunowego wyrównania potencjałów oraz pośredniego uziemienia kabli ekranowanych.

1 Produkt

Nr kat. 927010 BCO MOD ML2 B 180

GTIN / EAN 4013364410114, Nr taryfy celnej (EU): 85363010, Waga brutto: 39.00 g, Jednostka opakowaniowa: 1.00 szt.


Rysunki

Informacje dodatkowe

Moduł ochronny do ograniczników przepięć
BLITZDUCTORconnect MOD ML2 B 180
gotowy do podłączenia moduł do ograniczników przepięć
do ochrony 2 pojedynczych linii
do piorunowego wyrównania potencjałów
oraz pośredniego
uziemienia kabli ekranowanych
przetestowany zgodnie z EN/IEC 61643-21 i skoordynowany
energetycznie według normy IEC 61643-22
Klasa SPD Typ 1
Kategoria udaru: C2, C3, B2, D1
Wskaźnik stanu, szerokość 6 mm
Największe napięcie trwałej pracy: 180,0 V DC / 127,0 V AC
Prąd znamionowy przy 80°C: 1,2 A
C2 Znamionowy prąd wyładowczy na linię (8/20): 5 kA
C2 Całkowity znamionowy prąd wyładowczy (8/20): 10 kA
D1 Piorunowy prąd udarowy (10/350 µs) na linię: 1,5 kA
D1 Całkowity piorunowy prąd udarowy (10/350 µs): 3 kA
Moduł zastępczy

Producent: DEHN
Typ: BCO MOD ML2 B 180
Nr kat.: 927010
lub podobny.

Certyfikaty

 

Dane techniczne

Klasa SPD A
Napięcie znamionowe (UN ) 180 V
Największe napięcie trwałej pracy DC (UC ) 180 V
D1 Piorunowy prąd udarowy (10/350 µs) na linię (Iimp ) 1,5 kA
C2 Całkowity znamionowy prąd wyładowczy (8/20 µs) (In ) 10 kA
Impedancja szeregowa na linię 0 Ω
Certyfikaty UL 497B, CSA, ATEX, IECEx, CCC, SIL
*) Szczegóły patrz: www.dehn.de

Produkt 927010 został dodany do notatnika.

Do koszyka dodano produkt 927010.


BCO MOD ML2 BE

Moduł ochronny o szerokości 6 mm do ogranicznika BLITZDUCTORconnect ze wskaźnikiem stanu, do ochrony dwóch pojedynczych linii ze wspólnym potencjałem odniesienia oraz interfejsów niesymetrycznych.

4 Produkty

Nr kat. 927022 BCO MOD ML2 BE 12

GTIN / EAN 4013364410121, Nr taryfy celnej (EU): 85363010, Waga brutto: 39.00 g, Jednostka opakowaniowa: 1.00 szt.


Rysunki

Informacje dodatkowe

Moduł ochronny do kombinowanych ograniczników przepięć
BLITZDUCTORconnect MOD ML2 BE 12
gotowy do podłączenia kombinowany ogranicznik przepięć
do ochrony 2 pojedynczych linii
ze wspólnym potencjałem odniesienia
oraz interfejsów niesymetrycznych
przetestowany zgodnie z EN/IEC 61643-21 i skoordynowany
energetycznie według normy IEC 61643-22
Klasa SPD Typ 1 / P1
Kategoria udaru: C1, C2, C3, B2, D1
Wskaźnik stanu, szerokość 6 mm
Największe napięcie trwałej pracy: 15,0 V DC / 10,6 V AC
Prąd znamionowy przy 70°C: 0,75 A
C2 Znamionowy prąd wyładowczy na linię (8/20): 5 kA
C2 Całkowity znamionowy prąd wyładowczy (8/20): 10 kA
D1 Piorunowy prąd udarowy (10/350 µs) na linię: 1,5 kA
D1 Całkowity piorunowy prąd udarowy (10/350 µs): 3 kA
Moduł zastępczy

Producent: DEHN
Typ: BCO MOD ML2 BE 12
Nr kat.: 927022
lub podobny.

Certyfikaty

 

Dane techniczne

Klasa SPD M
Napięcie znamionowe (UN ) 12 V
Największe napięcie trwałej pracy DC (UC ) 15 V
Prąd znamionowy przy 70°C (IL ) 0,75 A
D1 Piorunowy prąd udarowy (10/350 µs) na linię (Iimp ) 1,5 kA
C2 Całkowity znamionowy prąd wyładowczy (8/20 µs) (In ) 10 kA
Impedancja szeregowa na linię 1 Ω
Częstotliwość graniczna linia-linia (fG ) 1,4 MHz
Certyfikaty UL 497B, CSA, ATEX, IECEx, CCC, SIL
*) Szczegóły patrz: www.dehn.de

Produkt 927022 został dodany do notatnika.

Do koszyka dodano produkt 927022.

Nr kat. 927024 BCO MOD ML2 BE 24

GTIN / EAN 4013364410138, Nr taryfy celnej (EU): 85363010, Waga brutto: 39.27 g, Jednostka opakowaniowa: 1.00 szt.


Rysunki

Informacje dodatkowe

Moduł ochronny do kombinowanych ograniczników przepięć
BLITZDUCTORconnect MOD ML2 BE 24
gotowy do podłączenia moduł do kombinowanych ograniczników przepięć
do ochrony 2 pojedynczych linii
ze wspólnym potencjałem odniesienia
oraz interfejsów niesymetrycznych
przetestowany zgodnie z EN/IEC 61643-21 i skoordynowany
energetycznie według normy IEC 61643-22
Klasa SPD Typ 1 / P1
Kategoria udaru: C1, C2, C3, B2, D1
Wskaźnik stanu, szerokość 6 mm
Największe napięcie trwałej pracy: 33,0 V DC / 23,3 V AC
Prąd znamionowy przy 70°C: 0,75 A
C2 Znamionowy prąd wyładowczy na linię (8/20): 5 kA
C2 Całkowity znamionowy prąd wyładowczy (8/20): 10 kA
D1 Piorunowy prąd udarowy (10/350 µs) na linię: 1,5 kA
D1 Całkowity piorunowy prąd udarowy (10/350 µs): 3 kA
Moduł zastępczy

Producent: DEHN
Typ: BCO MOD ML2 BE 24
Nr kat.: 927024
lub podobny.

Certyfikaty

 

Dane techniczne

Klasa SPD M
Napięcie znamionowe (UN ) 24 V
Największe napięcie trwałej pracy DC (UC ) 33 V
Prąd znamionowy przy 70°C (IL ) 0,75 A
D1 Piorunowy prąd udarowy (10/350 µs) na linię (Iimp ) 1,5 kA
C2 Całkowity znamionowy prąd wyładowczy (8/20 µs) (In ) 10 kA
Impedancja szeregowa na linię 1 Ω
Częstotliwość graniczna linia-linia (fG ) 3,4 MHz
Certyfikaty UL 497B, CSA, ATEX, IECEx, CCC, SIL
*) Szczegóły patrz: www.dehn.de

Produkt 927024 został dodany do notatnika.

Do koszyka dodano produkt 927024.

Nr kat. 927025 BCO MOD ML2 BE 48

GTIN / EAN 4013364410145, Nr taryfy celnej (EU): 85363010, Waga brutto: 39.00 g, Jednostka opakowaniowa: 1.00 szt.


Rysunki

Informacje dodatkowe

Moduł ochronny do kombinowanych ograniczników przepięć
BLITZDUCTORconnect MOD ML2 BE 48
gotowy do podłączenia moduł do kombinowanych ograniczników przepięć
do ochrony 2 pojedynczych linii
ze wspólnym potencjałem odniesienia
oraz interfejsów niesymetrycznych
przetestowany zgodnie z EN/IEC 61643-21 i
skoordynowany energetycznie według normy IEC 61643-22
Klasa SPD Typ 1 / P1
Kategoria udaru: C1, C2, C3, B2, D1
Wskaźnik stanu, szerokość 6 mm
Największe napięcie trwałej pracy: 54,0 V DC / 38,1 V AC
Prąd znamionowy przy 70°C: 0,75 A
C2 Znamionowy prąd wyładowczy na linię (8/20): 5 kA
C2 Całkowity znamionowy prąd wyładowczy (8/20): 10 kA
D1 Piorunowy prąd udarowy (10/350 µs) na linię: 1,5 kA
D1 Całkowity piorunowy prąd udarowy (10/350 µs): 3 kA
Moduł zastępczy

Producent: DEHN
Typ: BCO MOD ML2 BE 48
Nr kat.: 927025
lub podobny.

Certyfikaty

 

Dane techniczne

Klasa SPD M
Napięcie znamionowe (UN ) 48 V
Największe napięcie trwałej pracy DC (UC ) 54 V
Prąd znamionowy przy 70°C (IL ) 0,75 A
D1 Piorunowy prąd udarowy (10/350 µs) na linię (Iimp ) 1,5 kA
C2 Całkowity znamionowy prąd wyładowczy (8/20 µs) (In ) 10 kA
Impedancja szeregowa na linię 1 Ω
Częstotliwość graniczna linia-linia (fG ) 5 MHz
Certyfikaty UL 497B, CSA, ATEX, IECEx, CCC, SIL
*) Szczegóły patrz: www.dehn.de

Produkt 927025 został dodany do notatnika.

Do koszyka dodano produkt 927025.

Nr kat. 927027 BCO MOD ML2 BE 180

GTIN / EAN 4013364468689, Nr taryfy celnej (EU): 85363010, Waga brutto: 39.00 g, Jednostka opakowaniowa: 1.00 szt.


Rysunki

Informacje dodatkowe

Moduł ochronny do kombinowanych ograniczników przepięć
BLITZDUCTORconnect MOD ML2 BE 180
gotowy do podłączenia moduł do kombinowanych ograniczników przepięć
do ochrony 2 pojedynczych linii
ze wspólnym potencjałem odniesienia
oraz interfejsów niesymetrycznych
przetestowany zgodnie z EN/IEC 61643-21 i
skoordynowany energetycznie według normy IEC 61643-22
Klasa SPD Typ 1 / P1
Kategoria udaru: C1, C2, C3, B2, D1
Wskaźnik stanu, szerokość 6 mm
Największe napięcie trwałej pracy: 180 V DC / 127 V AC
Prąd znamionowy przy 70°C: 0,5 A
C2 Znamionowy prąd wyładowczy na linię (8/20): 5 kA
C2 Całkowity znamionowy prąd wyładowczy (8/20): 10 kA
D1 Piorunowy prąd udarowy (10/350 µs) na linię: 1,5 kA
D1 Całkowity piorunowy prąd udarowy (10/350 µs): 3 kA
Moduł zastępczy

Producent: DEHN
Typ: BCO MOD ML2 BE 180
Nr kat.: 927027
lub podobny.

Certyfikaty

 

Dane techniczne

Klasa SPD M
Napięcie znamionowe (UN ) 180 V
Największe napięcie trwałej pracy DC (UC ) 180 V
Prąd znamionowy przy 70°C (IL ) 0,5 A
D1 Piorunowy prąd udarowy (10/350 µs) na linię (Iimp ) 1,5 kA
C2 Całkowity znamionowy prąd wyładowczy (8/20 µs) (In ) 10 kA
Impedancja szeregowa na linię 1,8 Ω
Częstotliwość graniczna linia-linia (fG ) 10 MHz
Certyfikaty UL 497B, SIL
*) Szczegóły patrz: www.dehn.de

Produkt 927027 został dodany do notatnika.

Do koszyka dodano produkt 927027.


BCO MOD ML2 BD

Moduł ochronny o szerokości 6 mm do ogranicznika BLITZDUCTORconnect ze wskaźnikiem stanu, do ochrony jednej pary nieuziemionych interfejsów symetrycznych.

4 Produkty

Nr kat. 927042 BCO MOD ML2 BD 12

GTIN / EAN 4013364410152, Nr taryfy celnej (EU): 85363010, Waga brutto: 39.00 g, Jednostka opakowaniowa: 1.00 szt.


Rysunki

Informacje dodatkowe

Moduł ochronny do kombinowanych ograniczników przepięć
BLITZDUCTORconnect MOD ML2 BD 12
gotowy do podłączenia moduł do kombinowanych ograniczników przepięć
do ochrony jednej pary
bezpotencjałowych interfejsów symetrycznych
przetestowany zgodnie z EN/IEC 61643-21 i skoordynowany
energetycznie według normy IEC 61643-22
Klasa SPD Typ 1 / P2
Kategoria udaru: C1, C2, C3, B2, D1
Wskaźnik stanu, szerokość 6 mm
Największe napięcie trwałej pracy: 15,0 V DC / 10,6 V AC
Prąd znamionowy przy 70°C: 0,75 A
C2 Znamionowy prąd wyładowczy na linię (8/20): 5 kA
C2 Całkowity znamionowy prąd wyładowczy (8/20): 10 kA
D1 Piorunowy prąd udarowy (10/350 µs) na linię: 1,5 kA
D1 Całkowity piorunowy prąd udarowy (10/350 µs): 3 kA
Moduł zastępczy

Producent: DEHN
Typ: BCO MOD ML2 BD 12
Nr kat.: 927042
lub podobny.

Certyfikaty

 

Dane techniczne

Klasa SPD L
Napięcie znamionowe (UN ) 12 V
Największe napięcie trwałej pracy DC (UC ) 15 V
Prąd znamionowy przy 70°C (IL ) 0,75 A
D1 Piorunowy prąd udarowy (10/350 µs) na linię (Iimp ) 1,5 kA
C2 Całkowity znamionowy prąd wyładowczy (8/20 µs) (In ) 10 kA
Impedancja szeregowa na linię 1 Ω
Częstotliwość graniczna linia-linia (fG ) 2,6 MHz
Certyfikaty UL 497B, CSA, ATEX, IECEx, CCC, SIL
*) Szczegóły patrz: www.dehn.de

Produkt 927042 został dodany do notatnika.

Do koszyka dodano produkt 927042.

Nr kat. 927044 BCO MOD ML2 BD 24

GTIN / EAN 4013364410169, Nr taryfy celnej (EU): 85363010, Waga brutto: 39.00 g, Jednostka opakowaniowa: 1.00 szt.


Rysunki

Informacje dodatkowe

Moduł ochronny do kombinowanych ograniczników przepięć
BLITZDUCTORconnect MOD ML2 BD 24
gotowy do podłączenia moduł do kombinowanych ograniczników przepięć
do ochrony jednej pary
bezpotencjałowych interfejsów symetrycznych
przetestowany zgodnie z EN/IEC 61643-21 i skoordynowany
energetycznie według normy IEC 61643-22
Klasa SPD Typ 1 / P2
Kategoria udaru: C1, C2, C3, B2, D1
Wskaźnik stanu, szerokość 6 mm
Największe napięcie trwałej pracy: 36,0 V DC / 25,4 V AC
Prąd znamionowy przy 70°C: 0,75 A
C2 Znamionowy prąd wyładowczy na linię (8/20): 5 kA
C2 Całkowity znamionowy prąd wyładowczy (8/20): 10 kA
D1 Piorunowy prąd udarowy (10/350 µs) na linię: 1,5 kA
D1 Całkowity piorunowy prąd udarowy (10/350 µs): 3 kA
Moduł zastępczy

Producent: DEHN
Typ: BCO MOD ML2 BD 24
Nr kat.: 927044
lub podobny.

Certyfikaty

 

Dane techniczne

Klasa SPD L
Napięcie znamionowe (UN ) 24 V
Największe napięcie trwałej pracy DC (UC ) 36 V
Prąd znamionowy przy 70°C (IL ) 0,75 A
D1 Piorunowy prąd udarowy (10/350 µs) na linię (Iimp ) 1,5 kA
C2 Całkowity znamionowy prąd wyładowczy (8/20 µs) (In ) 10 kA
Impedancja szeregowa na linię 1 Ω
Częstotliwość graniczna linia-linia (fG ) 5,8 MHz
Certyfikaty UL 497B, CSA, ATEX, IECEx, CCC, SIL
*) Szczegóły patrz: www.dehn.de

Produkt 927044 został dodany do notatnika.

Do koszyka dodano produkt 927044.

Nr kat. 927045 BCO MOD ML2 BD 48

GTIN / EAN 4013364410176, Nr taryfy celnej (EU): 85363010, Waga brutto: 39.00 g, Jednostka opakowaniowa: 1.00 szt.


Rysunki

Informacje dodatkowe

Moduł ochronny do kombinowanych ograniczników przepięć
BLITZDUCTORconnect MOD ML2 BD 48
gotowy do podłączenia moduł do kombinowanych ograniczników przepięć
do ochrony jednej pary
bezpotencjałowych interfejsów symetrycznych
przetestowany zgodnie z EN/IEC 61643-21 i
skoordynowany energetycznie według normy IEC 61643-22
Klasa SPD Typ 1 / P2
Kategoria udaru: C1, C2, C3, B2, D1
Wskaźnik stanu, szerokość 6 mm
Największe napięcie trwałej pracy: 54,0 V DC / 38,1 V AC
Prąd znamionowy przy 70°C: 0,75 A
C2 Znamionowy prąd wyładowczy na linię (8/20): 5 kA
C2 Całkowity znamionowy prąd wyładowczy (8/20): 10 kA
D1 Piorunowy prąd udarowy (10/350 µs) na linię: 1,5 kA
D1 Całkowity piorunowy prąd udarowy (10/350 µs): 3 kA
Moduł zastępczy

Producent: DEHN
Typ: BCO MOD ML2 BD 48
Nr kat.: 927045
lub podobny.

Certyfikaty

 

Dane techniczne

Klasa SPD L
Napięcie znamionowe (UN ) 48 V
Największe napięcie trwałej pracy DC (UC ) 56 V
Prąd znamionowy przy 70°C (IL ) 0,75 A
D1 Piorunowy prąd udarowy (10/350 µs) na linię (Iimp ) 1,5 kA
C2 Całkowity znamionowy prąd wyładowczy (8/20 µs) (In ) 10 kA
Impedancja szeregowa na linię 1 Ω
Częstotliwość graniczna linia-linia (fG ) 7,2 MHz
Certyfikaty UL 497B, CSA, ATEX, IECEx, CCC, SIL
*) Szczegóły patrz: www.dehn.de

Produkt 927045 został dodany do notatnika.

Do koszyka dodano produkt 927045.

Nr kat. 927047 BCO MOD ML2 BD 180

GTIN / EAN 4013364468672, Nr taryfy celnej (EU): 85363010, Waga brutto: 39.00 g, Jednostka opakowaniowa: 1.00 szt.


Rysunki

Informacje dodatkowe

Moduł ochronny do kombinowanych ograniczników przepięć
BLITZDUCTORconnect MOD ML2 BD 180
gotowy do podłączenia moduł do kombinowanych ograniczników przepięć
do ochrony jednej pary
bezpotencjałowych interfejsów symetrycznych
przetestowany zgodnie z EN/IEC 61643-21 i
skoordynowany energetycznie według normy IEC 61643-22
Klasa SPD Typ 1 / P2
Kategoria udaru: C1, C2, C3, B2, D1
Wskaźnik stanu, szerokość 6 mm
Największe napięcie trwałej pracy: 180 V DC / 127 V AC
Prąd znamionowy przy 70°C: 0,5 A
C2 Znamionowy prąd wyładowczy na linię (8/20): 5 kA
C2 Całkowity znamionowy prąd wyładowczy (8/20): 10 kA
D1 Piorunowy prąd udarowy (10/350 µs) na linię: 1,5 kA
D1 Całkowity piorunowy prąd udarowy (10/350 µs): 3 kA
Moduł zastępczy

Producent: DEHN
Typ: BCO MOD ML2 BD 180
Nr kat.: 927047
lub podobny.

Certyfikaty

 

Dane techniczne

Klasa SPD L
Napięcie znamionowe (UN ) 180 V
Największe napięcie trwałej pracy DC (UC ) 180 V
Prąd znamionowy przy 70°C (IL ) 0,5 A
D1 Piorunowy prąd udarowy (10/350 µs) na linię (Iimp ) 1,5 kA
C2 Całkowity znamionowy prąd wyładowczy (8/20 µs) (In ) 10 kA
Impedancja szeregowa na linię 1,8 Ω
Częstotliwość graniczna linia-linia (fG ) 10 MHz
Certyfikaty UL 497B, SIL
*) Szczegóły patrz: www.dehn.de

Produkt 927047 został dodany do notatnika.

Do koszyka dodano produkt 927047.


BCO MOD ML2 BE HF

Moduł ochronny o szerokości 6 mm do ogranicznika BLITZDUCTORconnect ze wskaźnikiem stanu, do ochrony dwóch pojedynczych linii szybkiej transmisji danych ze wspólnym potencjałem odniesienia oraz interfejsów niesymetrycznych.

2 Produkty

Nr kat. 927070 BCO MOD ML2 BE HF 5

GTIN / EAN 4013364410183, Nr taryfy celnej (EU): 85363010, Waga brutto: 39.00 g, Jednostka opakowaniowa: 1.00 szt.


Rysunki

Informacje dodatkowe

Moduł ochronny do kombinowanych ograniczników przepięć
BLITZDUCTORconnect MOD ML2 BE HF 5
gotowy do podłączenia moduł do kombinowanych ograniczników przepięć
do ochrony 2 pojedynczych linii szybkiej
transmisji danych ze wspólnym potencjałem odniesienia
oraz interfejsów niesymetrycznych
przetestowany zgodnie z EN/IEC 61643-21 i skoordynowany
energetycznie według normy IEC 61643-22
Klasa SPD Typ 1 / P1
Kategoria udaru: C1, C2, C3, B2, D1
Wskaźnik stanu, szerokość 6 mm
Największe napięcie trwałej pracy: 8,5 V DC / 6,0 V AC
Prąd znamionowy przy 70°C: 0,75 A
Częstotliwość graniczna 100 MHz
C2 Znamionowy prąd wyładowczy na linię (8/20): 5 kA
C2 Całkowity znamionowy prąd wyładowczy (8/20): 10 kA
D1 Piorunowy prąd udarowy (10/350 µs) na linię: 1,5 kA
D1 Całkowity piorunowy prąd udarowy (10/350 µs): 3 kA
Moduł zastępczy

Producent: DEHN
Typ: BCO MOD ML2 BE HF 5
Nr kat.: 927070
lub podobny.

Certyfikaty

 

Dane techniczne

Klasa SPD M
Napięcie znamionowe (UN ) 5 V
Największe napięcie trwałej pracy DC (UC ) 8,5 V
Prąd znamionowy przy 70°C (IL ) 0,75 A
D1 Piorunowy prąd udarowy (10/350 µs) na linię (Iimp ) 1,5 kA
C2 Całkowity znamionowy prąd wyładowczy (8/20 µs) (In ) 10 kA
Impedancja szeregowa na linię 1 Ω
Certyfikaty UL 497B, CSA, ATEX, IECEx, CCC, SIL
*) Szczegóły patrz: www.dehn.de

Produkt 927070 został dodany do notatnika.

Do koszyka dodano produkt 927070.

Nr kat. 927074 BCO MOD ML2 BE HF 24

GTIN / EAN 4013364468573, Nr taryfy celnej (EU): 85363010, Waga brutto: 39.00 g, Jednostka opakowaniowa: 1.00 szt.


Rysunki

Informacje dodatkowe

Moduł ochronny do kombinowanych ograniczników przepięć
BLITZDUCTORconnect MOD ML2 BE HF 24
gotowy do podłączenia moduł do kombinowanych ograniczników przepięć
do ochrony 2 pojedynczych linii szybkiej
transmisji danych ze wspólnym potencjałem odniesienia
oraz interfejsów niesymetrycznych
przetestowany zgodnie z EN/IEC 61643-21 i skoordynowany
energetycznie według normy IEC 61643-22
Klasa SPD Typ 1 / P1
Kategoria udaru: C1, C2, C3, B2, D1
Wskaźnik stanu, szerokość 6 mm
Największe napięcie trwałej pracy: 36 V DC / 25,4 V AC
Prąd znamionowy przy 70°C: 0,75 A
Częstotliwość graniczna 100 MHz
C2 Znamionowy prąd wyładowczy na linię (8/20): 5 kA
C2 Całkowity znamionowy prąd wyładowczy (8/20): 10 kA
D1 Piorunowy prąd udarowy (10/350 µs) na linię: 1,5 kA
D1 Całkowity piorunowy prąd udarowy (10/350 µs): 3 kA
Moduł zastępczy

Producent: DEHN
Typ: BCO MOD ML2 BE HF 24
Nr kat.: 927074
lub podobny.

Certyfikaty

 

Dane techniczne

Klasa SPD M
Napięcie znamionowe (UN ) 24 V
Największe napięcie trwałej pracy DC (UC ) 36 V
Prąd znamionowy przy 70°C (IL ) 0,75 A
D1 Piorunowy prąd udarowy (10/350 µs) na linię (Iimp ) 1,5 kA
C2 Całkowity znamionowy prąd wyładowczy (8/20 µs) (In ) 10 kA
Impedancja szeregowa na linię 1 Ω
Certyfikaty UL 497B, SIL
*) Szczegóły patrz: www.dehn.de

Produkt 927074 został dodany do notatnika.

Do koszyka dodano produkt 927074.


BCO MOD ML2 BD HF

Moduł ochronny o szerokości 6 mm do ogranicznika BLITZDUCTORconnect ze wskaźnikiem stanu, do ochrony jednej pary nieuziemionych systemów magistralnych wysokiej częstotliwości oraz interfejsów symetrycznych.

2 Produkty

Nr kat. 927071 BCO MOD ML2 BD HF 5

GTIN / EAN 4013364410190, Nr taryfy celnej (EU): 85363010, Waga brutto: 39.00 g, Jednostka opakowaniowa: 1.00 szt.


Rysunki

Informacje dodatkowe

Moduł ochronny do kombinowanych ograniczników przepięć
BLITZDUCTORconnect MOD ML2 BD HF 5
gotowy do podłączenia moduł do kombinowanych ograniczników przepięć
do ochrony 1 pary nieuziemionych
systemów magistralnych wysokiej częstotliwości
oraz interfejsów symetrycznych
przetestowany zgodnie z EN/IEC 61643-21 i skoordynowany
energetycznie według normy IEC 61643-22
Klasa SPD Typ 1 / P2
Kategoria udaru: C1, C2, C3, B2, D1
Wskaźnik stanu, szerokość 6 mm
Największe napięcie trwałej pracy: 8,5 V DC / 6,0 V AC
Prąd znamionowy przy 70°C: 0,75 A
Częstotliwość graniczna 100 MHz
C2 Znamionowy prąd wyładowczy na linię (8/20): 5 kA
C2 Całkowity znamionowy prąd wyładowczy (8/20): 10 kA
D1 Piorunowy prąd udarowy (10/350 µs) na linię: 1,5 kA
D1 Całkowity piorunowy prąd udarowy (10/350 µs): 3 kA
Moduł zastępczy

Producent: DEHN
Typ: BCO MOD ML2 BD HF 5
Nr kat.: 927071
lub podobny.

Certyfikaty

 

Dane techniczne

Klasa SPD L
Napięcie znamionowe (UN ) 5 V
Największe napięcie trwałej pracy DC (UC ) 8,5 V
Prąd znamionowy przy 70°C (IL ) 0,75 A
D1 Piorunowy prąd udarowy (10/350 µs) na linię (Iimp ) 1,5 kA
C2 Całkowity znamionowy prąd wyładowczy (8/20 µs) (In ) 10 kA
Impedancja szeregowa na linię 1 Ω
Częstotliwość graniczna linia-linia (fG ) 100 MHz
Certyfikaty UL 497B, CSA, ATEX, IECEx, CCC, SIL
*) Szczegóły patrz: www.dehn.de

Produkt 927071 został dodany do notatnika.

Do koszyka dodano produkt 927071.

Nr kat. 927075 BCO MOD ML2 BD HF 24

GTIN / EAN 4013364468580, Nr taryfy celnej (EU): 85363010, Waga brutto: 39.00 g, Jednostka opakowaniowa: 1.00 szt.


Rysunki

Informacje dodatkowe

Moduł ochronny do kombinowanych ograniczników przepięć
BLITZDUCTORconnect MOD ML2 BD HF 24
gotowy do podłączenia moduł do kombinowanych ograniczników przepięć
do ochrony 1 pary nieuziemionych
systemów magistralnych wysokiej częstotliwości
oraz interfejsów symetrycznych
przetestowany zgodnie z EN/IEC 61643-21 i skoordynowany
energetycznie według normy IEC 61643-22
Klasa SPD Typ 1 / P2
Kategoria udaru: C1, C2, C3, B2, D1
Wskaźnik stanu, szerokość 6 mm
Największe napięcie trwałej pracy: 36 V DC / 25,4 V AC
Prąd znamionowy przy 70°C: 0,75 A
Częstotliwość graniczna 100 MHz
C2 Znamionowy prąd wyładowczy na linię (8/20): 5 kA
C2 Całkowity znamionowy prąd wyładowczy (8/20): 10 kA
D1 Piorunowy prąd udarowy (10/350 µs) na linię: 1,5 kA
D1 Całkowity piorunowy prąd udarowy (10/350 µs): 3 kA
Moduł zastępczy

Producent: DEHN
Typ: BCO MOD ML2 BD HF 24
Nr kat.: 927075
lub podobny.

Certyfikaty

 

Dane techniczne

Klasa SPD L
Napięcie znamionowe (UN ) 24 V
Największe napięcie trwałej pracy DC (UC ) 36 V
Prąd znamionowy przy 70°C (IL ) 0,75 A
D1 Piorunowy prąd udarowy (10/350 µs) na linię (Iimp ) 1,5 kA
C2 Całkowity znamionowy prąd wyładowczy (8/20 µs) (In ) 10 kA
Impedancja szeregowa na linię 1 Ω
Częstotliwość graniczna linia-linia (fG ) 100 MHz
Certyfikaty UL 497B, SIL
*) Szczegóły patrz: www.dehn.de

Produkt 927075 został dodany do notatnika.

Do koszyka dodano produkt 927075.


BCO MOD ML2 BD HC5A 24

1 Produkt

Nr kat. 927054 BCO MOD ML2 BD HC5A 24

GTIN / EAN 4013364513426, Nr taryfy celnej (EU): 85363010, Waga brutto: 41.00 g, Jednostka opakowaniowa: 1.00 szt.


Rysunki

Informacje dodatkowe

Moduł ochronny do kombinowanych ograniczników przepięć
BLITZDUCTORconnect MOD ML2 BD HC5A 24
gotowy do podłączenia moduł do kombinowanych ograniczników przepięć
do ochrony 1 pary nieuziemionych
obwodów sygnałowych o wysokim prądzie znamionowym w
systemach informatycznych oraz obwodach pomiarowo-kontrolnych.
przetestowany zgodnie z EN/IEC 61643-21 i skoordynowany
energetycznie według normy IEC 61643-22
Klasa SPD Typ 1 / P2
Kategoria udaru: C1, C2, C3, B2, D1
Wskaźnik stanu, szerokość 6 mm
Największe napięcie trwałej pracy: 36 V DC / 25,4 V AC
Prąd znamionowy przy 80°C: 5 A
C2 Znamionowy prąd wyładowczy na linię (8/20): 5 kA
C2 Całkowity znamionowy prąd wyładowczy (8/20): 10 kA
D1 Piorunowy prąd udarowy (10/350 µs) na linię: 1,5 kA
D1 Całkowity piorunowy prąd udarowy (10/350 µs): 3 kA
Moduł zastępczy

Producent: DEHN
Typ: BCO MOD ML2 BD HC5A 24
Nr kat.: 927054
lub podobny.

Certyfikaty

 

Dane techniczne

Klasa SPD L
Napięcie znamionowe (UN ) 24 V
Największe napięcie trwałej pracy DC (UC ) 36 V
Prąd znamionowy przy 80°C (IL ) 5 A
D1 Piorunowy prąd udarowy (10/350 µs) na linię (Iimp ) 1,5 kA
C2 Całkowity znamionowy prąd wyładowczy (8/20 µs) (In ) 10 kA
Impedancja szeregowa na linię 0 Ω
Certyfikaty UL 497B, SIL
*) Szczegóły patrz: www.dehn.de

Produkt 927054 został dodany do notatnika.

Do koszyka dodano produkt 927054.


BCO MOD ML2 BPD

Moduł ochronny o szerokości 6 mm do ogranicznika przepięć BLITZDUCTORconnect ze wskaźnikiem stanu, do ochrony 1 pary linii w sieciach 24 V DC. Może być również stosowany w instalacjach z uziemionymi biegunami ujemnymi. Wbudowane rezystory PTC pozwalają niezawodnie zresetować ogranicznik po wystąpieniu w obwodzie prądów zwarciowych do 40 A.

1 Produkt

Nr kat. 927014 BCO MOD ML2 BPD 24

GTIN / EAN 4013364473010, Nr taryfy celnej (EU): 85363010, Waga brutto: 39.00 g, Jednostka opakowaniowa: 1.00 szt.


Rysunki

Informacje dodatkowe

Moduł ochronny do kombinowanego ogranicznika przepięć BLITZDUCTORconnect MOD ML2 BPD 24
gotowy do podłączenia moduł ochronny do kombinowanego ogranicznika przepięć do ochrony
jednej pary linii w sieciach 24 V DC, może
być również stosowany w instalacjach z uziemionymi biegunami ujemnymi,
z wbudowanymi rezystorami PTC jako
zabezpieczenie nadprądowe do 40 A
przetestowany zgodnie z EN/IEC 61643-21 i skoordynowany
energetycznie według normy IEC 61643-22
Klasa SPD Typ 1 / P2
Kategoria udaru: C1, C2, C3, B2, D1
Wskaźnik stanu, szerokość 6 mm
Największe napięcie trwałej pracy: 33,0 V DC / 23,3 V AC
Prąd znamionowy przy 70°C: 0,1 A
C2 Znamionowy prąd wyładowczy na linię (8/20): 5 kA
C2 Całkowity znamionowy prąd wyładowczy (8/20): 10 kA
D1 Piorunowy prąd udarowy (10/350 µs) na linię: 1,5 kA
D1 Całkowity piorunowy prąd udarowy (10/350 µs): 3 kA
Moduł zastępczy

Producent: DEHN
Typ: BCO MOD ML2 BPD 24
Nr kat.: 927014
lub podobny.

Certyfikaty

 

Dane techniczne

Klasa SPD L
Napięcie znamionowe (UN ) 24 V
Największe napięcie trwałej pracy DC (UC ) 33 V
Prąd znamionowy przy 70°C (IL ) 0,1 A
D1 Piorunowy prąd udarowy (10/350 µs) na linię (Iimp ) 1,5 kA
C2 Całkowity znamionowy prąd wyładowczy (8/20 µs) (In ) 10 kA
Impedancja szeregowa na linię 10 Ω
Częstotliwość graniczna linia-linia (fG ) 4,5 MHz
Certyfikaty UL 497B, SIL
*) Szczegóły patrz: www.dehn.de

Produkt 927014 został dodany do notatnika.

Do koszyka dodano produkt 927014.


BCO MOD ML2 MVG 230

Moduł ochronny o szerokości 6 mm do ogranicznika BLITZDUCTORconnect ze wskaźnikiem stanu, do ochrony 2 linii wielodrutowych bezpotencjałowych interfejsów sygnałowych o napięciu znamionowym 230 V.
Spełnia m.in. wymagania dla systemów sygnalizacyjnych w infrastrukturze kolejowej (zgodność z DB RIL 819.0808).

1 Produkt

Nr kat. 927090 BCO MOD ML2 MVG 230

GTIN / EAN 4013364466531, Nr taryfy celnej (EU): 85363010, Waga brutto: 39.00 g, Jednostka opakowaniowa: 1.00 szt.


Rysunki

Informacje dodatkowe

Moduł ochronny do ograniczników przepięć
BLITZDUCTORconnect MOD ML2 MVG 230
gotowy do podłączenia moduł do ograniczników przepięć
do ochrony 2 linii wielodrutowych
interfejsów sygnałowych o napięciu znamionowym 230 V AC
przetestowany zgodnie z EN/IEC 61643-21 i skoordynowany
energetycznie według normy IEC 61643-22
Klasa SPD Typ 2 / P3
Kategoria udaru: C1, C2, C3
Wskaźnik stanu, szerokość 6 mm
Największe napięcie trwałej pracy: 320 V DC / 250 V AC
Prąd znamionowy przy 80°C: 3 A
C2 Znamionowy prąd wyładowczy na linię (8/20): 3 kA
C2 Całkowity znamionowy prąd wyładowczy (8/20): 6 kA
Moduł zastępczy
zgodność z DB RIL 819.0808

Producent: DEHN
Typ: BCO MOD ML2 MVG 230
Nr kat.: 927090
lub podobny.

Certyfikaty

 

Dane techniczne

Klasa SPD V
Napięcie znamionowe (UN ) 230 V
Prąd znamionowy przy 80°C (IL ) 3 A
C2 Całkowity znamionowy prąd wyładowczy (8/20 µs) (In ) 6 kA
Impedancja szeregowa na linię 0 Ω
Certyfikaty SIL
*) Szczegóły patrz: www.dehn.de

Produkt 927090 został dodany do notatnika.

Do koszyka dodano produkt 927090.


BCO MOD ML2 BD EX 24

Moduł ochronny o szerokości 6 mm do ogranicznika BLITZDUCTORconnect ze wskaźnikiem stanu, , do ochrony jednej pary iskrobezpiecznych obwodów pomiarowych i systemów magistralnych, spełnia wymagania FISCO. Wytrzymałość izolacji > 500 V linia-ziemia.

1 Produkt

Nr kat. 927084 BCO MOD ML2 BD EX 24

GTIN / EAN 4013364410206, Nr taryfy celnej (EU): 85363010, Waga brutto: 39.00 g, Jednostka opakowaniowa: 1.00 szt.


Rysunki

Informacje dodatkowe

Moduł ochronny do kombinowanych ograniczników przepięć
BLITZDUCTORconnect MOD ML2 BD EX 24
gotowy do podłączenia moduł do kombinowanych ograniczników przepięć
do ochrony jednej pary iskrobezpiecznych,
bezpotencjałowych interfejsów symetrycznych
przetestowany zgodnie z EN/IEC 61643-21 i skoordynowany
energetycznie według normy IEC 61643-22
Klasa SPD Typ 1 / P2
Kategoria udaru: C1, C2, C3, B2, D1
Wskaźnik stanu, szerokość 6 mm
Największe napięcie trwałej pracy: 36,0 V DC / 25,4 V AC
Prąd znamionowy przy 70°C: 0,75 A
Największe napięcie wejściowe zgodnie z EN 60079-11: 30 V
Największy prąd wejściowy zgodnie z EN 60079-11: 0,5 A
C2 Znamionowy prąd wyładowczy na linię (8/20): 5 kA
C2 Całkowity znamionowy prąd wyładowczy (8/20): 10 kA
D1 Piorunowy prąd udarowy (10/350 µs) na linię: 1,5 kA
D1 Całkowity piorunowy prąd udarowy (10/350 µs): 3 kA
Moduł zastępczy

Producent: DEHN
Typ: BCO MOD ML2 BD EX 24
Nr kat.: 927084
lub podobny.

Certyfikaty

 

Dane techniczne

Klasa SPD L
Napięcie znamionowe (UN ) 24 V
Największe napięcie trwałej pracy DC (UC ) 36 V
Prąd znamionowy przy 80°C (IL ) 0,5 A
D1 Piorunowy prąd udarowy (10/350 µs) na linię (Iimp ) 1,5 kA
C2 Całkowity znamionowy prąd wyładowczy (8/20 µs) (In ) 10 kA
Impedancja szeregowa na linię 1 Ω
Częstotliwość graniczna linia-linia (fG ) 3,5 MHz
Certyfikaty ATEX, IECEx, CCC, SIL
*) Szczegóły patrz: www.dehn.de

Produkt 927084 został dodany do notatnika.

Do koszyka dodano produkt 927084.


Powrót na górę