Your dashboard services.
Register to access all tools.

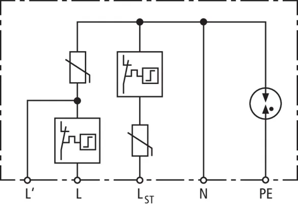
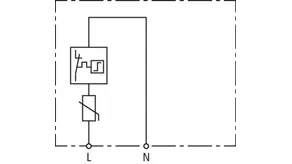
DEHNcord

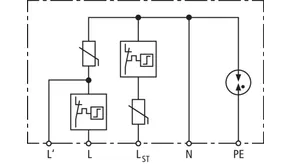
  • Jednobiegunowa, dwubiegunowa lub trójbiegunowa ochrona przepięciowa z układem kontrolnym i odłączającym
  • Optyczna sygnalizacja stanu
  • Wersje z funkcją wyłączenia obwodu odbiornika w przypadku awarii ogranicznika przepięć i ochroną fazy sterującej
  • O kompaktowej konstrukcji także do użytku na zewnątrz
  • Do stosowania w skrzynkach przyłączeniowych, systemach podposadzkowych, kanałach kablowych i puszkach instalacyjnych

Szczegóły

lorem ipsum

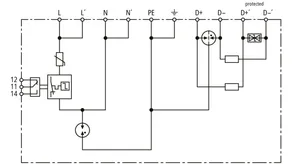
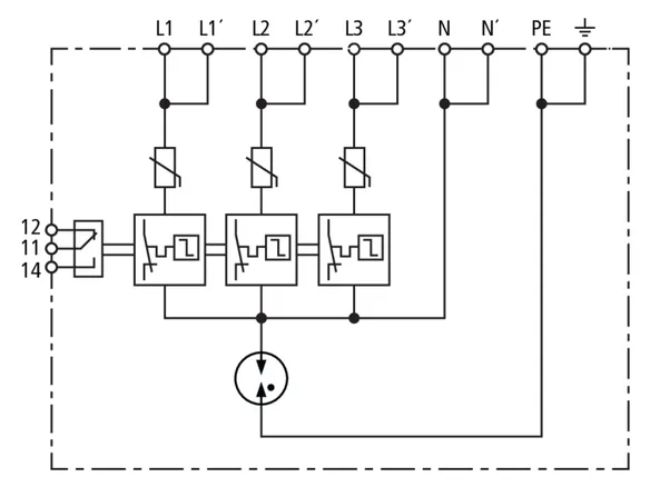
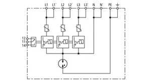
DEHNcord 3P TT 275 FM

Trójfazowy, kompaktowy ogranicznik przepięć do sieci TT i TN-S.

1 Produkt

Nr kat. 900439 DCOR 3P TT 275 FM

GTIN / EAN 4013364436053, Nr taryfy celnej (EU): 85363030, Waga brutto: 129.38 g, Jednostka opakowaniowa: 1.00 szt.


Rysunki

Informacje dodatkowe

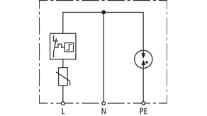
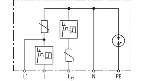
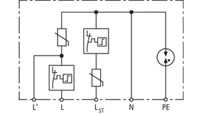
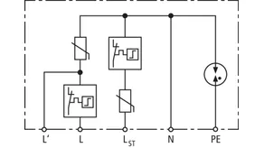
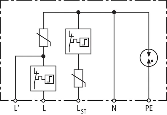
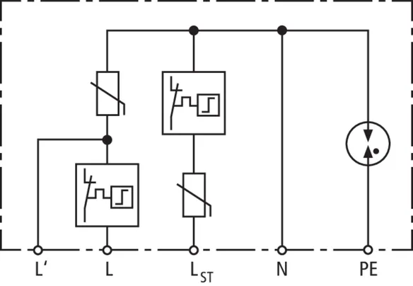
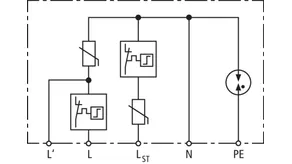
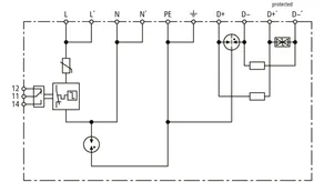
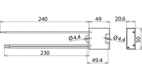
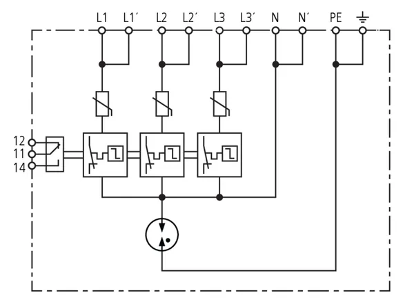
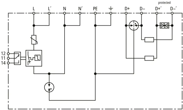
Ogranicznik przepięć DEHNcord 3P TT 275 FM
Wielobiegunowy ogranicznik przepięć typu 2 + typu 3
zgodnie z EN 61643-11 do stosowania w systemach instalacji
z zestykiem zdalnej sygnalizacji, wskaźnik działania / uszkodzenia
Montaż na szynie lub wspornikach do wkrętów
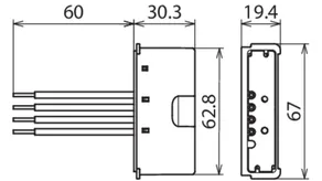
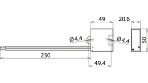
Kompaktowe wymiary: 94 x 39,5 x 36 mm
Największe napięcie trwałej pracy: 275 V AC
Największe napięcie trwałej pracy: 350 V DC
Napięciowy poziom ochrony: <= 1,5 kV
Znamionowy prąd wyładowczy (8/20): 10 kA
Całkowity prąd wyładowczy (8/20): 40 kA
Zdolność gaszenia prądu następczego [N-PE]: 100 Arms
Maksymalny bezpiecznik dodatkowy:
w połączeniu szeregowym 25 A gG / w połączeniu równoległym 40 A gG
Maksymalny prąd obciążenia AC: 25 A
Podłączenie: wtykowe
Koordynacja energetyczna według DIN EN 62305-4
z ogranicznikami przepięć z rodziny Red/Line

Producent: DEHN
Typ: DCOR 3P TT 275 FM
Nr kat.: 900439
lub podobny.

Certyfikaty

 

Dane techniczne

Ogranicznik przepięć zgodnie z normą PN-EN 61643-11 Typ 2 + typ 3 / klasa II + klasa III
Największe napięcie trwałej pracy AC [L-N] (UC ) 275 V (50 / 60 Hz)
Największe napięcie trwałej pracy DC (UC ) 350 V
Znamionowy prąd wyładowczy (8/20 µs) [L-N] (In ) 10 kA
Maksymalny prąd wyładowczy (8/20 µs) [L-N] (Imaks. ) 20 kA
Znamionowy prąd wyładowczy (8/20 µs) [N-PE] (In ) 10 kA
Maksymalny prąd wyładowczy (8/20 µs) [N-PE] (Imaks. ) 40 kA
Napięciowy poziom ochrony [L-N] (UP ) ≤ 1,5 kV
Napięciowy poziom ochrony [N-PE] (UP ) ≤ 1,5 kV
Certyfikaty KEMA

Produkt 900439 został dodany do notatnika.

Do koszyka dodano produkt 900439.


DEHNcord 1P 275 D FM

Jednofazowy, kompaktowy ogranicznik przepięć do sieci o układzie TT z wbudowanym obwodem ochronnym do interfejsu DALI.

1 Produkt

Nr kat. 900438 DCOR 1P 275 D FM

GTIN / EAN 4013364526891, Nr taryfy celnej (EU): 85363030, Waga brutto: 86.27 g, Jednostka opakowaniowa: 1.00 szt.


Rysunki

Informacje dodatkowe

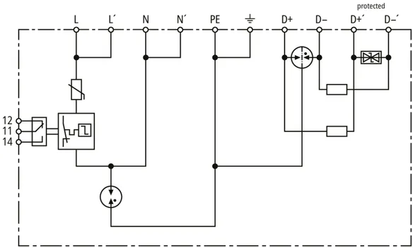
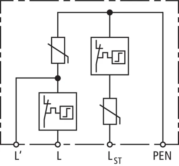
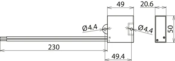
Ogranicznik przepięć DEHNcord 1P 275 D FM
Jednofazowy ogranicznik przepięć
DEHNcord zgodnie z EN 61643-11
oraz EN 61643-21, z wbudowanym
obwodem ochronnym do interfejsu komunikacyjnego
do stosowania w systemach instalacji
z zestykiem zdalnej sygnalizacji, wskaźnik działania / uszkodzenia
Montaż na szynie lub wspornikach do wkrętów
Kompaktowe wymiary: 94 x 39,5 x 36 mm
Dane techniczne (strona zasilania):
Największe napięcie trwałej pracy: 275 V AC
Napięciowy poziom ochrony: <= 1,5 kV
Znamionowy prąd wyładowczy (8/20): 10 kA
Zdolność gaszenia prądu następczego [N-PE]: 100 Arms
Maksymalny bezpiecznik dodatkowy:
w połączeniu szeregowym 25 A gG / w połączeniu równoległym 40 A gG
Maksymalny prąd obciążenia 25 A
Dane techniczne (strona sygnalizacyjna):
Największe napięcie trwałej pracy: 28 V DC
Napięciowy poziom ochrony linia-linia przy In C2: ≤ 50 V
C2 znamionowy prąd wyładowczy (8/20) na linię: 5 kA
Prąd znamionowy przy 45°C: 0,3 A
Podłączenie: wtykowe
Koordynacja energetyczna według DIN EN 62305-4
z ogranicznikami przepięć z rodziny Red/Line

Producent: DEHN
Typ: DCOR 1P 275 D FM
Nr kat.: 900438
lub podobny.

Certyfikaty

 

Dane techniczne

Dane techniczne
Ogranicznik przepięć zgodnie z normą PN-EN 61643-11 Typ 2 + typ 3 / klasa II + klasa III
Największe napięcie trwałej pracy AC [L-N] (UC ) 275 V (50 / 60 Hz)
Największe napięcie trwałej pracy DC (UC ) 350 V
Znamionowy prąd wyładowczy (8/20 µs) [L-N] (In ) 10 kA
Maksymalny prąd wyładowczy (8/20 µs) [L-N] (Imaks. ) 20 kA
Znamionowy prąd wyładowczy (8/20 µs) [N-PE] (In ) 10 kA
Maksymalny prąd wyładowczy (8/20 µs) [N-PE] (Imaks. ) 40 kA
Napięciowy poziom ochrony [L-N] (UP ) ≤ 1,5 kV
Napięciowy poziom ochrony [N-PE] (UP ) ≤ 1,5 kV
Certyfikaty KEMA
Dane techniczne, strona sygnalizacyjna
Klasyfikacja ogranicznika przepięć U
Napięcie znamionowe DC (UN ) 24 V
Największe napięcie trwałej pracy DC (UC ) 28 V
C2 Całkowity znamionowy prąd wyładowczy (8/20 µs) (In ) 10 kA
Impedancja szeregowa na linię 1,8 Ω
Częstotliwość graniczna linia-linia (100 Ω) (fG ) 10 MHz

Produkt 900438 został dodany do notatnika.

Do koszyka dodano produkt 900438.


DEHNcord L 2P

Dwubiegunowy ogranicznik przepięć do wszystkich rodzajów instalacji (układ połączeń 1+1) i opraw oświetleniowych o klasie ochronności I; o kompaktowej konstrukcji.

2 Produkty

Nr kat. 900430 DCOR L 2P 275

GTIN / EAN 4013364157286, Nr taryfy celnej (EU): 85363030, Waga brutto: 73.00 g, Jednostka opakowaniowa: 1.00 szt.


Rysunki

Informacje dodatkowe

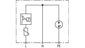
Ogranicznik przepięć DEHNcord L 2P 275
Dwubiegunowy ogranicznik przepięć do wszystkich
rodzajów instalacji 230 V
Ogranicznik przepięć typu 2 zgodnie z EN 61643-11
do stosowania w systemach kanałów kablowych,
systemach podposadzkowych i puszkach instalacyjnych
Wskaźnik uszkodzenia
Największe napięcie trwałej pracy: 275 V AC
Napięciowy poziom ochrony: <= 1,5 kV
Znamionowy prąd wyładowczy: 5 kA
Całkowity prąd wyładowczy: 20 kA
Maksymalny bezpiecznik dodatkowy: 25 A gG
lub B/C 16 A
Koordynacja energetyczna według DIN EN 62 305-4
z ogranicznikami przepięć z rodziny Red/Line

Producent: DEHN
Typ: DCOR L 2P 275
Nr kat.: 900430
lub podobny.

Certyfikaty

 

Dane techniczne

Ogranicznik przepięć zgodnie z normą PN-EN 61643-11 typ 2
Największe napięcie trwałej pracy AC [L-N] (UC ) 275 V (50 / 60 Hz)
Znamionowy prąd wyładowczy (8/20 µs) (In ) 5 kA
Maksymalny prąd wyładowczy (8/20 µs) (Imax ) 10 kA
Napięciowy poziom ochrony [L-N] (UP ) ≤ 1,5 kV
Napięciowy poziom ochrony [N-PE] (UP ) ≤ 1,5 kV
Maksymalny bezpiecznik dodatkowy 25 A gG
Certyfikaty KEMA

Produkt 900430 został dodany do notatnika.

Do koszyka dodano produkt 900430.

Nr kat. 900432 DCOR L 2P 320

GTIN / EAN 4013364157309, Nr taryfy celnej (EU): 85363030, Waga brutto: 74.00 g, Jednostka opakowaniowa: 1.00 szt.


Rysunki

Informacje dodatkowe

Ogranicznik przepięć DEHNcord L 2P 320
Dwubiegunowy ogranicznik przepięć do wszystkich
rodzajów instalacji 230/277 V
Ogranicznik przepięć typu 2 zgodnie z EN 61643-11
do stosowania w systemach kanałów kablowych,
systemach podposadzkowych i puszkach instalacyjnych
Wskaźnik uszkodzenia
Największe napięcie trwałej pracy: 320 V AC
Napięciowy poziom ochrony: <= 1,75 kV
Znamionowy prąd wyładowczy: 5 kA
Całkowity prąd wyładowczy: 20 kA
Maksymalny bezpiecznik dodatkowy: 25 A gG
lub B/C 16 A
Koordynacja energetyczna według DIN EN 62 305-4
z ogranicznikami przepięć z rodziny Red/Line

Producent: DEHN
Typ: DCOR L 2P 320
Nr kat.: 900432
lub podobny.

Certyfikaty

 

Dane techniczne

Ogranicznik przepięć zgodnie z normą PN-EN 61643-11 typ 2
Największe napięcie trwałej pracy AC [L-N] (UC ) 320 V (50 / 60 Hz)
Znamionowy prąd wyładowczy (8/20 µs) (In ) 5 kA
Maksymalny prąd wyładowczy (8/20 µs) (Imax ) 10 kA
Napięciowy poziom ochrony [L-N] (UP ) ≤ 1,75 kV
Napięciowy poziom ochrony [N-PE] (UP ) ≤ 1,5 kV
Maksymalny bezpiecznik dodatkowy 25 A gG
Certyfikaty KEMA

Produkt 900432 został dodany do notatnika.

Do koszyka dodano produkt 900432.


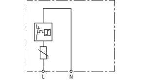
DEHNcord L 1P

Jednobiegunowy ogranicznik przepięć do opraw oświetleniowych o klasie ochronności II; kompaktowa konstrukcja.

2 Produkty

Nr kat. 900431 DCOR L 1P 275

GTIN / EAN 4013364310827, Nr taryfy celnej (EU): 85363030, Waga brutto: 60.00 g, Jednostka opakowaniowa: 1.00 szt.


Rysunki

Informacje dodatkowe

Ogranicznik przepięć DEHNcord L 1P 275
Jednobiegunowy ogranicznik przepięć do wszystkich
rodzajów instalacji 230 V
Ogranicznik przepięć typu 2 zgodnie z EN 61643-11
do stosowania w systemach kanałów kablowych,
systemach podposadzkowych i puszkach instalacyjnych
Wskaźnik uszkodzenia
Największe napięcie trwałej pracy: 275 V AC
Napięciowy poziom ochrony: <= 1,5 kV
Znamionowy prąd wyładowczy: 5 kA
Maksymalny bezpiecznik dodatkowy: 25 A gG
lub B/C 16 A
Koordynacja energetyczna według DIN EN 62 305-4
z ogranicznikami przepięć z rodziny Red/Line

Producent: DEHN
Typ: DCOR L 1P 275
Nr kat.: 900431
lub podobny.

Certyfikaty

 

Dane techniczne

Ogranicznik przepięć zgodnie z normą PN-EN 61643-11 typ 2
Największe napięcie trwałej pracy AC [L-N] (UC ) 275 V (50 / 60 Hz)
Znamionowy prąd wyładowczy (8/20 µs) (In ) 5 kA
Maksymalny prąd wyładowczy (8/20 µs) (Imax ) 10 kA
Napięciowy poziom ochrony [L-N] (UP ) ≤ 1,5 kV
Maksymalny bezpiecznik dodatkowy 25 A gG
Certyfikaty KEMA

Produkt 900431 został dodany do notatnika.

Do koszyka dodano produkt 900431.

Nr kat. 900433 DCOR L 1P 320

GTIN / EAN 4013364157316, Nr taryfy celnej (EU): 85363030, Waga brutto: 61.00 g, Jednostka opakowaniowa: 1.00 szt.


Rysunki

Informacje dodatkowe

Ogranicznik przepięć DEHNcord L 1P 320
Jednobiegunowy ogranicznik przepięć do wszystkich
rodzajów instalacji 230/277 V
Ogranicznik przepięć typu 2 zgodnie z EN 61643-11
do stosowania w systemach kanałów kablowych,
systemach podposadzkowych i puszkach instalacyjnych
Wskaźnik uszkodzenia
Największe napięcie trwałej pracy: 320 V AC
Napięciowy poziom ochrony: <= 1,75 kV
Znamionowy prąd wyładowczy: 5 kA
Maksymalny bezpiecznik dodatkowy: 25 A gG
lub B/C 16 A
Koordynacja energetyczna według DIN EN 62 305-4
z ogranicznikami przepięć z rodziny Red/Line

Producent: DEHN
Typ: DCOR L 1P 320
Nr kat.: 900433
lub podobny.

Certyfikaty

 

Dane techniczne

Ogranicznik przepięć zgodnie z normą PN-EN 61643-11 typ 2
Największe napięcie trwałej pracy AC [L-N] (UC ) 320 V (50 / 60 Hz)
Znamionowy prąd wyładowczy (8/20 µs) (In ) 5 kA
Maksymalny prąd wyładowczy (8/20 µs) (Imax ) 10 kA
Napięciowy poziom ochrony [L-N] (UP ) ≤ 1,75 kV
Maksymalny bezpiecznik dodatkowy 25 A gG
Certyfikaty KEMA

Produkt 900433 został dodany do notatnika.

Do koszyka dodano produkt 900433.


DEHNcord L 2P SN1864

Ogranicznik przepięć do opraw oświetleniowych o klasie ochronności II; kompaktowe wymiary. Z funkcją wyłączania w przypadku wystąpienia awarii.

1 Produkt

Nr kat. 999906 DCOR L 2P SN1864

GTIN / EAN 4013364310926, Nr taryfy celnej (EU): 85363030, Waga brutto: 70.50 g, Jednostka opakowaniowa: 1.00 szt.


Rysunki

Informacje dodatkowe

Ogranicznik przepięć DEHNcord L 2P SN1864
Wielobiegunowy ogranicznik przepięć typu 2 zgodnie z EN 61643-11
do stosowania w skrzynkach przyłączeniowych.
Z ochroną fazy sterującej
Możliwość wyłączenia lampy w przypadku uszkodzenia
oraz wbudowana optyczna sygnalizacja stanu
obwodu zasilania
Największe napięcie trwałej pracy: 275 V AC
Napięciowy poziom ochrony: <= 1,5 kV
Znamionowy prąd wyładowczy (8/20): 5 kA
Całkowity prąd wyładowczy: 20 kA
Maksymalny bezpiecznik dodatkowy: 16 A gG
Maksymalny prąd obciążenia AC: 10 A
Koordynacja energetyczna według DIN EN 62305-4
z ogranicznikami przepięć z rodziny Red/Line

Producent: DEHN
Typ: DCOR L 2P SN1864
Nr kat.: 999906
lub podobny.

Certyfikaty

 

Dane techniczne

Ogranicznik przepięć zgodnie z normą PN-EN 61643-11 typ 2
Największe napięcie trwałej pracy AC [L-N] (UC ) 275 V (50 / 60 Hz)
Znamionowy prąd wyładowczy (8/20 µs) (In ) 5 kA
Maksymalny prąd wyładowczy (8/20 µs) (Imax ) 10 kA
Napięciowy poziom ochrony [L-N] (UP ) ≤ 1,5 kV
Maksymalny bezpiecznik dodatkowy B 16 A
Certyfikaty KEMA

Produkt 999906 został dodany do notatnika.

Do koszyka dodano produkt 999906.


DEHNcord L 2P SN1860

Ogranicznik przepięć do wszystkich rodzajów instalacji, kompaktowa konstrukcja. Z funkcją wyłączania w przypadku wystąpienia awarii.

1 Produkt

Nr kat. 999937 DCOR L 2P SN1860

GTIN / EAN 4013364303195, Nr taryfy celnej (EU): 85363030, Waga brutto: 86.00 g, Jednostka opakowaniowa: 1.00 szt.


Rysunki

Informacje dodatkowe

Ogranicznik przepięć DEHNcord L 2P SN1860
Wielobiegunowy ogranicznik przepięć typu 2 zgodnie z EN 61643-11
do stosowania w skrzynkach przyłączeniowych.
Możliwość wyłączenia lampy w przypadku uszkodzenia
oraz wbudowana optyczna sygnalizacja stanu
obwodu zasilania
Największe napięcie trwałej pracy: 275 V AC
Napięciowy poziom ochrony: <= 1,5 kV
Znamionowy prąd wyładowczy (8/20): 5 kA
Całkowity prąd wyładowczy: 20 kA
Zdolność gaszenia prądu następczego [N-PE]: 100 Arms
Maksymalny bezpiecznik dodatkowy: 16 A gG
Maksymalny prąd obciążenia AC: 10 A
Koordynacja energetyczna według DIN EN 62305-4
z ogranicznikami przepięć z rodziny Red/Line

Producent: DEHN
Typ: DCOR L 2P SN1860
Nr kat.: 999937
lub podobny.

Certyfikaty

 

Dane techniczne

Ogranicznik przepięć zgodnie z normą PN-EN 61643-11 typ 2
Największe napięcie trwałej pracy AC [L-N] (UC ) 275 V (50 / 60 Hz)
Znamionowy prąd wyładowczy (8/20 µs) (In ) 5 kA
Maksymalny prąd wyładowczy (8/20 µs) (Imax ) 10 kA
Napięciowy poziom ochrony [L-N] (UP ) ≤ 1,5 kV
Napięciowy poziom ochrony [N-PE] (UP ) ≤ 1,5 kV
Maksymalny bezpiecznik dodatkowy B 16 A
Certyfikaty KEMA

Produkt 999937 został dodany do notatnika.

Do koszyka dodano produkt 999937.


DEHNcord L 2P 275 SO LTG

Ogranicznik przepięć do wszystkich rodzajów instalacji, kompaktowa konstrukcja. Z funkcją wyłączania w przypadku wystąpienia awarii.

1 Produkt

Nr kat. 900446 DCOR L 2P 275 SO LTG

GTIN / EAN 4013364292970, Nr taryfy celnej (EU): 85363030, Waga brutto: 62.50 g, Jednostka opakowaniowa: 1.00 szt.


Rysunki

Informacje dodatkowe

Ogranicznik przepięć DEHNcord L 2P 275 SO LTG
Wielobiegunowy ogranicznik przepięć typu 2 zgodnie z EN 61643-11
do stosowania w skrzynkach przyłączeniowych.
Możliwość wyłączenia lampy w przypadku uszkodzenia
oraz wbudowana optyczna sygnalizacja stanu
obwodu zasilania
Największe napięcie trwałej pracy: 275 V AC
Napięciowy poziom ochrony: <= 1,5 kV
Znamionowy prąd wyładowczy (8/20): 5 kA
Całkowity prąd wyładowczy: 20 kA
Zdolność gaszenia prądu następczego [N-PE]: 100 Arms
Maksymalny bezpiecznik dodatkowy: 16 A gG
Maksymalny prąd obciążenia AC: 10 A
Koordynacja energetyczna według DIN EN 62305-4
z ogranicznikami przepięć z rodziny Red/Line

Producent: DEHN
Typ: DCOR L 2P 275 SO LTG
Nr kat.: 900446
lub podobny.

Certyfikaty

 

Dane techniczne

Ogranicznik przepięć zgodnie z normą PN-EN 61643-11 typ 2
Największe napięcie trwałej pracy AC [L-N] (UC ) 275 V (50 / 60 Hz)
Znamionowy prąd wyładowczy (8/20 µs) (In ) 5 kA
Maksymalny prąd wyładowczy (8/20 µs) (Imax ) 10 kA
Napięciowy poziom ochrony [L-N] (UP ) ≤ 1,5 kV
Napięciowy poziom ochrony [N-PE] (UP ) ≤ 1,5 kV
Maksymalny bezpiecznik dodatkowy B 16 A
Certyfikaty KEMA

Produkt 900446 został dodany do notatnika.

Do koszyka dodano produkt 900446.


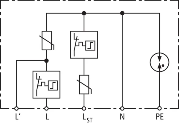
DEHNcord L 3P 275 SO LTG

Trójbiegunowy ogranicznik przepięć do wszystkich rodzajów instalacji, kompaktowa konstrukcja. Z funkcją wyłączenia obwodu odbiornika w przypadku awarii ogranicznika przepięć i ochroną fazy sterującej.

1 Produkt

Nr kat. 900445 DCOR L 3P 275 SO LTG

GTIN / EAN 4013364280380, Nr taryfy celnej (EU): 85363030, Waga brutto: 71.50 g, Jednostka opakowaniowa: 1.00 szt.


Rysunki

Informacje dodatkowe

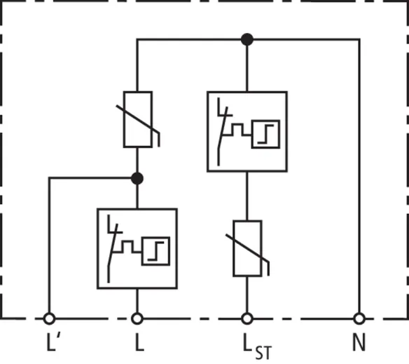
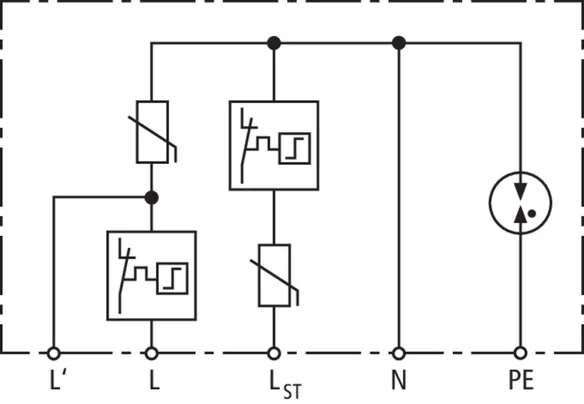
Ogranicznik przepięć DEHNcord L 3P 275 SO LTG
Wielobiegunowy ogranicznik przepięć typu 2 zgodnie z EN 61643-11
do stosowania w skrzynkach przyłączeniowych.
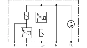
Z ochroną fazy sterującej
Możliwość wyłączenia lampy w przypadku uszkodzenia
oraz wbudowana oddzielna optyczna sygnalizacja stanu
obwodu zasilania i fazy sterującej
Największe napięcie trwałej pracy: 275 V AC
Napięciowy poziom ochrony: <= 1,5 kV
Znamionowy prąd wyładowczy (8/20): 5 kA
Całkowity prąd wyładowczy (8/20): 20 kA
Zdolność gaszenia prądu następczego [N-PE]: 100 Arms
Maksymalny bezpiecznik dodatkowy: 16 A gG
Maksymalny prąd obciążenia AC: 10 A
Koordynacja energetyczna według DIN EN 62305-4
z ogranicznikami przepięć z rodziny Red/Line

Producent: DEHN
Typ: DCOR L 3P 275 SO LTG
Nr kat.: 900445
lub podobny.

Certyfikaty

 

Dane techniczne

Ogranicznik przepięć zgodnie z normą PN-EN 61643-11 typ 2
Największe napięcie trwałej pracy AC [L-N] (UC ) 275 V (50 / 60 Hz)
Znamionowy prąd wyładowczy (8/20 µs) (In ) 5 kA
Maksymalny prąd wyładowczy (8/20 µs) (Imax ) 10 kA
Napięciowy poziom ochrony [L-N] (UP ) ≤ 1,5 kV
Napięciowy poziom ochrony [N-PE] (UP ) ≤ 1,5 kV
Maksymalny bezpiecznik dodatkowy B 16 A
Certyfikaty KEMA

Produkt 900445 został dodany do notatnika.

Do koszyka dodano produkt 900445.


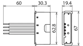
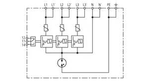
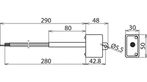
SK EK480 G2S-2d LM DCOR

Skrzynka bezpiecznikowa EK480 to wysokiej jakości produkt firmy Langmatz, który charakteryzuje się wysoką jakością wykonania i sprawdzonymi właściwościami. Seria produktów EK480 spełnia wszystkie wymagania mechaniczne i elektryczne oraz wymogi norm. Lampy wyposażone w wysokiej jakości elektronikę można w ten sposób skutecznie chronić przed przepięciami powodowanymi przez operacje łączeniowe lub wyładowania atmosferyczne w bliskiej odległości.

1 Produkt

Nr kat. 900443 SK EK480 G2S-2d LM DCOR

GTIN / EAN 4013364394322, Nr taryfy celnej (EU): 85362010, Waga brutto: 788.00 g, Jednostka opakowaniowa: 20.00 szt.


Rysunki

Informacje dodatkowe

Skrzynka bezpiecznikowa EK480 z ogranicznikiem przepięć
DEHNcord L 3P 275 SO LTG
do ochrony lamp masztowych LED
Z ochroną fazy sterującej
Możliwość wyłączenia lampy w przypadku uszkodzenia
oraz wbudowana oddzielna optyczna sygnalizacja stanu
obwodu zasilania i fazy sterującej
Największe napięcie trwałej pracy: 275 V AC
Napięciowy poziom ochrony: <= 1,5 kV
Znamionowy prąd wyładowczy (8/20): 5 kA
Całkowity prąd wyładowczy (8/20): 20 kA
Zdolność gaszenia prądu następczego [N-PE]: 100 Arms
Maksymalny bezpiecznik dodatkowy: 16 A gG
Maksymalny prąd obciążenia AC: 10 A
Koordynacja energetyczna według DIN EN 62305-4
z ogranicznikami przepięć z rodziny Red/Line
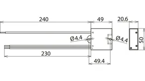
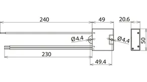
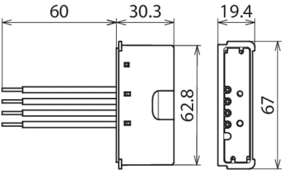
Wymiary skrzynki: 277 x 80 x 67 mm
Stopień ochrony: IP54 zgodnie z DIN VDE 0470
Klasa ochrony: II

Producent: DEHN
Typ: SK EK480 G2S-2d LM DCOR
Nr kat.: 900443
lub podobny.

Certyfikaty

 

Dane techniczne

Dane skrzynki bezpiecznikowej
Wymiary 276 x 81 x 70 mm
Do masztów o wewnętrznej średnicy od 89 mm
Rodzaj zacisku wchodzące: zacisk przesuwny / wychodzące: zacisk sprężynowy
Największy przekrój kabla przyłączeniowego 1 - 3 kable (4 lub 5 x 16 mm2)
Zaciski wychodzące maks. 2,5 mm2
Dane ogranicznika przepięć DEHNcord L 3P 275 SO LTG
Ogranicznik przepięć zgodnie z PN-EN 61643-11 typ 2 / klasa II
Największe napięcie trwałej pracy AC [L-N] (UC ) 275 V (50 / 60 Hz)
Znamionowy prąd wyładowczy (8/20 µs) (In ) 5 kA
Maksymalny prąd wyładowczy (8/20 µs) (Imax ) 10 kA
Napięciowy poziom ochrony [L-N] (UP ) ≤ 1,5 kV
Napięciowy poziom ochrony [N-PE] (UP ) ≤ 1,5 kV
Maksymalny bezpiecznik dodatkowy B 16 A

Produkt 900443 został dodany do notatnika.

Do koszyka dodano produkt 900443.


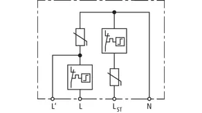
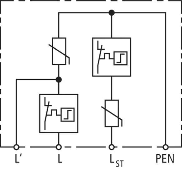
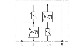
DEHNcord L 2P 275 SO LT

Dwubiegunowy ogranicznik przepięć do sieci TNC, kompaktowa konstrukcja. Z funkcją wyłączenia obwodu odbiornika w przypadku awarii ogranicznika przepięć i ochroną fazy sterującej.

1 Produkt

Nr kat. 900435 DCOR L 2P 275 SO LT

GTIN / EAN 4013364292963, Nr taryfy celnej (EU): 85363030, Waga brutto: 70.00 g, Jednostka opakowaniowa: 1.00 szt.


Rysunki

Informacje dodatkowe

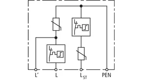
Ogranicznik przepięć DEHNcord L 2P 275 SO LT
Wielobiegunowy ogranicznik przepięć typu 2 zgodnie z EN 61643-11
do stosowania w skrzynkach przyłączeniowych.
Z ochroną fazy sterującej
Możliwość wyłączenia lampy w przypadku uszkodzenia
oraz wbudowana optyczna sygnalizacja stanu
obwodu zasilania
Największe napięcie trwałej pracy: 275 V AC
Napięciowy poziom ochrony: <= 1,5 kV
Znamionowy prąd wyładowczy (8/20): 5 kA
Całkowity prąd wyładowczy: 20 kA
Maksymalny bezpiecznik dodatkowy: 16 A gG
Maksymalny prąd obciążenia AC: 10 A
Koordynacja energetyczna według DIN EN 62305-4
z ogranicznikami przepięć z rodziny Red/Line

Producent: DEHN
Typ: DCOR L 2P 275 SO LT
Nr kat.: 900435
lub podobny.

Certyfikaty

 

Dane techniczne

Ogranicznik przepięć zgodnie z normą PN-EN 61643-11 typ 2
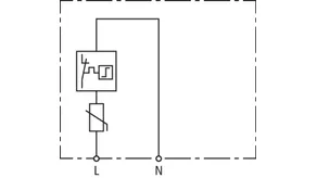
Największe napięcie trwałej pracy AC [L-PEN] (UC ) 275 V (50 / 60 Hz)
Znamionowy prąd wyładowczy (8/20 µs) (In ) 5 kA
Maksymalny prąd wyładowczy (8/20 µs) (Imax ) 10 kA
Napięciowy poziom ochrony [L+PEN] (UP ) ≤ 1,5 kV
Maksymalny bezpiecznik dodatkowy B 16 A
Certyfikaty KEMA

Produkt 900435 został dodany do notatnika.

Do koszyka dodano produkt 900435.


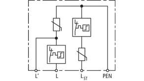
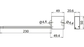
DEHNcord L 3P 275 SO IP

Trójbiegunowy ogranicznik przepięć do wszystkich rodzajów instalacji, kompaktowa konstrukcja. Stopień ochrony IP 65. Z funkcją wyłączenia obwodu odbiornika w przypadku awarii ogranicznika przepięć i ochroną fazy sterującej.

1 Produkt

Nr kat. 900447 DCOR L 3P 275 SO IP

GTIN / EAN 4013364282216, Nr taryfy celnej (EU): 85363030, Waga brutto: 146.60 g, Jednostka opakowaniowa: 1.00 szt.


Rysunki

Informacje dodatkowe

Ogranicznik przepięć DEHNcord L 3P 275 SO IP
Wielobiegunowy ogranicznik przepięć typu 2 zgodnie z EN 61643-11
z przewodami do instalacji na zewnątrz (stopień ochrony IP65)
np. na skrzynkach przyłączeniowych.
Z ochroną fazy sterującej
Możliwość wyłączenia lampy w przypadku uszkodzenia
oraz wbudowana oddzielna optyczna sygnalizacja stanu
obwodu zasilania i fazy sterującej
Z uchwytem montażowym
Największe napięcie trwałej pracy: 275 V AC
Napięciowy poziom ochrony: <= 1,5 kV
Znamionowy prąd wyładowczy (8/20): 5 kA
Całkowity prąd wyładowczy (8/20): 20 kA
Zdolność gaszenia prądu następczego [N-PE]: 100 Arms
Maksymalny bezpiecznik dodatkowy: 16 A gG
Maksymalny prąd obciążenia AC: 10 A
Koordynacja energetyczna według DIN EN 62305-4
z ogranicznikami przepięć z rodziny Red/Line

Producent: DEHN
Typ: DCOR L 3P 275 SO IP
Nr kat.: 900447
lub podobny.

Certyfikaty

 

Dane techniczne

Ogranicznik przepięć zgodnie z normą PN-EN 61643-11 typ 2 / klasa II
Największe napięcie trwałej pracy AC [L-N] (UC ) 275 V (50 / 60 Hz)
Znamionowy prąd wyładowczy (8/20 µs) (In ) 5 kA
Maksymalny prąd wyładowczy (8/20 µs) (Imax ) 10 kA
Napięciowy poziom ochrony [L-N] (UP ) ≤ 1,5 kV
Napięciowy poziom ochrony [N-PE] (UP ) ≤ 1,5 kV
Maksymalny bezpiecznik dodatkowy B 16 A

Produkt 900447 został dodany do notatnika.

Do koszyka dodano produkt 900447.


DEHNcord L 2P 275 SO IP

Dwubiegunowy ogranicznik przepięć do wszystkich rodzajów instalacji, kompaktowa konstrukcja. Stopień ochrony IP 65. Z funkcją wyłączania w przypadku wystąpienia awarii.

1 Produkt

Nr kat. 900448 DCOR L 2P 275 SO IP

GTIN / EAN 4013364293007, Nr taryfy celnej (EU): 85363030, Waga brutto: 139.90 g, Jednostka opakowaniowa: 1.00 szt.


Rysunki

Informacje dodatkowe

Ogranicznik przepięć DEHNcord L 2P 275 SO IP
Wielobiegunowy ogranicznik przepięć typu 2 zgodnie z EN 61643-11
z przewodami do instalacji na zewnątrz (stopień ochrony IP65)
np. na skrzynkach przyłączeniowych.
Możliwość wyłączenia lampy w przypadku uszkodzenia
oraz wbudowana optyczna sygnalizacja stanu
obwodu zasilania
Z uchwytem montażowym
Największe napięcie trwałej pracy: 275 V AC
Napięciowy poziom ochrony: <= 1,5 kV
Znamionowy prąd wyładowczy (8/20): 5 kA
Całkowity prąd wyładowczy (8/20): 20 kA
Zdolność gaszenia prądu następczego [N-PE]: 100 Arms
Maksymalny bezpiecznik dodatkowy: 16 A gG
Maksymalny prąd obciążenia AC: 10 A
Koordynacja energetyczna według DIN EN 62305-4
z ogranicznikami przepięć z rodziny Red/Line

Producent: DEHN
Typ: DCOR L 2P 275 SO IP
Nr kat.: 900448
lub podobny.

Certyfikaty

 

Dane techniczne

Ogranicznik przepięć zgodnie z normą PN-EN 61643-11 typ 2 / klasa II
Największe napięcie trwałej pracy AC [L-N] (UC ) 275 V (50 / 60 Hz)
Znamionowy prąd wyładowczy (8/20 µs) (In ) 5 kA
Maksymalny prąd wyładowczy (8/20 µs) (Imax ) 10 kA
Napięciowy poziom ochrony [L-N] (UP ) ≤ 1,5 kV
Napięciowy poziom ochrony [N-PE] (UP ) ≤ 1,5 kV
Maksymalny bezpiecznik dodatkowy B 16 A

Produkt 900448 został dodany do notatnika.

Do koszyka dodano produkt 900448.


DEHNcord R 3P

Ogranicznik przepięć do elektrycznych rolet zewnętrznych, kompaktowa konstrukcja.

1 Produkt

Nr kat. 900449 DCOR R 3P 275

GTIN / EAN 4013364320031, Nr taryfy celnej (EU): 85363030, Waga brutto: 151.00 g, Jednostka opakowaniowa: 1.00 szt.


Rysunki

Informacje dodatkowe

Ogranicznik przepięć DEHNcord R 3P 275
Wielobiegunowy ogranicznik przepięć typu 2 zgodnie z EN 61643-11
do montażu na zewnątrz (stopień ochrony IP54) w celu ochrony
elektrycznych osłon przeciwsłonecznych/zasłon lub rolet zewnętrznych
Przerwanie obwodu odbiornika w przypadku awarii
podczas opuszczania
Akustyczna sygnalizacja uszkodzenia dla obu torów ochronnych
Największe napięcie trwałej pracy: 275 V AC
Napięciowy poziom ochrony: <= 1,5 kV
Znamionowy prąd wyładowczy (8/20): 2,5 kA
Całkowity prąd wyładowczy (8/20) [L+N-PE]: 15 kA
Zdolność gaszenia prądu następczego [N-PE]: 100 Arms
Znamionowy prąd obciążenia AC: 10 A
Koordynacja energetyczna według DIN EN 62305-4
z ogranicznikami przepięć z rodziny Red/Line

Producent: DEHN
Typ: DCOR R 3P 275
Nr kat.: 900449
lub podobny.

Certyfikaty

 

Dane techniczne

Ogranicznik przepięć zgodnie z normą PN-EN 61643-11 typ 2 / klasa II
Największe napięcie trwałej pracy AC [L-N] (UC ) 275 V (50 / 60 Hz)
Znamionowy prąd wyładowczy (8/20 µs) (In ) 2,5 kA
Maksymalny prąd wyładowczy (8/20 µs) (Imax ) 5 kA
Napięciowy poziom ochrony [L-N] (UP ) ≤ 1,5 kV
Gniazdo Hirschmann STAK 3 / STAS 3

Produkt 900449 został dodany do notatnika.

Do koszyka dodano produkt 900449.


Powrót na górę