Your dashboard services.
Register to access all tools.

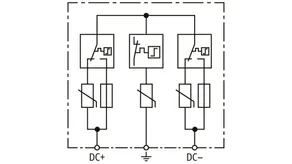
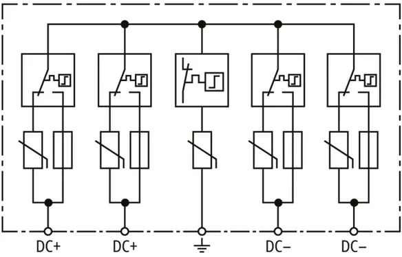
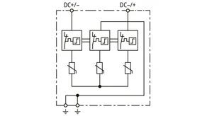
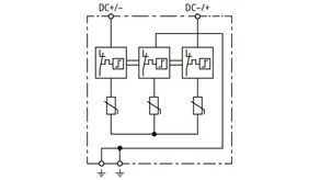
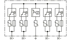
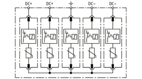
DEHNcube PV

  • Gotowy do podłączenia, wielobiegunowy ogranicznik przepięć do instalacji fotowoltaicznych, stopień ochrony IP 65
  • Prosta realizacja instalacji ochrony przepięciowej bez zajmowania miejsca w skrzynce rozdzielczej
  • Wstępnie przygotowany przewód przyłączeniowy umożliwiający łatwe podłączenie ogranicznika przepięć bezpośrednio przed chronionym falownikiem
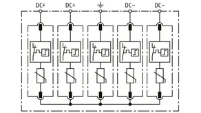
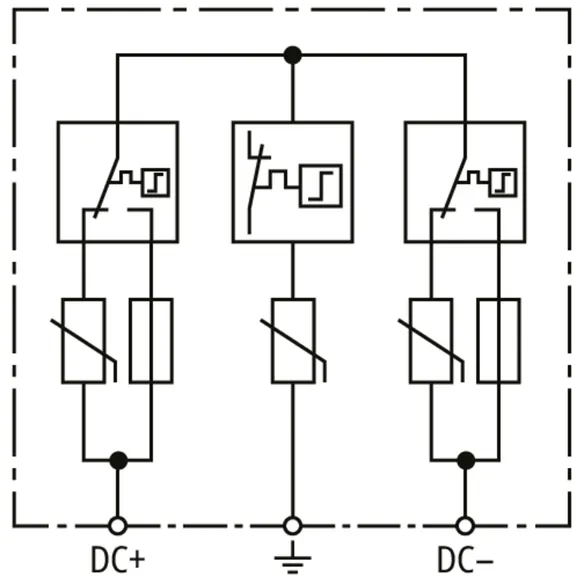
  • Kombinowane urządzenie odłączająco-zwierające z niezawodną separacją elektryczną w każdym torze ochronnym (opatentowana technologia SCI)
  • Proste, szybkie podłączenie za pomocą zacisków sprężynowych bez narzędzi
  • Przebadane zgodnie z normą EN 61643-31
  • Do stosowania we wszystkich instalacjach fotowoltaicznych zgodnie z normą IEC 60364-7-712

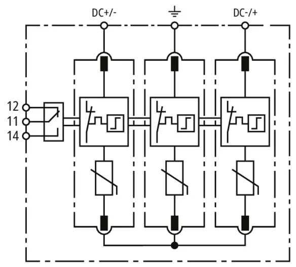
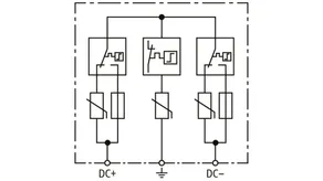
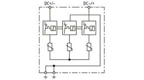
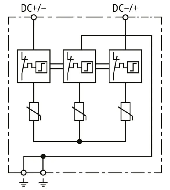
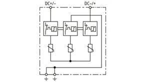
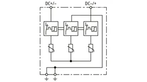
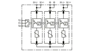
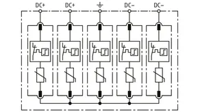
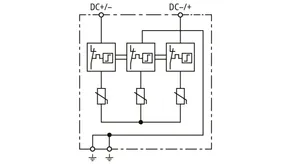
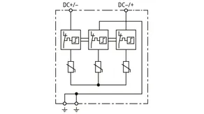
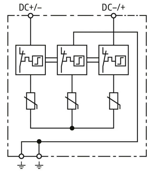
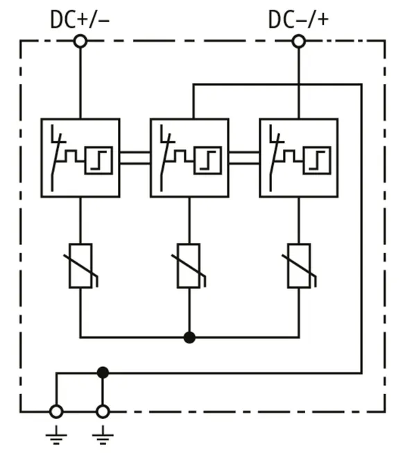
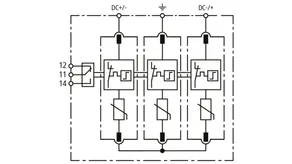
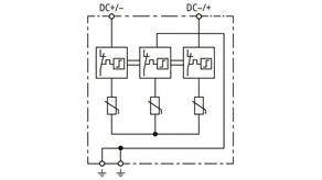
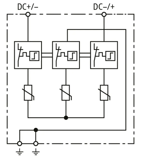
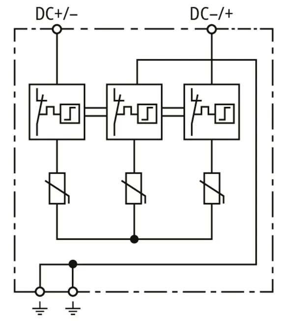
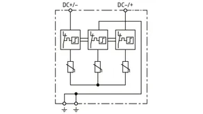
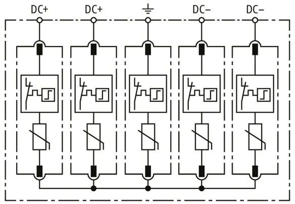
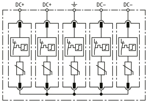
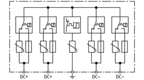
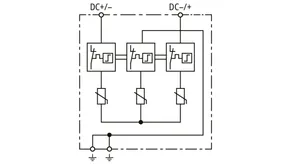
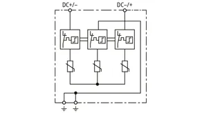
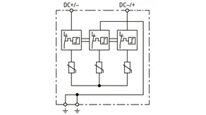
DEHNcube YPV SCI 1000 1M

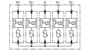
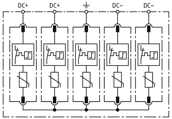
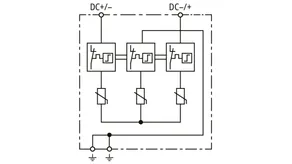
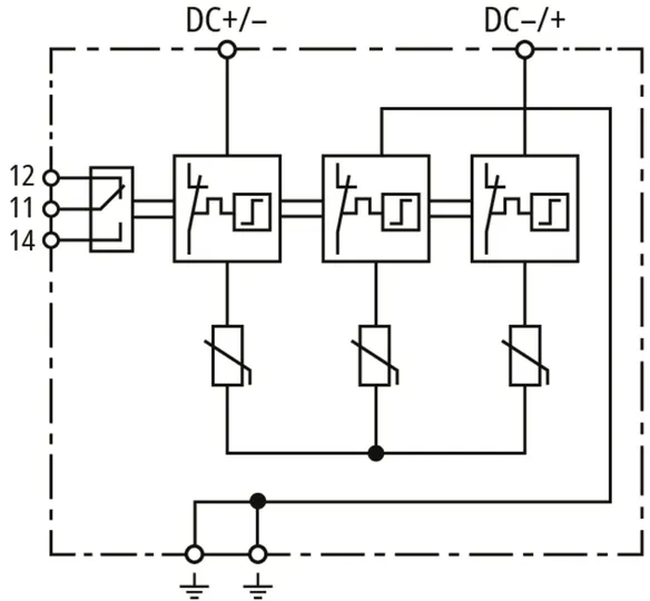
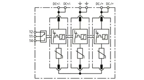
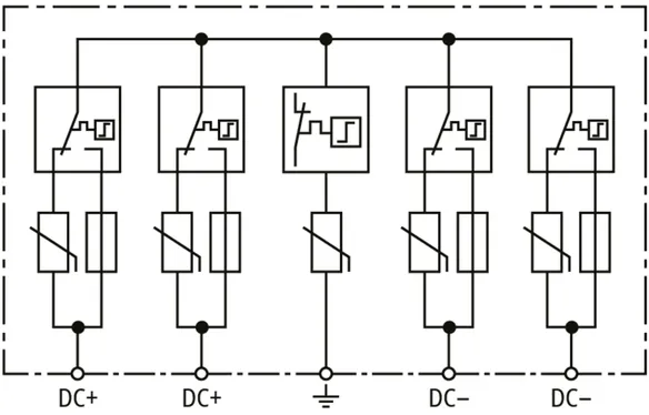
Dwubiegunowy ogranicznik przepięć o stopniu ochrony obudowy IP 65 z trzystopniowym układem przełączającym DC do falowników instalacji fotowoltaicznych do ochrony jednego wejścia MPP.

1 Produkt

Nr kat. 900910 DCU YPV SCI 1000 1M

GTIN / EAN 4013364155046, Nr taryfy celnej (EU): 85363030, Waga brutto: 426.00 g, Jednostka opakowaniowa: 1.00 szt.


Rysunki

Informacje dodatkowe

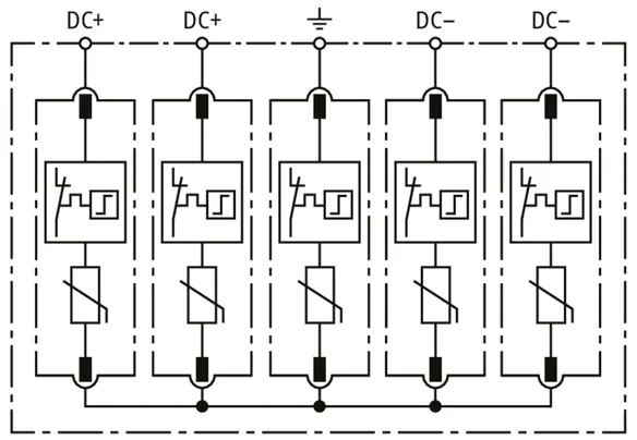
Ogranicznik przepięć DEHNcube YPV SCI 1000 1M
Wielobiegunowy ogranicznik przepięć do ochrony instalacji PV do 1000 V DC
do ochrony 1 wejścia MPP, stopień ochrony IP65
Wskaźnik uszkodzenia
Typ 2 zgodnie z EN 61643-31 z 3-stopniowym układem przełączającym DC
Do stosowania w oparciu o zapisy IEC 60364-7-712
Maksymalne napięcie PV: <= 1000 V DC
Znamionowy prąd wyładowczy: (8/20) 12,5 kA
Całkowity prąd wyładowczy: (8/20) 40 kA
Napięciowy poziom ochrony: <= 4 kV
Wytrzymałość zwarciowa Iscpv: 1000 A
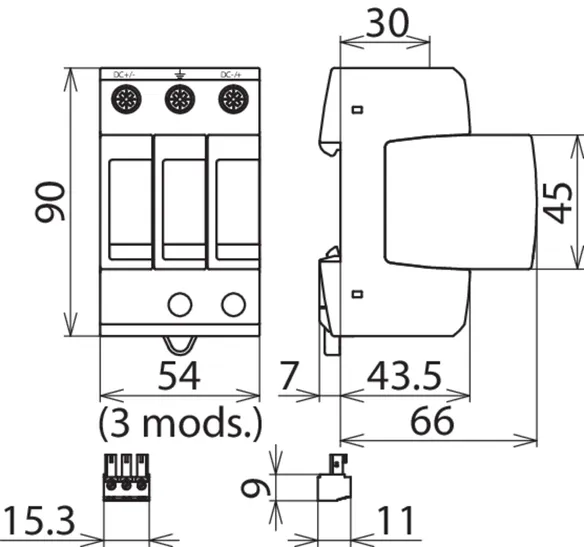
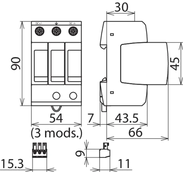
Wymiary: 94 x 94 x 81 mm
Dławnica kablowa: 3x Ø3-7 mm

Producent: DEHN
Typ: DCU YPV SCI 1000 1M
Nr kat.: 900910
lub podobny.

Certyfikaty

 

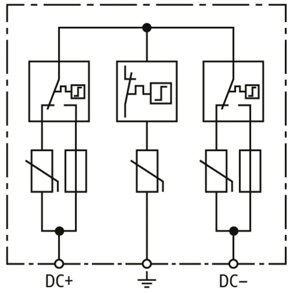
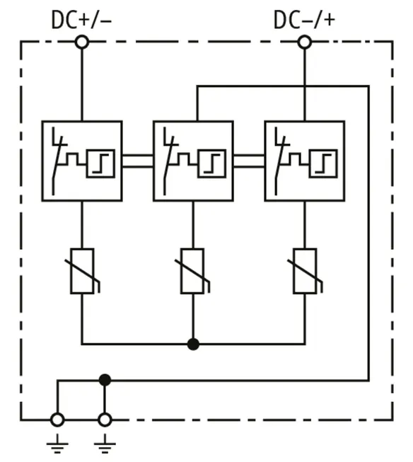
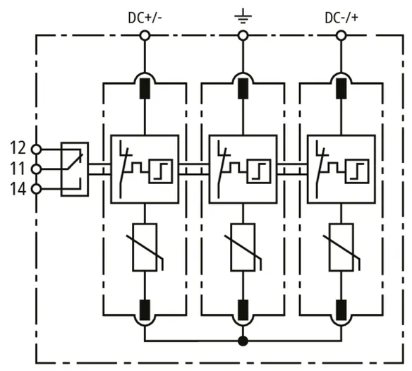
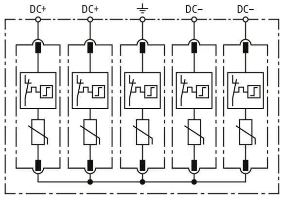
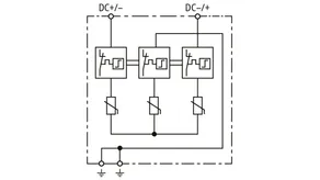
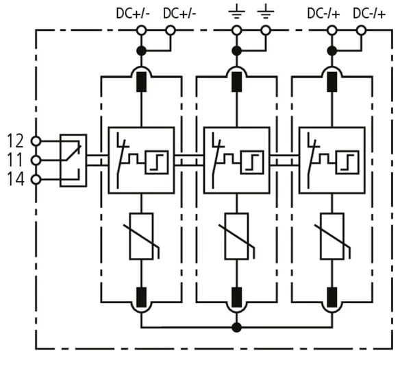
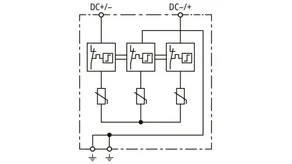
Technika SCI

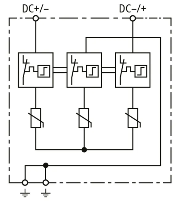
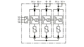
Opatentowana technika SCI z aktywnym gaszeniem łuku pozwala na aktywne, szybkie i bezpieczne wygaszenie ewentualnego łuku łączeniowego powstałego w przypadku przeciążenia. Zintegrowany bezpiecznik zadziała natychmiast po zgaszeniu łuku, zapewniając w ten sposób bezpieczną izolację elektryczną (przerwanie obwodu). Dlatego też wszystkie ograniczniki DEHN do instalacji fotowoltaicznych łączą skuteczną ochronę przepięciową, przeciwpożarową oraz zdrowia i życia ludzkiego w jednym urządzeniu.

Dane techniczne

Ogranicznik przepięć zgodnie z EN 61643-31 / ... IEC 61643-31 Typ 2 / klasa II
Maksymalne napięcie PV (UCPV ) 1000 V
Wytrzymałość zwarciowa (ISCPV ) 1 kA
Znamionowy prąd wyładowczy (8/20 µs) [(DC+/DC-) --> PE] (In ) 12,5 kA
Maksymalny prąd wyładowczy (8/20 µs) [(DC+/DC-) --> PE] (Imax ) 25 kA
Napięciowy poziom ochrony (UP ) ≤ 4 kV
Stopień ochrony IP 65

Produkt 900910 został dodany do notatnika.

Do koszyka dodano produkt 900910.


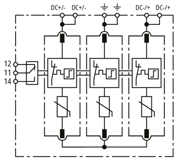
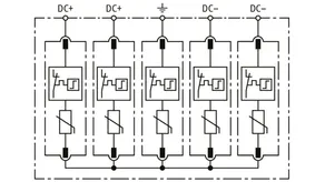
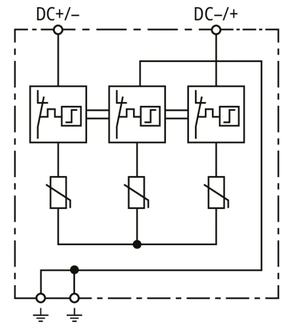
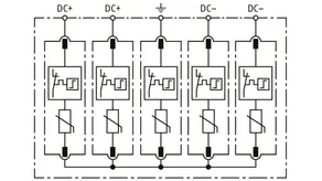
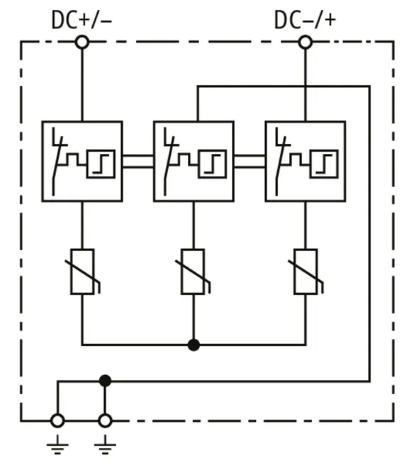
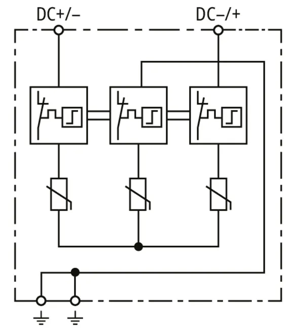
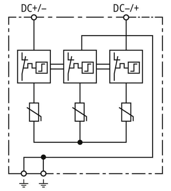
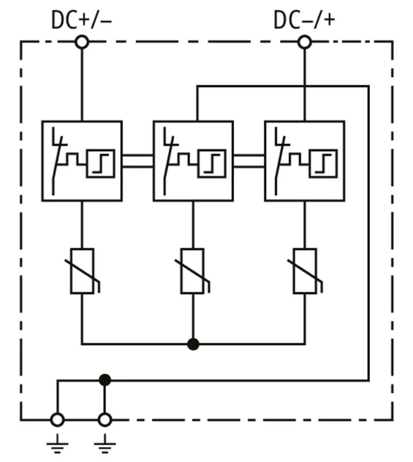
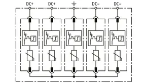
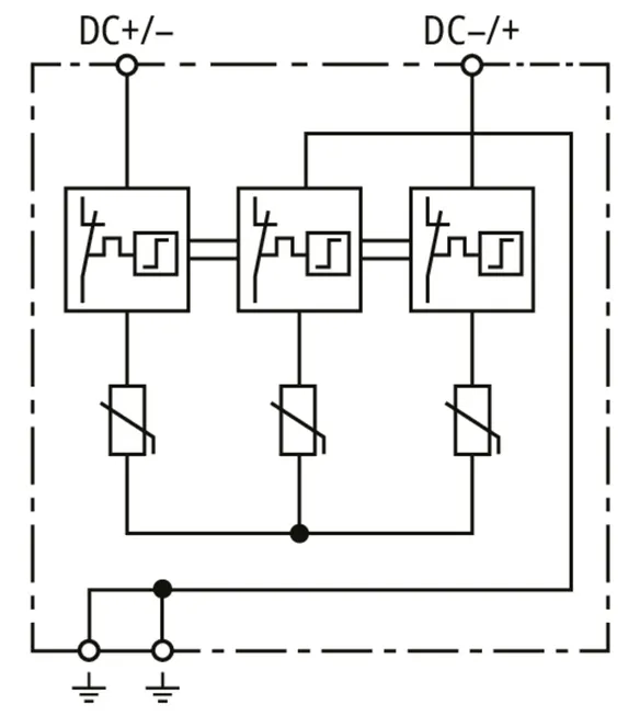
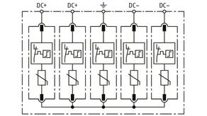
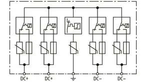
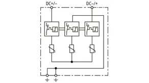
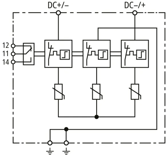
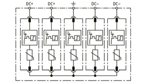
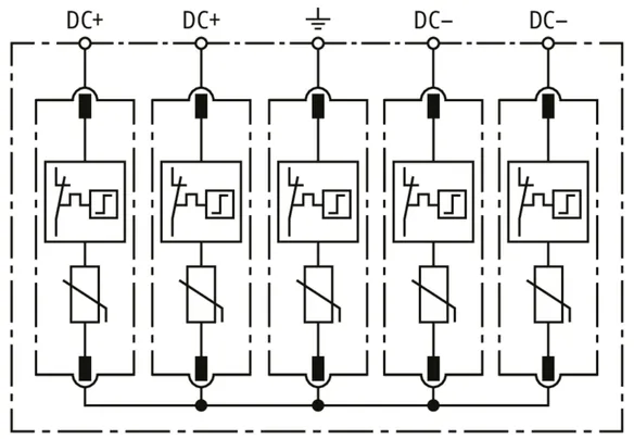
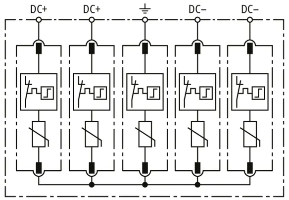
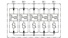
DEHNcube YPV SCI 1000 2M

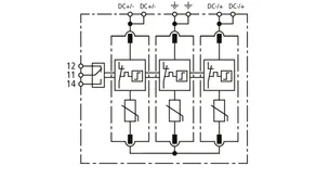
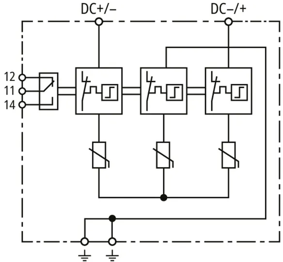
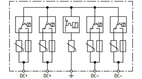
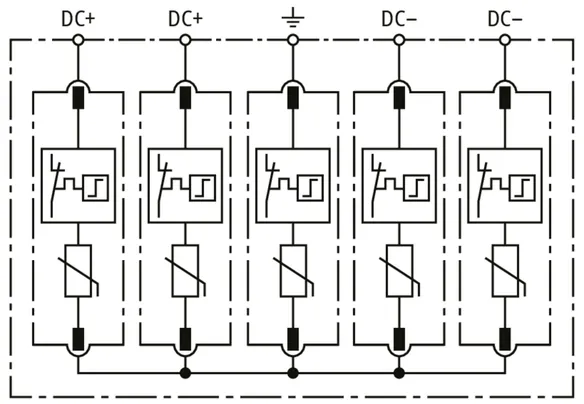
Czterobiegunowy ogranicznik przepięć o stopniu ochrony IP 65 z trzystopniowym układem przełączającym DC do falowników instalacji fotowoltaicznych do ochrony dwóch wejść MPP.

1 Produkt

Nr kat. 900920 DCU YPV SCI 1000 2M

GTIN / EAN 4013364155053, Nr taryfy celnej (EU): 85363030, Waga brutto: 731.00 g, Jednostka opakowaniowa: 1.00 szt.


Rysunki

Informacje dodatkowe

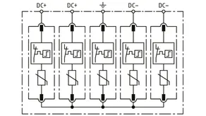
Ogranicznik przepięć DEHNcube YPV SCI 1000 2M
Wielobiegunowy ogranicznik przepięć do ochrony instalacji PV do 1000 V DC
do ochrony 2 wejść MPP, stopień ochrony IP65
Wskaźnik uszkodzenia
Typ 2 zgodnie z EN 61643-31 z 3-stopniowym układem przełączającym DC
Do stosowania w oparciu o zapisy IEC 60364-7-712
Maksymalne napięcie PV: <= 1000 V DC
Znamionowy prąd wyładowczy: (8/20) 12,5 kA
Całkowity prąd wyładowczy: (8/20) 40 kA
Napięciowy poziom ochrony: <= 4 kV
Wytrzymałość zwarciowa Iscpv: 1000 A
Wymiary: 130 x 94 x 81 mm
Dławnica kablowa: 5x Ø3-7 mm

Producent: DEHN
Typ: DCU YPV SCI 1000 2M
Nr kat.: 900920
lub podobny.

Certyfikaty

 

Technika SCI

Opatentowana technika SCI z aktywnym gaszeniem łuku pozwala na aktywne, szybkie i bezpieczne wygaszenie ewentualnego łuku łączeniowego powstałego w przypadku przeciążenia. Zintegrowany bezpiecznik zadziała natychmiast po zgaszeniu łuku, zapewniając w ten sposób bezpieczną izolację elektryczną (przerwanie obwodu). Dlatego też wszystkie ograniczniki DEHN do instalacji fotowoltaicznych łączą skuteczną ochronę przepięciową, przeciwpożarową oraz zdrowia i życia ludzkiego w jednym urządzeniu.

Dane techniczne

Ogranicznik przepięć zgodnie z EN 61643-31 / ... IEC 61643-31 Typ 2 / klasa II
Maksymalne napięcie PV (UCPV ) 1000 V
Wytrzymałość zwarciowa (ISCPV ) 1 kA
Znamionowy prąd wyładowczy (8/20 µs) [(DC+/DC-) --> PE] (In ) 12,5 kA
Maksymalny prąd wyładowczy (8/20 µs) [(DC+/DC-) --> PE] (Imax ) 25 kA
Napięciowy poziom ochrony (UP ) ≤ 4 kV
Stopień ochrony IP 65

Produkt 900920 został dodany do notatnika.

Do koszyka dodano produkt 900920.


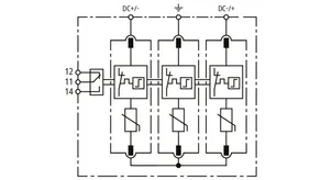
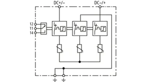
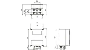
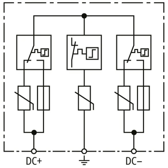
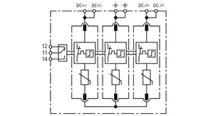
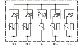
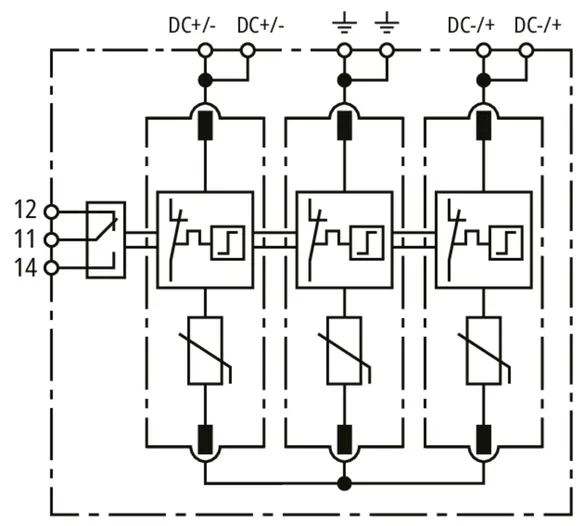
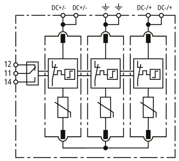
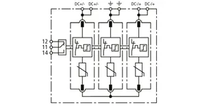
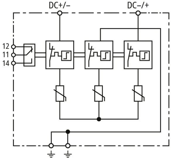
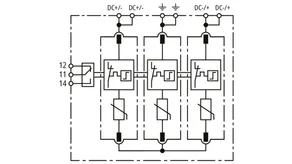
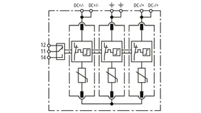
DEHNcube 2 YPV 1100 1M 2S

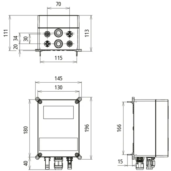
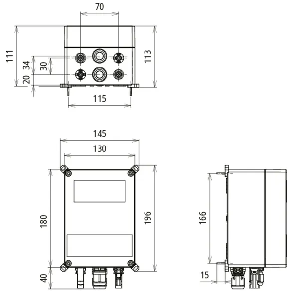
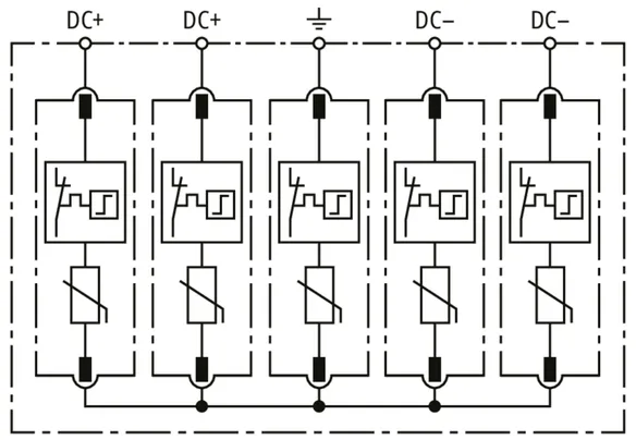
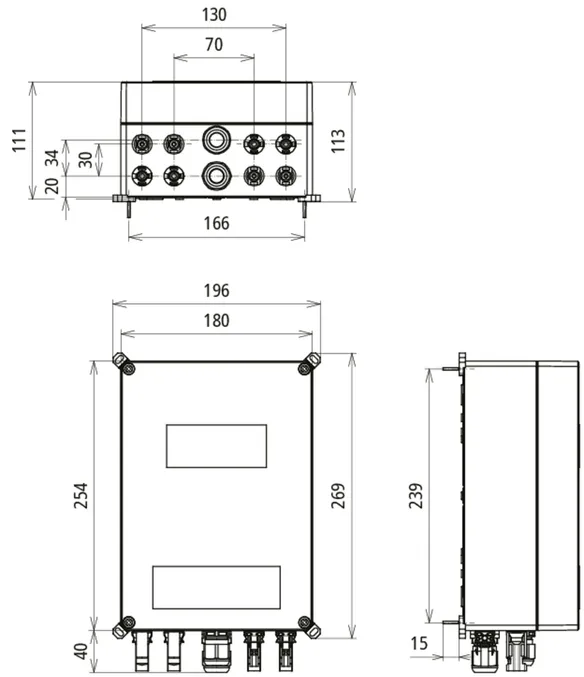
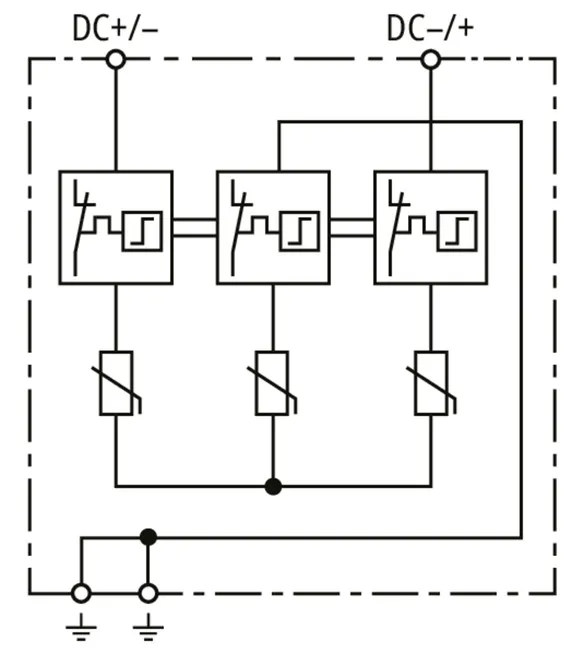
Skrzynka przyłączeniowa generatora do instalacji fotowoltaicznych do 1100 V DC do ochrony jednego wejścia MPP i dwóch stringów.
Z ochroną przepięciową z zaciskami w technice wtykowej („push-in”) dla wejścia i wyjścia.

1 Produkt

Nr kat. 900913 DCU 2 YPV 1100 1M 2S

GTIN / EAN 4013364492455, Nr taryfy celnej (EU): 85372091, Waga brutto: 1.59 kg, Jednostka opakowaniowa: 1.00 szt.


Rysunki

Informacje dodatkowe

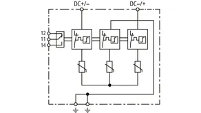
Skrzynka przyłączeniowa generatora DCU 2 YPV 1100 1M 2S
Skrzynka przyłączeniowa generatora do 1100 V DC
do ochrony jednego wejścia MPP i
dwóch stringów, stopień ochrony IP65
Wskaźnik uszkodzenia
Skrzynka przyłączeniowa generatora zgodna z normą DIN EN IEC 61439-2
Do stosowania w oparciu o zapisy IEC 60364-7-712
Maksymalne napięcie PV: <= 1100 V DC
Znamionowy prąd wyładowczy: (8/20) 20 kA
Całkowity prąd wyładowczy: (8/20) 40 kA
Napięciowy poziom ochrony: <= 4 kV
Wytrzymałość zwarciowa Iscpv: 10 kA
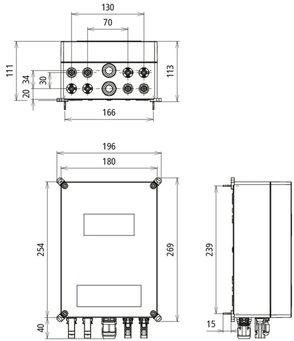
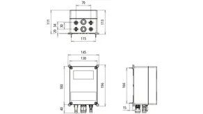
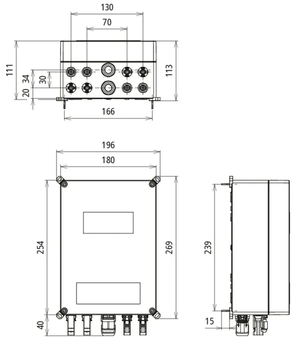
Wymiary: 180 x 182 x 111 mm
Dławnica kablowa: 2x 3-krotne połączenie śrubowe (przewód PV 2,5 mm² – 6 mm²)
Dławnica kablowa: 2x M20 (16 mm²)

Producent: DEHN
Typ: DCU 2 YPV 1100 1M 2S
Nr kat.: 900913
lub podobny.

 

Technika SCI

Opatentowana technika SCI z aktywnym gaszeniem łuku pozwala na aktywne, szybkie i bezpieczne wygaszenie ewentualnego łuku łączeniowego powstałego w przypadku przeciążenia. Zintegrowany bezpiecznik zadziała natychmiast po zgaszeniu łuku, zapewniając w ten sposób bezpieczną izolację elektryczną (przerwanie obwodu). Dlatego też wszystkie ograniczniki DEHN do instalacji fotowoltaicznych łączą skuteczną ochronę przepięciową, przeciwpożarową oraz zdrowia i życia ludzkiego w jednym urządzeniu.

Dane techniczne

Ogranicznik przepięć zgodnie z EN 61643-31 / ... IEC 61643-31 typ 2 / klasa II
Maksymalne napięcie PV (UCPV ) 1100 V
Wytrzymałość zwarciowa (ISCPV ) 10 kA
Znamionowy prąd wyładowczy (8/20 µs) [(DC+/DC-) --> PE] (In ) 20 kA
Maksymalny prąd wyładowczy (8/20 µs) [(DC+/DC-) --> PE] (Imax ) 40 kA
Napięciowy poziom ochrony (UP ) ≤ 4 kV
Stopień ochrony IP 65

Produkt 900913 został dodany do notatnika.

Do koszyka dodano produkt 900913.


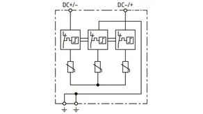
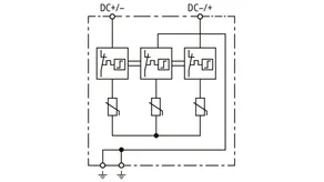
DEHNcube 2 YPV 1100 2M 1S

Skrzynka przyłączeniowa generatora do instalacji fotowoltaicznych do 1100 V DC do ochrony dwóch wejść MPP i po jednym stringu.
Z ochroną przepięciową z zaciskami w technice wtykowej („push-in”) dla wejścia i wyjścia.

1 Produkt

Nr kat. 900921 DCU 2 YPV 1100 2M 1S

GTIN / EAN 4013364492462, Nr taryfy celnej (EU): 85372091, Waga brutto: 2.14 kg, Jednostka opakowaniowa: 1.00 szt.


Rysunki

Informacje dodatkowe

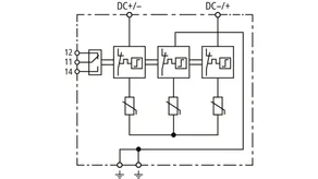
Skrzynka przyłączeniowa generatora DCU 2 YPV 1100 2M 1S
Skrzynka przyłączeniowa generatora do 1100 V DC
do ochrony dwóch wejść MPP
i jednego stringu, stopień ochrony IP65
Wskaźnik uszkodzenia
Skrzynka przyłączeniowa generatora zgodna z normą DIN EN IEC 61439-2
Do stosowania w oparciu o zapisy IEC 60364-7-712
Maksymalne napięcie PV: <= 1100 V DC
Znamionowy prąd wyładowczy: (8/20) 20 kA
Całkowity prąd wyładowczy: (8/20) 40 kA
Napięciowy poziom ochrony: <= 4 kV
Wytrzymałość zwarciowa Iscpv: 10 kA
Wymiary: 180 x 182 x 111 mm
Dławnica kablowa: 2x 4-krotne połączenie śrubowe (przewód PV 2,5 mm² – 6 mm²)
Dławnica kablowa: 2x M20 (16 mm²)

Producent: DEHN
Typ: DCU 2 YPV 1100 2M 1S
Nr kat.: 900921
lub podobny.

Certyfikaty

 

Technika SCI

Opatentowana technika SCI z aktywnym gaszeniem łuku pozwala na aktywne, szybkie i bezpieczne wygaszenie ewentualnego łuku łączeniowego powstałego w przypadku przeciążenia. Zintegrowany bezpiecznik zadziała natychmiast po zgaszeniu łuku, zapewniając w ten sposób bezpieczną izolację elektryczną (przerwanie obwodu). Dlatego też wszystkie ograniczniki DEHN do instalacji fotowoltaicznych łączą skuteczną ochronę przepięciową, przeciwpożarową oraz zdrowia i życia ludzkiego w jednym urządzeniu.

Dane techniczne

Ogranicznik przepięć zgodnie z EN 61643-31 / ... IEC 61643-31 typ 2 / klasa II
Maksymalne napięcie PV (UCPV ) 1100 V
Wytrzymałość zwarciowa (ISCPV ) 10 kA
Znamionowy prąd wyładowczy (8/20 µs) [(DC+/DC-) --> PE] (In ) 20 kA
Maksymalny prąd wyładowczy (8/20 µs) [(DC+/DC-) --> PE] (Imax ) 40 kA
Napięciowy poziom ochrony (UP ) ≤ 4 kV
Stopień ochrony IP 65

Produkt 900921 został dodany do notatnika.

Do koszyka dodano produkt 900921.


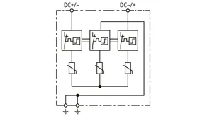
DEHNcube 2 YPV 1100 2M 2S

Skrzynka przyłączeniowa generatora do instalacji fotowoltaicznych do 1100 V DC do ochrony dwóch wejść MPP i po dwa stringi.
Z ochroną przepięciową z zaciskami w technice wtykowej („push-in”) dla wejścia i wyjścia.

1 Produkt

Nr kat. 900923 DCU 2 YPV 1100 2M 2S

GTIN / EAN 4013364492400, Nr taryfy celnej (EU): 85372091, Waga brutto: 2.21 kg, Jednostka opakowaniowa: 1.00 szt.


Rysunki

Informacje dodatkowe

Skrzynka przyłączeniowa generatora DCU 2 YPV 1100 2M 2S
Skrzynka przyłączeniowa generatora do 1100 V DC
do ochrony dwóch wejść MPP
i odpowiednio dwóch stringów każda, stopień ochrony IP65
Wskaźnik uszkodzenia
Skrzynka przyłączeniowa generatora zgodna z normą DIN EN IEC 61439-2
Do stosowania w oparciu o zapisy IEC 60364-7-712
Maksymalne napięcie PV: <= 1100 V DC
Znamionowy prąd wyładowczy: (8/20) 20 kA
Całkowity prąd wyładowczy: (8/20) 40 kA
Napięciowy poziom ochrony: <= 4 kV
Wytrzymałość zwarciowa Iscpv: 10 kA
Wymiary: 180 x 182 x 111 mm
Dławnica kablowa: 4x 3-krotne połączenie śrubowe (przewód PV 2,5 mm² – 6 mm²)
Dławnica kablowa: 2x M20 (16 mm²)

Producent: DEHN
Typ: DCU 2 YPV 1100 2M 2S
Nr kat.: 900923
lub podobny.

 

Technika SCI

Opatentowana technika SCI z aktywnym gaszeniem łuku pozwala na aktywne, szybkie i bezpieczne wygaszenie ewentualnego łuku łączeniowego powstałego w przypadku przeciążenia. Zintegrowany bezpiecznik zadziała natychmiast po zgaszeniu łuku, zapewniając w ten sposób bezpieczną izolację elektryczną (przerwanie obwodu). Dlatego też wszystkie ograniczniki DEHN do instalacji fotowoltaicznych łączą skuteczną ochronę przepięciową, przeciwpożarową oraz zdrowia i życia ludzkiego w jednym urządzeniu.

Dane techniczne

Ogranicznik przepięć zgodnie z EN 61643-31 / ... IEC 61643-31 typ 2 / klasa II
Maksymalne napięcie PV (UCPV ) 1100 V
Wytrzymałość zwarciowa (ISCPV ) 10 kA
Znamionowy prąd wyładowczy (8/20 µs) [(DC+/DC-) --> PE] (In ) 20 kA
Maksymalny prąd wyładowczy (8/20 µs) [(DC+/DC-) --> PE] (Imax ) 40 kA
Napięciowy poziom ochrony (UP ) ≤ 4 kV
Stopień ochrony IP 65

Produkt 900923 został dodany do notatnika.

Do koszyka dodano produkt 900923.


DEHNcube 2 YPV 1+2 1000 1M 2S FM

Skrzynka przyłączeniowa generatora do instalacji fotowoltaicznych do 1000 V DC z zaciskami rozłącznymi do ochrony jednego wejścia MPP i dwóch stringów.
Z ochroną przepięciową z zaciskami w technice wtykowej („push-in”) dla wejścia i wyjścia.

1 Produkt

Nr kat. 900975 DCU 2 YPV 1+2 1000 1M 2S FM

GTIN / EAN 4013364520318, Nr taryfy celnej (EU): 85371098, Waga brutto: 1.85 kg, Jednostka opakowaniowa: 1.00 szt.


Rysunki

Informacje dodatkowe

Skrzynka przyłączeniowa generatora DCU 2 YPV 1+2 1000 1M 2S FM
Skrzynka przyłączeniowa generatora do 1000 V DC
do ochrony jednego wejścia MPP i
dwóch stringów, stopień ochrony IP65
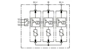
z zestykiem zdalnej sygnalizacji i wskaźnikiem uszkodzenia
Skrzynka przyłączeniowa generatora zgodna z normą DIN EN IEC 61439-2
Do stosowania w oparciu o zapisy IEC 60364-7-712
Maksymalne napięcie PV: <= 1000 V DC
Znamionowy prąd wyładowczy: (8/20) 20 kA
Całkowity prąd wyładowczy: (8/20) 40 kA
Napięciowy poziom ochrony: <= 3,8 kV
Wytrzymałość zwarciowa Iscpv: 10 kA
Wymiary: 182 x 180 x 111 mm
Dławnica kablowa: 2x 3-krotne połączenie śrubowe
(przewód PV 2,5 mm² – 6 mm²)
Dławnica kablowa: 2x M20

Producent: DEHN
Typ: DCU 2 YPV 1+2 1000 1M 2S FM
Nr kat.: 900975
lub podobny.

Certyfikaty

 

Technika SCI

Opatentowana technika SCI z aktywnym gaszeniem łuku pozwala na aktywne, szybkie i bezpieczne wygaszenie ewentualnego łuku łączeniowego powstałego w przypadku przeciążenia. Zintegrowany bezpiecznik zadziała natychmiast po zgaszeniu łuku, zapewniając w ten sposób bezpieczną izolację elektryczną (przerwanie obwodu). Dlatego też wszystkie ograniczniki DEHN do instalacji fotowoltaicznych łączą skuteczną ochronę przepięciową, przeciwpożarową oraz zdrowia i życia ludzkiego w jednym urządzeniu.

Dane techniczne

Ogranicznik przepięć zgodnie z EN 61643-31 / ... IEC 61643-31 typ 1 + typ 2 / klasa I + klasa II
Maksymalne napięcie PV (UCPV ) 1000 V
Wytrzymałość zwarciowa (ISCPV ) 10 kA
Znamionowy prąd wyładowczy (8/20 µs) [(DC+/DC-) --> PE] (In ) 20 kA
Maksymalny prąd wyładowczy (8/20 µs) [(DC+/DC-) --> PE] (Imax ) 40 kA
Napięciowy poziom ochrony (UP ) ≤ 3,8 kV
Stopień ochrony IP 65

Produkt 900975 został dodany do notatnika.

Do koszyka dodano produkt 900975.


DEHNcube 2 YPV 1+2 1000 2M 2S FM

Skrzynka przyłączeniowa generatora do instalacji fotowoltaicznych do 1000 V DC z zaciskami rozłącznymi do ochrony dwóch wejść MPP i po dwa stringi.
Z ochroną przepięciową z zaciskami w technice wtykowej („push-in”) dla wejścia i wyjścia.

1 Produkt

Nr kat. 900976 DCU 2 YPV 1+2 1000 2M 2S FM

GTIN / EAN 4013364520295, Nr taryfy celnej (EU): 85371098, Waga brutto: 2.69 kg, Jednostka opakowaniowa: 1.00 szt.


Rysunki

Informacje dodatkowe

Skrzynka przyłączeniowa generatora DCU 2 YPV 1+2 1000 2M 2S FM
Skrzynka przyłączeniowa generatora do 1000 V DC
do ochrony dwóch wejść MPP
i odpowiednio dwóch stringów każda, stopień ochrony IP65
z zestykiem zdalnej sygnalizacji i wskaźnikiem uszkodzenia
Skrzynka przyłączeniowa generatora zgodna z normą DIN EN IEC 61439-2
Do stosowania w oparciu o zapisy IEC 60364-7-712
Maksymalne napięcie PV: <= 1100 V DC
Znamionowy prąd wyładowczy: (8/20) 20 kA
Całkowity prąd wyładowczy: (8/20) 40 kA
Napięciowy poziom ochrony: <= 3,8 kV
Wytrzymałość zwarciowa Iscpv: 10 kA
Wymiary: 254 x 180 x 111 mm
Dławnica kablowa: 4x 3-krotne połączenie śrubowe
(przewód PV 2,5 mm² – 6 mm²)
Dławnica kablowa: 2x M20

Producent: DEHN
Typ: DCU 2 YPV 1+2 1000 2M 2S FM
Nr kat.: 900976
lub podobny.

Certyfikaty

 

Technika SCI

Opatentowana technika SCI z aktywnym gaszeniem łuku pozwala na aktywne, szybkie i bezpieczne wygaszenie ewentualnego łuku łączeniowego powstałego w przypadku przeciążenia. Zintegrowany bezpiecznik zadziała natychmiast po zgaszeniu łuku, zapewniając w ten sposób bezpieczną izolację elektryczną (przerwanie obwodu). Dlatego też wszystkie ograniczniki DEHN do instalacji fotowoltaicznych łączą skuteczną ochronę przepięciową, przeciwpożarową oraz zdrowia i życia ludzkiego w jednym urządzeniu.

Dane techniczne

Ogranicznik przepięć zgodnie z EN 61643-31 / ... IEC 61643-31 typ 1 + typ 2 / klasa I + klasa II
Maksymalne napięcie PV (UCPV ) 1000 V
Wytrzymałość zwarciowa (ISCPV ) 10 kA
Znamionowy prąd wyładowczy (8/20 µs) [(DC+/DC-) --> PE] (In ) 20 kA
Maksymalny prąd wyładowczy (8/20 µs) [(DC+/DC-) --> PE] (Imax ) 40 kA
Napięciowy poziom ochrony (UP ) ≤ 3,8 kV
Stopień ochrony IP 65

Produkt 900976 został dodany do notatnika.

Do koszyka dodano produkt 900976.


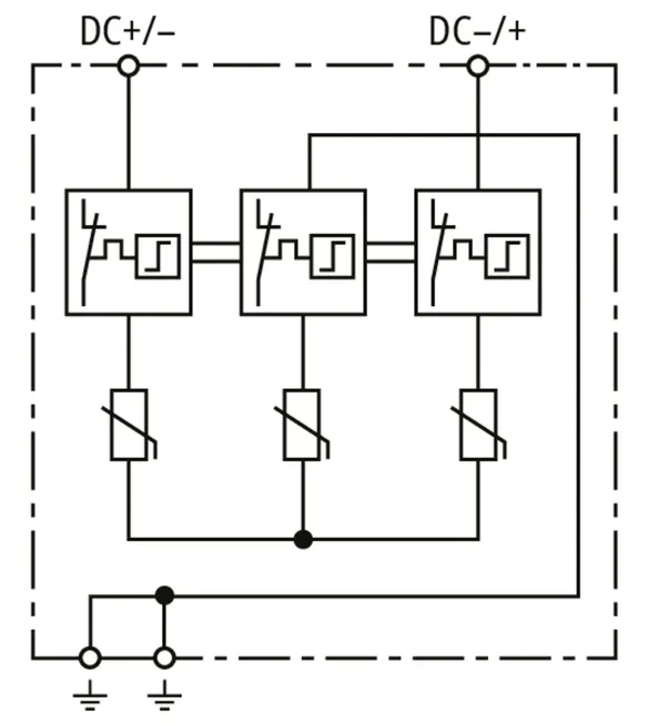
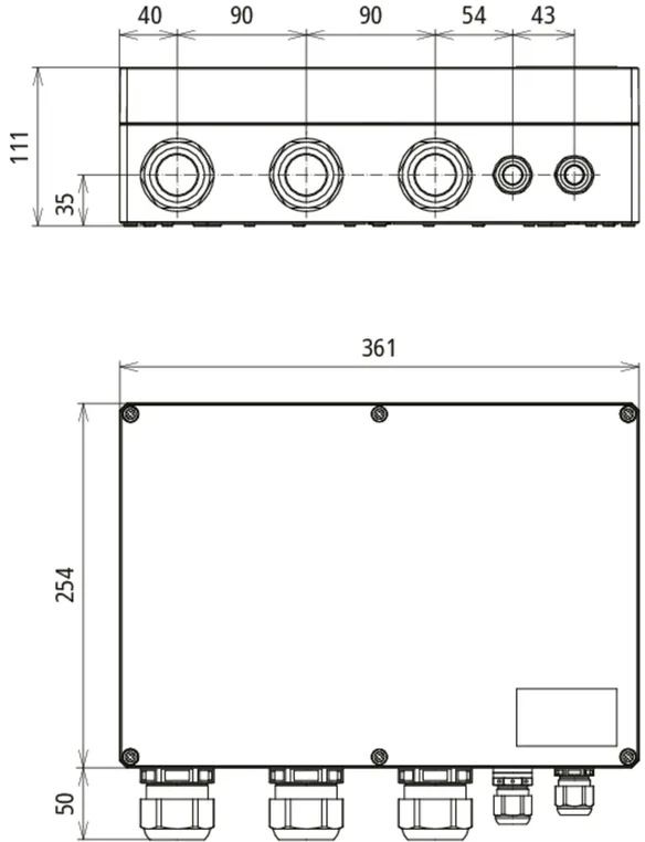
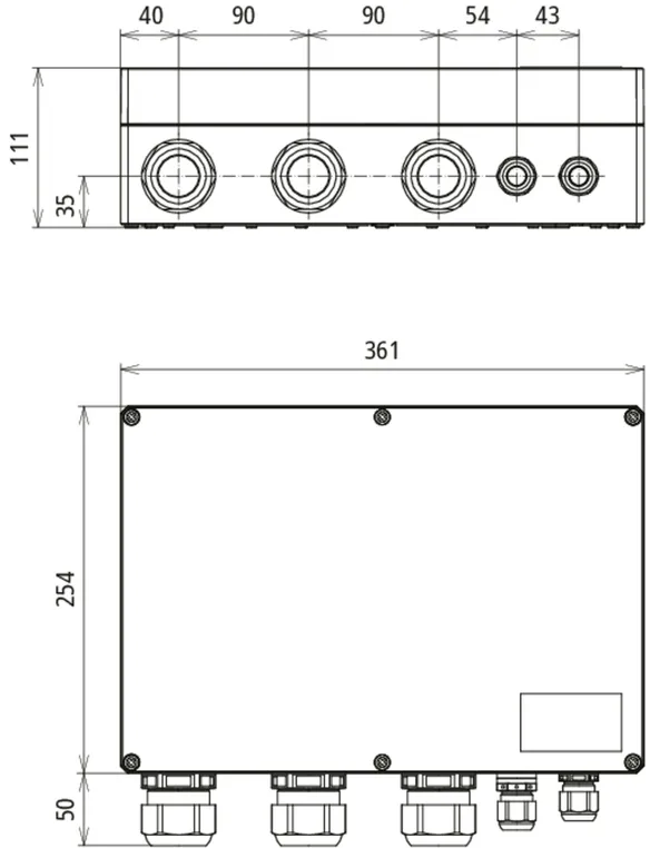
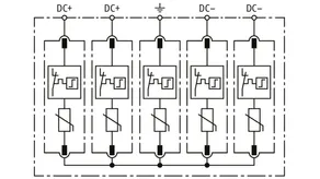
DEHNcube 2 YPV 1+2 1000 3M 2S FM

Skrzynka przyłączeniowa generatora do instalacji fotowoltaicznych do 1000 V DC z zaciskami rozłącznymi do ochrony trzech wejść MPP i po dwa stringi.
Z ochroną przepięciową z zaciskami w technice wtykowej („push-in”) dla wejścia i wyjścia.

1 Produkt

Nr kat. 900978 DCU 2 YPV 1+2 1000 3M 2S FM

GTIN / EAN 4013364534766, Nr taryfy celnej (EU): 85372091, Waga brutto: 4.19 kg, Jednostka opakowaniowa: 1.00 szt.


Rysunki

Informacje dodatkowe

Skrzynka przyłączeniowa generatora DCU 2 YPV 1+2 1000 3M 2S FM
Skrzynka przyłączeniowa generatora do 1000 V DC
do ochrony trzech wejść MPP i
po dwa stringi, stopień ochrony IP65
z zestykiem zdalnej sygnalizacji i wskaźnikiem uszkodzenia
Skrzynka przyłączeniowa generatora zgodna z normą DIN EN IEC 61439-2
Do stosowania w oparciu o zapisy IEC 60364-7-712
Maksymalne napięcie PV: <= 1000 V DC
In: (8/20) 20 kA / biegun
Itotal: (10/350) 12,5 kA
Up: <= 3,8 kV
Wytrzymałość zwarciowa Iscpv: 10 kA
Wymiary: 361 x 254 x 111 mm
Dławnica kablowa: 3x 6-krotne połączenie śrubowe
(przewód PV 2,5 mm² – 6 mm²)
Dławnica kablowa: 2x M20

Producent: DEHN
Typ: DCU 2 YPV 1+2 1000 3M 2S FM
Nr kat.: 900978
lub podobny.

Certyfikaty

 

Technika SCI

Opatentowana technika SCI z aktywnym gaszeniem łuku pozwala na aktywne, szybkie i bezpieczne wygaszenie ewentualnego łuku łączeniowego powstałego w przypadku przeciążenia. Zintegrowany bezpiecznik zadziała natychmiast po zgaszeniu łuku, zapewniając w ten sposób bezpieczną izolację elektryczną (przerwanie obwodu). Dlatego też wszystkie ograniczniki DEHN do instalacji fotowoltaicznych łączą skuteczną ochronę przepięciową, przeciwpożarową oraz zdrowia i życia ludzkiego w jednym urządzeniu.

Dane techniczne

Ogranicznik przepięć zgodnie z EN 61643-31 / ... IEC 61643-31 typ 1 + typ 2 / klasa I + klasa II
Maksymalne napięcie PV (UCPV ) 1000 V
Wytrzymałość zwarciowa (ISCPV ) 10 kA
Znamionowy prąd wyładowczy (8/20 µs) [(DC+/DC-) --> PE] (In ) 20 kA
Maksymalny prąd wyładowczy (8/20 µs) [(DC+/DC-) --> PE] (Imax ) 40 kA
Napięciowy poziom ochrony (UP ) ≤ 3,8 kV
Stopień ochrony IP 65

Produkt 900978 został dodany do notatnika.

Do koszyka dodano produkt 900978.


DEHNcube 2 YPV 1100 1M 1S MC4 FM

Skrzynka przyłączeniowa generatora do instalacji fotowoltaicznych do 1100 V DC do ochrony jednego wejścia MPP i jednego stringu.

1 Produkt

Nr kat. 900911 DCU 2 YPV 1100 1M 1S MC4 FM

GTIN / EAN 4013364529182, Nr taryfy celnej (EU): 85372091, Waga brutto: 1027.00 g, Jednostka opakowaniowa: 1.00 szt.


Rysunki

Informacje dodatkowe

Skrzynka przyłączeniowa generatora DCU 2 YPV 1100 1M 1S MC4 FM
Skrzynka przyłączeniowa generatora do 1100 V DC
do ochrony jednego wejścia MPP
i jednego stringu, stopień ochrony IP65
z zestykiem zdalnej sygnalizacji i wskaźnikiem uszkodzenia
Skrzynka przyłączeniowa generatora zgodna z normą DIN EN IEC 61439-2
Do stosowania w oparciu o zapisy IEC 60364-7-712
Maksymalne napięcie PV: <= 1100 V DC
Znamionowy prąd wyładowczy: (8/20) 20 kA
Całkowity prąd wyładowczy: (8/20) 40 kA
Napięciowy poziom ochrony: <= 4 kV
Wytrzymałość zwarciowa Iscpv: 10 kA
Wymiary: 180 x 130 x 111 mm
Rodzaj przyłączenia: gniazdo wtykowe Original MC4

Producent: DEHN
Typ: DCU 2 YPV 1100 1M 1S MC4 FM
Nr kat.: 900911
lub podobny.

Certyfikaty

 

Technika SCI

Opatentowana technika SCI z aktywnym gaszeniem łuku pozwala na aktywne, szybkie i bezpieczne wygaszenie ewentualnego łuku łączeniowego powstałego w przypadku przeciążenia. Zintegrowany bezpiecznik zadziała natychmiast po zgaszeniu łuku, zapewniając w ten sposób bezpieczną izolację elektryczną (przerwanie obwodu). Dlatego też wszystkie ograniczniki DEHN do instalacji fotowoltaicznych łączą skuteczną ochronę przepięciową, przeciwpożarową oraz zdrowia i życia ludzkiego w jednym urządzeniu.

Dane techniczne

Ogranicznik przepięć zgodnie z EN 61643-31 / ... IEC 61643-31 typ 2 / klasa II
Maksymalne napięcie PV (UCPV ) 1100 V
Wytrzymałość zwarciowa (ISCPV ) 10 kA
Znamionowy prąd wyładowczy (8/20 µs) [(DC+/DC-) --> PE] (In ) 20 kA
Maksymalny prąd wyładowczy (8/20 µs) [(DC+/DC-) --> PE] (Imax ) 40 kA
Napięciowy poziom ochrony (UP ) ≤ 4 kV
Stopień ochrony IP 65

Produkt 900911 został dodany do notatnika.

Do koszyka dodano produkt 900911.


DEHNcube 2 YPV 1100 2M 1S MC4

Skrzynka przyłączeniowa generatora do instalacji fotowoltaicznych do 1100 V DC do ochrony dwóch wejść MPP i po jednym stringu.

1 Produkt

Nr kat. 900924 DCU 2 YPV 1100 2M 1S MC4

GTIN / EAN 4013364529205, Nr taryfy celnej (EU): 85372091, Waga brutto: 1963.00 g, Jednostka opakowaniowa: 1.00 szt.


Rysunki

Informacje dodatkowe

Skrzynka przyłączeniowa generatora DCU 2 YPV 1100 2M 1S MC4
Skrzynka przyłączeniowa generatora do 1100 V DC
do ochrony dwóch wejść MPP
i po jednym stringu, stopień ochrony IP65
Wskaźnik uszkodzenia
Skrzynka przyłączeniowa generatora zgodna z normą DIN EN IEC 61439-2
Do stosowania w oparciu o zapisy IEC 60364-7-712
Maksymalne napięcie PV: <= 1100 V DC
Znamionowy prąd wyładowczy: (8/20) 20 kA
Całkowity prąd wyładowczy: (8/20) 40 kA
Napięciowy poziom ochrony: <= 4 kV
Wytrzymałość zwarciowa Iscpv: 10 kA
Wymiary: 180 x 180 x 111 mm
Rodzaj przyłączenia: gniazdo wtykowe Original MC4

Producent: DEHN
Typ: DCU 2 YPV 1100 2M 1S MC4
Nr kat.: 900924
lub podobny.

Certyfikaty

 

Technika SCI

Opatentowana technika SCI z aktywnym gaszeniem łuku pozwala na aktywne, szybkie i bezpieczne wygaszenie ewentualnego łuku łączeniowego powstałego w przypadku przeciążenia. Zintegrowany bezpiecznik zadziała natychmiast po zgaszeniu łuku, zapewniając w ten sposób bezpieczną izolację elektryczną (przerwanie obwodu). Dlatego też wszystkie ograniczniki DEHN do instalacji fotowoltaicznych łączą skuteczną ochronę przepięciową, przeciwpożarową oraz zdrowia i życia ludzkiego w jednym urządzeniu.

Dane techniczne

Ogranicznik przepięć zgodnie z EN 61643-31 / ... IEC 61643-31 typ 2 / klasa II
Maksymalne napięcie PV (UCPV ) 1100 V
Wytrzymałość zwarciowa (ISCPV ) 10 kA
Znamionowy prąd wyładowczy (8/20 µs) [(DC+/DC-) --> PE] (In ) 20 kA
Maksymalny prąd wyładowczy (8/20 µs) [(DC+/DC-) --> PE] (Imax ) 40 kA
Napięciowy poziom ochrony (UP ) ≤ 4 kV
Stopień ochrony IP 65

Produkt 900924 został dodany do notatnika.

Do koszyka dodano produkt 900924.


DEHNcube 2 YPV 1100 3M 1S MC4 FM

Skrzynka przyłączeniowa generatora do instalacji fotowoltaicznych do 1100 V DC do ochrony trzech wejść MPP i po jednym stringu.

1 Produkt

Nr kat. 900931 DCU 2 YPV 1100 3M 1S MC4 FM

GTIN / EAN 4013364534742, Nr taryfy celnej (EU): 85372091, Waga brutto: 2.63 kg, Jednostka opakowaniowa: 1.00 szt.


Rysunki

Informacje dodatkowe

Skrzynka przyłączeniowa generatora DCU 2 YPV 1100 3M 1S MC4 FM
Skrzynka przyłączeniowa generatora do 1100 V DC
do ochrony trzech wejść MPP
i po jednym stringu, stopień ochrony IP65
z zestykiem zdalnej sygnalizacji i wskaźnikiem uszkodzenia
Skrzynka przyłączeniowa generatora zgodna z normą DIN EN IEC 61439-2
Do stosowania w oparciu o zapisy IEC 60364-7-712
Maksymalne napięcie PV: <= 1100 V DC
In: (8/20) 20 kA / biegun
Itotal: (8/20) 40 kA
Up: <= 4 kV
Wytrzymałość zwarciowa Iscpv: 10 kA
Wymiary: 254 x 180 x 111 mm
Rodzaj przyłączenia: gniazdo wtykowe Original MC4

Producent: DEHN
Typ: DCU 2 YPV 1100 3M 1S MC4 FM
Nr kat.: 900931
lub podobny.

Certyfikaty

 

Technika SCI

Opatentowana technika SCI z aktywnym gaszeniem łuku pozwala na aktywne, szybkie i bezpieczne wygaszenie ewentualnego łuku łączeniowego powstałego w przypadku przeciążenia. Zintegrowany bezpiecznik zadziała natychmiast po zgaszeniu łuku, zapewniając w ten sposób bezpieczną izolację elektryczną (przerwanie obwodu). Dlatego też wszystkie ograniczniki DEHN do instalacji fotowoltaicznych łączą skuteczną ochronę przepięciową, przeciwpożarową oraz zdrowia i życia ludzkiego w jednym urządzeniu.

Dane techniczne

Ogranicznik przepięć zgodnie z EN 61643-31 / ... IEC 61643-31 typ 2 / klasa II
Maksymalne napięcie PV (UCPV ) 1100 V
Wytrzymałość zwarciowa (ISCPV ) 10 kA
Znamionowy prąd wyładowczy (8/20 µs) [(DC+/DC-) --> PE] (In ) 20 kA
Maksymalny prąd wyładowczy (8/20 µs) [(DC+/DC-) --> PE] (Imax ) 40 kA
Napięciowy poziom ochrony (UP ) ≤ 4 kV
Stopień ochrony IP 65

Produkt 900931 został dodany do notatnika.

Do koszyka dodano produkt 900931.


DEHNcube 2 YPV 1+2 1200 1M 1S MC4

Skrzynka przyłączeniowa generatora do instalacji fotowoltaicznych do 1200 V DC do ochrony jednego wejścia MPP i jednego stringu.

1 Produkt

Nr kat. 900985 DCU 2 YPV 1+2 1200 1M 1S MC4

GTIN / EAN 4013364529199, Nr taryfy celnej (EU): 85372091, Waga brutto: 1169.00 g, Jednostka opakowaniowa: 1.00 szt.


Rysunki

Informacje dodatkowe

Skrzynka przyłączeniowa generatora DCU 2 YPV 1+2 1200 1M 1S MC4
Skrzynka przyłączeniowa generatora do 1200 V DC
do ochrony jednego wejścia MPP
i jednego stringu, stopień ochrony IP65
Wskaźnik uszkodzenia
Skrzynka przyłączeniowa generatora zgodna z normą DIN EN IEC 61439-2
Do stosowania w oparciu o zapisy IEC 60364-7-712
Maksymalne napięcie PV: <= 1200 V DC
In: (8/20) 20 kA / biegun
Itotal: (10/350) 12,5 kA
Up: <= 3,8 kV
Wytrzymałość zwarciowa Iscpv: 10 kA
Wymiary: 180 x 130 x 111 mm
Rodzaj przyłączenia: gniazdo wtykowe Original MC4

Producent: DEHN
Typ: DCU 2 YPV 1+2 1200 1M 1S MC4
Nr kat.: 900985
lub podobny.

Certyfikaty

 

Technika SCI

Opatentowana technika SCI z aktywnym gaszeniem łuku pozwala na aktywne, szybkie i bezpieczne wygaszenie ewentualnego łuku łączeniowego powstałego w przypadku przeciążenia. Zintegrowany bezpiecznik zadziała natychmiast po zgaszeniu łuku, zapewniając w ten sposób bezpieczną izolację elektryczną (przerwanie obwodu). Dlatego też wszystkie ograniczniki DEHN do instalacji fotowoltaicznych łączą skuteczną ochronę przepięciową, przeciwpożarową oraz zdrowia i życia ludzkiego w jednym urządzeniu.

Dane techniczne

Ogranicznik przepięć zgodnie z EN 61643-31 / ... IEC 61643-31 typ 1 + typ 2 / klasa I + klasa II
Wytrzymałość zwarciowa (ISCPV ) 10 kA
Napięciowy poziom ochrony (UP ) < 3,8 kV
Stopień ochrony IP 65

Produkt 900985 został dodany do notatnika.

Do koszyka dodano produkt 900985.


DEHNcube 2 YPV 1+2 1200 2M 1S MC4

Skrzynka przyłączeniowa generatora do instalacji fotowoltaicznych do 1200 V DC do ochrony dwóch wejść MPP i po jednym stringu.

1 Produkt

Nr kat. 900986 DCU 2 YPV 1+2 1200 2M 1S MC4

GTIN / EAN 4013364529212, Nr taryfy celnej (EU): 85372091, Waga brutto: 2.76 kg, Jednostka opakowaniowa: 1.00 szt.


Rysunki

Informacje dodatkowe

Skrzynka przyłączeniowa generatora DCU 2 YPV 1+2 1200 2M 1S MC4
Skrzynka przyłączeniowa generatora do 1200 V DC
do ochrony dwóch wejść MPP
i po jednym stringu, stopień ochrony IP65
Wskaźnik uszkodzenia
Skrzynka przyłączeniowa generatora zgodna z normą DIN EN IEC 61439-2
Do stosowania w oparciu o zapisy IEC 60364-7-712
Maksymalne napięcie PV: <= 1200 V DC
In: (8/20) 20 kA / biegun
Itotal: (10/350) 12,5 kA
Up: <= 3,8 kV
Wytrzymałość zwarciowa Iscpv: 10 kA
Wymiary: 254 x 180 x 111 mm
Rodzaj przyłączenia: gniazdo wtykowe Original MC4

Producent: DEHN
Typ: DCU 2 YPV 1+2 1200 2M 1S MC4
Nr kat.: 900986
lub podobny.

Certyfikaty

 

Technika SCI

Opatentowana technika SCI z aktywnym gaszeniem łuku pozwala na aktywne, szybkie i bezpieczne wygaszenie ewentualnego łuku łączeniowego powstałego w przypadku przeciążenia. Zintegrowany bezpiecznik zadziała natychmiast po zgaszeniu łuku, zapewniając w ten sposób bezpieczną izolację elektryczną (przerwanie obwodu). Dlatego też wszystkie ograniczniki DEHN do instalacji fotowoltaicznych łączą skuteczną ochronę przepięciową, przeciwpożarową oraz zdrowia i życia ludzkiego w jednym urządzeniu.

Dane techniczne

Ogranicznik przepięć zgodnie z EN 61643-31 / ... IEC 61643-31 typ 1 + typ 2 / klasa I + klasa II
Wytrzymałość zwarciowa (ISCPV ) 10 kA
Napięciowy poziom ochrony (UP ) < 3,8 kV
Stopień ochrony IP 65

Produkt 900986 został dodany do notatnika.

Do koszyka dodano produkt 900986.


DEHNcube 2 YPV 1+2 1200 2M 2S MC4

Skrzynka przyłączeniowa generatora do instalacji fotowoltaicznych do 1200 V DC do ochrony dwóch wejść MPP i po dwa stringi.

1 Produkt

Nr kat. 900987 DCU 2 YPV 1+2 1200 2M 2S MC4

GTIN / EAN 4013364534735, Nr taryfy celnej (EU): 85372091, Waga brutto: 2.74 kg, Jednostka opakowaniowa: 1.00 szt.


Rysunki

Informacje dodatkowe

Skrzynka przyłączeniowa generatora DCU 2 YPV 1+2 1200 2M 2S MC4
Skrzynka przyłączeniowa generatora do 1200 V DC
do ochrony dwóch wejść MPP
i odpowiednio dwóch stringów każda, stopień ochrony IP65
Wskaźnik uszkodzenia
Skrzynka przyłączeniowa generatora zgodna z normą DIN EN IEC 61439-2
Do stosowania w oparciu o zapisy IEC 60364-7-712
Maksymalne napięcie PV: <= 1200 V DC
In: (8/20) 20 kA / biegun
Itotal: (10/350) 12,5 kA
Up: <= 3,8 kV
Wytrzymałość zwarciowa Iscpv: 10 kA
Wymiary: 254 x 180 x 111 mm
Rodzaj przyłączenia: gniazdo wtykowe Original MC4

Producent: DEHN
Typ: DCU 2 YPV 1+2 1200 2M 2S MC4
Nr kat.: 900987
lub podobny.

Certyfikaty

 

Technika SCI

Opatentowana technika SCI z aktywnym gaszeniem łuku pozwala na aktywne, szybkie i bezpieczne wygaszenie ewentualnego łuku łączeniowego powstałego w przypadku przeciążenia. Zintegrowany bezpiecznik zadziała natychmiast po zgaszeniu łuku, zapewniając w ten sposób bezpieczną izolację elektryczną (przerwanie obwodu). Dlatego też wszystkie ograniczniki DEHN do instalacji fotowoltaicznych łączą skuteczną ochronę przepięciową, przeciwpożarową oraz zdrowia i życia ludzkiego w jednym urządzeniu.

Dane techniczne

Ogranicznik przepięć zgodnie z EN 61643-31 / ... IEC 61643-31 typ 1 + typ 2 / klasa I + klasa II
Wytrzymałość zwarciowa (ISCPV ) 10 kA
Napięciowy poziom ochrony (UP ) < 3,8 kV
Stopień ochrony IP 65

Produkt 900987 został dodany do notatnika.

Do koszyka dodano produkt 900987.


DEHNcube 2 YPV 1+2 1200 3M 1S MC4

Skrzynka przyłączeniowa generatora do instalacji fotowoltaicznych do 1200 V DC do ochrony trzech wejść MPP i po jednym stringu.

1 Produkt

Nr kat. 900988 DCU 2 YPV 1+2 1200 3M 1S MC4 FM

GTIN / EAN 4013364534759, Nr taryfy celnej (EU): 85372091, Waga brutto: 3.70 kg, Jednostka opakowaniowa: 1.00 szt.


Rysunki

Informacje dodatkowe

Skrzynka przyłączeniowa generatora DCU 2 YPV 1200 3M 1S MC4 FM
Skrzynka przyłączeniowa generatora do 1200 V DC
do ochrony trzech wejść MPP
i po jednym stringu, stopień ochrony IP65
z zestykiem zdalnej sygnalizacji i wskaźnikiem uszkodzenia
Skrzynka przyłączeniowa generatora zgodna z normą DIN EN IEC 61439-2
Do stosowania w oparciu o zapisy IEC 60364-7-712
Maksymalne napięcie PV: <= 1200 V DC
In: (8/20) 20 kA / biegun
Itotal: (10/350) 12,5 kA
Up: <= 3,8 kV
Wytrzymałość zwarciowa Iscpv: 10 kA
Wymiary: 361 x 254 x 111 mm
Rodzaj przyłączenia: gniazdo wtykowe Original MC4

Producent: DEHN
Typ: DCU 2 YPV 1+2 1200 3M 1S MC4 FM
Nr kat.: 900988
lub podobny.

Certyfikaty

 

Technika SCI

Opatentowana technika SCI z aktywnym gaszeniem łuku pozwala na aktywne, szybkie i bezpieczne wygaszenie ewentualnego łuku łączeniowego powstałego w przypadku przeciążenia. Zintegrowany bezpiecznik zadziała natychmiast po zgaszeniu łuku, zapewniając w ten sposób bezpieczną izolację elektryczną (przerwanie obwodu). Dlatego też wszystkie ograniczniki DEHN do instalacji fotowoltaicznych łączą skuteczną ochronę przepięciową, przeciwpożarową oraz zdrowia i życia ludzkiego w jednym urządzeniu.

Dane techniczne

Ogranicznik przepięć zgodnie z EN 61643-31 / ... IEC 61643-31 typ 1 + typ 2 / klasa I + klasa II
Wytrzymałość zwarciowa (ISCPV ) 10 kA
Napięciowy poziom ochrony (UP ) < 3,8 kV
Stopień ochrony IP 65

Produkt 900988 został dodany do notatnika.

Do koszyka dodano produkt 900988.


Powrót na górę