Your dashboard services.
Register to access all tools.

Rury wsporcze do przewodu HVI long

Rura wsporcza z wewnętrznym obszarem głowicy i sprężystym zaciskiem do wyrównywania potencjałów.

Z iglicą odgromową

Rura wsporcza z wewnętrznym obszarem przyłączeniowym i sprężystym zaciskiem do wyrównywania potencjałów
Iglica odgromowa ze stali nierdzewnej, Ø10 mm, długość 1000 mm.

4 Produkty

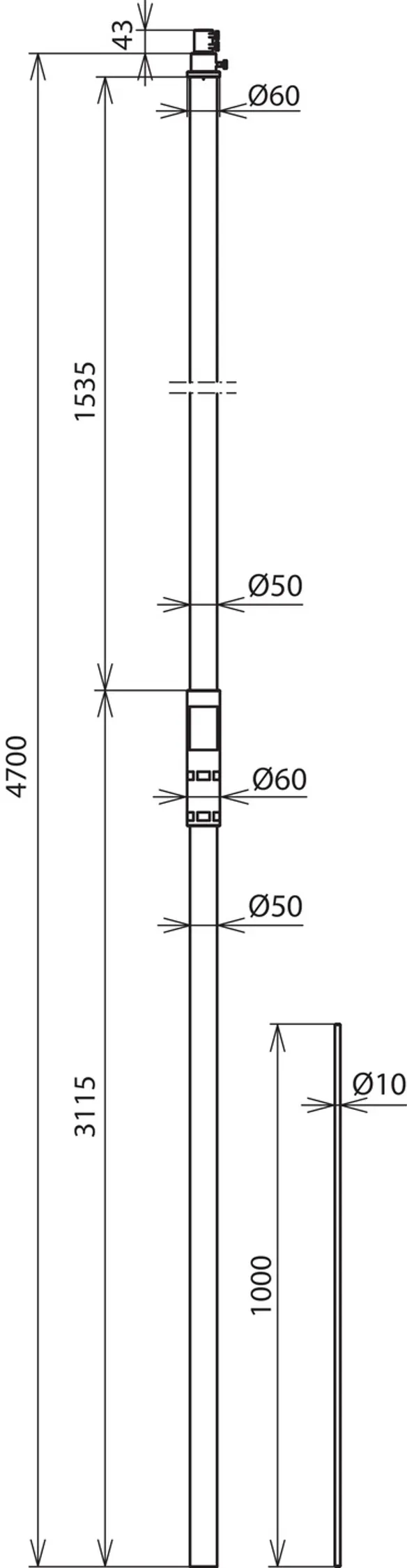
Nr kat. 105330 SR D50 3200 FSP1000 IP HVI GFK AL

GTIN / EAN 4013364152496, Nr taryfy celnej (EU): 85389099, Waga brutto: 5.60 kg, Jednostka opakowaniowa: 1.00 szt.


Rysunki

Informacje dodatkowe

Rura wsporcza do przewodu HVI long z iglicą odgromową, długość 3200 mm, GRP/aluminium
Rury wsporcze GRP/aluminium z końcówką przyłączeniową wewnątrz
wyrównawczym elementem sprężynowym do przewodu HVI long
pozwalające zachować odstęp separujący od elementów przewodzących prąd
spełniające wymagania normy DIN EN 62305 (VDE 0185-305-3)
Rury wsporcze są zwymiarowane zgodnie z
Eurokodem 1 (DIN EN 1991-1-4 + DIN EN 1991-1-4/NA) do
maksymalnego obciążenia wiatrem 237 km/godz.
Długość izolacyjna z tworzywa sztucznego wzmocnionego włóknem szklanym (GRP)
Współczynnik materiałowy km = 0,7
Kolor jasnoszary, odporna na promieniowanie UV, 1-częściowa
do łączenia z iglicą odgromową Ø10 mm, długość 1000 mm, ze stali nierdzewnej
Materiał iglicy odgromowej: stal nierdzewna
Długość iglicy odgromowej: 1000 mm
Materiał rury wsporczej: tworzywo sztuczne wzmocnione włóknem szklanym / aluminium
Długość rury wsporczej: 3200 mm
Długość tranportowa: 3200 mm
Średnica zewnętrzna Ø: 50 mm
Długość izolacyjna: 1535 mm
Maksymalna długość swobodna z iglicą odgromową (montaż naścienny): 3500 mm
Maksymalne obciążenie wiatrem: (maksymalna długość swobodna 3500 mm, 1x przewód HVI wewnątrz) 237 km/h
Maksymalne obciążenie wiatrem: (maksymalna długość swobodna 3500 mm, 1x przewód HVI na zewnątrz) 222 km/h
Maksymalne obciążenie wiatrem: (maksymalna długość swobodna 3500 mm, 4x przewód HVI na zewnątrz) 194 km/h
Spełnia wymagania normy: DIN IEC/TS 62561-8 (VDE V 0185-561-8)

Producent: DEHN
Typ: SR D50 3200 FSP1000 IP HVI GFK AL
Nr kat.: 105330
lub podobny.

Certyfikaty

 

Dane techniczne

Materiał iglicy odgromowej stal nierdzewna
Długość iglicy odgromowej 1000 mm
Materiał rury wsporczej tworzywo sztuczne wzmocnione włóknem szklanym / aluminium
Długość rury wsporczej 3200 mm
Długość tranportowa 3200 mm
Średnica zewnętrzna Ø 50 mm
Długość izolacyjna 1535 mm
Maksymalna długość swobodna z iglicą odgromową (montaż naścienny) 3500 mm
Spełnia wymagania normy DIN IEC/TS 62561-8 (VDE V 0185-561-8)

Produkt 105330 został dodany do notatnika.

Do koszyka dodano produkt 105330.

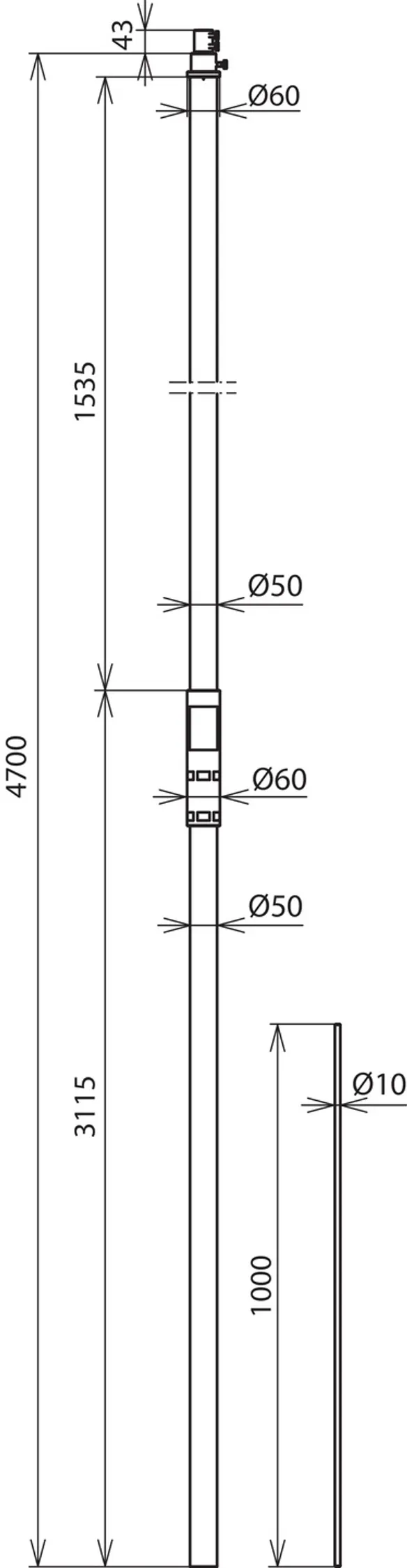
Nr kat. 105332 SR D50 4700 FSP1000 IP HVI GFK AL

GTIN / EAN 4013364152519, Nr taryfy celnej (EU): 85389099, Waga brutto: 8.25 kg, Jednostka opakowaniowa: 1.00 szt.


Rysunki

Informacje dodatkowe

Rura wsporcza do przewodu HVI long z iglicą odgromową, długość 4700 mm, GRP/aluminium
Rury wsporcze GRP/aluminium z końcówką przyłączeniową wewnątrz
wyrównawczym elementem sprężynowym do przewodu HVI long
pozwalające zachować odstęp separujący od elementów przewodzących prąd
spełniające wymagania normy DIN EN 62305 (VDE 0185-305-3)
Rury wsporcze są zwymiarowane zgodnie z
Eurokodem 1 (DIN EN 1991-1-4 + DIN EN 1991-1-4/NA) do
maksymalnego obciążenia wiatrem 237 km/godz.
Długość izolacyjna z tworzywa sztucznego wzmocnionego włóknem szklanym (GRP)
Współczynnik materiałowy km = 0,7
Kolor jasnoszary, odporna na promieniowanie UV, 1-częściowa
do łączenia z iglicą odgromową Ø10 mm, długość 1000 mm, ze stali nierdzewnej
Materiał iglicy odgromowej: stal nierdzewna
Długość iglicy odgromowej: 1000 mm
Materiał rury wsporczej: TWS / Al
Długość rury wsporczej: 4700 mm
Długość tranportowa: 4700 mm
Średnica zewnętrzna Ø: 50 mm
Długość izolacyjna: 1535 mm
Maksymalna długość swobodna z iglicą odgromową (montaż naścienny): 4000 mm
Maksymalne obciążenie wiatrem: (maksymalna długość swobodna 4000 m, 1x HVI wewnątrz) 237 km/h
Maksymalne obciążenie wiatrem: (maksymalna długość swobodna 4000 m, 1x HVI na zewnątrz) 184 km/h
Maksymalne obciążenie wiatrem: (maksymalna długość swobodna 4000 m, 4x HVI na zewnątrz) 149 km/h
Spełnia wymagania normy: DIN IEC/TS 62561-8 (VDE V 0185-561-8)

Producent: DEHN
Typ: SR D50 4700 FSP1000 IP HVI GFK AL
Nr kat.: 105332
lub podobny.

Certyfikaty

 

Dane techniczne

Materiał iglicy odgromowej stal nierdzewna
Długość iglicy odgromowej 1000 mm
Materiał rury wsporczej TWS / Al
Długość rury wsporczej 4700 mm
Długość tranportowa 4700 mm
Średnica zewnętrzna Ø 50 mm
Długość izolacyjna 1535 mm
Maksymalna długość swobodna z iglicą odgromową (montaż naścienny) 4000 mm
Spełnia wymagania normy DIN IEC/TS 62561-8 (VDE V 0185-561-8)

Produkt 105332 został dodany do notatnika.

Do koszyka dodano produkt 105332.

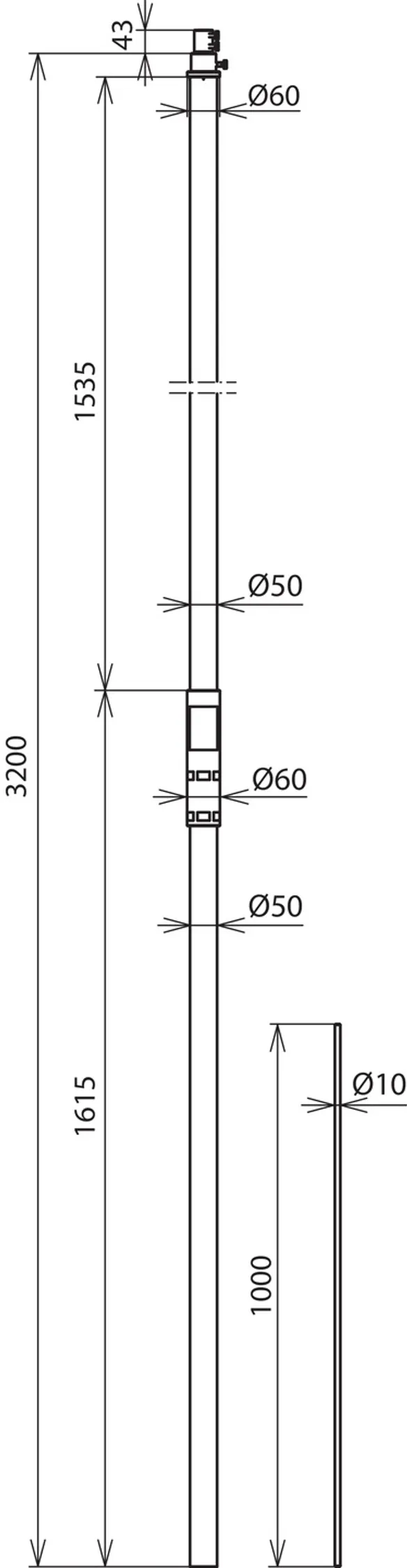
Nr kat. 105314 SR D50 3200 FSP1000 IP HVI GFK V2A

GTIN / EAN 4013364157781, Nr taryfy celnej (EU): 85389099, Waga brutto: 10.10 kg, Jednostka opakowaniowa: 1.00 szt.


Rysunki

Informacje dodatkowe

Rura wsporcza do przewodu HVI long z iglicą odgromową, długość 3200 mm, GRP/stal nierdzewna
Rury wsporcze GRP/stal nierdzewna z końcówką przyłączeniową wewnątrz
wyrównawczym elementem sprężynowym do przewodu HVI long
pozwalające zachować odstęp separujący od elementów przewodzących prąd
spełniające wymagania normy DIN EN 62305 (VDE 0185-305-3)
Rury wsporcze są zwymiarowane zgodnie z
Eurokodem 1 (DIN EN 1991-1-4 + DIN EN 1991-1-4/NA) do
maksymalnego obciążenia wiatrem 231 km/godz.
Długość izolacyjna z tworzywa sztucznego wzmocnionego włóknem szklanym (GRP)
Współczynnik materiałowy km = 0,7
Kolor jasnoszary, odporna na promieniowanie UV, 1-częściowa
do łączenia z iglicą odgromową Ø10 mm, długość 1000 mm, ze stali nierdzewnej
Materiał iglicy odgromowej: stal nierdzewna
Długość iglicy odgromowej: 1000 mm
Materiał rury wsporczej: GRP / stal nierdzewna
Długość rury wsporczej: 3200 mm
Długość tranportowa: 3200 mm
Średnica zewnętrzna Ø: 50 mm
Długość izolacyjna: 1535 mm
Maksymalna długość swobodna z iglicą odgromową (montaż naścienny): 3500 mm
Maksymalne obciążenie wiatrem: (maksymalna długość swobodna 3500 mm, 1x przewód HVI wewnątrz) 231 km/h
Maksymalne obciążenie wiatrem: (maksymalna długość swobodna 3500 mm, 1x przewód HVI na zewnątrz) 226 km/h
Maksymalne obciążenie wiatrem: (maksymalna długość swobodna 3500 mm, 4x przewód HVI na zewnątrz) 197 km/h
Spełnia wymagania normy: DIN IEC/TS 62561-8 (VDE V 0185-561-8)

Producent: DEHN
Typ: SR D50 3200 FSP1000 IP HVI GFK V2A
Nr kat.: 105314
lub podobny.

Certyfikaty

 

Dane techniczne

Materiał iglicy odgromowej stal nierdzewna
Długość iglicy odgromowej 1000 mm
Materiał rury wsporczej GRP / stal nierdzewna
Długość rury wsporczej 3200 mm
Długość tranportowa 3200 mm
Średnica zewnętrzna Ø 50 mm
Długość izolacyjna 1535 mm
Maksymalna długość swobodna z iglicą odgromową (montaż naścienny) 3500 mm
Spełnia wymagania normy DIN IEC/TS 62561-8 (VDE V 0185-561-8)

Produkt 105314 został dodany do notatnika.

Do koszyka dodano produkt 105314.

Nr kat. 105316 SR D50 4700 FSP1000 IP HVI GFK V2A

GTIN / EAN 4013364157798, Nr taryfy celnej (EU): 85389099, Waga brutto: 15.60 kg, Jednostka opakowaniowa: 1.00 szt.


Rysunki

Informacje dodatkowe

Rura wsporcza do przewodu HVI long z iglicą odgromową, długość 4700 mm, GRP/stal nierdzewna
Rury wsporcze GRP/stal nierdzewna z końcówką przyłączeniową wewnątrz
wyrównawczym elementem sprężynowym do przewodu HVI long
pozwalające zachować odstęp separujący od elementów przewodzących prąd
spełniające wymagania normy DIN EN 62305 (VDE 0185-305-3)
Rury wsporcze są zwymiarowane zgodnie z
Eurokodem 1 (DIN EN 1991-1-4 + DIN EN 1991-1-4/NA) do
maksymalnego obciążenia wiatrem 231 km/godz.
Długość izolacyjna z tworzywa sztucznego wzmocnionego włóknem szklanym (GRP)
Współczynnik materiałowy km = 0,7
Kolor jasnoszary, odporna na promieniowanie UV, 1-częściowa
do łączenia z iglicą odgromową Ø10 mm, długość 1000 mm, ze stali nierdzewnej
Materiał iglicy odgromowej: stal nierdzewna
Długość iglicy odgromowej: 1000 mm
Materiał rury wsporczej: GRP / stal nierdzewna
Długość rury wsporczej: 4700 mm
Długość tranportowa: 4700 mm
Średnica zewnętrzna Ø: 50 mm
Długość izolacyjna: 1535 mm
Maksymalna długość swobodna z iglicą odgromową (montaż naścienny): 4000 mm
Maksymalne obciążenie wiatrem: (maksymalna długość swobodna 4000 mm, 1x przewód HVI wewnątrz) 231 km/h
Maksymalne obciążenie wiatrem: (maksymalna długość swobodna 4000 mm, 1x przewód HVI na zewnątrz) 186 km/h
Maksymalne obciążenie wiatrem: (maksymalna długość swobodna 4000 mm, 4x przewód HVI na zewnątrz) 151 km/h
Spełnia wymagania normy: DIN IEC/TS 62561-8 (VDE V 0185-561-8)

Producent: DEHN
Typ: SR D50 4700 FSP1000 IP HVI GFK V2A
Nr kat.: 105316
lub podobny.

Certyfikaty

 

Dane techniczne

Materiał iglicy odgromowej stal nierdzewna
Długość iglicy odgromowej 1000 mm
Materiał rury wsporczej GRP / stal nierdzewna
Długość rury wsporczej 4700 mm
Długość tranportowa 4700 mm
Średnica zewnętrzna Ø 50 mm
Długość izolacyjna 1535 mm
Maksymalna długość swobodna z iglicą odgromową (montaż naścienny) 4000 mm
Spełnia wymagania normy DIN IEC/TS 62561-8 (VDE V 0185-561-8)

Produkt 105316 został dodany do notatnika.

Do koszyka dodano produkt 105316.


Z iglicą odgromową

Rura wsporcza z końcówką przyłączeniową wewnątrz i wyrównawczym elementem sprężynowym.
Iglica odgromowa, Ø22 / 16 / 10 mm, długość 2500 mm.

4 Produkty

Nr kat. 105331 SR D50 3200 FS22 2500 IP HVI GFK AL

GTIN / EAN 4013364152502, Nr taryfy celnej (EU): 85389099, Waga brutto: 6.12 kg, Jednostka opakowaniowa: 1.00 szt.


Rysunki

Informacje dodatkowe

Rura wsporcza do przewodu HVI long z iglicą odgromową, długość 3200 mm, GRP/stal nierdzewna
Rury wsporcze GRP/aluminium z końcówką przyłączeniową wewnątrz
wyrównawczym elementem sprężynowym do przewodu HVI long
pozwalające zachować odstęp separujący od elementów przewodzących prąd
spełniające wymagania normy DIN EN 62305 (VDE 0185-305-3)
Rury wsporcze są zwymiarowane zgodnie z
Eurokodem 1 (DIN EN 1991-1-4 + DIN EN 1991-1-4/NA) do
maksymalnego obciążenia wiatrem 189 km/godz.
Długość izolacyjna z tworzywa sztucznego wzmocnionego włóknem szklanym (GRP)
Współczynnik materiałowy km = 0,7
Kolor jasnoszary, odporna na promieniowanie UV, 1-częściowa
do łączenia z iglicą odgromową, Ø22/16/10 mm, długość 2500 mm, z aluminium
Materiał iglicy odgromowej: Al
Długość iglicy odgromowej: 2500 mm
Materiał rury wsporczej: TWS / Al
Długość rury wsporczej: 3200 mm
Długość tranportowa: 3200 mm
Średnica zewnętrzna Ø: 50 mm
Długość izolacyjna: 1535 mm
Maksymalna długość swobodna z iglicą odgromową (montaż naścienny): 5000 mm
Maksymalne obciążenie wiatrem: (maksymalna długość swobodna 5000 m, 1x HVI wewnątrz) 189 km/h
Maksymalne obciążenie wiatrem: (maksymalna długość swobodna 5000 m, 1x HVI na zewnątrz) 173 km/h
Maksymalne obciążenie wiatrem: (maksymalna długość swobodna 5000 m, 4x HVI na zewnątrz) 151 km/h
Spełnia wymagania normy: DIN IEC/TS 62561-8 (VDE V 0185-561-8)

Producent: DEHN
Typ: SR D50 3200 FS22 2500 IP HVI GFK AL
Nr kat.: 105331
lub podobny.

Certyfikaty

 

Dane techniczne

Materiał iglicy odgromowej Al
Długość iglicy odgromowej 2500 mm
Materiał rury wsporczej TWS / Al
Długość rury wsporczej 3200 mm
Długość tranportowa 3200 mm
Średnica zewnętrzna Ø 50 mm
Długość izolacyjna 1535 mm
Maksymalna długość swobodna z iglicą odgromową (montaż naścienny) 5000 mm
Spełnia wymagania normy DIN IEC/TS 62561-8 (VDE V 0185-561-8)

Produkt 105331 został dodany do notatnika.

Do koszyka dodano produkt 105331.

Nr kat. 105333 SR D50 4700 FS22 2500 IP HVI GFK AL

GTIN / EAN 4013364152526, Nr taryfy celnej (EU): 85389099, Waga brutto: 8.51 kg, Jednostka opakowaniowa: 1.00 szt.


Rysunki

Informacje dodatkowe

Rura wsporcza do przewodu HVI long z iglicą odgromową, długość 4700 mm, GRP/stal nierdzewna
Rury wsporcze GRP/aluminium z końcówką przyłączeniową wewnątrz
z wyrównawczym elementem sprężynowym do przewodu HVI long pozwalające zachować
odstęp separujący od elementów przewodzących prąd
spełniające wymagania normy DIN EN 62305 (VDE 0185-305-3)
Rury wsporcze są zwymiarowane zgodnie z
Eurokodem 1 (DIN EN 1991-1-4 + DIN EN 1991-1-4/NA) do
maksymalnego obciążenia wiatrem 184 km/godz.
Długość izolacyjna z tworzywa sztucznego wzmocnionego włóknem szklanym (GRP)
Współczynnik materiałowy km = 0,7
Kolor jasnoszary, odporna na promieniowanie UV, 1-częściowa
do łączenia z iglicą odgromową, Ø22/16/10 mm, długość 2500 mm, z aluminium
Materiał iglicy odgromowej: Al
Długość iglicy odgromowej: 2500 mm
Materiał rury wsporczej: GRP / aluminium
Długość rury wsporczej: 4700 mm
Długość tranportowa: 4700 mm
Średnica zewnętrzna Ø: 50 mm
Długość izolacyjna: 1535 mm
Maksymalna długość swobodna z iglicą odgromową (montaż naścienny): 5500 mm
Maksymalne obciążenie wiatrem: (maksymalna długość swobodna 5500 mm, 1x przewód HVI wewnątrz) 184 km/h
Maksymalne obciążenie wiatrem: (maksymalna długość swobodna 5500 mm, 1x przewód HVI na zewnątrz) 149 km/h
Maksymalne obciążenie wiatrem: (maksymalna długość swobodna 5500 mm, 4x przewód HVI na zewnątrz) 137 km/h
Spełnia wymagania normy: DIN IEC/TS 62561-8 (VDE V 0185-561-8)

Producent: DEHN
Typ: SR D50 4700 FS22 2500 IP HVI GFK AL
Nr kat.: 105333
lub podobny.

Certyfikaty

 

Dane techniczne

Materiał iglicy odgromowej Al
Długość iglicy odgromowej 2500 mm
Materiał rury wsporczej GRP / aluminium
Długość rury wsporczej 4700 mm
Długość tranportowa 4700 mm
Średnica zewnętrzna Ø 50 mm
Długość izolacyjna 1535 mm
Maksymalna długość swobodna z iglicą odgromową (montaż naścienny) 5500 mm
Spełnia wymagania normy DIN IEC/TS 62561-8 (VDE V 0185-561-8)

Produkt 105333 został dodany do notatnika.

Do koszyka dodano produkt 105333.

Nr kat. 105315 SR D50 3200 FS22 2500 IP HVI GFK V2A

GTIN / EAN 4013364157804, Nr taryfy celnej (EU): 85389099, Waga brutto: 12.00 kg, Jednostka opakowaniowa: 1.00 szt.


Rysunki

Informacje dodatkowe

Rura wsporcza do przewodu HVI long z iglicą odgromową, długość 3200 mm, GRP/stal nierdzewna
Rury wsporcze GRP/stal nierdzewna z końcówką przyłączeniową wewnątrz
wyrównawczym elementem sprężynowym do przewodu HVI long
pozwalające zachować odstęp separujący od elementów przewodzących prąd
spełniające wymagania normy DIN EN 62305 (VDE 0185-305-3)
Rury wsporcze są zwymiarowane zgodnie z
Eurokodem 1 (DIN EN 1991-1-4 + DIN EN 1991-1-4/NA) do
maksymalnego obciążenia wiatrem 186 km/godz.
Długość izolacyjna z tworzywa sztucznego wzmocnionego włóknem szklanym (GRP)
Współczynnik materiałowy km = 0,7
Kolor jasnoszary, odporna na promieniowanie UV, 1-częściowa
do łączenia z iglicą odgromową, Ø22/16/10 mm, długość 2500 mm, ze stali nierdzewnej
Materiał iglicy odgromowej: stal nierdzewna
Długość iglicy odgromowej: 2500 mm
Materiał rury wsporczej: GRP / stal nierdzewna
Długość rury wsporczej: 3200 mm
Długość tranportowa: 3200 mm
Średnica zewnętrzna Ø: 50 mm
Długość izolacyjna: 1535 mm
Maksymalna długość swobodna z iglicą odgromową (montaż naścienny): 5000 mm
Maksymalne obciążenie wiatrem: (maksymalna długość swobodna 5000 mm, 1x przewód HVI wewnątrz) 186 km/h
Maksymalne obciążenie wiatrem: (maksymalna długość swobodna 5000 mm, 1x przewód HVI na zewnątrz) 169 km/h
Maksymalne obciążenie wiatrem: (maksymalna długość swobodna 5000 mm, 4x przewód HVI na zewnątrz) 149 km/h
Spełnia wymagania normy: DIN IEC/TS 62561-8 (VDE V 0185-561-8)

Producent: DEHN
Typ: SR D50 3200 FS22 2500 IP HVI GFK V2A
Nr kat.: 105315
lub podobny.

 

Dane techniczne

Materiał iglicy odgromowej stal nierdzewna
Długość iglicy odgromowej 2500 mm
Materiał rury wsporczej GRP / stal nierdzewna
Długość rury wsporczej 3200 mm
Długość tranportowa 3200 mm
Średnica zewnętrzna Ø 50 mm
Długość izolacyjna 1535 mm
Maksymalna długość swobodna z iglicą odgromową (montaż naścienny) 5000 mm
Spełnia wymagania normy DIN IEC/TS 62561-8 (VDE V 0185-561-8)

Produkt 105315 został dodany do notatnika.

Do koszyka dodano produkt 105315.

Nr kat. 105317 SR D50 4700 FS22 2500 IP HVI GFK V2A

GTIN / EAN 4013364157811, Nr taryfy celnej (EU): 85389099, Waga brutto: 17.12 kg, Jednostka opakowaniowa: 1.00 szt.


Rysunki

Informacje dodatkowe

Rura wsporcza do przewodu HVI long z iglicą odgromową, długość 4700 mm, GRP/stal nierdzewna
Rury wsporcze GRP/stal nierdzewna z końcówką przyłączeniową wewnątrz
wyrównawczym elementem sprężynowym do przewodu HVI long
pozwalające zachować odstęp separujący od elementów przewodzących prąd
spełniające wymagania normy DIN EN 62305 (VDE 0185-305-3)
Rury wsporcze są zwymiarowane zgodnie z
Eurokodem 1 (DIN EN 1991-1-4 + DIN EN 1991-1-4/NA) do
maksymalnego obciążenia wiatrem 185 km/godz.
Długość izolacyjna z tworzywa sztucznego wzmocnionego włóknem szklanym (GRP)
Współczynnik materiałowy km = 0,7
Kolor jasnoszary, odporna na promieniowanie UV, 1-częściowa
do łączenia z iglicą odgromową, Ø22/16/10 mm, długość 2500 mm, ze stali nierdzewnej
Materiał iglicy odgromowej: stal nierdzewna
Długość iglicy odgromowej: 2500 mm
Materiał rury wsporczej: GRP / stal nierdzewna
Długość rury wsporczej: 4700 mm
Długość tranportowa: 4700 mm
Średnica zewnętrzna Ø: 50 mm
Długość izolacyjna: 1535 mm
Maksymalna długość swobodna z iglicą odgromową (montaż naścienny): 5500 mm
Maksymalne obciążenie wiatrem: (maksymalna długość swobodna 5500 mm, 1x przewód HVI wewnątrz) 185 km/h
Maksymalne obciążenie wiatrem: (maksymalna długość swobodna 5500 mm, 1x przewód HVI na zewnątrz) 149 km/h
Maksymalne obciążenie wiatrem: (maksymalna długość swobodna 5500 mm, 4x przewód HVI na zewnątrz) 137 km/h
Spełnia wymagania normy: DIN IEC/TS 62561-8 (VDE V 0185-561-8)

Producent: DEHN
Typ: SR D50 4700 FS22 2500 IP HVI GFK V2A
Nr kat.: 105317
lub podobny.

 

Dane techniczne

Materiał iglicy odgromowej stal nierdzewna
Długość iglicy odgromowej 2500 mm
Materiał rury wsporczej GRP / stal nierdzewna
Długość rury wsporczej 4700 mm
Długość tranportowa 4700 mm
Średnica zewnętrzna Ø 50 mm
Długość izolacyjna 1535 mm
Maksymalna długość swobodna z iglicą odgromową (montaż naścienny) 5500 mm
Spełnia wymagania normy DIN IEC/TS 62561-8 (VDE V 0185-561-8)

Produkt 105317 został dodany do notatnika.

Do koszyka dodano produkt 105317.


Z iglicą odgromową i wyprowadzeniem bocznym

Rura wsporcza z końcówką przyłączeniową wewnątrz i wyrównawczym elementem sprężynowym.
Iglica odgromowa ze stali nierdzewnej, Ø10 mm, długość 1000 mm.

4 Produkty

Nr kat. 105325 SR D50 3200 FS1000 IP SA HVI GFK AL

GTIN / EAN 4013364157828, Nr taryfy celnej (EU): 85389099, Waga brutto: 5.42 kg, Jednostka opakowaniowa: 1.00 szt.


Rysunki

Informacje dodatkowe

Rura wsporcza do przewodu HVI long z iglicą odgromową i wyprowadzeniem bocznym
Rury wsporcze GRP/aluminium z wyprowadzeniem bocznym, końcówką przyłączeniową wewnątrz,
wyrównawczym elementem sprężynowym do przewodu HVI long
pozwalające zachować odstęp separujący od elementów przewodzących prąd
spełniające wymagania normy DIN EN 62305 (VDE 0185-305-3)
Rury wsporcze są zwymiarowane zgodnie z
Eurokodem 1 (DIN EN 1991-1-4 + DIN EN 1991-1-4/NA).
Długość izolacyjna z tworzywa sztucznego wzmocnionego włóknem szklanym (GRP)
Współczynnik materiałowy km = 0,7
Kolor jasnoszary, odporna na promieniowanie UV, 1-częściowa
do łączenia z iglicą odgromową Ø10 mm, długość 1000 mm, ze stali nierdzewnej
Materiał iglicy odgromowej: stal nierdzewna
Długość iglicy odgromowej: 1000 mm
Materiał rury wsporczej: GRP / aluminium
Długość rury wsporczej: 3200 mm
Długość tranportowa: 3200 mm
Średnica zewnętrzna Ø: 50 mm
Długość izolacyjna: 1535 mm
Spełnia wymagania normy: DIN IEC/TS 62561-8 (VDE V 0185-561-8)

Producent: DEHN
Typ: SR D50 3200 FS1000 IP SA HVI GFK AL
Nr kat.: 105325
lub podobny.

Certyfikaty

 

Dane techniczne

Materiał iglicy odgromowej stal nierdzewna
Długość iglicy odgromowej 1000 mm
Materiał rury wsporczej GRP / aluminium
Długość rury wsporczej 3200 mm
Długość tranportowa 3200 mm
Średnica zewnętrzna Ø 50 mm
Długość izolacyjna 1535 mm
Spełnia wymagania normy DIN IEC/TS 62561-8 (VDE V 0185-561-8)

Produkt 105325 został dodany do notatnika.

Do koszyka dodano produkt 105325.

Nr kat. 105327 SR D50 4700 FS1000 IP SA HVI GFK AL

GTIN / EAN 4013364157835, Nr taryfy celnej (EU): 85389099, Waga brutto: 8.15 kg, Jednostka opakowaniowa: 1.00 szt.


Rysunki

Informacje dodatkowe

Rura wsporcza do przewodu HVI long z iglicą odgromową i wyprowadzeniem bocznym
Rury wsporcze GRP/aluminium z wyprowadzeniem bocznym, końcówką przyłączeniową wewnątrz,
wyrównawczym elementem sprężynowym do przewodu HVI long
pozwalające zachować odstęp separujący od elementów przewodzących prąd
spełniające wymagania normy DIN EN 62305 (VDE 0185-305-3)
Rury wsporcze są zwymiarowane zgodnie z
Eurokodem 1 (DIN EN 1991-1-4 + DIN EN 1991-1-4/NA).
Długość izolacyjna z tworzywa sztucznego wzmocnionego włóknem szklanym (GRP)
Współczynnik materiałowy km = 0,7
Kolor jasnoszary, odporna na promieniowanie UV, 1-częściowa
do łączenia z iglicą odgromową Ø10 mm, długość 1000 mm, ze stali nierdzewnej
Materiał iglicy odgromowej: stal nierdzewna
Długość iglicy odgromowej: 1000 mm
Materiał rury wsporczej: GRP / aluminium
Długość rury wsporczej: 4700 mm
Długość tranportowa: 4700 mm
Średnica zewnętrzna Ø: 50 mm
Długość izolacyjna: 1535 mm
Spełnia wymagania normy: DIN IEC/TS 62561-8 (VDE V 0185-561-8)

Producent: DEHN
Typ: SR D50 4700 FS1000 IP SA HVI GFK AL
Nr kat.: 105327
lub podobny.

 

Dane techniczne

Materiał iglicy odgromowej stal nierdzewna
Długość iglicy odgromowej 1000 mm
Materiał rury wsporczej GRP / aluminium
Długość rury wsporczej 4700 mm
Długość tranportowa 4700 mm
Średnica zewnętrzna Ø 50 mm
Długość izolacyjna 1535 mm
Spełnia wymagania normy DIN IEC/TS 62561-8 (VDE V 0185-561-8)

Produkt 105327 został dodany do notatnika.

Do koszyka dodano produkt 105327.

Nr kat. 105336 SR D50 3200 FS1000 IP SA HVI GFK V2A

GTIN / EAN 4013364157866, Nr taryfy celnej (EU): 85389099, Waga brutto: 9.90 kg, Jednostka opakowaniowa: 1.00 szt.


Rysunki

Informacje dodatkowe

Rura wsporcza do przewodu HVI long z iglicą odgromową i wyprowadzeniem bocznym
Rury wsporcze GRP/stal nierdzewna z wyprowadzeniem bocznym, końcówką przyłączeniową wewnątrz,
wyrównawczym elementem sprężynowym do przewodu HVI long
pozwalające zachować odstęp separujący od elementów przewodzących prąd
spełniające wymagania normy DIN EN 62305 (VDE 0185-305-3)
Rury wsporcze są zwymiarowane zgodnie z
Eurokodem 1 (DIN EN 1991-1-4 + DIN EN 1991-1-4/NA).
Długość izolacyjna z tworzywa sztucznego wzmocnionego włóknem szklanym (GRP)
Współczynnik materiałowy km = 0,7
Kolor jasnoszary, odporna na promieniowanie UV, 1-częściowa
do łączenia z iglicą odgromową Ø10 mm, długość 1000 mm, ze stali nierdzewnej
Materiał iglicy odgromowej: stal nierdzewna
Długość iglicy odgromowej: 1000 mm
Materiał rury wsporczej: GRP / stal nierdzewna
Długość rury wsporczej: 3200 mm
Długość tranportowa: 3200 mm
Średnica zewnętrzna Ø: 50 mm
Długość izolacyjna: 1535 mm
Spełnia wymagania normy: DIN IEC/TS 62561-8 (VDE V 0185-561-8)

Producent: DEHN
Typ: SR D50 3200 FS1000 IP SA HVI GFK V2A
Nr kat.: 105336
lub podobny.

 

Dane techniczne

Materiał iglicy odgromowej stal nierdzewna
Długość iglicy odgromowej 1000 mm
Materiał rury wsporczej GRP / stal nierdzewna
Długość rury wsporczej 3200 mm
Długość tranportowa 3200 mm
Średnica zewnętrzna Ø 50 mm
Długość izolacyjna 1535 mm
Spełnia wymagania normy DIN IEC/TS 62561-8 (VDE V 0185-561-8)

Produkt 105336 został dodany do notatnika.

Do koszyka dodano produkt 105336.

Nr kat. 105338 SR D50 4700 FS1000 IP SA HVI GFK V2A

GTIN / EAN 4013364157873, Nr taryfy celnej (EU): 85389099, Waga brutto: 15.13 kg, Jednostka opakowaniowa: 1.00 szt.


Rysunki

Informacje dodatkowe

Rura wsporcza do przewodu HVI long z iglicą odgromową i wyprowadzeniem bocznym
Rury wsporcze GRP/stal nierdzewna z wyprowadzeniem bocznym, końcówką przyłączeniową wewnątrz,
wyrównawczym elementem sprężynowym do przewodu HVI long
pozwalające zachować odstęp separujący od elementów przewodzących prąd
spełniające wymagania normy DIN EN 62305 (VDE 0185-305-3)
Rury wsporcze są zwymiarowane zgodnie z
Eurokodem 1 (DIN EN 1991-1-4 + DIN EN 1991-1-4/NA).
Długość izolacyjna z tworzywa sztucznego wzmocnionego włóknem szklanym (GRP)
Współczynnik materiałowy km = 0,7
Kolor jasnoszary, odporna na promieniowanie UV, 1-częściowa
do łączenia z iglicą odgromową Ø10 mm, długość 1000 mm, ze stali nierdzewnej
Materiał iglicy odgromowej: stal nierdzewna
Długość iglicy odgromowej: 1000 mm
Materiał rury wsporczej: GRP / stal nierdzewna
Długość rury wsporczej: 4700 mm
Długość tranportowa: 4700 mm
Średnica zewnętrzna Ø: 50 mm
Długość izolacyjna: 1535 mm
Spełnia wymagania normy: DIN IEC/TS 62561-8 (VDE V 0185-561-8)

Producent: DEHN
Typ: SR D50 4700 FS1000 IP SA HVI GFK V2A
Nr kat.: 105338
lub podobny.

 

Dane techniczne

Materiał iglicy odgromowej stal nierdzewna
Długość iglicy odgromowej 1000 mm
Materiał rury wsporczej GRP / stal nierdzewna
Długość rury wsporczej 4700 mm
Długość tranportowa 4700 mm
Średnica zewnętrzna Ø 50 mm
Długość izolacyjna 1535 mm
Spełnia wymagania normy DIN IEC/TS 62561-8 (VDE V 0185-561-8)

Produkt 105338 został dodany do notatnika.

Do koszyka dodano produkt 105338.


Z iglicą odgromową i wyprowadzeniem bocznym

Rura wsporcza z końcówką przyłączeniową wewnątrz i wyrównawczym elementem sprężynowym.
Iglica odgromowa, Ø22 / 16 / 10 mm, długość 2500 mm.

4 Produkty

Nr kat. 105326 SR D50 3200 FS2500 IP SA HVI GFK AL

GTIN / EAN 4013364157842, Nr taryfy celnej (EU): 85389099, Waga brutto: 5.82 kg, Jednostka opakowaniowa: 1.00 szt.


Rysunki

Informacje dodatkowe

Rura wsporcza do przewodu HVI long z iglicą odgromową i wyprowadzeniem bocznym
Rury wsporcze GRP/aluminium z wyprowadzeniem bocznym, końcówką przyłączeniową wewnątrz,
wyrównawczym elementem sprężynowym do przewodu HVI long
pozwalające zachować odstęp separujący od elementów przewodzących prąd
spełniające wymagania normy DIN EN 62305 (VDE 0185-305-3)
Rury wsporcze są zwymiarowane zgodnie z
Eurokodem 1 (DIN EN 1991-1-4 + DIN EN 1991-1-4/NA).
Długość izolacyjna z tworzywa sztucznego wzmocnionego włóknem szklanym (GRP)
Współczynnik materiałowy km = 0,7
Kolor jasnoszary, odporna na promieniowanie UV, 1-częściowa
do łączenia z iglicą odgromową, Ø22/16/10 mm, długość 2500 mm, z aluminium
Materiał iglicy odgromowej: Al
Długość iglicy odgromowej: 2500 mm
Materiał rury wsporczej: GRP / aluminium
Długość rury wsporczej: 3200 mm
Długość tranportowa: 3200 mm
Średnica zewnętrzna Ø: 50 mm
Długość izolacyjna: 1535 mm
Spełnia wymagania normy: DIN IEC/TS 62561-8 (VDE V 0185-561-8)

Producent: DEHN
Typ: SR D50 3200 FS2500 IP SA HVI GFK AL
Nr kat.: 105326
lub podobny.

 

Dane techniczne

Materiał iglicy odgromowej Al
Długość iglicy odgromowej 2500 mm
Materiał rury wsporczej GRP / aluminium
Długość rury wsporczej 3200 mm
Długość tranportowa 3200 mm
Średnica zewnętrzna Ø 50 mm
Długość izolacyjna 1535 mm
Spełnia wymagania normy DIN IEC/TS 62561-8 (VDE V 0185-561-8)

Produkt 105326 został dodany do notatnika.

Do koszyka dodano produkt 105326.

Nr kat. 105328 SR D50 4700 FS2500 IP SA HVI GFK AL

GTIN / EAN 4013364157859, Nr taryfy celnej (EU): 85389099, Waga brutto: 8.34 kg, Jednostka opakowaniowa: 1.00 szt.


Rysunki

Informacje dodatkowe

Rura wsporcza do przewodu HVI long z iglicą odgromową i wyprowadzeniem bocznym
Rury wsporcze GRP/aluminium z wyprowadzeniem bocznym, końcówką przyłączeniową wewnątrz,
wyrównawczym elementem sprężynowym do przewodu HVI long
pozwalające zachować odstęp separujący od elementów przewodzących prąd
spełniające wymagania normy DIN EN 62305 (VDE 0185-305-3)
Rury wsporcze są zwymiarowane zgodnie z
Eurokodem 1 (DIN EN 1991-1-4 + DIN EN 1991-1-4/NA).
Długość izolacyjna z tworzywa sztucznego wzmocnionego włóknem szklanym (GRP)
Współczynnik materiałowy km = 0,7
Kolor jasnoszary, odporna na promieniowanie UV, 1-częściowa
do łączenia z iglicą odgromową, Ø22/16/10 mm, długość 2500 mm, z aluminium
Materiał iglicy odgromowej: Al
Długość iglicy odgromowej: 2500 mm
Materiał rury wsporczej: GRP / aluminium
Długość rury wsporczej: 4700 mm
Długość tranportowa: 4700 mm
Średnica zewnętrzna Ø: 50 mm
Długość izolacyjna: 1535 mm
Spełnia wymagania normy: DIN IEC/TS 62561-8 (VDE V 0185-561-8)

Producent: DEHN
Typ: SR D50 4700 FS2500 IP SA HVI GFK AL
Nr kat.: 105328
lub podobny.

 

Dane techniczne

Materiał iglicy odgromowej Al
Długość iglicy odgromowej 2500 mm
Materiał rury wsporczej GRP / aluminium
Długość rury wsporczej 4700 mm
Długość tranportowa 4700 mm
Średnica zewnętrzna Ø 50 mm
Długość izolacyjna 1535 mm
Spełnia wymagania normy DIN IEC/TS 62561-8 (VDE V 0185-561-8)

Produkt 105328 został dodany do notatnika.

Do koszyka dodano produkt 105328.

Nr kat. 105337 SR D50 3200 FS2500 IP SA HVI GFK V2A

GTIN / EAN 4013364157880, Nr taryfy celnej (EU): 85389099, Waga brutto: 11.64 kg, Jednostka opakowaniowa: 1.00 szt.


Rysunki

Informacje dodatkowe

Rura wsporcza do przewodu HVI long z iglicą odgromową i wyprowadzeniem bocznym
Rury wsporcze GRP/stal nierdzewna z wyprowadzeniem bocznym, końcówką przyłączeniową wewnątrz,
wyrównawczym elementem sprężynowym do przewodu HVI long
pozwalające zachować odstęp separujący od elementów przewodzących prąd
spełniające wymagania normy DIN EN 62305 (VDE 0185-305-3)
Rury wsporcze są zwymiarowane zgodnie z
Eurokodem 1 (DIN EN 1991-1-4 + DIN EN 1991-1-4/NA).
Długość izolacyjna z tworzywa sztucznego wzmocnionego włóknem szklanym (GRP)
Współczynnik materiałowy km = 0,7
Kolor jasnoszary, odporna na promieniowanie UV, 1-częściowa
do łączenia z iglicą odgromową, Ø22/16/10 mm, długość 2500 mm, ze stali nierdzewnej
Materiał iglicy odgromowej: stal nierdzewna
Długość iglicy odgromowej: 2500 mm
Materiał rury wsporczej: GRP / stal nierdzewna
Długość rury wsporczej: 3200 mm
Długość tranportowa: 3200 mm
Średnica zewnętrzna Ø: 50 mm
Długość izolacyjna: 1535 mm
Spełnia wymagania normy: DIN IEC/TS 62561-8 (VDE V 0185-561-8)

Producent: DEHN
Typ: SR D50 3200 FS2500 IP SA HVI GFK V2A
Nr kat.: 105337
lub podobny.

 

Dane techniczne

Materiał iglicy odgromowej stal nierdzewna
Długość iglicy odgromowej 2500 mm
Materiał rury wsporczej GRP / stal nierdzewna
Długość rury wsporczej 3200 mm
Długość tranportowa 3200 mm
Średnica zewnętrzna Ø 50 mm
Długość izolacyjna 1535 mm
Spełnia wymagania normy DIN IEC/TS 62561-8 (VDE V 0185-561-8)

Produkt 105337 został dodany do notatnika.

Do koszyka dodano produkt 105337.

Nr kat. 105339 SR D50 4700 FS2500 IP SA HVI GFK V2A

GTIN / EAN 4013364157897, Nr taryfy celnej (EU): 85389099, Waga brutto: 16.90 kg, Jednostka opakowaniowa: 1.00 szt.


Rysunki

Informacje dodatkowe

Rura wsporcza do przewodu HVI long z iglicą odgromową i wyprowadzeniem bocznym
Rury wsporcze GRP/stal nierdzewna z wyprowadzeniem bocznym, końcówką przyłączeniową wewnątrz,
wyrównawczym elementem sprężynowym do przewodu HVI long
pozwalające zachować odstęp separujący od elementów przewodzących prąd
spełniające wymagania normy DIN EN 62305 (VDE 0185-305-3)
Rury wsporcze są zwymiarowane zgodnie z
Eurokodem 1 (DIN EN 1991-1-4 + DIN EN 1991-1-4/NA).
Długość izolacyjna z tworzywa sztucznego wzmocnionego włóknem szklanym (GRP)
Współczynnik materiałowy km = 0,7
Kolor jasnoszary, odporna na promieniowanie UV, 1-częściowa
do łączenia z iglicą odgromową, Ø22/16/10 mm, długość 2500 mm, ze stali nierdzewnej
Materiał iglicy odgromowej: stal nierdzewna
Długość iglicy odgromowej: 2500 mm
Materiał rury wsporczej: GRP / stal nierdzewna
Długość rury wsporczej: 4700 mm
Długość tranportowa: 4700 mm
Średnica zewnętrzna Ø: 50 mm
Długość izolacyjna: 1535 mm
Spełnia wymagania normy: DIN IEC/TS 62561-8 (VDE V 0185-561-8)

Producent: DEHN
Typ: SR D50 4700 FS2500 IP SA HVI GFK V2A
Nr kat.: 105339
lub podobny.

 

Dane techniczne

Materiał iglicy odgromowej stal nierdzewna
Długość iglicy odgromowej 2500 mm
Materiał rury wsporczej GRP / stal nierdzewna
Długość rury wsporczej 4700 mm
Długość tranportowa 4700 mm
Średnica zewnętrzna Ø 50 mm
Długość izolacyjna 1535 mm
Spełnia wymagania normy DIN IEC/TS 62561-8 (VDE V 0185-561-8)

Produkt 105339 został dodany do notatnika.

Do koszyka dodano produkt 105339.


Powrót na górę