Your dashboard services.
Register to access all tools.

Rury wsporcze do przewodów HVI power / HVI power long

Rura wsporcza z końcówką przyłączeniową wewnątrz i wyrównawczym elementem sprężynowym.

Z iglicą odgromową

Rura wsporcza z końcówką przyłączeniową wewnątrz i wyrównawczym elementem sprężynowym.
Iglica odgromowa z aluminium/stali nierdzewnej, Ø10 mm, długość 1000 mm.

4 Produkty

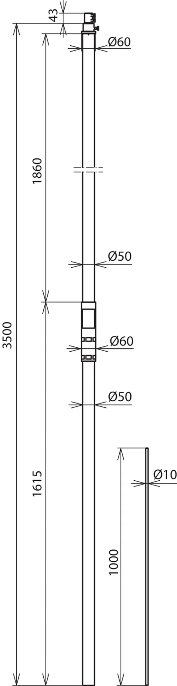
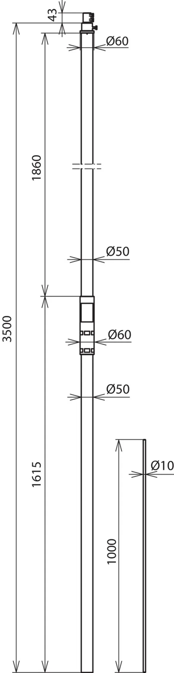
Nr kat. 105563 SR D50 3500 FSP1000 IA HVIP GFK AL

GTIN / EAN 4013364271937, Nr taryfy celnej (EU): 85389099, Waga brutto: 5.70 kg, Jednostka opakowaniowa: 1.00 szt.


Rysunki

Informacje dodatkowe

Rura wsporcza do przewodu HVI power z iglicą odgromową, długość 3500 mm, GRP/aluminium
Rury wsporcze GRP/aluminium z końcówką przyłączeniową wewnątrz i
wyrównawczym elementem sprężynowym do przewodu HVI power
pozwalające zachować odstęp separujący od elementów przewodzących prąd
spełniające wymagania normy DIN EN 62305 (VDE 0185-305-3)
Rury wsporcze są zwymiarowane zgodnie z
z Eurokodem 1 (DIN EN 1991-1-4 + DIN EN 1991-1-4/NA).
Długość izolacyjna z tworzywa sztucznego wzmocnionego włóknem szklanym (GRP)
Współczynnik materiałowy km = 0,7
Kolor jasnoszary, odporna na promieniowanie UV, 1-częściowa
do łączenia z iglicą odgromową Ø10 mm, długość 1000 mm, z aluminium
Materiał rury wsporczej: GRP / aluminium
Długość rury wsporczej: 3500 mm
Średnica zewnętrzna Ø: 50 mm
Maksymalna długość swobodna z iglicą odgromową (montaż naścienny): 3500 mm
Maksymalne obciążenie wiatrem: (maksymalna długość swobodna 3500 mm, 1x przewód HVI power wewnątrz) 201 km/h
Maksymalne obciążenie wiatrem: (maksymalna długość swobodna 3500 mm, 1x przewód HVI na zewnątrz) 190 km/h
Odniesienie do norm: DIN IEC/TS 62561-8 (VDE V 0185-561-8)

Producent: DEHN
Typ: SR D50 3500 FSP1000 IA HVIP GFK AL
Nr kat.: 105563
lub podobny.

Certyfikaty

 

Dane techniczne

Materiał rury wsporczej GRP / aluminium
Długość rury wsporczej 3500 mm
Średnica zewnętrzna Ø 50 mm
Długość tranportowa 3500 mm
Długość izolacyjna 1800 mm
Nadaje się do montażu na zewnątrz rury tak
Maksymalna długość swobodna z iglicą odgromową (montaż naścienny) 3500 mm
Odniesienie do norm DIN IEC/TS 62561-8 (VDE V 0185-561-8)

Produkt 105563 został dodany do notatnika.

Do koszyka dodano produkt 105563.

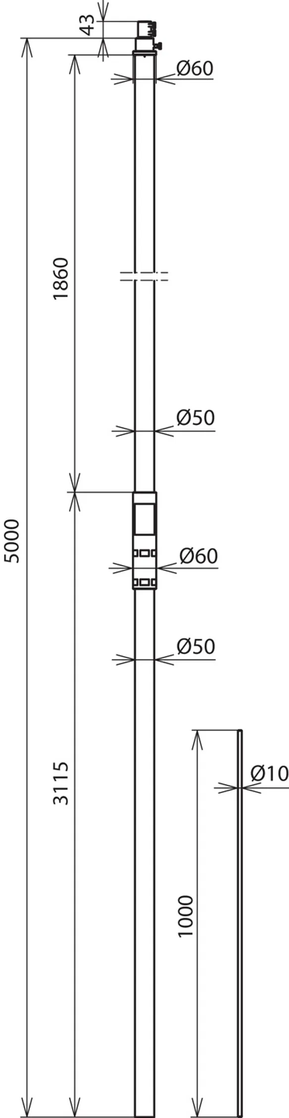
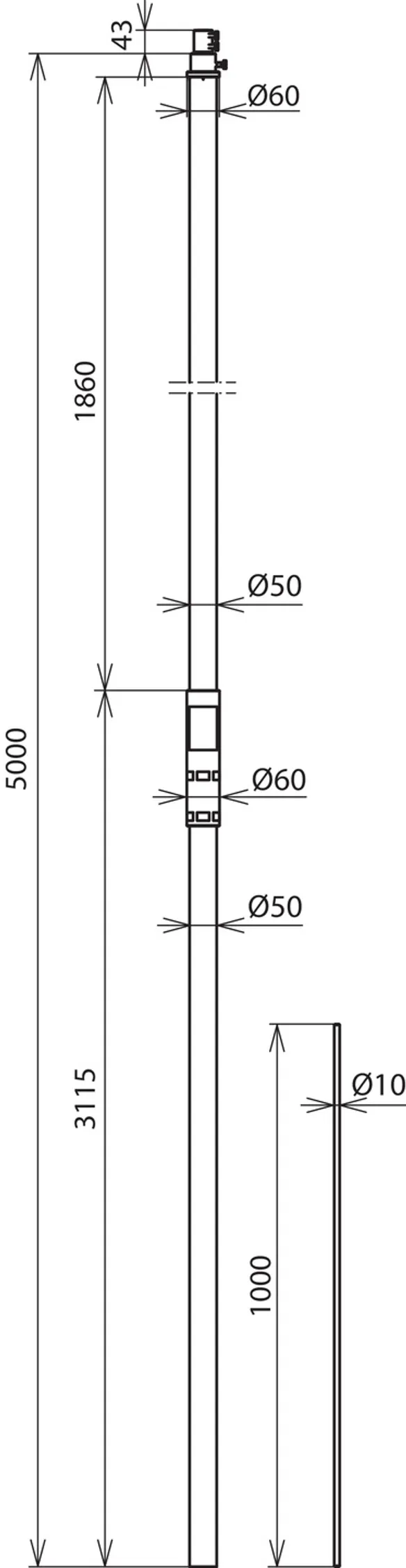
Nr kat. 105565 SR D50 5000 FSP1000 IA HVIP GFK AL

GTIN / EAN 4013364271944, Nr taryfy celnej (EU): 85389099, Waga brutto: 8.10 kg, Jednostka opakowaniowa: 1.00 szt.


Rysunki

Informacje dodatkowe

Rura wsporcza do przewodu HVI power z iglicą odgromową, długość 5000 mm, GRP/aluminium
Rury wsporcze GRP/aluminium z końcówką przyłączeniową wewnątrz i
wyrównawczym elementem sprężynowym do przewodu HVI power
pozwalające zachować odstęp separujący od elementów przewodzących prąd
spełniające wymagania normy DIN EN 62305 (VDE 0185-305-3)
Rury wsporcze są zwymiarowane zgodnie z
z Eurokodem 1 (DIN EN 1991-1-4 + DIN EN 1991-1-4/NA).
Długość izolacyjna z tworzywa sztucznego wzmocnionego włóknem szklanym (GRP)
Współczynnik materiałowy km = 0,7
Kolor jasnoszary, odporna na promieniowanie UV, 1-częściowa
do łączenia z iglicą odgromową Ø10 mm, długość 1000 mm, z aluminium
Materiał rury wsporczej: GRP / aluminium
Długość rury wsporczej: 5000 mm
Średnica zewnętrzna Ø: 50 mm
Maksymalna długość swobodna z iglicą odgromową (montaż naścienny): 4000 mm
Maksymalne obciążenie wiatrem: (maksymalna długość swobodna 4000 mm, 1x przewód HVI power wewnątrz) 201 km/h
Maksymalne obciążenie wiatrem: (maksymalna długość swobodna 4000 mm, 1x przewód HVI na zewnątrz) 180 km/h
Odniesienie do norm: DIN IEC/TS 62561-8 (VDE V 0185-561-8)

Producent: DEHN
Typ: SR D50 5000 FSP1000 IA HVIP GFK AL
Nr kat.: 105565
lub podobny.

 

Dane techniczne

Materiał rury wsporczej GRP / aluminium
Długość rury wsporczej 5000 mm
Średnica zewnętrzna Ø 50 mm
Długość tranportowa 5000 mm
Długość izolacyjna 1800 mm
Nadaje się do montażu na zewnątrz rury tak
Maksymalna długość swobodna z iglicą odgromową (montaż naścienny) 4000 mm
Odniesienie do norm DIN IEC/TS 62561-8 (VDE V 0185-561-8)

Produkt 105565 został dodany do notatnika.

Do koszyka dodano produkt 105565.

Nr kat. 105320 SR D50 3500 FSP1000 IP HVIP GFK V2A

GTIN / EAN 4013364152373, Nr taryfy celnej (EU): 85389099, Waga brutto: 10.60 kg, Jednostka opakowaniowa: 1.00 szt.


Rysunki

Informacje dodatkowe

Rura wsporcza do przewodu HVI power z iglicą odgromową, długość 3500 mm, GRP/stal nierdzewna
Rury wsporcze GRP/stal nierdzewna z końcówką przyłączeniową wewnątrz i
wyrównawczym elementem sprężynowym do przewodu HVI power
pozwalające zachować odstęp separujący od elementów przewodzących prąd
spełniające wymagania normy DIN EN 62305 (VDE 0185-305-3)
Rury wsporcze są zwymiarowane zgodnie z
z Eurokodem 1 (DIN EN 1991-1-4 + DIN EN 1991-1-4/NA).
Długość izolacyjna z tworzywa sztucznego wzmocnionego włóknem szklanym (GRP)
Współczynnik materiałowy km = 0,7
Kolor jasnoszary, odporna na promieniowanie UV, 1-częściowa
do łączenia z iglicą odgromową Ø10 mm, długość 1000 mm, ze stali nierdzewnej
Materiał rury wsporczej: GRP / stal nierdzewna
Długość rury wsporczej: 3500 mm
Średnica zewnętrzna Ø: 50 mm
Maksymalna długość swobodna z iglicą odgromową (montaż naścienny): 3500 mm
Maksymalne obciążenie wiatrem: (maksymalna długość swobodna 3500 mm, 1x przewód HVI power wewnątrz) 234 km/h
Odniesienie do norm: DIN IEC/TS 62561-8 (VDE V 0185-561-8)

Producent: DEHN
Typ: SR D50 3500 FSP1000 IP HVIP GFK V2A
Nr kat.: 105320
lub podobny.

Certyfikaty

 

Dane techniczne

Materiał rury wsporczej GRP / stal nierdzewna
Długość rury wsporczej 3500 mm
Średnica zewnętrzna Ø 50 mm
Długość tranportowa 3500 mm
Długość izolacyjna 1800 mm
Nadaje się do montażu na zewnątrz rury nie
Maksymalna długość swobodna z iglicą odgromową (montaż naścienny) 3500 mm
Odniesienie do norm DIN IEC/TS 62561-8 (VDE V 0185-561-8)

Produkt 105320 został dodany do notatnika.

Do koszyka dodano produkt 105320.

Nr kat. 105322 SR D50 5000 FSP1000 IP HVIP GFK V2A

GTIN / EAN 4013364152380, Nr taryfy celnej (EU): 85389099, Waga brutto: 15.80 kg, Jednostka opakowaniowa: 1.00 szt.


Rysunki

Informacje dodatkowe

Rura wsporcza do przewodu HVI power z iglicą odgromową, długość 5000 mm, GRP/stal nierdzewna
Rury wsporcze GRP/stal nierdzewna z końcówką przyłączeniową wewnątrz i
wyrównawczym elementem sprężynowym do przewodu HVI power
pozwalające zachować odstęp separujący od elementów przewodzących prąd
spełniające wymagania normy DIN EN 62305 (VDE 0185-305-3)
Rury wsporcze są zwymiarowane zgodnie z
z Eurokodem 1 (DIN EN 1991-1-4 + DIN EN 1991-1-4/NA).
Długość izolacyjna z tworzywa sztucznego wzmocnionego włóknem szklanym (GRP)
Współczynnik materiałowy km = 0,7
Kolor jasnoszary, odporna na promieniowanie UV, 1-częściowa
do łączenia z iglicą odgromową Ø10 mm, długość 1000 mm, ze stali nierdzewnej
Materiał rury wsporczej: GRP / stal nierdzewna
Długość rury wsporczej: 5000 mm
Średnica zewnętrzna Ø: 50 mm
Maksymalna długość swobodna z iglicą odgromową (montaż naścienny): 4000 mm
Maksymalne obciążenie wiatrem: (maksymalna długość swobodna 4000 mm, 1x przewód HVI power wewnątrz) 232 km/h
Odniesienie do norm: DIN IEC/TS 62561-8 (VDE V 0185-561-8)

Producent: DEHN
Typ: SR D50 5000 FSP1000 IP HVIP GFK V2A
Nr kat.: 105322
lub podobny.

Certyfikaty

 

Dane techniczne

Materiał rury wsporczej GRP / stal nierdzewna
Długość rury wsporczej 5000 mm
Średnica zewnętrzna Ø 50 mm
Długość tranportowa 5000 mm
Długość izolacyjna 1800 mm
Nadaje się do montażu na zewnątrz rury nie
Maksymalna długość swobodna z iglicą odgromową (montaż naścienny) 4000 mm
Odniesienie do norm DIN IEC/TS 62561-8 (VDE V 0185-561-8)

Produkt 105322 został dodany do notatnika.

Do koszyka dodano produkt 105322.


Z iglicą odgromową

Rura wsporcza z końcówką przyłączeniową wewnątrz i wyrównawczym elementem sprężynowym.
Iglica odgromowa z aluminium/stali nierdzewnejØ22 / 16 / 10 mm, długość 2500 mm.

4 Produkty

Nr kat. 105573 SR D50 3500 FS2500 IA HVIP GFK AL

GTIN / EAN 4013364271975, Nr taryfy celnej (EU): 85389099, Waga brutto: 6.56 kg, Jednostka opakowaniowa: 1.00 szt.


Rysunki

Informacje dodatkowe

Rura wsporcza do przewodu HVI power z iglicą odgromową, długość 3500 mm, GRP/aluminium
Rury wsporcze GRP/aluminium z końcówką przyłączeniową wewnątrz i
wyrównawczym elementem sprężynowym do przewodu HVI power
pozwalające zachować odstęp separujący od elementów przewodzących prąd
spełniające wymagania normy DIN EN 62305 (VDE 0185-305-3)
Rury wsporcze są zwymiarowane zgodnie z
z Eurokodem 1 (DIN EN 1991-1-4 + DIN EN 1991-1-4/NA).
Długość izolacyjna z tworzywa sztucznego wzmocnionego włóknem szklanym (GRP)
Współczynnik materiałowy km = 0,7
Kolor jasnoszary, odporna na promieniowanie UV, 1-częściowa
do łączenia z iglicą odgromową, Ø22/16/10 mm, długość 2500 mm, z aluminium
Materiał rury wsporczej: GRP / aluminium
Długość rury wsporczej: 3500 mm
Średnica zewnętrzna Ø: 50 mm
Maksymalna długość swobodna z iglicą odgromową (montaż naścienny): 5000 mm
Maksymalne obciążenie wiatrem: (maksymalna długość swobodna 5000 mm, 1x przewód HVI power wewnątrz) 168 km/h
Maksymalne obciążenie wiatrem: (maksymalna długość swobodna 5000 mm, 1x przewód HVI na zewnątrz) 144 km/h
Odniesienie do norm: DIN IEC/TS 62561-8 (VDE V 0185-561-8)

Producent: DEHN
Typ: SR D50 3500 FS2500 IA HVIP GFK AL
Nr kat.: 105573
lub podobny.

Certyfikaty

 

Dane techniczne

Materiał rury wsporczej GRP / aluminium
Długość rury wsporczej 3500 mm
Średnica zewnętrzna Ø 50 mm
Długość tranportowa 3500 mm
Długość izolacyjna 1800 mm
Nadaje się do montażu na zewnątrz rury tak
Maksymalna długość swobodna z iglicą odgromową (montaż naścienny) 5000 mm
Odniesienie do norm DIN IEC/TS 62561-8 (VDE V 0185-561-8)

Produkt 105573 został dodany do notatnika.

Do koszyka dodano produkt 105573.

Nr kat. 105575 SR D50 5000 FS2500 IA HVIP GFK AL

GTIN / EAN 4013364272026, Nr taryfy celnej (EU): 85389099, Waga brutto: 8.90 kg, Jednostka opakowaniowa: 1.00 szt.


Rysunki

Informacje dodatkowe

Rura wsporcza do przewodu HVI power z iglicą odgromową, długość 5000 mm, GRP/aluminium
Rury wsporcze GRP/aluminium z końcówką przyłączeniową wewnątrz
i wyrównawczym elementem sprężynowym do przewodu HVI power
pozwalające zachować odstęp separujący od elementów przewodzących prąd
spełniające wymagania normy DIN EN 62305 (VDE 0185-305-3)
Rury wsporcze są zwymiarowane zgodnie z
z Eurokodem 1 (DIN EN 1991-1-4 + DIN EN 1991-1-4/NA).
Długość izolacyjna z tworzywa sztucznego wzmocnionego włóknem szklanym (GRP)
Współczynnik materiałowy km = 0,7
Kolor jasnoszary, odporna na promieniowanie UV, 1-częściowa
do łączenia z iglicą odgromową, Ø22/16/10 mm, długość 2500 mm, z aluminium
Materiał rury wsporczej: GRP / aluminium
Długość rury wsporczej: 5000 mm
Średnica zewnętrzna Ø: 50 mm
Maksymalna długość swobodna z iglicą odgromową (montaż naścienny): 5500 mm
Maksymalne obciążenie wiatrem: (maksymalna długość swobodna 5500 mm, 1x przewód HVI power wewnątrz) 163 km/h
Maksymalne obciążenie wiatrem: (maksymalna długość swobodna 5500 mm, 1x przewód HVI na zewnątrz) 140 km/h
Odniesienie do norm: DIN IEC/TS 62561-8 (VDE V 0185-561-8)

Producent: DEHN
Typ: SR D50 5000 FS2500 IA HVIP GFK AL
Nr kat.: 105575
lub podobny.

Certyfikaty

 

Dane techniczne

Materiał rury wsporczej GRP / aluminium
Długość rury wsporczej 5000 mm
Średnica zewnętrzna Ø 50 mm
Długość tranportowa 5000 mm
Długość izolacyjna 1800 mm
Nadaje się do montażu na zewnątrz rury tak
Maksymalna długość swobodna z iglicą odgromową (montaż naścienny) 5500 mm
Odniesienie do norm DIN IEC/TS 62561-8 (VDE V 0185-561-8)

Produkt 105575 został dodany do notatnika.

Do koszyka dodano produkt 105575.

Nr kat. 105321 SR D50 3500 FS22 10 2500 IP HVIP GFK V2A

GTIN / EAN 4013364152397, Nr taryfy celnej (EU): 85389099, Waga brutto: 12.20 kg, Jednostka opakowaniowa: 1.00 szt.


Rysunki

Informacje dodatkowe

Rura wsporcza do przewodu HVI power z iglicą odgromową, długość 3500 mm, GRP/stal nierdzewna
Rury wsporcze GRP/stal nierdzewna z końcówką przyłączeniową wewnątrz
i wyrównawczym elementem sprężynowym do przewodu HVI power
pozwalające zachować odstęp separujący od elementów przewodzących prąd
spełniające wymagania normy DIN EN 62305 (VDE 0185-305-3)
Rury wsporcze są zwymiarowane zgodnie z
z Eurokodem 1 (DIN EN 1991-1-4 + DIN EN 1991-1-4/NA).
Długość izolacyjna z tworzywa sztucznego wzmocnionego włóknem szklanym (GRP)
Współczynnik materiałowy km = 0,7
Kolor jasnoszary, odporna na promieniowanie UV, 1-częściowa
do łączenia z iglicą odgromową, Ø22/16/10 mm, długość 2500 mm, ze stali nierdzewnej
Materiał rury wsporczej: GRP / stal nierdzewna
Długość rury wsporczej: 3500 mm
Średnica zewnętrzna Ø: 50 mm
Maksymalna długość swobodna z iglicą odgromową (montaż naścienny): 5000 mm
Maksymalne obciążenie wiatrem: (maksymalna długość swobodna 5000 mm, 1x przewód HVI power wewnątrz) 163 km/h
Odniesienie do norm: DIN IEC/TS 62561-8 (VDE V 0185-561-8)

Producent: DEHN
Typ: SR D50 3500 FS22 10 2500 IP HVIP GFK V2A
Nr kat.: 105321
lub podobny.

Certyfikaty

 

Dane techniczne

Materiał rury wsporczej GRP / stal nierdzewna
Długość rury wsporczej 3500 mm
Średnica zewnętrzna Ø 50 mm
Długość tranportowa 3500 mm
Długość izolacyjna 1800 mm
Nadaje się do montażu na zewnątrz rury nie
Maksymalna długość swobodna z iglicą odgromową (montaż naścienny) 5000 mm
Odniesienie do norm DIN IEC/TS 62561-8 (VDE V 0185-561-8)

Produkt 105321 został dodany do notatnika.

Do koszyka dodano produkt 105321.

Nr kat. 105323 SR D50 5000 FS22 10 2500 IP HVIP GFK V2A

GTIN / EAN 4013364152403, Nr taryfy celnej (EU): 85389099, Waga brutto: 16.30 kg, Jednostka opakowaniowa: 1.00 szt.


Rysunki

Informacje dodatkowe

Rura wsporcza do przewodu HVI power z iglicą odgromową, długość 5000 mm, GRP/stal nierdzewna
Rury wsporcze GRP/stal nierdzewna z końcówką przyłączeniową wewnątrz
i wyrównawczym elementem sprężynowym do przewodu HVI power
pozwalające zachować odstęp separujący od elementów przewodzących prąd
spełniające wymagania normy DIN EN 62305 (VDE 0185-305-3)
Rury wsporcze są zwymiarowane zgodnie z
z Eurokodem 1 (DIN EN 1991-1-4 + DIN EN 1991-1-4/NA).
Długość izolacyjna z tworzywa sztucznego wzmocnionego włóknem szklanym (GRP)
Współczynnik materiałowy km = 0,7
Kolor jasnoszary, odporna na promieniowanie UV, 1-częściowa
do łączenia z iglicą odgromową, Ø22/16/10 mm, długość 2500 mm, ze stali nierdzewnej
Materiał rury wsporczej: GRP / stal nierdzewna
Długość rury wsporczej: 5000 mm
Średnica zewnętrzna Ø: 50 mm
Maksymalna długość swobodna z iglicą odgromową (montaż naścienny): 5500 mm
Maksymalne obciążenie wiatrem: (maksymalna długość swobodna 5500 mm, 1x przewód HVI power wewnątrz) 159 km/h
Odniesienie do norm: DIN IEC/TS 62561-8 (VDE V 0185-561-8)

Producent: DEHN
Typ: SR D50 5000 FS22 10 2500 IP HVIP GFK V2A
Nr kat.: 105323
lub podobny.

Certyfikaty

 

Dane techniczne

Materiał rury wsporczej GRP / stal nierdzewna
Długość rury wsporczej 5000 mm
Średnica zewnętrzna Ø 50 mm
Długość tranportowa 5000 mm
Długość izolacyjna 1800 mm
Nadaje się do montażu na zewnątrz rury nie
Maksymalna długość swobodna z iglicą odgromową (montaż naścienny) 5500 mm
Odniesienie do norm DIN IEC/TS 62561-8 (VDE V 0185-561-8)

Produkt 105323 został dodany do notatnika.

Do koszyka dodano produkt 105323.


Z iglicą odgromową i wyprowadzeniem bocznym

Rura wsporcza z końcówką przyłączeniową wewnątrz i wyrównawczym elementem sprężynowym.
Iglica odgromowa z aluminium/stali nierdzewnej, Ø10 mm, długość 1000 mm.

4 Produkty

Nr kat. 105513 SR D50 3500 FSP1000 IA SA HVIP GFK AL

GTIN / EAN 4013364270282, Nr taryfy celnej (EU): 85389099, Waga brutto: 5.50 kg, Jednostka opakowaniowa: 1.00 szt.


Rysunki

Informacje dodatkowe

Rura wsporcza do przewodu HVI power, GRP/aluminium, z wyprowadzeniem bocznym
Rury wsporcze GRP/aluminium z końcówką przyłączeniową wewnątrz
i wyrównawczym elementem sprężynowym do przewodu HVI power
pozwalające zachować odstęp separujący od elementów przewodzących prąd
spełniające wymagania normy DIN EN 62305 (VDE 0185-305-3)
Rury wsporcze są zwymiarowane zgodnie z
z Eurokodem 1 (DIN EN 1991-1-4 + DIN EN 1991-1-4/NA).
Długość izolacyjna z tworzywa sztucznego wzmocnionego włóknem szklanym (GRP)
Współczynnik materiałowy km = 0,7
Kolor jasnoszary, odporna na promieniowanie UV, 1-częściowa
do łączenia z iglicą odgromową Ø10 mm, długość 1000 mm, z aluminium
Materiał rury wsporczej: GRP / aluminium
Długość rury wsporczej: 3500 mm
Średnica zewnętrzna Ø: 50 mm
Odniesienie do norm: DIN IEC/TS 62561-8 (VDE V 0185-561-8)

Producent: DEHN
Typ: SR D50 3500 FSP1000 IA SA HVIP GFK AL
Nr kat.: 105513
lub podobny.

Certyfikaty

 

Dane techniczne

Materiał rury wsporczej GRP / aluminium
Długość rury wsporczej 3500 mm
Średnica zewnętrzna Ø 50 mm
Długość tranportowa 3500 mm
Długość izolacyjna 1800 mm
Nadaje się do montażu na zewnątrz rury tak
Odniesienie do norm DIN IEC/TS 62561-8 (VDE V 0185-561-8)

Produkt 105513 został dodany do notatnika.

Do koszyka dodano produkt 105513.

Nr kat. 105515 SR D50 5000 FSP1000 IA SA HVIP GFK AL

GTIN / EAN 4013364271821, Nr taryfy celnej (EU): 85389099, Waga brutto: 8.00 kg, Jednostka opakowaniowa: 1.00 szt.


Rysunki

Informacje dodatkowe

Rura wsporcza do przewodu HVI power, GRP/aluminium, z wyprowadzeniem bocznym
Rury wsporcze GRP/aluminium z końcówką przyłączeniową wewnątrz
i wyrównawczym elementem sprężynowym do przewodu HVI power
pozwalające zachować odstęp separujący od elementów przewodzących prąd
spełniające wymagania normy DIN EN 62305 (VDE 0185-305-3)
Rury wsporcze są zwymiarowane zgodnie z
z Eurokodem 1 (DIN EN 1991-1-4 + DIN EN 1991-1-4/NA).
Długość izolacyjna z tworzywa sztucznego wzmocnionego włóknem szklanym (GRP)
Współczynnik materiałowy km = 0,7
Kolor jasnoszary, odporna na promieniowanie UV, 1-częściowa
do łączenia z iglicą odgromową Ø10 mm, długość 1000 mm, z aluminium
Materiał rury wsporczej: GRP / aluminium
Długość rury wsporczej: 5000 mm
Średnica zewnętrzna Ø: 50 mm
Odniesienie do norm: DIN IEC/TS 62561-8 (VDE V 0185-561-8)

Producent: DEHN
Typ: SR D50 5000 FSP1000 IA SA HVIP GFK AL
Nr kat.: 105515
lub podobny.

Certyfikaty

 

Dane techniczne

Materiał rury wsporczej GRP / aluminium
Długość rury wsporczej 5000 mm
Średnica zewnętrzna Ø 50 mm
Długość tranportowa 5000 mm
Długość izolacyjna 1800 mm
Nadaje się do montażu na zewnątrz rury tak
Odniesienie do norm DIN IEC/TS 62561-8 (VDE V 0185-561-8)

Produkt 105515 został dodany do notatnika.

Do koszyka dodano produkt 105515.

Nr kat. 105392 SR D50 3500 FS1000 IP SA HVIP GFK V2A

GTIN / EAN 4013364157903, Nr taryfy celnej (EU): 85389099, Waga brutto: 10.20 kg, Jednostka opakowaniowa: 1.00 szt.


Rysunki

Informacje dodatkowe

Rura wsporcza do przewodu HVI power, GRP/stal nierdzewna, z wyprowadzeniem bocznym
Rury wsporcze GRP/stal nierdzewna z wyprowadzeniem bocznym,
końcówką przyłączeniową wewnątrz i wyrównawczym elementem sprężynowym
do przewodu HVI power pozwalające zachować odstęp separujący
od elementów przewodzących prąd zgodnie z DIN EN 62305 (VDE 0185-305-3).
Rury wsporcze są zwymiarowane zgodnie z
z Eurokodem 1 (DIN EN 1991-1-4 + DIN EN 1991-1-4/NA).
Długość izolacyjna z tworzywa sztucznego wzmocnionego włóknem szklanym (GRP)
Współczynnik materiałowy km = 0,7
Kolor jasnoszary, odporna na promieniowanie UV, 1-częściowa
do łączenia z iglicą odgromową Ø10 mm, długość 1000 mm, ze stali nierdzewnej
Materiał rury wsporczej: GRP / stal nierdzewna
Długość rury wsporczej: 3500 mm
Średnica zewnętrzna Ø: 50 mm
Odniesienie do norm: DIN IEC/TS 62561-8 (VDE V 0185-561-8)

Producent: DEHN
Typ: SR D50 3500 FS1000 IP SA HVIP GFK V2A
Nr kat.: 105392
lub podobny.

Certyfikaty

 

Dane techniczne

Materiał rury wsporczej GRP / stal nierdzewna
Długość rury wsporczej 3500 mm
Średnica zewnętrzna Ø 50 mm
Długość tranportowa 3500 mm
Długość izolacyjna 1800 mm
Nadaje się do montażu na zewnątrz rury nie
Odniesienie do norm DIN IEC/TS 62561-8 (VDE V 0185-561-8)

Produkt 105392 został dodany do notatnika.

Do koszyka dodano produkt 105392.

Nr kat. 105394 SR D50 5000 FS1000 IP SA HVIP GFK V2A

GTIN / EAN 4013364157910, Nr taryfy celnej (EU): 85389099, Waga brutto: 15.10 kg, Jednostka opakowaniowa: 1.00 szt.


Rysunki

Informacje dodatkowe

Rura wsporcza do przewodu HVI power, GRP/stal nierdzewna, z wyprowadzeniem bocznym
Rury wsporcze GRP/stal nierdzewna z wyprowadzeniem bocznym,
końcówką przyłączeniową wewnątrz i wyrównawczym elementem sprężynowym
do przewodu HVI power pozwalające zachować odstęp separujący
od elementów przewodzących prąd zgodnie z DIN EN 62305 (VDE 0185-305-3).
Rury wsporcze są zwymiarowane zgodnie z
z Eurokodem 1 (DIN EN 1991-1-4 + DIN EN 1991-1-4/NA).
Długość izolacyjna z tworzywa sztucznego wzmocnionego włóknem szklanym (GRP)
Współczynnik materiałowy km = 0,7
Kolor jasnoszary, odporna na promieniowanie UV, 1-częściowa
do łączenia z iglicą odgromową Ø10 mm, długość 1000 mm, ze stali nierdzewnej
Materiał rury wsporczej: GRP / stal nierdzewna
Długość rury wsporczej: 5000 mm
Średnica zewnętrzna Ø: 50 mm
Odniesienie do norm: DIN IEC/TS 62561-8 (VDE V 0185-561-8)

Producent: DEHN
Typ: SR D50 5000 FS1000 IP SA HVIP GFK V2A
Nr kat.: 105394
lub podobny.

Certyfikaty

 

Dane techniczne

Materiał rury wsporczej GRP / stal nierdzewna
Długość rury wsporczej 5000 mm
Średnica zewnętrzna Ø 50 mm
Długość tranportowa 5000 mm
Długość izolacyjna 1800 mm
Nadaje się do montażu na zewnątrz rury nie
Odniesienie do norm DIN IEC/TS 62561-8 (VDE V 0185-561-8)

Produkt 105394 został dodany do notatnika.

Do koszyka dodano produkt 105394.


Z iglicą odgromową i wyprowadzeniem bocznym

Rura wsporcza z końcówką przyłączeniową wewnątrz i wyrównawczym elementem sprężynowym.
Iglica odgromowa z aluminium/stali nierdzewnejØ22 / 16 / 10 mm, długość 2500 mm.

3 Produkty

Nr kat. 105543 SR D50 3500 FS2500 IA SA HVIP GFK AL

GTIN / EAN 4013364271845, Nr taryfy celnej (EU): 85389099, Waga brutto: 6.40 kg, Jednostka opakowaniowa: 1.00 szt.


Rysunki

Informacje dodatkowe

Rura wsporcza do przewodu HVI power, GRP/aluminium, z wyprowadzeniem bocznym
Rury wsporcze GRP/aluminium z końcówką przyłączeniową wewnątrz
i wyrównawczym elementem sprężynowym do przewodu HVI power pozwalające zachować
odstęp separujący od elementów przewodzących prąd
spełniające wymagania normy DIN EN 62305 (VDE 0185-305-3)
Rury wsporcze są zwymiarowane zgodnie z
z Eurokodem 1 (DIN EN 1991-1-4 + DIN EN 1991-1-4/NA).
Długość izolacyjna z tworzywa sztucznego wzmocnionego włóknem szklanym (GRP)
Współczynnik materiałowy km = 0,7
Kolor jasnoszary, odporna na promieniowanie UV, 1-częściowa
do łączenia z iglicą odgromową, Ø22/16/10 mm, długość 2500 mm, z aluminium
Materiał rury wsporczej: GRP / aluminium
Długość rury wsporczej: 3500 mm
Średnica zewnętrzna Ø: 50 mm
Odniesienie do norm: DIN IEC/TS 62561-8 (VDE V 0185-561-8)

Producent: DEHN
Typ: SR D50 3500 FS2500 IA SA HVIP GFK AL
Nr kat.: 105543
lub podobny.

Certyfikaty

 

Dane techniczne

Materiał rury wsporczej GRP / aluminium
Długość rury wsporczej 3500 mm
Średnica zewnętrzna Ø 50 mm
Długość tranportowa 3500 mm
Długość izolacyjna 1800 mm
Nadaje się do montażu na zewnątrz rury tak
Odniesienie do norm DIN IEC/TS 62561-8 (VDE V 0185-561-8)

Produkt 105543 został dodany do notatnika.

Do koszyka dodano produkt 105543.

Nr kat. 105545 SR D50 5000 FS2500 IA SA HVIP GFK AL

GTIN / EAN 4013364271876, Nr taryfy celnej (EU): 85389099, Waga brutto: 8.90 kg, Jednostka opakowaniowa: 1.00 szt.


Rysunki

Informacje dodatkowe

Rura wsporcza do przewodu HVI power, GRP/aluminium, z wyprowadzeniem bocznym
Rury wsporcze GRP/aluminium z końcówką przyłączeniową wewnątrz
i wyrównawczym elementem sprężynowym do przewodu HVI power pozwalające zachować
odstęp separujący od elementów przewodzących prąd
spełniające wymagania normy DIN EN 62305 (VDE 0185-305-3)
Rury wsporcze są zwymiarowane zgodnie z
z Eurokodem 1 (DIN EN 1991-1-4 + DIN EN 1991-1-4/NA).
Długość izolacyjna z tworzywa sztucznego wzmocnionego włóknem szklanym (GRP)
Współczynnik materiałowy km = 0,7
Kolor jasnoszary, odporna na promieniowanie UV, 1-częściowa
do łączenia z iglicą odgromową, Ø22/16/10 mm, długość 2500 mm, z aluminium
Materiał rury wsporczej: GRP / aluminium
Długość rury wsporczej: 5000 mm
Średnica zewnętrzna Ø: 50 mm
Odniesienie do norm: DIN IEC/TS 62561-8 (VDE V 0185-561-8)

Producent: DEHN
Typ: SR D50 5000 FS2500 IA SA HVIP GFK AL
Nr kat.: 105545
lub podobny.

Certyfikaty

 

Dane techniczne

Materiał rury wsporczej GRP / aluminium
Długość rury wsporczej 5000 mm
Średnica zewnętrzna Ø 50 mm
Długość tranportowa 5000 mm
Długość izolacyjna 1800 mm
Nadaje się do montażu na zewnątrz rury tak
Odniesienie do norm DIN IEC/TS 62561-8 (VDE V 0185-561-8)

Produkt 105545 został dodany do notatnika.

Do koszyka dodano produkt 105545.

Nr kat. 105395 SR D50 5000 FS2500 IP SA HVIP GFK V2A

GTIN / EAN 4013364157934, Nr taryfy celnej (EU): 85389099, Waga brutto: 17.12 kg, Jednostka opakowaniowa: 1.00 szt.


Rysunki

Informacje dodatkowe

Rura wsporcza do przewodu HVI power, GRP/stal nierdzewna, z wyprowadzeniem bocznym
Rury wsporcze GRP/stal nierdzewna z wyprowadzeniem bocznym,
końcówką przyłączeniową wewnątrz i wyrównawczym elementem sprężynowym
do przewodu HVI power pozwalające zachować odstęp separujący
od elementów przewodzących prąd zgodnie z DIN EN 62305 (VDE 0185-305-3).
Rury wsporcze są zwymiarowane zgodnie z
z Eurokodem 1 (DIN EN 1991-1-4 + DIN EN 1991-1-4/NA).
Długość izolacyjna z tworzywa sztucznego wzmocnionego włóknem szklanym (GRP)
Współczynnik materiałowy km = 0,7
Kolor jasnoszary, odporna na promieniowanie UV, 1-częściowa
do łączenia z iglicą odgromową, Ø22/16/10 mm, długość 2500 mm, ze stali nierdzewnej
Materiał rury wsporczej: GRP / stal nierdzewna
Długość rury wsporczej: 5000 mm
Średnica zewnętrzna Ø: 50 mm
Odniesienie do norm: DIN IEC/TS 62561-8 (VDE V 0185-561-8)

Producent: DEHN
Typ: SR D50 5000 FS2500 IP SA HVIP GFK V2A
Nr kat.: 105395
lub podobny.

Certyfikaty

 

Dane techniczne

Materiał rury wsporczej GRP / stal nierdzewna
Długość rury wsporczej 5000 mm
Średnica zewnętrzna Ø 50 mm
Długość tranportowa 5000 mm
Długość izolacyjna 1800 mm
Nadaje się do montażu na zewnątrz rury nie
Odniesienie do norm DIN IEC/TS 62561-8 (VDE V 0185-561-8)

Produkt 105395 został dodany do notatnika.

Do koszyka dodano produkt 105395.


Powrót na górę