Your dashboard services.
Register to access all tools.

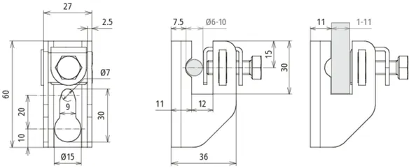
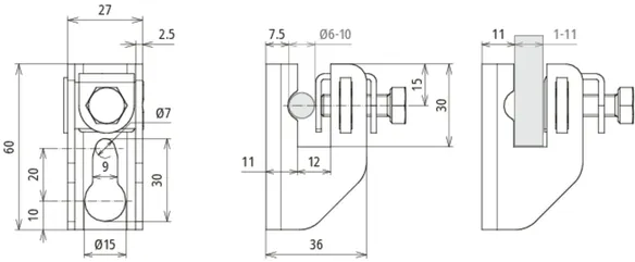
Wsporniki do płaskownika / drutu z elementem dociskowym

Do montażu na ścianie.
Element dociskowy ze śrubą M8, do układania płaskownika do 11 mm i drutu okrągłego 6-10 mm.

Odległość od ściany 11 mm

3 Produkty

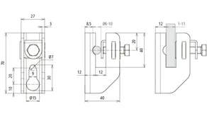
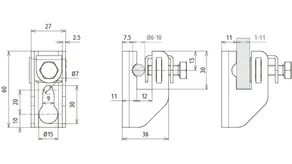
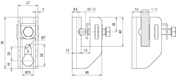
Nr kat. 277230 FRH 11 6.10 WA11 B7 STTZN

GTIN / EAN 4013364110984, Nr taryfy celnej (EU): 85389099, Waga brutto: 123.84 g, Jednostka opakowaniowa: 25.00 szt.


Rysunki

Informacje dodatkowe

Wsporniki do płaskownika z elementem dociskowym, odległość od ściany 11 mm, stal ocynkowana ogniowo
Wsporniki do płaskownika, z elementem dociskowym do montażu na ścianie, ze śrubą M8
np. jako otokowe połączenie wyrównawcze
do płaskownika do 11 mm i drutu okrągłego 6-10 mm
Materiał wspornika: St/tZn
Odległość od ściany: 11 mm
Mocowanie: Ø15 / 9 x 20 mm
Materiał śruby: stal nierdzewna

Producent: DEHN
Typ: FRH 11 6.10 WA11 B7 STTZN
Nr kat.: 277230
lub podobny.

Certyfikaty

 

Dane techniczne

Materiał wspornika St/tZn
Mocowanie Ø15 / 9 x 20 mm
Szerokość szczeliny 12 mm
Materiał śruby stal nierdzewna
Spełnia wymagania normy DIN EN 62561-(1+4)

Produkt 277230 został dodany do notatnika.

Do koszyka dodano produkt 277230.

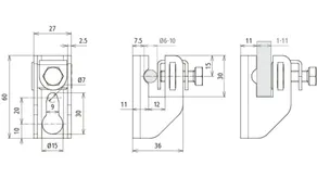
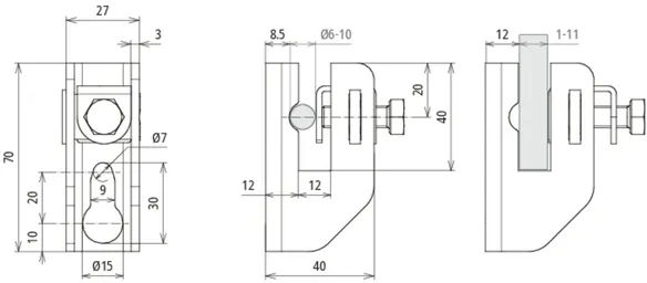
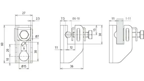
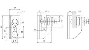
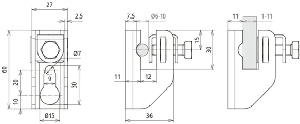
Nr kat. 277237 FRH 11 6.10 WA11 B7 CU

GTIN / EAN 4013364110991, Nr taryfy celnej (EU): 85389099, Waga brutto: 126.68 g, Jednostka opakowaniowa: 25.00 szt.


Rysunki

Informacje dodatkowe

Wsporniki do płaskownika z elementem dociskowym, odległość od ściany 11 mm, miedź
Wsporniki do płaskownika, z elementem dociskowym do montażu na ścianie, ze śrubą M8
np. jako otokowe połączenie wyrównawcze
do płaskownika do 11 mm i drutu okrągłego 6-10 mm
Materiał wspornika: Cu
Odległość od ściany: 11 mm
Mocowanie: Ø15 / 9 x 20 mm
Materiał śruby: stal nierdzewna

Producent: DEHN
Typ: FRH 11 6.10 WA11 B7 CU
Nr kat.: 277237
lub podobny.

Certyfikaty

 

Dane techniczne

Materiał wspornika Cu
Mocowanie Ø15 / 9 x 20 mm
Szerokość szczeliny 12 mm
Materiał śruby stal nierdzewna
Spełnia wymagania normy DIN EN 62561-(1+4)

Produkt 277237 został dodany do notatnika.

Do koszyka dodano produkt 277237.

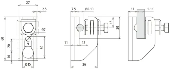
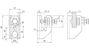
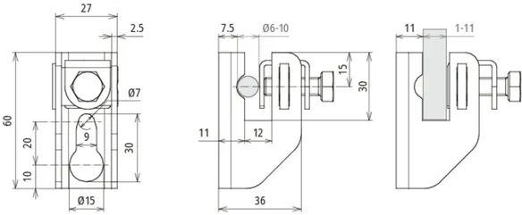
Nr kat. 277239 FRH 11 6.10 WA11 B7 V2A

GTIN / EAN 4013364111004, Nr taryfy celnej (EU): 85389099, Waga brutto: 117.00 g, Jednostka opakowaniowa: 25.00 szt.


Rysunki

Informacje dodatkowe

Wsporniki do płaskownika z elementem dociskowym, odległość od ściany 11 mm, stal nierdzewna
Wsporniki do płaskownika, z elementem dociskowym do montażu na ścianie, ze śrubą M8
np. jako otokowe połączenie wyrównawcze
do płaskownika do 11 mm i drutu okrągłego 6-10 mm
Materiał wspornika: stal nierdzewna
Odległość od ściany: 11 mm
Mocowanie: Ø15 / 9 x 20 mm
Materiał śruby: stal nierdzewna

Producent: DEHN
Typ: FRH 11 6.10 WA11 B7 V2A
Nr kat.: 277239
lub podobny.

Certyfikaty

 

Dane techniczne

Materiał wspornika stal nierdzewna
Mocowanie Ø15 / 9 x 20 mm
Szerokość szczeliny 12 mm
Materiał śruby stal nierdzewna
Spełnia wymagania normy DIN EN 62561-(1+4)

Produkt 277239 został dodany do notatnika.

Do koszyka dodano produkt 277239.


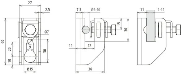
Odległość od ściany 15 mm

2 Produkty

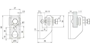
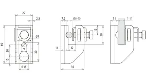
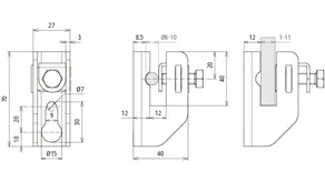
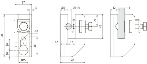
Nr kat. 277240 FRH 11 6.10 WA15 B7 STTZN

GTIN / EAN 4013364022577, Nr taryfy celnej (EU): 85389099, Waga brutto: 171.00 g, Jednostka opakowaniowa: 25.00 szt.


Rysunki

Informacje dodatkowe

Wsporniki do płaskownika z elementem dociskowym, odległość od ściany 15 mm, stal ocynkowana ogniowo
Wsporniki do płaskownika, z elementem dociskowym do montażu na ścianie, ze śrubą M8
np. jako otokowe połączenie wyrównawcze
do płaskownika do 11 mm i drutu okrągłego 6-10 mm
Materiał wspornika: St/tZn
Odległość od ściany: 15 mm
Mocowanie: Ø15 / 9 x 20 mm
Materiał śruby: stal nierdzewna
Materiał elementu dociskowego: stal nierdzewna

Producent: DEHN
Typ: FRH 11 6.10 WA15 B7 STTZN
Nr kat.: 277240
lub podobny.

 

Dane techniczne

Materiał wspornika St/tZn
Mocowanie Ø15 / 9 x 20 mm
Szerokość szczeliny 12 mm
Materiał śruby stal nierdzewna
Materiał elementu dociskowego stal nierdzewna
Spełnia wymagania normy DIN EN 62561-(1+4)

Produkt 277240 został dodany do notatnika.

Do koszyka dodano produkt 277240.

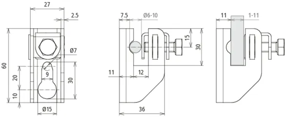
Nr kat. 277249 FRH 11 6.10 WA15 B7 V2A

GTIN / EAN 4013364506251, Nr taryfy celnej (EU): 85389099, Waga brutto: 140.64 g, Jednostka opakowaniowa: 25.00 szt.


Rysunki

Informacje dodatkowe

Wsporniki do płaskownika z elementem dociskowym, odległość od ściany 15 mm, stal nierdzewna V2A
Wsporniki do płaskownika, z elementem dociskowym do
montażu na ścianie, ze śrubą M8
np. jako otokowe połączenie wyrównawcze
do płaskownika do 11 mm i drutu okrągłego 6-10 mm
Materiał wspornika: stal nierdzewna
Odległość od ściany: 15 mm
Mocowanie: Ø15 / 9 x 20 mm
Materiał śruby: stal nierdzewna
Materiał elementu dociskowego: stal nierdzewna

Producent: DEHN
Typ: FRH 11 6.10 WA15 B7 V2A
Nr kat.: 277249
lub podobny.

 

Dane techniczne

Materiał wspornika stal nierdzewna
Mocowanie Ø15 / 9 x 20 mm
Szerokość szczeliny 12 mm
Materiał śruby stal nierdzewna
Materiał elementu dociskowego stal nierdzewna
Spełnia wymagania normy DIN EN 62561-(1+4)

Produkt 277249 został dodany do notatnika.

Do koszyka dodano produkt 277249.


Powrót na górę