Your dashboard services.
Register to access all tools.

DEHNpipe

Ogranicznik przepięć do wkręcania w urządzeniach polowych
  • W okablowaniu równoległym lub szeregowym
  • Wykonany z odpornej na korozję stali nierdzewnej
  • W ofercie także ogranicznik do ochrony drugiego interfejsu (po stronie danych lub energii)
Warianty dla zastosowań Ex (i) i Ex (d)
  • Do ochrony iskrobezpiecznych obwodów pomiarowo-kontrolnych i systemów magistralnych Ex(i)
  • Wariant w hermetycznej obudowie ciśnieniowej Ex (d)
Różne certyfikatyCertyfikaty w zależności od ogranicznika: IECEx, ATEX, FISCO, CSA Hazloc

Szczegóły

Solidna konstrukcja wykonana z odpornej na korozję stali nierdzewnej.
lorem ipsum
Warianty do połączeń szeregowych
lorem ipsum
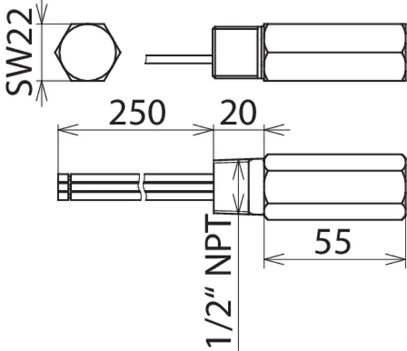
Gwint metryczny i NPT.
lorem ipsum
Certyfikaty ATEX oraz IECEx
lorem ipsum

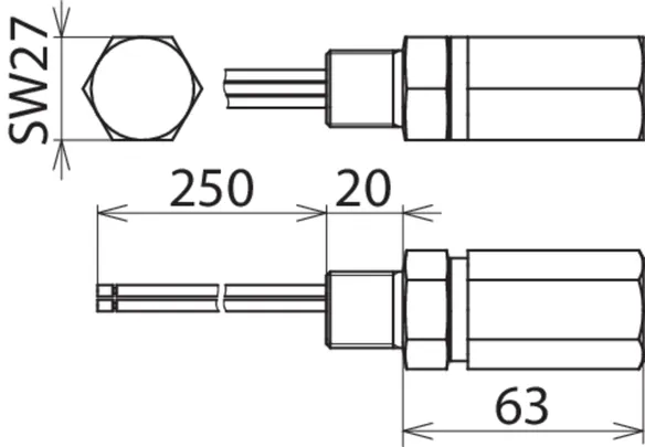
DPI MD

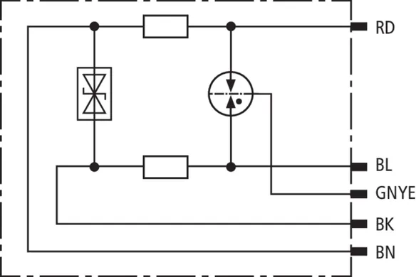
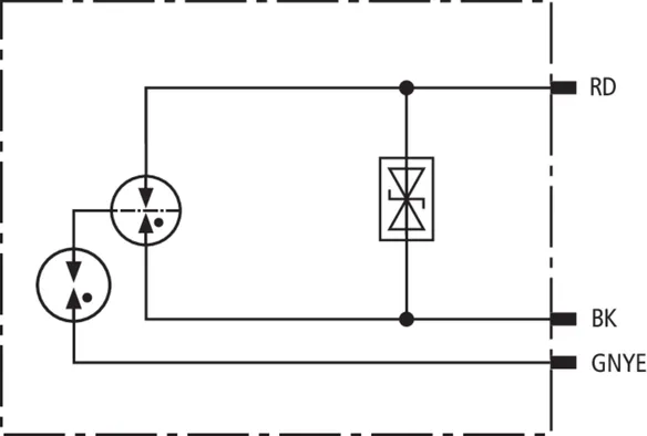
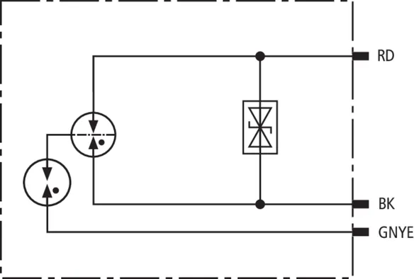
Skoordynowany energetycznie dwustopniowy ogranicznik przepięć, brak prądu upływu, do interfejsów 4-20 mA z gwintem M20 x 1,5 (wewnętrznym/zewnętrznym). Dostępny w opcji z bezpośrednim lub pośrednim uziemieniem ekranu lub bez uziemienia ekranu. Dławice kablowe dostępne jako wyposażenie dodatkowe.

1 Produkt

Nr kat. 929941 DPI MD 24 M 2S

GTIN / EAN 4013364098152, Nr taryfy celnej (EU): 85363010, Waga brutto: 187.40 g, Jednostka opakowaniowa: 1.00 szt.


Rysunki

Informacje dodatkowe

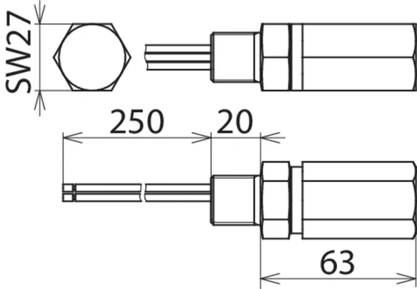
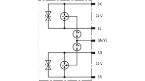
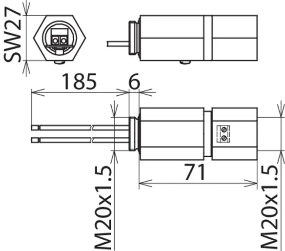
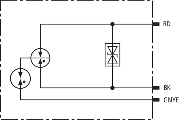
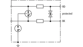
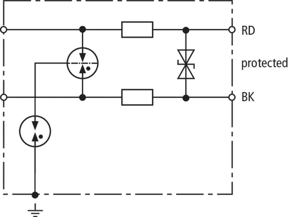
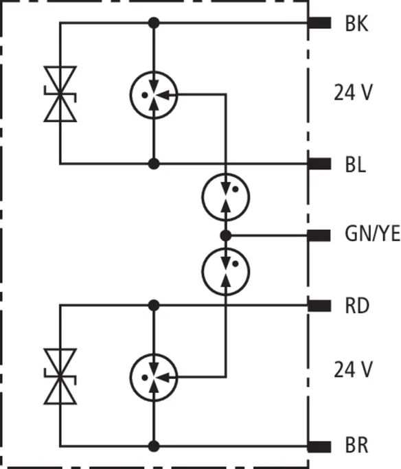
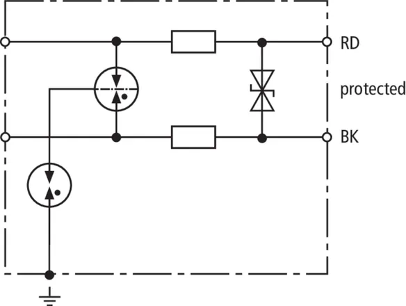
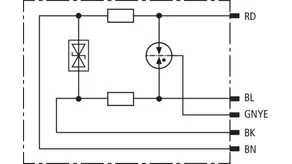
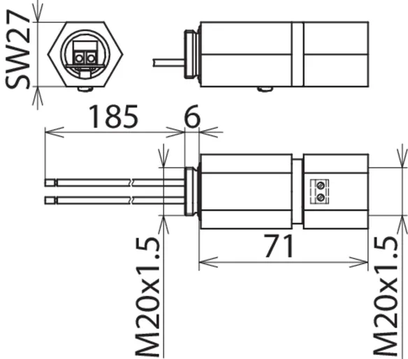
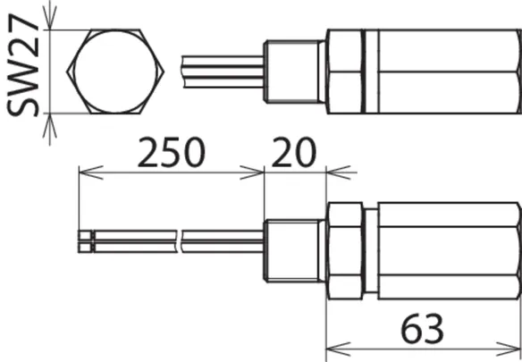
Niepowodujący prądów upływu dwustopniowy ogranicznik przepięć DEHNpipe DPI MD 24 M 2S
Ogranicznik przepięć
o klasie SPD Typ 2 / P1
DEHNpipe, przetestowany zgodnie z EN 61643-21
i skoordynowany energetycznie zgodnie z
IEC 61643-22, in V2A, IP 67,
2-częściowa konstrukcja obudowy,
do wkręcania w urządzeniach polowych
z 2-przewodową techniką pomiarową,
zabezpieczenie szeregowe jednej
bezpotencjałowej
pary linii oraz symetrycznych
interfejsów według normy NAMUR NE 21.
Największe napięcie trwałej pracy DC: 34,8 V
Prąd znamionowy: 0,5 A
C2 Całkowity znamionowy prąd wyładowczy (8/20 µs): 10 kA
Częstotliwość graniczna linia-linia: 14 MHz

Producent: DEHN
Typ: DPI MD 24 M 2S
Nr kat.: 929941
lub podobny.

Certyfikaty

 

Dane techniczne

Klasa SPD Q
Największe napięcie trwałej pracy DC (UC ) 34,8 V
Prąd znamionowy (IL ) 0,5 A
D1 Piorunowy prąd udarowy (10/350 µs) na linię (Iimp ) 1 kA
C2 Całkowity znamionowy prąd wyładowczy (8/20 µs) (In ) 10 kA
Częstotliwość graniczna linia-linia (fG ) 14 MHz
Montaż (wejście / wyjście) gwint wewnętrzny M20 x 1,5 / gwint zewnętrzny M20 x 1,5
Certyfikaty SIL
*) Więcej informacji na www.dehn.pl

Produkt 929941 został dodany do notatnika.

Do koszyka dodano produkt 929941.


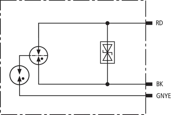
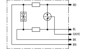
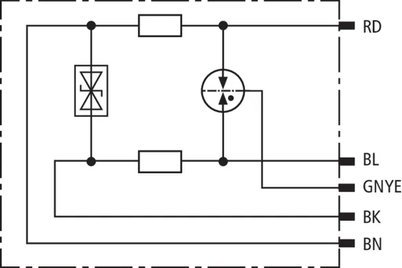
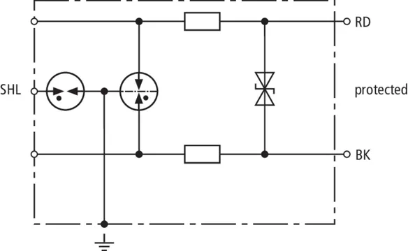
DPI MD EX

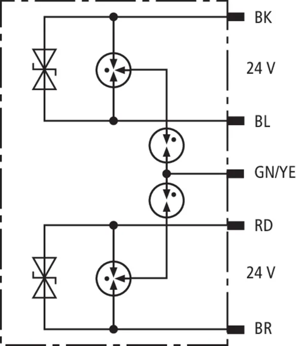
Skoordynowany energetycznie dwustopniowy ogranicznik z obwodem ochronnym o niskiej pojemności do ochrony iskrobezpiecznych obwodów pomiarowych i systemów magistralnych, spełnia wymagania FISCO. Wytrzymałość izolacji > 500 V linia-ziemia. Dławice kablowe należy zamawiać oddzielnie.

2 Produkty

Nr kat. 929960 DPI MD EX 24 M 2

GTIN / EAN 4013364098145, Nr taryfy celnej (EU): 85363010, Waga brutto: 185.80 g, Jednostka opakowaniowa: 1.00 szt.


Rysunki

Informacje dodatkowe

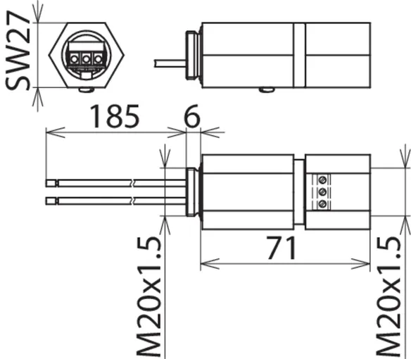
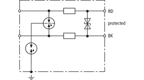
Skoordynowany dwustopniowy ogranicznik przepięć DEHNpipe DPI MD EX 24 M 2
Ogranicznik przepięć
o klasie SPD Typ 2 / P1
DEHNpipe, przetestowany zgodnie z EN 61643-21
i skoordynowany energetycznie zgodnie z
IEC 61643-22, in V2A, IP 67,
2-częściowa konstrukcja obudowy w
wykonaniu Ex (i)
do wkręcania w urządzeniach polowych
z 2-przewodową techniką pomiarową,
zabezpieczenie szeregowe jednej
bezpotencjałowej
pary linii oraz symetrycznych
interfejsów według normy NAMUR NE 21.
Największe napięcie trwałej pracy DC: 34,8 V
Prąd znamionowy: 0,5 A
C2 Całkowity znamionowy prąd wyładowczy (8/20 µs): 10 kA
Częstotliwość graniczna linia-linia: 7 MHz

Producent: DEHN
Typ: DPI MD EX 24 M 2
Nr kat.: 929960
lub podobny.

Certyfikaty

 

Dane techniczne

Klasa SPD T
Największe napięcie trwałej pracy DC (UC ) 34,8 V
Prąd znamionowy (IL ) 0,5 A
D1 Piorunowy prąd udarowy (10/350 µs) na linię (Iimp ) 1 kA
C2 Całkowity znamionowy prąd wyładowczy (8/20 µs) (In ) 10 kA
Częstotliwość graniczna linia-linia (fG ) 7 MHz
Montaż (wejście / wyjście) gwint wewnętrzny M20 x 1,5 / gwint zewnętrzny M20 x 1,5
Certyfikaty ATEX, IECEx, CCC, CSA & USA Hazloc, SIL
*) Więcej informacji na www.dehn.pl

Produkt 929960 został dodany do notatnika.

Do koszyka dodano produkt 929960.

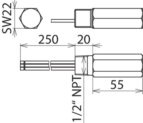
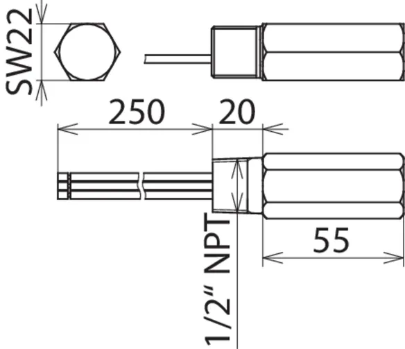
Nr kat. 929965 DPI MD EX 24 N 2

GTIN / EAN 4013364360778, Nr taryfy celnej (EU): 85363010, Waga brutto: 185.00 g, Jednostka opakowaniowa: 1.00 szt.


Rysunki

Informacje dodatkowe

Skoordynowany dwustopniowy ogranicznik przepięć DEHNpipe DPI MD EX 24 N 2
Ogranicznik przepięć
o klasie SPD Typ 2 / P1
DEHNpipe, przetestowany zgodnie z EN 61643-21
i skoordynowany energetycznie zgodnie z
IEC 61643-22, in V2A, IP 67,
2-częściowa konstrukcja obudowy w
wykonaniu Ex (i)
do wkręcania w urządzeniach polowych
z 2-przewodową techniką pomiarową,
zabezpieczenie szeregowe jednej
bezpotencjałowej
pary linii oraz symetrycznych
interfejsów według normy NAMUR NE 21.
Największe napięcie trwałej pracy DC: 34,8 V
Prąd znamionowy: 0,5 A
C2 Całkowity znamionowy prąd wyładowczy (8/20 µs): 10 kA
Częstotliwość graniczna linia-linia: 7 MHz

Producent: DEHN
Typ: DPI MD EX 24 N 2
Nr kat.: 929965
lub podobny.

Certyfikaty

 

Dane techniczne

Klasa SPD T
Największe napięcie trwałej pracy DC (UC ) 34,8 V
Prąd znamionowy (IL ) 0,5 A
D1 Piorunowy prąd udarowy (10/350 µs) na linię (Iimp ) 1 kA
C2 Całkowity znamionowy prąd wyładowczy (8/20 µs) (In ) 10 kA
Częstotliwość graniczna linia-linia (fG ) 7 MHz
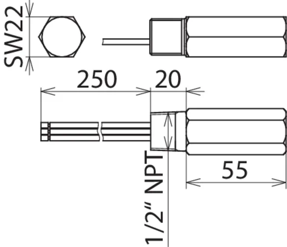
Montaż (wejście / wyjście) gwint wewnętrzny 1/2-14 NPT / gwint zewnętrzny 1/2-14 NPT
Certyfikaty ATEX, IECEx, CCC, SIL
*) Więcej informacji na www.dehn.pl

Produkt 929965 został dodany do notatnika.

Do koszyka dodano produkt 929965.


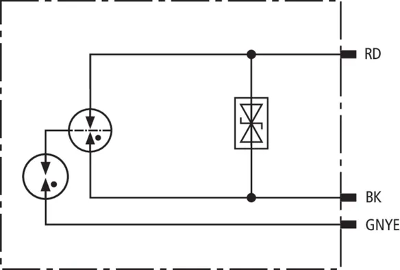
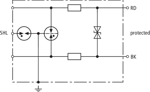
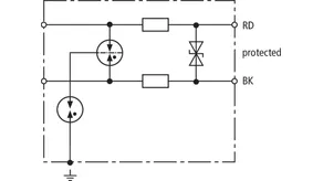
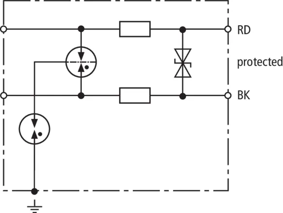
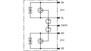
DPI CD EXI

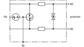
Ogranicznik przepięć z obwodem ochronnym o niskiej pojemności do ochrony iskrobezpiecznych obwodów pomiarowych i systemów magistralnych, spełnia wymagania FISCO. Wytrzymałość izolacji > 500 V linia-ziemia.

2 Produkty

Nr kat. 929961 DPI CD EXI 24 M

GTIN / EAN 4013364101784, Nr taryfy celnej (EU): 85363010, Waga brutto: 183.00 g, Jednostka opakowaniowa: 1.00 szt.


Rysunki

Informacje dodatkowe

Ogranicznik przepięć DEHNpipe CD EX (i) DPI CD EXI 24 M
Ogranicznik przepięć
o klasie SPD Typ 2 / P1
DEHNpipe, przetestowany zgodnie z
EN 61643-21, w V4A, IP 67,
w wykonaniu Ex (i),
do wkręcania w urządzeniach polowych
z 2-przewodową techniką pomiarową,
zabezpieczenie równoległe jednej
bezpotencjałowej
pary linii oraz iskrobezpiecznych
systemów magistralnych.
Największe napięcie trwałej pracy DC: 32 V
Prąd znamionowy: 0,55 A
C2 Całkowity znamionowy prąd wyładowczy (8/20 µs): 10 kA
Częstotliwość graniczna linia-linia: 67 MHz

Producent: DEHN
Typ: DPI CD EXI 24 M
Nr kat.: 929961
lub podobny.

Certyfikaty

 

Dane techniczne

Klasa SPD T
Największe napięcie trwałej pracy DC (UC ) 32 V
Prąd znamionowy (IL ) 0,55 A
D1 Piorunowy prąd udarowy (10/350 µs) linia-PG (Iimp ) 1 kA
C2 Całkowity znamionowy prąd wyładowczy (8/20 µs) (In ) 10 kA
Częstotliwość graniczna linia-linia (fG ) 67 MHz
Montaż (wejście / wyjście) gwint zewnętrzny M20 x 1,5
Certyfikaty ATEX, IECEx, CCC, CSA & USA Hazloc, SIL
*) Więcej informacji na www.dehn.pl

Produkt 929961 został dodany do notatnika.

Do koszyka dodano produkt 929961.

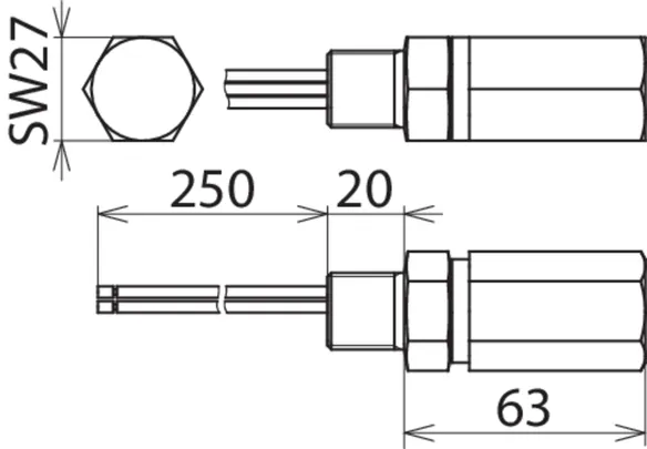
Nr kat. 929963 DPI CD EXI 24 N

GTIN / EAN 4013364101807, Nr taryfy celnej (EU): 85363010, Waga brutto: 196.00 g, Jednostka opakowaniowa: 1.00 szt.


Rysunki

Informacje dodatkowe

Ogranicznik przepięć DEHNpipe CD EX (i) DPI CD EXI 24 N
Ogranicznik przepięć
o klasie SPD Typ 2 / P1
DEHNpipe, przetestowany zgodnie z
EN 61643-21, w V4A, IP 67,
w wykonaniu Ex (i),
do wkręcania w urządzeniach polowych
z 2-przewodową techniką pomiarową,
zabezpieczenie równoległe jednej
bezpotencjałowej
pary linii oraz iskrobezpiecznych
systemów magistralnych.
Największe napięcie trwałej pracy DC: 32 V
Prąd znamionowy: 0,55 A
C2 Całkowity znamionowy prąd wyładowczy (8/20 µs): 10 kA
Częstotliwość graniczna linia-linia: 67 MHz

Producent: DEHN
Typ: DPI CD EXI 24 N
Nr kat.: 929963
lub podobny.

Certyfikaty

 

Dane techniczne

Klasa SPD T
Największe napięcie trwałej pracy DC (UC ) 32 V
Prąd znamionowy (IL ) 0,55 A
D1 Piorunowy prąd udarowy (10/350 µs) linia-PG (Iimp ) 1 kA
C2 Całkowity znamionowy prąd wyładowczy (8/20 µs) (In ) 10 kA
Częstotliwość graniczna linia-linia (fG ) 67 MHz
Montaż (wejście / wyjście) gwint zewnętrzny 1/2-14 NPT
Certyfikaty ATEX, IECEx, CCC, CSA & USA Hazloc, SIL
*) Więcej informacji na www.dehn.pl

Produkt 929963 został dodany do notatnika.

Do koszyka dodano produkt 929963.


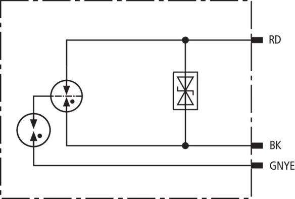
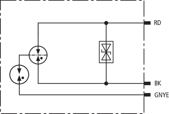
DPI CD EXD

Ogranicznik przepięć z obwodem ochronnym o niskiej pojemności w hermetycznej obudowie ciśnieniowej do stosowania w strefach zagrożonych wybuchem w celu ochrony obwodów pomiarowych i systemów magistralnych. Wytrzymałość izolacji > 500 V linia-ziemia. Certyfikat zgodności z normami CSA i USA Hazloc.

2 Produkty

Nr kat. 929962 DPI CD EXD 24 M

GTIN / EAN 4013364101791, Nr taryfy celnej (EU): 85363010, Waga brutto: 183.00 g, Jednostka opakowaniowa: 1.00 szt.


Rysunki

Informacje dodatkowe

Ogranicznik przepięć DEHNpipe CD Ex (d) DPI CD EXD 24 M
Ogranicznik przepięć
o klasie SPD Typ 2 / P1
DEHNpipe, przetestowany zgodnie z
EN 61643-21, w V4A, IP 67,
w wykonaniu Ex (d),
do wkręcania w urządzeniach polowych
z 2-przewodową techniką pomiarową,
zabezpieczenie równoległe jednej
bezpotencjałowej
pary linii oraz systemów magistralnych
w strefach zagrożenia wybuchem 1 lub 2
Największe napięcie trwałej pracy DC: 32 V
Prąd znamionowy: 0,55 A
C2 Całkowity znamionowy prąd wyładowczy (8/20 µs): 10 kA
Częstotliwość graniczna linia-linia: 67 MHz

Producent: DEHN
Typ: DPI CD EXD 24 M
Nr kat.: 929962
lub podobny.

Certyfikaty

 

Dane techniczne

Klasa SPD T
Największe napięcie trwałej pracy DC (UC ) 32 V
Prąd znamionowy (IL ) 0,55 A
D1 Piorunowy prąd udarowy (10/350 µs) linia-PG (Iimp ) 1 kA
C2 Całkowity znamionowy prąd wyładowczy (8/20 µs) (In ) 10 kA
Częstotliwość graniczna linia-linia (fG ) 67 MHz
Montaż (wejście / wyjście) gwint zewnętrzny M20 x 1,5
Certyfikaty ATEX, IECEx, CCC, CSA & USA Hazloc, SIL
*) Więcej informacji na www.dehn.pl

Produkt 929962 został dodany do notatnika.

Do koszyka dodano produkt 929962.

Nr kat. 929964 DPI CD EXD 24 N

GTIN / EAN 4013364101814, Nr taryfy celnej (EU): 85363010, Waga brutto: 183.00 g, Jednostka opakowaniowa: 1.00 szt.


Rysunki

Informacje dodatkowe

Ogranicznik przepięć DEHNpipe CD Ex (d) DPI CD EXD 24 N
Ogranicznik przepięć
o klasie SPD Typ 2 / P1
DEHNpipe, przetestowany zgodnie z
EN 61643-21, w V4A, IP 67,
w wykonaniu Ex (d),
do wkręcania w urządzeniach polowych
z 2-przewodową techniką pomiarową,
zabezpieczenie równoległe jednej
bezpotencjałowej
pary linii oraz systemów magistralnych
w strefach zagrożenia wybuchem 1 lub 2
Największe napięcie trwałej pracy DC: 32 V
Prąd znamionowy: 0,55 A
C2 Całkowity znamionowy prąd wyładowczy (8/20 µs): 10 kA
Częstotliwość graniczna linia-linia: 67 MHz

Producent: DEHN
Typ: DPI CD EXD 24 N
Nr kat.: 929964
lub podobny.

Certyfikaty

 

Dane techniczne

Klasa SPD T
Największe napięcie trwałej pracy DC (UC ) 32 V
Prąd znamionowy (IL ) 0,55 A
D1 Piorunowy prąd udarowy (10/350 µs) linia-PG (Iimp ) 1 kA
C2 Całkowity znamionowy prąd wyładowczy (8/20 µs) (In ) 10 kA
Częstotliwość graniczna linia-linia (fG ) 67 MHz
Montaż (wejście / wyjście) gwint zewnętrzny 1/2-14 NPT
Certyfikaty ATEX, IECEx, CCC, CSA & USA Hazloc, SIL
*) Więcej informacji na www.dehn.pl

Produkt 929964 został dodany do notatnika.

Do koszyka dodano produkt 929964.


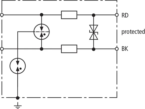
DPI CD HF EXD

Ogranicznik przepięć ze skoordynowanym energetycznie obwodem ochronnym o niskiej pojemności w hermetycznej obudowie ciśnieniowej do stosowania w strefach zagrożonych wybuchem do ochrony obwodów pomiarowych i systemów magistralnych.

1 Produkt

Nr kat. 929971 DPI CD HF EXD 5 M

GTIN / EAN 4013364120761, Nr taryfy celnej (EU): 85363010, Waga brutto: 285.60 g, Jednostka opakowaniowa: 1.00 szt.


Rysunki

Informacje dodatkowe

Ogranicznik przepięć DEHNpipe CD Ex (d) DPI CD HF EXD 5 M
Ogranicznik przepięć
o klasie SPD Typ 2 / P1
DEHNpipe, przetestowany zgodnie z
EN 61643-21, w V4A, IP 67,
w wykonaniu Ex (d),
do wkręcania w urządzeniach polowych
z 2-przewodową techniką pomiarową,
zabezpieczenie szeregowe jednej
bezpotencjałowej
pary linii oraz systemów magistralnych
w strefach zagrożenia wybuchem 1 lub 2
Największe napięcie trwałej pracy DC: 6 V
Prąd znamionowy przy 80°C: 0,1 A
C2 Całkowity znamionowy prąd wyładowczy (8/20 µs): 20 kA
Częstotliwość graniczna linia-linia: 100 MHz

Producent: DEHN
Typ: DPI CD HF EXD 5 M
Nr kat.: 929971
lub podobny.

Certyfikaty

 

Dane techniczne

Klasa SPD T
Największe napięcie trwałej pracy DC (UC ) 6 V
Prąd znamionowy przy 80°C (IL ) 0,1 A
C2 Całkowity znamionowy prąd wyładowczy (8/20 µs) (In ) 20 kA
Częstotliwość graniczna linia-linia (fG ) 100 MHz
Montaż (wejście / wyjście) gwint zewnętrzny M20 x 1,5
Certyfikaty ATEX, IECEx, CCC, CSA & USA Hazloc, SIL
*) Więcej informacji na www.dehn.pl

Produkt 929971 został dodany do notatnika.

Do koszyka dodano produkt 929971.


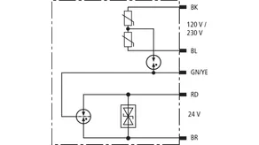
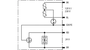
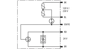
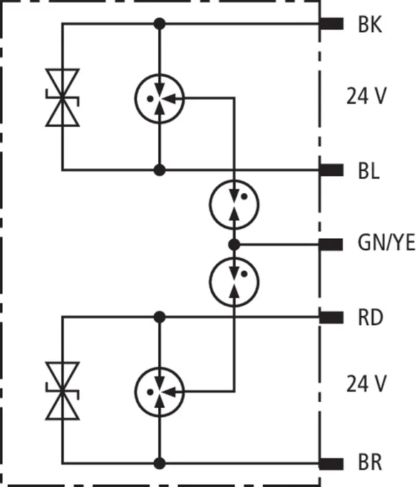
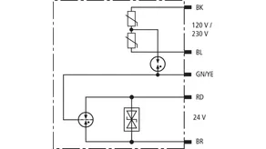
DPI CD EXD 230 24

Ogranicznik przepięć w kombinowanej konstrukcji dla strony energii i danych. Hermetyczna obudowa ciśnieniowa do użytku w strefach zagrożonych wybuchem 1 i 2, do ochrony zasilania sieciowego 120/230 V i interfejsu danych 24 V urządzeń polowych.
Dodatkowe bezpieczeństwo dzięki odpornemu na błędy układowi Y dla zasilania sieciowego 120/230 V.

Wersja II 2 G Ex d IIC T5/T6 umożliwia uniwersalne zastosowanie w strefach Ex 1 i 2. Certyfikat zgodności z normami CSA i USA Hazloc.

2 Produkty

Nr kat. 929969 DPI CD EXD 230 24 M

GTIN / EAN 4013364127418, Nr taryfy celnej (EU): 85363010, Waga brutto: 280.00 g, Jednostka opakowaniowa: 1.00 szt.


Rysunki

Informacje dodatkowe

Podwójny ogranicznik przepięć DEHNpipe CD Ex (d) DPI CD EXD 230 24 M
Podwójny ogranicznik przepięć
o klasie SPD typu 2 oraz typu 2 / P2
DEHNpipe, przetestowany zgodnie z
EN 61643-11 oraz -21, w V2A, IP 67,
w wykonaniu Ex (d),
do wkręcania w urządzeniach polowych
z przyłączem do zasilania i 2-przewodową techniką pomiarową,
Ochrona równoległa zasilania sieciowego 230 V
i interfejsu 0/4-20 mA
w strefach zagrożenia wybuchem 1 lub 2
Największe napięcie trwałej pracy DC: 32 V
Prąd znamionowy przy 80°C: 0,55 A
C2 Całkowity znamionowy prąd wyładowczy (8/20 µs): 10 kA

Producent: DEHN
Typ: DPI CD EXD 230 24 M
Nr kat.: 929969
lub podobny.

Certyfikaty

 

Dane techniczne

Ochrona strony sygnałowej
Klasa SPD U
Największe napięcie trwałej pracy DC (UC ) 32 V
Prąd znamionowy przy 80°C (IL ) 0,55 A
D1 Piorunowy prąd udarowy (10/350 µs) linia-PG (Iimp ) 1 kA
C2 Całkowity znamionowy prąd wyładowczy (8/20 µs) (In ) 10 kA
Montaż (wejście / wyjście) gwint zewnętrzny M20 x 1,5
Certyfikaty ATEX, IECEx, CCC, CSA & USA Hazloc, SIL
*) Więcej informacji na www.dehn.pl
Ochrona strony zasilania
Ogranicznik przepięć zgodnie z normą PN-EN 61643-11 typ 2 / klasa II
Największe napięcie trwałej pracy AC (UC ) 255 V
Całkowity znamionowy prąd wyładowczy (8/20 µs) L+N-PE (Itotal ) 5 kA
Napięciowy poziom ochrony L-N (UP ) ≤ 1,4 kV
Maksymalny bezpiecznik nadprądowy 16 A gG lub B 16 A

Produkt 929969 został dodany do notatnika.

Do koszyka dodano produkt 929969.

Nr kat. 929970 DPI CD EXD 230 24 N

GTIN / EAN 4013364127425, Nr taryfy celnej (EU): 85363010, Waga brutto: 273.00 g, Jednostka opakowaniowa: 1.00 szt.


Rysunki

Informacje dodatkowe

Podwójny ogranicznik przepięć DEHNpipe CD Ex (d) DPI CD EXD 230 24 N
Podwójny ogranicznik przepięć
o klasie SPD typu 2 oraz typu 2 / P2
DEHNpipe, przetestowany zgodnie z
EN 61643-11 oraz -21, w V2A, IP 67,
w wykonaniu Ex (d),
do wkręcania w urządzeniach polowych
z przyłączem do zasilania i 2-przewodową techniką pomiarową,
Ochrona równoległa zasilania sieciowego 230 V
i interfejsu 0/4-20 mA
w strefach zagrożenia wybuchem 1 lub 2
Największe napięcie trwałej pracy DC: 32 V
Prąd znamionowy przy 80°C: 0,55 A
C2 Całkowity znamionowy prąd wyładowczy (8/20 µs): 10 kA

Producent: DEHN
Typ: DPI CD EXD 230 24 N
Nr kat.: 929970
lub podobny.

Certyfikaty

 

Dane techniczne

Ochrona strony sygnałowej
Klasa SPD U
Największe napięcie trwałej pracy DC (UC ) 32 V
Prąd znamionowy przy 80°C (IL ) 0,55 A
D1 Piorunowy prąd udarowy (10/350 µs) linia-PG (Iimp ) 1 kA
C2 Całkowity znamionowy prąd wyładowczy (8/20 µs) (In ) 10 kA
Montaż (wejście / wyjście) gwint zewnętrzny 1/2-14 NPT
Certyfikaty ATEX, IECEx, CCC, CSA & USA Hazloc, SIL
*) Więcej informacji na www.dehn.pl
Ochrona strony zasilania
Ogranicznik przepięć zgodnie z normą PN-EN 61643-11 typ 2 / klasa II
Największe napięcie trwałej pracy AC (UC ) 255 V
Całkowity znamionowy prąd wyładowczy (8/20 µs) L+N-PE (Itotal ) 5 kA
Napięciowy poziom ochrony L-N (UP ) ≤ 1,4 kV
Maksymalny bezpiecznik nadprądowy 16 A gG lub B 16 A

Produkt 929970 został dodany do notatnika.

Do koszyka dodano produkt 929970.


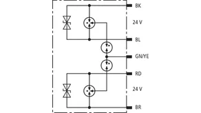
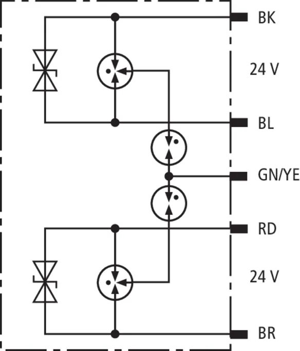
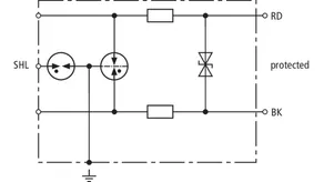
DPI CD EXI+D 2X24

Ogranicznik przepięć w hermetycznej obudowie ciśnieniowej do stosowania w strefach zagrożonych wybuchem do ochrony dwóch interfejsów 24 V.

2 Produkty

Nr kat. 929950 DPI CD EXI+D 2X24 M

GTIN / EAN 4013364137387, Nr taryfy celnej (EU): 85363010, Waga brutto: 247.00 g, Jednostka opakowaniowa: 1.00 szt.


Rysunki

Informacje dodatkowe

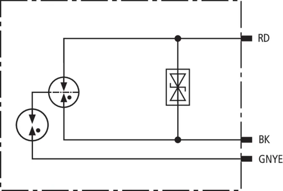
Ogranicznik przepięć DEHNpipe CD EX (i) + Ex (d) DPI CD EXI+D 2X24 M
Ogranicznik przepięć
o klasie SPD Typ 2 / P1
DEHNpipe, przetestowany zgodnie z
EN 61643-21, w V2A, IP 67,
w wersji do stref zagrożonych wybuchem Ex (i) + (d),
do ochrony dwóch
nieuziemionych obwodów sygnałowych
lub obwodu zasilania
urządzenia polowego i jednego
obwodu sygnałowego w strefach zagrożenia wybuchem 1 lub 2.
Największe napięcie trwałej pracy DC: 36 V
Prąd znamionowy: 0,55 A
C2 Całkowity znamionowy prąd wyładowczy (8/20 µs): 20 kA

Producent: DEHN
Typ: DPI CD EXI+D 2X24 M
Nr kat.: 929950
lub podobny.

Certyfikaty

 

Dane techniczne

Klasa SPD T
Największe napięcie trwałej pracy DC (UC ) 36 V
Prąd znamionowy (IL ) 0,55 A
D1 Piorunowy prąd udarowy (10/350 µs) linia-PG (Iimp ) 1,5 kA
C2 Całkowity znamionowy prąd wyładowczy (8/20 µs) (In ) 20 kA
Montaż (wejście / wyjście) gwint zewnętrzny M20 x 1,5
Certyfikaty ATEX, IECEx, CCC, CSA & USA Hazloc, SIL
*) Więcej informacji na www.dehn.pl

Produkt 929950 został dodany do notatnika.

Do koszyka dodano produkt 929950.

Nr kat. 929951 DPI CD EXI+D 2X24 N

GTIN / EAN 4013364137394, Nr taryfy celnej (EU): 85363010, Waga brutto: 247.00 g, Jednostka opakowaniowa: 1.00 szt.


Rysunki

Informacje dodatkowe

Ogranicznik przepięć DEHNpipe CD EX (i) + Ex (d) DPI CD EXI+D 2X24 N
Ogranicznik przepięć
o klasie SPD Typ 2 / P1
DEHNpipe, przetestowany zgodnie z
EN 61643-21, w V2A, IP 67,
w wersji do stref zagrożonych wybuchem Ex (i) + (d),
do wkręcania w urządzeniach polowych
do ochrony dwóch
nieuziemionych obwodów sygnałowych
lub obwodu zasilania
urządzenia polowego i jednego
obwodu sygnałowego w strefach zagrożenia wybuchem 1 lub 2.
Największe napięcie trwałej pracy DC: 36 V
Prąd znamionowy: 0,55 A
C2 Całkowity znamionowy prąd wyładowczy (8/20 µs): 20 kA

Producent: DEHN
Typ: DPI CD EXI+D 2X24 N
Nr kat.: 929951
lub podobny.

Certyfikaty

 

Dane techniczne

Klasa SPD T
Największe napięcie trwałej pracy DC (UC ) 36 V
Prąd znamionowy (IL ) 0,55 A
D1 Piorunowy prąd udarowy (10/350 µs) linia-PG (Iimp ) 1,5 kA
C2 Całkowity znamionowy prąd wyładowczy (8/20 µs) (In ) 20 kA
Montaż (wejście / wyjście) gwint zewnętrzny 1/2-14 NPT
Certyfikaty ATEX, IECEx, CCC, CSA & USA Hazloc, SIL
*) Więcej informacji na www.dehn.pl

Produkt 929951 został dodany do notatnika.

Do koszyka dodano produkt 929951.


Powrót na górę