Your dashboard services.
Register to access all tools.

Akcesoria do DEHNgate

Kabel uziemiający z oczkiem

Końcówka kablowa z czarnym, bardzo elastycznym miedzianym przewodem uziemiającym do uziemienia DEHNgate, nr art. 929 043, 929 044 lub 929 045.

1 Produkt

Nr kat. 929096 EL 16 B17

GTIN / EAN 4013364107212, Nr taryfy celnej (EU): 85444991, Waga brutto: 202.70 g, Jednostka opakowaniowa: 1.00 szt.


Rysunki

Informacje dodatkowe

Końcówka kablowa z przewodem uziemiającym do uziemiania DEHNgate EL 16 B17
Końcówka kablowa z oczkiem o średnicy
17 mm2 i czarnym,
bardzo elastycznym miedzianym przewodem
uziemiającym o długości 1 m,
do uziemiania DEHNgate.

Producent: DEHN
Typ: EL 16 B17
Nr kat.: 929096
lub podobny.

 

Dane techniczne

Kolor czarny ●
Długość 1000 mm

Produkt 929096 został dodany do notatnika.

Do koszyka dodano produkt 929096.


Szyna uziemiająca 4xF

Szyna uziemiająca z czterema gniazdami typu F, do wyrównywania potencjałów ekranów kablowych SAT lub ograniczników przepięć DGA GF TV.

1 Produkt

Nr kat. 929095 EB 4 F

GTIN / EAN 4013364113398, Nr taryfy celnej (EU): 85389099, Waga brutto: 90.00 g, Jednostka opakowaniowa: 1.00 szt.


Rysunki

Informacje dodatkowe

Szyna uziemiająca 4xF EB 4 F
Szyna uziemiająca 4-biegunowa z gniazdami typu F (wejście, wyjście),
do wyrównywania potencjałów do 4 ekranów kablowych SAT lub
ograniczników przepięć DGA GF TV.
Ekranowanie klasy A, 75 Ω.
Największe napięcie trwałej pracy DC: 65 V
D1 Piorunowy prąd udarowy (10/350 µs): 10 kA
Zakres częstotliwości: 0-2400 MHz

Producent: DEHN
Typ: EB 4 F
Nr kat.: 929095
lub podobny.

Certyfikaty

 

Dane techniczne

D1 Piorunowy prąd udarowy (10/350 µs) 10 kA
Kolor metal bez pokrycia

Produkt 929095 został dodany do notatnika.

Do koszyka dodano produkt 929095.


Płytka mocująca kątowa do ograniczników HF

Z 3 otworami montażowymi pasującymi do 3 różnych rozmiarów DEHNgate,
np. nr art. 1x 929 042 + 1x 929 057 + 1x (929 043, 929 044, 929 045 lub 929 059).

1 Produkt

Nr kat. 106329 BW90 B17 21 16 V2A

GTIN / EAN 4013364107182, Nr taryfy celnej (EU): 85389099, Waga brutto: 152.63 g, Jednostka opakowaniowa: 1.00 szt.


Rysunki

Informacje dodatkowe

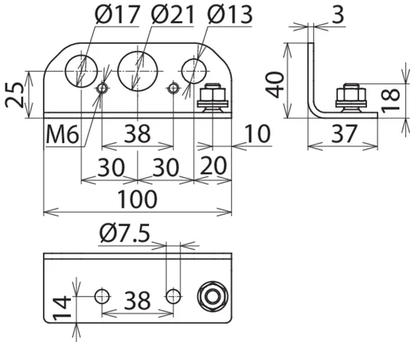
Płytka mocująca kątowa do DEHNgate
Płytka mocująca kątowa ze stali nierdzewnej, kąt 90°, z 3 otworami montażowymi pasującymi do 3 różnych rozmiarów
DEHNgate, np. nr art. 1x 929 042 + 1x 929 057 +
1x (929 043, 929 044, 929 045 lub 929 058).

Producent: DEHN
Typ: BW90 B17 21 16 V2A
Nr kat.: 106329
lub podobny.

 

Dane techniczne

Materiał stal nierdzewna

Produkt 106329 został dodany do notatnika.

Do koszyka dodano produkt 106329.


Płytka mocująca kątowa do DEHNgate

Nadaje się do montażu DEHNgate, nr art. 929 043 - 929 045. Otwór Ø16 mm z zabezpieczeniem przed obracaniem się

1 Produkt

Nr kat. 106314 BW90 B16 B5.1 6.5 11 V2A

GTIN / EAN 4013364136304, Nr taryfy celnej (EU): 85389099, Waga brutto: 100.00 g, Jednostka opakowaniowa: 1.00 szt.


Rysunki

Informacje dodatkowe

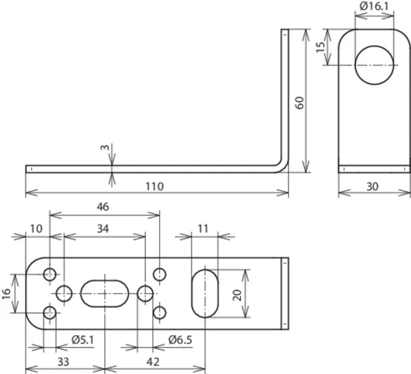
Płytka mocująca kątowa do montażu DEHNgate
Płytka mocująca kątowa ze stali nierdzewnej, kąt 90°, nadaje się do montażu DEHNgate,
nr art 929 043 - 929 045. Otwór 16 mm z zabezpieczeniem przed obracaniem się

Producent: DEHN
Typ: BW90 B16 B5.1 6.5 11 V2A
Nr kat.: 106314
lub podobny.

 

Dane techniczne

Materiał stal nierdzewna

Produkt 106314 został dodany do notatnika.

Do koszyka dodano produkt 106314.


Powrót na górę