Your dashboard services.
Register to access all tools.

DEHNpatch – ogranicznik przepięć do sieci sygnałowych i teleinformatycznych

  • kabel krosowy z ochroną przepięciową
  • kategoria 6 zgodnie z ISO/IEC 11801
  • kategoria 6A w kanale zgodnie z ANSI/TIA/EIA-568
  • zgodny ze standardem Power over Ethernet IEEE 802.3 (do wersji PoE++ / 4PPoE)
  • wersja IP66 do zastsosowań zewnętrznych
  • łatwy do stosowania jako doposażenie

Szczegóły

Zestaw montażowy do paneli krosowych 19" jako wyposażenie dodatkowe
lorem ipsum
Prosta konserwacja dzięki wyświetlaczowi i zdalnej sygnalizacji.
lorem ipsum
Wersja zewnętrzna ze stopniem ochrony IP66.
lorem ipsum
Wersja z kablem krosowym w pełni ekranowanym (długość 3 m).
lorem ipsum

DPA CLE IP66

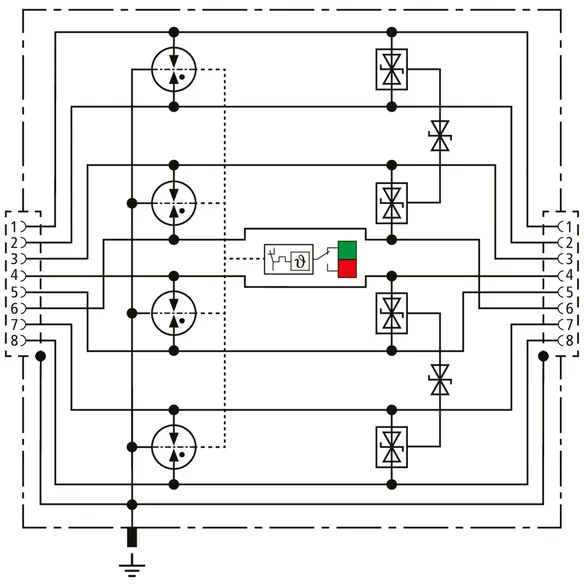
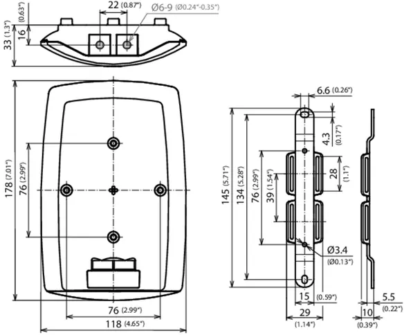
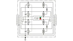
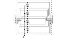
Uniwersalny ogranicznik do sieci typu Ethernet gigabitowy, Power over Ethernet (zgodnie z IEEE 802.3 aż do wersji PoE++ / 4PPoE) i podobnych zastosowań w systemach okablowania strukturalnego wewnątrz i na zewnątrz budynków w obudowie IP66 odpornej na działanie kurzu i wody pod ciśnieniem. Ochrona wszystkich par za pomocą wydajnych iskierników gazowych i jednej dostosowanej matrycy filtrów na parę. W pełni ekranowana konstrukcja z gniazdami RJ45. Uniwersalny uchwyt montażowy do montażu na maszcie i ścianie.
Akcesoria dodatkowe: taśma napinająca do montażu na maszcie.

1 Produkt

Nr kat. 929221 DPA CLE IP66

GTIN / EAN 4013364342866, Nr taryfy celnej (EU): 85363010, Waga brutto: 745.00 g, Jednostka opakowaniowa: 1.00 szt.


Rysunki

Informacje dodatkowe

Ogranicznik przepięć klasy E DEHNpatch DPA CLE IP66
Ogranicznik dla zastosowań Ethernetu Gb na zewnątrz,
Power over Ethernet (do PoE++ / 4PPoE) i podobne
zastosowania we w pełni ekranowanej obudowie IP66
Klasa SPD Typ 2 / P1
DEHNpatch CLE IP66, przetestowany według normy
EN 61643-21, do uniwersalnego
stosowania zgodnie z EN 50173
dla wszystkich usług transmisji danych do 60 V DC (PoE++/4PPoE)
do ochrony 4 par żył
interfejsów sieci danych
poprzez gniazda RJ 45, do użytku w
w pomieszczeniach i na zewnątrz

Producent: DEHN
Typ: DPA CLE IP66
Nr kat.: 929221
lub podobny.

Certyfikaty

 

Dane techniczne

Klasa SPD T
Największe napięcie trwałej pracy DC para-para (PoE) (Uc ) 60 V
Prąd znamionowy (IL ) 1 A
D1 Piorunowy prąd udarowy (10/350 µs) na linię (Iimp ) 0,8 kA
D1 Całkowity piorunowy prąd udarowy (10/350 µs) (Iimp ) 4 kA
C2 Całkowity znamionowy prąd wyładowczy (8/20 µs) (In ) 10 kA
Częstotliwość graniczna (fG ) 250 MHz
Stopień ochrony (z podłączonymi przewodami) IP 66
Przyłączenie (wejście / wyjście) gniazdo RJ45 / gniazdo RJ45
Certyfikaty UL 497B, CSA

Produkt 929221 został dodany do notatnika.

Do koszyka dodano produkt 929221.


DPA M CAT6

Uniwersalny ogranicznik do Ethernetu przemysłowego, sieci Power over Ethernet (zgodnie z IEEE 802.3 aż do wersji PoE++ / 4PPoE) i podobnych zastosowań w systemach okablowania strukturalnego zgodnie z kategorią 6 i klasą EA do 500 MHz. W pełni ekranowane wykonanie z kablem krosowym do montażu na szynie (do Ethernetu 10 Gb).

1 Produkt

Nr kat. 929100 DPA M CAT6 RJ45S 48

GTIN / EAN 4013364102170, Nr taryfy celnej (EU): 85363010, Waga brutto: 244.00 g, Jednostka opakowaniowa: 1.00 szt.

Wcześniejszy produkt

Rysunki

Informacje dodatkowe

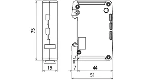
Ogranicznik przepięć z kablem krosowym DEHNpatch DPA M CAT 6 RJ45S 48
Ogranicznik przepięć z kablem krosowym
kategorii 6 w pełni ekranowany
o klasie SPD Typ 2 / P1
DEHNpatch M, przetestowany zgodnie z
EN 61643-21 i ISO/IEC 11801
do uniwersalnego stosowania zgodnie z EN 50173
dla wszystkich usług transmisji danych do 57 V DC
do ochrony 4 par żył
interfejsów sieci danych
poprzez wtyczkę RJ 45, do rozdzielnic
lub montażu pojedynczego, całkowita
długość kabla 3 m, szerokość 19 mm.

Producent: DEHN
Typ: DPA M CAT6 RJ45S 48
Nr kat.: 929100
lub podobny.

Certyfikaty

 

Dane techniczne

Klasa SPD T
Największe napięcie trwałej pracy DC (Uc ) 48 V
Największe napięcie trwałej pracy DC para-para (PoE) (Uc ) 57 V
Prąd znamionowy (IL ) 1 A
D1 Piorunowy prąd udarowy (10/350 µs) na linię (Iimp ) 1 kA
C2 Całkowity znamionowy prąd wyładowczy (8/20 µs) (In ) 10 kA
Częstotliwość graniczna (fG ) 250 MHz
Przyłączenie (wejście / wyjście) przewód przyłączeniowy RJ45 / przewód przyłączeniowy RJ45

Produkt 929100 został dodany do notatnika.

Do koszyka dodano produkt 929100.


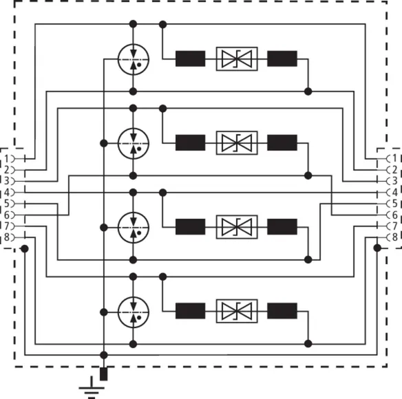
DEHNpatch klasa EA

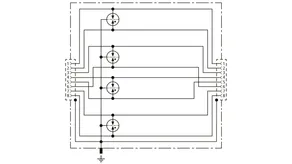
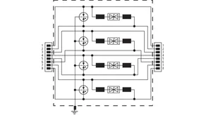
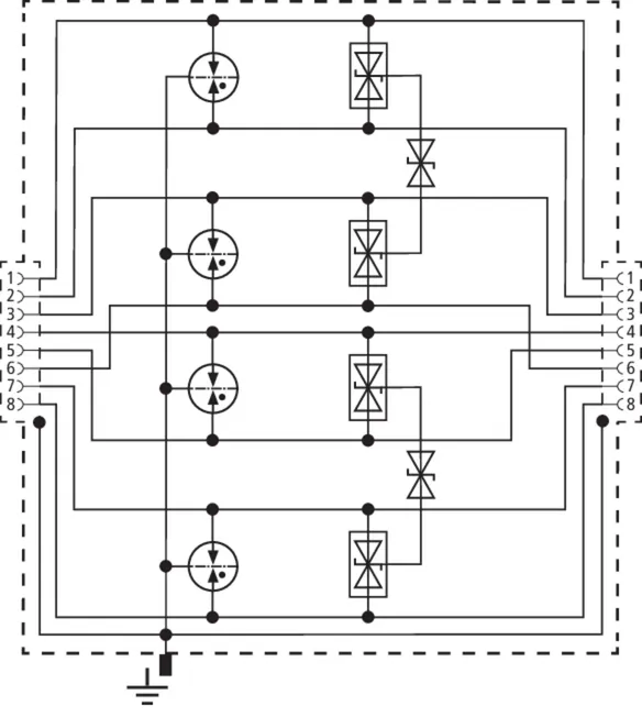
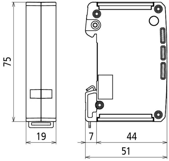
Uniwersalny ogranicznik kombinowany o kompaktowej budowie o szerokości 19 mm i złączem RJ45 ze wskaźnikiem stanu, który ułatwia konserwację. Ochrona zastosowań w systemach okablowania strukturalnego zgodnie z klasą EA do 500 MHz; np. Ethernet przemysłowy, szafy serwerowe, systemy cyfrowej telewizji przemysłowej, Power over Ethernet (zgodnie z IEEE 802.3 do wersji 4PPoE) i ogólnie interfejsy oparte na sieci Ethernet. Ochrona wszystkich par za pomocą wydajnych iskierników gazowych i diod ochronnych między rdzeniami sygnałowymi i parami. W pełni ekranowana konstrukcja adaptera z gniazdami RJ45 do montażu na szynie DIN. Z dodatkowym złączem śrubowym na obudowie do opcjonalnego podłączenia uziemienia.

1 Produkt

Nr kat. 929161 DPA CL8 EA 4PPOE

GTIN / EAN 4013364472921, Nr taryfy celnej (EU): 85363010, Waga brutto: 188.70 g, Jednostka opakowaniowa: 1.00 szt.


Rysunki

Informacje dodatkowe

Ogranicznik przepięć DEHNpatch CL8 EA 4PPOE
kompaktowy kombinowany ogranicznik przepięć
Klasa transmisji EA zgodnie z ISO/IEC 11801
do ochrony interfejsów danych przed
prądami piorunowymi i przepięciami w
zastosowaniach Ethernet do 10 Gb oraz
Power over Ethernet (do 4PPoE)
Do ochrony 4 par żył poprzez wtyczki RH45
W pełni ekranowane wykonanie
Przetestowany zgodnie z EN/IEC 61643-21
Klasa SPD typ 1/P2
Kategoria udaru: D1, C1, C2, C3, B2
wbudowany wskaźnik stanu,
monitorowanie przez oddzielną jednostkę z zestykiem zdalnej sygnalizacji
kompaktowy, szerokość 19 mm
Uziemienie przez szynę 35 mm lub
poprzez przyłączenie śrubowe po stronie obudowy
Największe napięcie trwałej pracy: 3,3 V DC
Prąd znamionowy przy 70°C: 1,5 A
Częstotliwość graniczna: 500 MHz
C2 Znamionowy prąd wyładowczy na linię (8/20): 2,5 kA
C2 Całkowity znamionowy prąd wyładowczy (8/20): 10 kA
D1 Piorunowy prąd udarowy (10/350 µs) na linię: 0,5 kA
D1 Całkowity piorunowy prąd udarowy (10/350 µs): 4 kA
Podłączenie: gniazda RJ45

Producent: DEHN
Typ: DPA CL8 EA 4PPOE
Nr kat.: 929161
lub podobny.

Certyfikaty

 

Dane techniczne

Klasa SPD L
Największe napięcie trwałej pracy DC (Uc ) 3,3 V
Największe napięcie trwałej pracy DC para-para (PoE) (Uc ) 58 V
Prąd znamionowy (IL ) 1,5 A
D1 Piorunowy prąd udarowy (10/350 µs) na linię (Iimp ) 0,5 kA
C2 Całkowity znamionowy prąd wyładowczy (8/20 µs) (In ) 10 kA
Częstotliwość graniczna (fG ) 500 MHz
Przyłączenie (wejście / wyjście) gniazdo RJ45 / gniazdo RJ45
Certyfikaty GHMT, UL 497B

Produkt 929161 został dodany do notatnika.

Do koszyka dodano produkt 929161.


DEHNpatch klasa E (nowy)

Uniwersalny ogranicznik do sieci typu Ethernet przemysłowy, Power over Ethernet (zgodnie z IEEE 802.3 aż do wersji PoE++ / 4PPoE) i podobnych zastosowań w systemach okablowania strukturalnego zgodnie z klasą E do 250 MHz. Ochrona wszystkich par za pomocą wydajnych iskierników gazowych i jednej dostosowanej matrycy filtrów na parę. W pełni ekranowana konstrukcja z gniazdami do montażu na szynie DIN (sieć Ethernet o prędkości transmisji do 1 Gbit).

1 Produkt

Nr kat. 929121 DPA M CLE RJ45B 48

GTIN / EAN 4013364118935, Nr taryfy celnej (EU): 85363010, Waga brutto: 122.00 g, Jednostka opakowaniowa: 1.00 szt.

Wcześniejszy produkt

Rysunki

Informacje dodatkowe

Ogranicznik przepięć klasy E DEHNpatch DPA M CLE RJ45B 48
Ogranicznik przepięć klasy E
w pełni ekranowany
o klasie SPD Typ 2 / P1
DEHNpatch M, przetestowany zgodnie z
EN 61643-21, do uniwersalnego
stosowania zgodnie z EN 50173
dla wszystkich usług transmisji danych do 57 V DC
do ochrony 4 par żył
interfejsów sieci danych
poprzez gniazda RJ 45, do użytku w rozdzielnicach
lub montażu pojedynczego,
kompaktowy, szerokość 19 mm.

Producent: DEHN
Typ: DPA M CLE RJ45B 48
Nr kat.: 929121
lub podobny.

Certyfikaty

 

Dane techniczne

Klasa SPD T
Największe napięcie trwałej pracy DC (Uc ) 48 V
Największe napięcie trwałej pracy DC para-para (PoE) (Uc ) 57 V
Prąd znamionowy (IL ) 1 A
D1 Piorunowy prąd udarowy (10/350 µs) na linię (Iimp ) 0,5 kA
C2 Całkowity znamionowy prąd wyładowczy (8/20 µs) (In ) 10 kA
Częstotliwość graniczna (fG ) 250 MHz
Przyłączenie (wejście / wyjście) gniazdo RJ45 / gniazdo RJ45
Certyfikaty CSA, UL 497B

Produkt 929121 został dodany do notatnika.

Do koszyka dodano produkt 929121.


DEHNpatch klasa D (nowy)

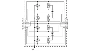
Uniwersalny ogranicznik o kompaktowej budowie o szerokości 19 mm i złączem RJ45 do piorunowego wyrównania potencjałów. Ochrona zastosowań w systemach okablowania strukturalnego zgodnie z klasą D do 100 MHz; np. Ethernet przemysłowy, szafy serwerowe, systemy cyfrowej telewizji przemysłowej, Power over Ethernet (zgodnie z IEEE 802.3 do wersji 4PPoE) i ogólnie interfejsy oparte na sieci Ethernet. Ochrona wszystkich par za pomocą wydajnych iskierników gazowych. W pełni ekranowana konstrukcja adaptera z gniazdami RJ45 do montażu na szynie DIN. Z dodatkowym złączem śrubowym na obudowie do opcjonalnego podłączenia uziemienia.

1 Produkt

Nr kat. 929166 DPA C8 D 4PPOE

GTIN / EAN 4013364472914, Nr taryfy celnej (EU): 85363010, Waga brutto: 178.25 g, Jednostka opakowaniowa: 1.00 szt.


Rysunki

Informacje dodatkowe

Ogranicznik przepięć DEHNpatch C8 D 4PPOE
kompaktowy kombinowany ogranicznik przepięć
Klasa transmisji D zgodnie z ISO/IEC 11801
do ochrony interfejsów danych przed
prądami piorunowymi w zastosowaniach Ethernet
do 1 Gb oraz Power over Ethernet (do 4PPoE)
Do ochrony 4 par żył poprzez wtyczki RH45
W pełni ekranowane wykonanie
Przetestowany zgodnie z EN/IEC 61643-21
Klasa SPD Typ 1
Kategoria udaru: D1, C2, C3
kompaktowy, szerokość 19 mm
Uziemienie przez szynę 35 mm lub
poprzez przyłączenie śrubowe po stronie obudowy
Największe napięcie trwałej pracy: 3,3 V DC
Prąd znamionowy przy 70°C: 1,5 A
Częstotliwość graniczna: 100 MHz
C2 Znamionowy prąd wyładowczy na linię (8/20): 2,5 kA
C2 Całkowity znamionowy prąd wyładowczy (8/20): 10 kA
D1 Piorunowy prąd udarowy (10/350 µs) na linię: 0,5 kA
D1 Całkowity piorunowy prąd udarowy (10/350 µs): 4 kA
Podłączenie: gniazda RJ45

Producent: DEHN
Typ: DPA C8 D 4PPOE
Nr kat.: 929166
lub podobny.

Certyfikaty

 

Dane techniczne

Klasa SPD A
Największe napięcie trwałej pracy DC (Uc ) 3,3 V
Największe napięcie trwałej pracy DC para-para (PoE) (Uc ) 58 V
Prąd znamionowy (IL ) 1,5 A
D1 Piorunowy prąd udarowy (10/350 µs) na linię (Iimp ) 0,5 kA
C2 Całkowity znamionowy prąd wyładowczy (8/20 µs) (In ) 10 kA
Częstotliwość graniczna (fG ) 100 MHz
Przyłączenie (wejście / wyjście) gniazdo RJ45 / gniazdo RJ45
Certyfikaty UL 497B

Produkt 929166 został dodany do notatnika.

Do koszyka dodano produkt 929166.


DEHNpatch klasa D

Uniwersalny ogranicznik do sieci typu Ethernet przemysłowy, Power over Ethernet (zgodnie z IEEE 802.3 aż do wersji PoE++ / 4PPoE) i podobnych zastosowań w systemach okablowania strukturalnego zgodnie z klasą D do 100 MHz. Ochrona wszystkich par za pomocą wydajnych iskierników gazowych. Wykonanie w postaci adaptera z gniazdami do montażu na szynie DIN.

1 Produkt

Nr kat. 929126 DPA M CLD RJ45B 48

GTIN / EAN 4013364242258, Nr taryfy celnej (EU): 85363010, Waga brutto: 102.00 g, Jednostka opakowaniowa: 1.00 szt.


Rysunki

Informacje dodatkowe

Ogranicznik przepięć klasy D DEHNpatch DPA M CLD RJ45B 48
Ogranicznik przepięć klasy D
o klasie SPD Typ 2 / P1
DEHNpatch M, przetestowany zgodnie z
EN 61643-21, do uniwersalnego
stosowania zgodnie z EN 50173
dla wszystkich usług transmisji danych do 57 V DC
do ochrony 4 par żył
interfejsów sieci danych
poprzez gniazda RJ 45, do użytku w rozdzielnicach
lub montażu pojedynczego,
kompaktowy, szerokość 19 mm.

Producent: DEHN
Typ: DPA M CLD RJ45B 48
Nr kat.: 929126
lub podobny.

Certyfikaty

 

Dane techniczne

Klasa SPD U
Największe napięcie trwałej pracy DC (Uc ) 48 V
Największe napięcie trwałej pracy DC para-para (PoE) (Uc ) 57 V
Prąd znamionowy (IL ) 1 A
D1 Piorunowy prąd udarowy (10/350 µs) na linię (Iimp ) 0,5 kA
C2 Całkowity znamionowy prąd wyładowczy (8/20 µs) (In ) 10 kA
Częstotliwość graniczna (fG ) 100 MHz
Przyłączenie (wejście / wyjście) gniazdo RJ45 / gniazdo RJ45
Certyfikaty UL 497B

Produkt 929126 został dodany do notatnika.

Do koszyka dodano produkt 929126.


Powrót na górę