Your dashboard services.
Register to access all tools.

DEHNrapid LSA

  • ochrona od 1 do 10 par łączówek LSA serii 2/10
  • zaciski rozłączne LSA wbudowane w ograniczniki przepięć zapewniają ochronę podczas testowania, rozłączania i rozgałęziania
  • modułowy system ograniczników przepięć różnych typów, który można połączyć w jeden ogranicznik kombinowany

Szczegóły

Modułowa konstrukcja składająca się z magazynku z iskiernikami gazowymi, ramki uziemiającej i modułów ochronnych dopasowanych do danego zastosowania.
lorem ipsum
Kombinowany ogranicznik przepięć do łączówek LSA.
lorem ipsum
Moduły ochronne dopasowane do danego zastosowania do ochrony urządzeń końcowych.
lorem ipsum
Wytrzymały na prąd piorunowy magazynek z iskiernikami gazowymi opcjonalnie wyposażonymi w optyczną sygnalizację uszkodzenia i funkcję bezpiecznego uszkodzenia.
lorem ipsum
Wtykowe ograniczniki przepięć w formie magazynków ochronnych mogą być wpinane do łączówki lub listwy rozłącznej.
lorem ipsum

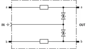
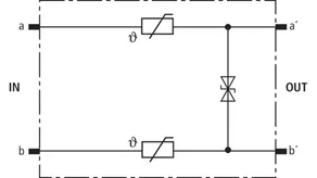
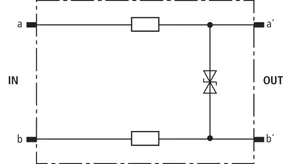
DRL 10 B

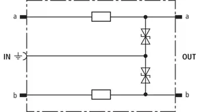
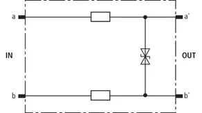
Ogranicznik przepięć DRL 10 B (w magazynku DRL) z trójbiegunowymi iskiernikami gazowymi, wytrzymały na prąd piorunowy, dla 10 par dowolnego zastosowania z możliwością dołączenia ochrony "drugiego stopnia” w postaci wtyków ochronnych.
Wbudowane zaciski rozłączne pozwalają na testowanie, pomiary i rozgałęzianie przy włączonej ochronie.

1 Produkt

Nr kat. 907400 DRL 10 B 180

GTIN / EAN 4013364107557, Nr taryfy celnej (EU): 85363010, Waga brutto: 69.90 g, Jednostka opakowaniowa: 1.00 szt.

Wcześniejszy produkt

Rysunki

Informacje dodatkowe

Wytrzymały na obciążenie prądem piorunowym magazynek na ograniczniki DRL 10 B 180
Magazynek na ograniczniki przepięć
o klasie SPD typu 1 DEHNrapid LSA
na listwy rozłączne LSA na 10 podwójnych żył, wyposażony w komplet
10 sztuk GDT 230 B3, przetestowany
zgodnie z EN 61643-21, z możliwością dołączenia
wtyków ochronnych DRL do kombinowanych
ograniczników przepięć. Wbudowane zaciski rozłączne
pozwalają na testowanie, pomiary i rozgałęzianie
przy włączonej ochronie.
Największe napięcie trwałej pracy DC: 180 V
Prąd znamionowy: 0,4 A

Producent: DEHN
Typ: DRL 10 B 180
Nr kat.: 907400
lub podobny.

Certyfikaty

 

Dane techniczne

Klasa SPD G
Największe napięcie trwałej pracy DC (UC ) 180 V
Prąd znamionowy (IL ) 0,4 A
D1 Całkowity piorunowy prąd udarowy (10/350 µs) (Iimp ) 5 kA
C2 Całkowity znamionowy prąd wyładowczy (8/20 µs) (In ) 10 kA
Impedancja szeregowa na linię ≤ 0,005 Ω
Montaż w listwa rozłączna LSA 2/10

Produkt 907400 został dodany do notatnika.

Do koszyka dodano produkt 907400.


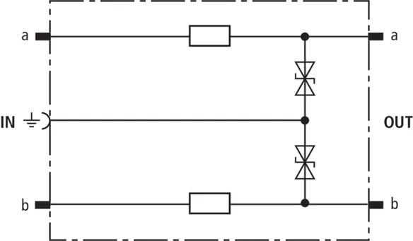
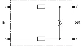
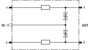
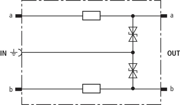
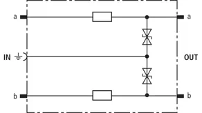
DRL 10 B FSD

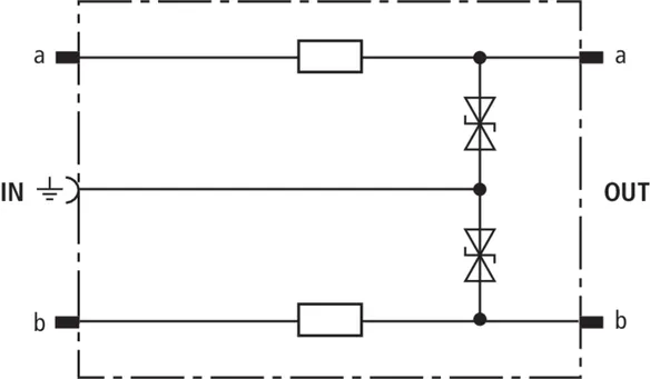
Ogranicznik przepięć DRL 10 B (w magazynku DRL) wytrzymały na prąd piorunowy, dla 10 par dowolnego zastosowania z możliwością dołączenia ochrony "drugiego stopnia” w postaci wtyków ochronnych. Wbudowane zaciski rozłączne pozwalają na testowanie, pomiary i rozgałęzianie przy włączonej ochronie. Trójbiegunowe Iskierniki gazowe posiadają funkcję bezpiecznego uszkodzenia z optycznym wskaźnikiem uszkodzenia.

1 Produkt

Nr kat. 907401 DRL 10 B 180 FSD

GTIN / EAN 4013364107564, Nr taryfy celnej (EU): 85363010, Waga brutto: 74.30 g, Jednostka opakowaniowa: 1.00 szt.


Rysunki

Informacje dodatkowe

Wytrzymały na obciążenie prądem piorunowym magazynek na ograniczniki DRL 10 B 180 FSD
Magazynek na ograniczniki przepięć
Klasa SPD Typ 1 DEHNrapid LSA
na listwy rozłączne LSA na 10 podwójnych żył, wyposażony w komplet
10 sztuk GDT 230 B3 FSD,
przetestowany zgodnie z EN 61643-21, z możliwością dołączenia
wtyków ochronnych DRL do kombinowanych
ograniczników przepięć. Wbudowane zaciski rozłączne
pozwalają na testowanie, pomiary i rozgałęzianie
przy włączonej ochronie. Ogranicznik przepięć z
funkcją fail-safe i optycznym
wskaźnikiem uszkodzenia.
Największe napięcie trwałej pracy DC: 180 V
Prąd znamionowy: 0,4 A

Producent: DEHN
Typ: DRL 10 B 180 FSD
Nr kat.: 907401
lub podobny.

Certyfikaty

 

Dane techniczne

Klasa SPD G
Wskaźnik uszkodzenia optyczny - zmiana koloru
Największe napięcie trwałej pracy DC (UC ) 180 V
Prąd znamionowy (IL ) 0,4 A
D1 Całkowity piorunowy prąd udarowy (10/350 µs) (Iimp ) 5 kA
C2 Całkowity znamionowy prąd wyładowczy (8/20 µs) (In ) 10 kA
Impedancja szeregowa na linię ≤ 0,005 Ω
Montaż w listwa rozłączna LSA 2/10

Produkt 907401 został dodany do notatnika.

Do koszyka dodano produkt 907401.


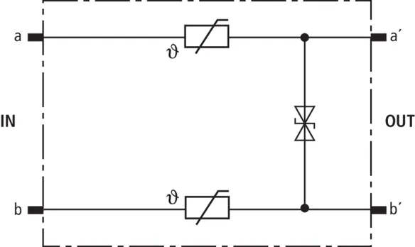
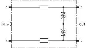
DRL RE

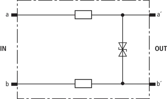
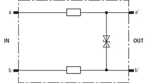
Wtyk ochronny dla 1 pary energetycznie skoordynowany z DRL 10 B jako pierwszym stopniem ochrony urządzeń końcowych z impendancjami odsprzęgającymi. Szczególnie odpowiedni do obwodów niesymetrycznych ze wspólnym potencjałem odniesienia. Uziemienie przez ramkę EF 10 DRL. Tylko do listew rozłącznych lub magazynków DRL.

5 Produkty

Nr kat. 907421 DRL RE 12

GTIN / EAN 4013364107618, Nr taryfy celnej (EU): 85363010, Waga brutto: 5.40 g, Jednostka opakowaniowa: 10.00 szt.

Wcześniejszy produkt

Rysunki

Informacje dodatkowe

Wtyk ochronny z ochroną przepięciową 1 pary DRL RE 12
Wtyk ochronny z ochroną przepięciową,
o klasie SPD typu 3 / P1
DEHNrapid LSA, przetestowany zgodnie z
EN 61643-21 i skoordynowany
energetycznie według normy IEC 61643-22
z magazynkiem na ograniczniki DRL typu 1,
do ochrony 2 pojedynczych linii.
Do podłączenia z ramą uziemiającą
do listew rozłącznych LSA
Serii 2/10 lub bezpośrednio do
magazynka na ograniczniki DRL jako
rozszerzenie do kombinowanego ogranicznika przepięć.
Największe napięcie trwałej pracy DC: 14 V
Prąd znamionowy: 0,4 A

Producent: DEHN
Typ: DRL RE 12
Nr kat.: 907421
lub podobny.

Certyfikaty

 

Dane techniczne

Klasa SPD O
Największe napięcie trwałej pracy DC (UC ) 14 V
Prąd znamionowy (IL ) 0,4 A
D1 Całkowity piorunowy prąd udarowy (10/350 µs) przy podłączonym DRL 10 B... (Iimp ) 5 kA
C2 Całkowity znamionowy prąd wyładowczy (8/20 µs) przy podłączonym DRL 10 B... (In ) 10 kA
Impedancja szeregowa na linię 4,7 Ω
Częstotliwość graniczna linia-PG (fG ) 2,7 MHz
Montaż w listwa rozłączna LSA 2/10 lub magazynek na ograniczniki DRL 10 B ...

Produkt 907421 został dodany do notatnika.

Do koszyka dodano produkt 907421.

Nr kat. 907422 DRL RE 24

GTIN / EAN 4013364107625, Nr taryfy celnej (EU): 85363010, Waga brutto: 5.40 g, Jednostka opakowaniowa: 10.00 szt.

Wcześniejszy produkt

Rysunki

Informacje dodatkowe

Wtyk ochronny z ochroną przepięciową 1 pary DRL RE 24
Wtyk ochronny z ochroną przepięciową,
o klasie SPD typu 3 / P1
DEHNrapid LSA, przetestowany zgodnie z
EN 61643-21 i skoordynowany
energetycznie według normy IEC 61643-22
z magazynkiem na ograniczniki DRL typu 1,
do ochrony 2 pojedynczych linii.
Do podłączenia z ramą uziemiającą
do listew rozłącznych LSA
Serii 2/10 lub bezpośrednio do
magazynka na ograniczniki DRL jako
rozszerzenie do kombinowanego ogranicznika przepięć.
Największe napięcie trwałej pracy DC: 28 V
Prąd znamionowy: 0,4 A

Producent: DEHN
Typ: DRL RE 24
Nr kat.: 907422
lub podobny.

Certyfikaty

 

Dane techniczne

Klasa SPD O
Największe napięcie trwałej pracy DC (UC ) 28 V
Prąd znamionowy (IL ) 0,4 A
D1 Całkowity piorunowy prąd udarowy (10/350 µs) przy podłączonym DRL 10 B... (Iimp ) 5 kA
C2 Całkowity znamionowy prąd wyładowczy (8/20 µs) przy podłączonym DRL 10 B... (In ) 10 kA
Impedancja szeregowa na linię 4,7 Ω
Częstotliwość graniczna linia-PG (fG ) 4,5 MHz
Montaż w listwa rozłączna LSA 2/10 lub magazynek na ograniczniki DRL 10 B ...

Produkt 907422 został dodany do notatnika.

Do koszyka dodano produkt 907422.

Nr kat. 907423 DRL RE 48

GTIN / EAN 4013364107632, Nr taryfy celnej (EU): 85363010, Waga brutto: 5.40 g, Jednostka opakowaniowa: 10.00 szt.

Wcześniejszy produkt

Rysunki

Informacje dodatkowe

Wtyk ochronny z ochroną przepięciową 1 pary DRL RE 48
Wtyk ochronny z ochroną przepięciową,
o klasie SPD typu 3 / P1
DEHNrapid LSA, przetestowany zgodnie z
EN 61643-21 i skoordynowany
energetycznie według normy IEC 61643-22
z magazynkiem na ograniczniki DRL typu 1,
do ochrony 2 pojedynczych linii.
Do podłączenia z ramą uziemiającą
do listew rozłącznych LSA
Serii 2/10 lub bezpośrednio do
magazynka na ograniczniki DRL jako
rozszerzenie do kombinowanego ogranicznika przepięć.
Największe napięcie trwałej pracy DC: 54 V
Prąd znamionowy: 0,4 A

Producent: DEHN
Typ: DRL RE 48
Nr kat.: 907423
lub podobny.

Certyfikaty

 

Dane techniczne

Klasa SPD O
Największe napięcie trwałej pracy DC (UC ) 54 V
Prąd znamionowy (IL ) 0,4 A
D1 Całkowity piorunowy prąd udarowy (10/350 µs) przy podłączonym DRL 10 B... (Iimp ) 5 kA
C2 Całkowity znamionowy prąd wyładowczy (8/20 µs) przy podłączonym DRL 10 B... (In ) 10 kA
Impedancja szeregowa na linię 6,8 Ω
Częstotliwość graniczna linia-PG (fG ) 7,35 MHz
Montaż w listwa rozłączna LSA 2/10 lub magazynek na ograniczniki DRL 10 B ...

Produkt 907423 został dodany do notatnika.

Do koszyka dodano produkt 907423.

Nr kat. 907424 DRL RE 60

GTIN / EAN 4013364107649, Nr taryfy celnej (EU): 85363010, Waga brutto: 5.40 g, Jednostka opakowaniowa: 10.00 szt.

Wcześniejszy produkt

Rysunki

Informacje dodatkowe

Wtyk ochronny z ochroną przepięciową 1 pary DRL RE 60
Wtyk ochronny z ochroną przepięciową,
o klasie SPD typu 3 / P1
DEHNrapid LSA, przetestowany zgodnie z
EN 61643-21 i skoordynowany
energetycznie według normy IEC 61643-22
z magazynkiem na ograniczniki DRL typu 1,
do ochrony 2 pojedynczych linii.
Do podłączenia z ramą uziemiającą
do listew rozłącznych LSA
Serii 2/10 lub bezpośrednio do
magazynka na ograniczniki DRL jako
rozszerzenie do kombinowanego ogranicznika przepięć.
Największe napięcie trwałej pracy DC: 70 V
Prąd znamionowy: 0,4 A

Producent: DEHN
Typ: DRL RE 60
Nr kat.: 907424
lub podobny.

Certyfikaty

 

Dane techniczne

Klasa SPD O
Największe napięcie trwałej pracy DC (UC ) 70 V
Prąd znamionowy (IL ) 0,4 A
D1 Całkowity piorunowy prąd udarowy (10/350 µs) przy podłączonym DRL 10 B... (Iimp ) 5 kA
C2 Całkowity znamionowy prąd wyładowczy (8/20 µs) przy podłączonym DRL 10 B... (In ) 10 kA
Impedancja szeregowa na linię 6,8 Ω
Częstotliwość graniczna linia-PG (fG ) 10,5 MHz
Montaż w listwa rozłączna LSA 2/10 lub magazynek na ograniczniki DRL 10 B ...

Produkt 907424 został dodany do notatnika.

Do koszyka dodano produkt 907424.

Nr kat. 907425 DRL RE 180

GTIN / EAN 4013364107656, Nr taryfy celnej (EU): 85363010, Waga brutto: 5.40 g, Jednostka opakowaniowa: 10.00 szt.

Wcześniejszy produkt

Rysunki

Informacje dodatkowe

Wtyk ochronny z ochroną przepięciową 1 pary DRL RE 180
Wtyk ochronny z ochroną przepięciową,
o klasie SPD typu 3 / P1
DEHNrapid LSA, przetestowany zgodnie z
EN 61643-21 i skoordynowany
energetycznie według normy IEC 61643-22
z magazynkiem na ograniczniki DRL typu 1,
do ochrony 2 pojedynczych linii.
Do podłączenia z ramą uziemiającą
do listew rozłącznych LSA
Serii 2/10 lub bezpośrednio do
magazynka na ograniczniki DRL jako
rozszerzenie do kombinowanego ogranicznika przepięć.
Największe napięcie trwałej pracy DC: 180 V
Prąd znamionowy: 0,1 A

Producent: DEHN
Typ: DRL RE 180
Nr kat.: 907425
lub podobny.

Certyfikaty

 

Dane techniczne

Klasa SPD O
Największe napięcie trwałej pracy DC (UC ) 180 V
Prąd znamionowy (IL ) 0,1 A
D1 Całkowity piorunowy prąd udarowy (10/350 µs) przy podłączonym DRL 10 B... (Iimp ) 5 kA
C2 Całkowity znamionowy prąd wyładowczy (8/20 µs) przy podłączonym DRL 10 B... (In ) 10 kA
Impedancja szeregowa na linię 4,7 Ω
Częstotliwość graniczna linia-PG (fG ) 42 MHz
Montaż w listwa rozłączna LSA 2/10 lub magazynek na ograniczniki DRL 10 B ...

Produkt 907425 został dodany do notatnika.

Do koszyka dodano produkt 907425.


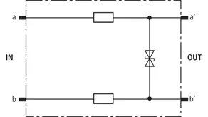
DRL RD

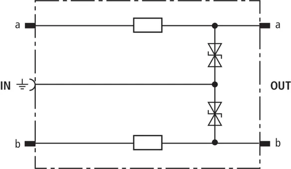
Wtyk ochronny dla 1 pary energetycznie skoordynowany z magazynkiem na ograniczniki DRL jako pierwszym stopniem ochrony urządzeń końcowych. Niski napięciowy poziom ochrony linia-linia do nieuziemionych interfejsów. Montaż z EF 10 DRL. Zaleca się montaż tylko w połączeniu magazynkami na ograniczniki DRL.

5 Produkty

Nr kat. 907441 DRL RD 12

GTIN / EAN 4013364107694, Nr taryfy celnej (EU): 85363010, Waga brutto: 5.40 g, Jednostka opakowaniowa: 10.00 szt.

Wcześniejszy produkt

Rysunki

Informacje dodatkowe

Wtyk ochronny z ochroną przepięciową 1 pary DRL RD 12
Wtyk ochronny z ochroną przepięciową,
o klasie SPD typu 3 / P1
DEHNrapid LSA, przetestowany zgodnie z
EN 61643-21 i skoordynowany
energetycznie według normy IEC 61643-22
z magazynkiem na ograniczniki DRL typu 1,
do ochrony jednej pary linii.
Do podłączenia z ramą uziemiającą
do listew rozłącznych LSA
serii 2/10 lub bezpośrednio do
magazynka na ograniczniki DRL jako
rozszerzenie do kombinowanego ogranicznika przepięć.
Największe napięcie trwałej pracy DC: 14 V
Prąd znamionowy: 0,4 A

Producent: DEHN
Typ: DRL RD 12
Nr kat.: 907441
lub podobny.

Certyfikaty

 

Dane techniczne

Klasa SPD O
Największe napięcie trwałej pracy DC (UC ) 14 V
Prąd znamionowy (IL ) 0,4 A
D1 Całkowity piorunowy prąd udarowy (10/350 µs) przy podłączonym DRL 10 B... (Iimp ) 5 kA
C2 Całkowity znamionowy prąd wyładowczy (8/20 µs) przy podłączonym DRL 10 B... (In ) 10 kA
Impedancja szeregowa na linię 2,2 Ω
Częstotliwość graniczna linia-linia (fG ) 2,7 MHz
Montaż w listwa rozłączna LSA 2/10 lub magazynek na ograniczniki DRL 10 B ...

Produkt 907441 został dodany do notatnika.

Do koszyka dodano produkt 907441.

Nr kat. 907442 DRL RD 24

GTIN / EAN 4013364107700, Nr taryfy celnej (EU): 85363010, Waga brutto: 5.40 g, Jednostka opakowaniowa: 10.00 szt.


Rysunki

Informacje dodatkowe

Wtyk ochronny z ochroną przepięciową 1 pary DRL RD 24
Wtyk ochronny z ochroną przepięciową,
o klasie SPD typu 3 / P1
DEHNrapid LSA, przetestowany zgodnie z
EN 61643-21 i skoordynowany
energetycznie według normy IEC 61643-22
z magazynkiem na ograniczniki DRL typu 1,
do ochrony jednej pary linii.
Do podłączenia z ramą uziemiającą
do listew rozłącznych LSA
serii 2/10 lub bezpośrednio do
magazynka na ograniczniki DRL jako
rozszerzenie do kombinowanego ogranicznika przepięć.
Największe napięcie trwałej pracy DC: 28 V
Prąd znamionowy: 0,4 A

Producent: DEHN
Typ: DRL RD 24
Nr kat.: 907442
lub podobny.

Certyfikaty

 

Dane techniczne

Klasa SPD O
Największe napięcie trwałej pracy DC (UC ) 28 V
Prąd znamionowy (IL ) 0,4 A
D1 Całkowity piorunowy prąd udarowy (10/350 µs) przy podłączonym DRL 10 B... (Iimp ) 5 kA
C2 Całkowity znamionowy prąd wyładowczy (8/20 µs) przy podłączonym DRL 10 B... (In ) 10 kA
Impedancja szeregowa na linię 2,2 Ω
Częstotliwość graniczna linia-linia (fG ) 5,4 MHz
Montaż w listwa rozłączna LSA 2/10 lub magazynek na ograniczniki DRL 10 B ...

Produkt 907442 został dodany do notatnika.

Do koszyka dodano produkt 907442.

Nr kat. 907443 DRL RD 48

GTIN / EAN 4013364107717, Nr taryfy celnej (EU): 85363010, Waga brutto: 5.40 g, Jednostka opakowaniowa: 10.00 szt.


Rysunki

Informacje dodatkowe

Wtyk ochronny z ochroną przepięciową 1 pary DRL RD 48
Wtyk ochronny z ochroną przepięciową,
o klasie SPD typu 3 / P1
DEHNrapid LSA, przetestowany zgodnie z
EN 61643-21 i skoordynowany
energetycznie według normy IEC 61643-22
z magazynkiem na ograniczniki DRL typu 1,
do ochrony jednej pary linii.
Do podłączenia z ramą uziemiającą
do listew rozłącznych LSA
serii 2/10 lub bezpośrednio do
magazynka na ograniczniki DRL jako
rozszerzenie do kombinowanego ogranicznika przepięć.
Największe napięcie trwałej pracy DC: 54 V
Prąd znamionowy: 0,4 A

Producent: DEHN
Typ: DRL RD 48
Nr kat.: 907443
lub podobny.

Certyfikaty

 

Dane techniczne

Klasa SPD O
Największe napięcie trwałej pracy DC (UC ) 54 V
Prąd znamionowy (IL ) 0,4 A
D1 Całkowity piorunowy prąd udarowy (10/350 µs) przy podłączonym DRL 10 B... (Iimp ) 5 kA
C2 Całkowity znamionowy prąd wyładowczy (8/20 µs) przy podłączonym DRL 10 B... (In ) 10 kA
Impedancja szeregowa na linię 4,7 Ω
Częstotliwość graniczna linia-linia (fG ) 7,8 MHz
Montaż w listwa rozłączna LSA 2/10 lub magazynek na ograniczniki DRL 10 B ...

Produkt 907443 został dodany do notatnika.

Do koszyka dodano produkt 907443.

Nr kat. 907444 DRL RD 60

GTIN / EAN 4013364107724, Nr taryfy celnej (EU): 85363010, Waga brutto: 5.40 g, Jednostka opakowaniowa: 10.00 szt.


Rysunki

Informacje dodatkowe

Wtyk ochronny z ochroną przepięciową 1 pary DRL RD 60
Wtyk ochronny z ochroną przepięciową,
o klasie SPD typu 3 / P1
DEHNrapid LSA, przetestowany zgodnie z
EN 61643-21 i skoordynowany
energetycznie według normy IEC 61643-22
z magazynkiem na ograniczniki DRL typu 1,
do ochrony jednej pary linii.
Do podłączenia z ramą uziemiającą
do listew rozłącznych LSA
serii 2/10 lub bezpośrednio do
magazynka na ograniczniki DRL jako
rozszerzenie do kombinowanego ogranicznika przepięć.
Największe napięcie trwałej pracy DC: 70 V
Prąd znamionowy: 0,4 A

Producent: DEHN
Typ: DRL RD 60
Nr kat.: 907444
lub podobny.

Certyfikaty

 

Dane techniczne

Klasa SPD O
Największe napięcie trwałej pracy DC (UC ) 70 V
Prąd znamionowy (IL ) 0,4 A
D1 Całkowity piorunowy prąd udarowy (10/350 µs) przy podłączonym DRL 10 B... (Iimp ) 5 kA
C2 Całkowity znamionowy prąd wyładowczy (8/20 µs) przy podłączonym DRL 10 B... (In ) 10 kA
Impedancja szeregowa na linię 4,7 Ω
Częstotliwość graniczna linia-linia (fG ) 11 MHz
Montaż w listwa rozłączna LSA 2/10 lub magazynek na ograniczniki DRL 10 B ...

Produkt 907444 został dodany do notatnika.

Do koszyka dodano produkt 907444.

Nr kat. 907445 DRL RD 110

GTIN / EAN 4013364118461, Nr taryfy celnej (EU): 85363010, Waga brutto: 3.30 g, Jednostka opakowaniowa: 10.00 szt.


Rysunki

Informacje dodatkowe

Wtyk ochronny z ochroną przepięciową 1 pary DRL RD 110
Wtyk ochronny z ochroną przepięciową,
o klasie SPD typu 3 / P1
DEHNrapid LSA, przetestowany zgodnie z
EN 61643-21 i skoordynowany
energetycznie według normy IEC 61643-22
z magazynkiem na ograniczniki DRL typu 1,
do ochrony jednej pary linii.
Do podłączenia z ramą uziemiającą
do listew rozłącznych LSA
serii 2/10 lub bezpośrednio do
magazynka na ograniczniki DRL jako
rozszerzenie do kombinowanego ogranicznika przepięć.
Największe napięcie trwałej pracy DC: 180 V
Prąd znamionowy: 0,4 A

Producent: DEHN
Typ: DRL RD 110
Nr kat.: 907445
lub podobny.

Certyfikaty

 

Dane techniczne

Klasa SPD O
Największe napięcie trwałej pracy DC (UC ) 180 V
Prąd znamionowy (IL ) 0,4 A
D1 Całkowity piorunowy prąd udarowy (10/350 µs) przy podłączonym DRL 10 B... (Iimp ) 5 kA
C2 Całkowity znamionowy prąd wyładowczy (8/20 µs) przy podłączonym DRL 10 B... (In ) 10 kA
Impedancja szeregowa na linię 4,7 Ω
Częstotliwość graniczna linia-linia (fG ) 20 MHz
Montaż w listwa rozłączna LSA 2/10 lub magazynek na ograniczniki DRL 10 B ...

Produkt 907445 został dodany do notatnika.

Do koszyka dodano produkt 907445.


DRL PD

Wtyk ochronny dla 1 pary energetycznie skoordynowany z magazynkiem na ograniczniki DRL jako pierwszym stopniem ochrony urządzeń końcowych. Niski napięciowy poziom ochrony linia-linia i wbudowane zabezpieczenie nadprądowe do ADSL, ISDN Uk0 lub żył a/b. Montaż z EF 10 DRL. Zaleca się montaż tylko w połączeniu magazynkami na ograniczniki DRL.

1 Produkt

Nr kat. 907430 DRL PD 180

GTIN / EAN 4013364107670, Nr taryfy celnej (EU): 85363010, Waga brutto: 3.90 g, Jednostka opakowaniowa: 10.00 szt.

Wcześniejszy produkt

Rysunki

Informacje dodatkowe

Wtyk ochronny z ochroną przepięciową 1 pary DRL PD 180
Wtyk ochronny z ochroną przepięciową,
o klasie SPD typu 3 / P1
DEHNrapid LSA, w połączeniu
z zabezpieczeniem nadprądowym zapobiegającym
powercrossing, przetestowany zgodnie z
EN 61643-21 i skoordynowany
energetycznie według normy IEC 61643-22
z magazynkiem na ograniczniki DRL typu 1,
do ochrony jednej pary linii.
Do podłączenia z ramą uziemiającą
do listew rozłącznych LSA
serii 2/10 lub bezpośrednio do
magazynka na ograniczniki DRL jako
rozszerzenie do kombinowanego ogranicznika przepięć.
Największe napięcie trwałej pracy DC: 180 V
Prąd znamionowy: 0,1 A

Producent: DEHN
Typ: DRL PD 180
Nr kat.: 907430
lub podobny.

Certyfikaty

 

Dane techniczne

Klasa SPD O
Największe napięcie trwałej pracy DC (UC ) 180 V
Prąd znamionowy (IL ) 0,1 A
D1 Całkowity piorunowy prąd udarowy (10/350 µs) przy podłączonym DRL 10 B... (Iimp ) 5 kA
C2 Całkowity znamionowy prąd wyładowczy (8/20 µs) przy podłączonym DRL 10 B... (In ) 10 kA
Impedancja szeregowa na linię 10 Ω +/- 15%
Częstotliwość graniczna linia-linia (fG ) 61 MHz
Montaż w listwa rozłączna LSA 2/10 lub magazynek na ograniczniki DRL 10 B ...

Produkt 907430 został dodany do notatnika.

Do koszyka dodano produkt 907430.


DRL HD

Wtyk ochronny dla 1 pary energetycznie skoordynowany z magazynkiem na ograniczniki DRL jako pierwszym stopniem ochrony urządzeń końcowych dla przesyłu o wysokiej częstotliwości np. G.703 lub ISDN U2 m , S2 m oraz S0. Montaż z EF 10 DRL. Zaleca się montaż tylko w połączeniu magazynkami na ograniczniki DRL.

1 Produkt

Nr kat. 907470 DRL HD 24

GTIN / EAN 4013364107663, Nr taryfy celnej (EU): 85363010, Waga brutto: 5.40 g, Jednostka opakowaniowa: 10.00 szt.

Wcześniejszy produkt

Rysunki

Informacje dodatkowe

Wtyk ochronny z ochroną przepięciową 1 pary DRL HD 24
Wtyk ochronny z ochroną przepięciową,
o klasie SPD typu 3 / P1
DEHNrapid LSA, przetestowany zgodnie z
EN 61643-21 i skoordynowany
energetycznie według normy IEC 61643-22
z magazynkiem na ograniczniki DRL typu 1,
do ochrony jednej pary
do systemów o bardzo wysokiej
prędkości transmisji.
Do podłączenia z ramą uziemiającą
do listew rozłącznych LSA
serii 2/10 lub bezpośrednio do
magazynka na ograniczniki DRL jako
rozszerzenie do kombinowanego ogranicznika przepięć.
Największe napięcie trwałej pracy DC: 28 V
Prąd znamionowy: 0,4 A

Producent: DEHN
Typ: DRL HD 24
Nr kat.: 907470
lub podobny.

Certyfikaty

 

Dane techniczne

Klasa SPD O
Największe napięcie trwałej pracy DC (UC ) 28 V
Prąd znamionowy (IL ) 0,4 A
D1 Całkowity piorunowy prąd udarowy (10/350 µs) przy podłączonym DRL 10 B... (Iimp ) 5 kA
C2 Całkowity znamionowy prąd wyładowczy (8/20 µs) przy podłączonym DRL 10 B... (In ) 10 kA
Impedancja szeregowa na linię 4,7 Ω
Montaż w listwa rozłączna LSA 2/10 lub magazynek na ograniczniki DRL 10 B ...

Produkt 907470 został dodany do notatnika.

Do koszyka dodano produkt 907470.


Powrót na górę