DEHNprotector
:quality(98)/www.dehn.pl/store/f/59220620/HDVORSCHAU/909230a2_16-9.jpg)
:quality(98)/www.dehn.pl/store/f/59220620/HDVORSCHAU/909230a2_16-9.jpg)
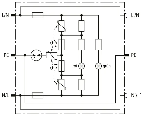
- Ochrona przepięciowa z układem kontrolnym i odłączającym
- Optyczny wskaźnik działania (zielony) i optyczny wskaźnik uszkodzenia (czerwony)
- Zwiększone bezpieczeństwo dzięki odpornemu na błędy obwodowi ochronnemu Y
Szczegóły
:quality(98)/www.dehn.pl/store/f/59220621/HDVORSCHAU/909230a1_Kat.jpg)
:quality(98)/www.dehn.pl/store/f/59220621/HDVORSCHAU/909230a1_Kat.jpg)
Nr kat. 909230 DPRO 230
GTIN / EAN 4013364117686, Nr taryfy celnej (EU): 85363010, Waga brutto: 239.00 g, Jednostka opakowaniowa: 1.00 szt.
Wcześniejszy produktDane techniczne
Ogranicznik przepięć wg PN-EN 61643-11 | typ 3 / klasa III |
Największe napięcie trwałej pracy AC (UC ) | 255 V (50 / 60 Hz) |
Znamionowy prąd wyładowczy (8/20 µs) (In ) | 3 kA |
Całkowity prąd wyładowczy (8/20 µs) [L+N-PE] (Itotal ) | 5 kA |
Napięciowy poziom ochrony [L-N] / [L/N-PE] (UP ) | ≤ 1350 / ≤ 1500 V |
Maksymalny bezpiecznik dodatkowy | B 16 A |
Wskaźnik uszkodzenia | czerwone światło |
Wskaźnik działania | zielone światło |