Your dashboard services.
Register to access all tools.

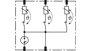
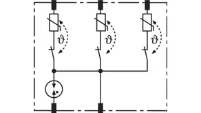
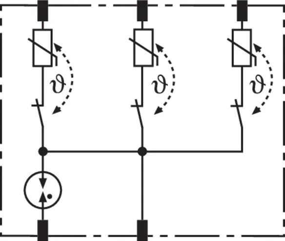
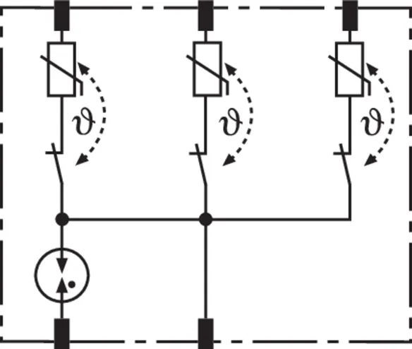
Moduł ochronny do ogranicznika DEHNrail modular

  • Wysoka zdolność odprowadzania prądów udarowych dzięki zastosowaniu skutecznej kombinacji warystorów z tlenku cynku i iskierników
  • Wysoka niezawodność monitorowania dzięki układowi odłączającemu „Thermo-Dynamik-Control” z podwójnym monitorowaniem
  • Koordynacja energetyczna z innymi ogranicznikami z serii Red/Line
  • Łatwa wymiana modułów bez używania narzędzi poprzez zastosowanie rygla blokującego z przyciskiem zwalniającym moduł
  • Wskaźnik działania / uszkodzenia w postaci zielonego / czerwonego znacznika w okienku kontrolnym
  • Moduł ochronny można wymienić bez potrzeby rozłączania zasilania i bez zdejmowania pokrywy tablicy rozdzielczej
  • Odporność na wstrząsy i wibracje zgodnie z normą EN 60068-2

Moduł ochronny do ogranicznika DEHNrail M 2P

Moduł ochronny z wbudowanym obwodem ochronnym Y.

5 Produkty

Nr kat. 953011 DR MOD 30

GTIN / EAN 4013364109636, Nr taryfy celnej (EU): 85363030, Waga brutto: 34.00 g, Jednostka opakowaniowa: 1.00 szt.


Rysunki

Informacje dodatkowe

Moduł ochronny DEHNrail M 2P DR MOD 30
Wtykowy moduł ochronny do ogranicznika przepięć DEHNrail M 2P 30 (FM)
z rodziny produktów Red/Line zgodne z normą EN 61643-11
z wbudowanym obwodem ochronnym Y
Największe napięcie trwałej pracy: 30 V AC/DC
Całkowity prąd wyładowczy: 2 kA
Napięciowy poziom ochrony L/N: < 0,18 kV

Producent: DEHN
Typ: DR MOD 30
Nr kat.: 953011
lub podobny.

 

Dane techniczne

Znamionowy prąd wyładowczy (8/20 µs) (In ) 1 kA
Całkowity prąd wyładowczy (8/20 µs) [L+N-PE] (Itotal ) 2 kA
Największe napięcie trwałej pracy AC (UC ) 30 V

Produkt 953011 został dodany do notatnika.

Do koszyka dodano produkt 953011.

Nr kat. 953012 DR MOD 60

GTIN / EAN 4013364109643, Nr taryfy celnej (EU): 85363030, Waga brutto: 34.40 g, Jednostka opakowaniowa: 1.00 szt.


Rysunki

Informacje dodatkowe

Moduł ochronny DEHNrail M 2P DR MOD 60
Wtykowy moduł ochronny do ogranicznika przepięć DEHNrail M 2P 60 (FM)
z rodziny produktów Red/Line zgodne z normą EN 61643-11
z wbudowanym obwodem ochronnym Y
Największe napięcie trwałej pracy: 60 V AC/DC
Całkowity prąd wyładowczy: 2 kA
Napięciowy poziom ochrony L/N: < 0,35 kV

Producent: DEHN
Typ: DR MOD 60
Nr kat.: 953012
lub podobny.

 

Dane techniczne

Znamionowy prąd wyładowczy (8/20 µs) (In ) 1 kA
Całkowity prąd wyładowczy (8/20 µs) [L+N-PE] (Itotal ) 2 kA
Największe napięcie trwałej pracy AC (UC ) 60 V

Produkt 953012 został dodany do notatnika.

Do koszyka dodano produkt 953012.

Nr kat. 953013 DR MOD 75

GTIN / EAN 4013364109650, Nr taryfy celnej (EU): 85363030, Waga brutto: 32.40 g, Jednostka opakowaniowa: 1.00 szt.


Rysunki

Informacje dodatkowe

Moduł ochronny DEHNrail M 2P DR MOD 75
Wtykowy moduł ochronny do ogranicznika przepięć DEHNrail M 2P 75 (FM)
z rodziny produktów Red/Line zgodne z normą EN 61643-11
z wbudowanym obwodem ochronnym Y
Największe napięcie trwałej pracy: 75 V AC/DC
Całkowity prąd wyładowczy: 4 kA
Napięciowy poziom ochrony L/N: < 0,4 kV

Producent: DEHN
Typ: DR MOD 75
Nr kat.: 953013
lub podobny.

 

Dane techniczne

Znamionowy prąd wyładowczy (8/20 µs) (In ) 2 kA
Całkowity prąd wyładowczy (8/20 µs) [L+N-PE] (Itotal ) 4 kA
Największe napięcie trwałej pracy AC (UC ) 75 V

Produkt 953013 został dodany do notatnika.

Do koszyka dodano produkt 953013.

Nr kat. 953014 DR MOD 150

GTIN / EAN 4013364109667, Nr taryfy celnej (EU): 85363030, Waga brutto: 32.80 g, Jednostka opakowaniowa: 1.00 szt.


Rysunki

Informacje dodatkowe

Moduł ochronny DEHNrail M 2P DR MOD 150
Wtykowy moduł ochronny do ogranicznika przepięć DEHNrail M 2P 150 (FM)
z rodziny produktów Red/Line zgodne z normą EN 61643-11
z wbudowanym obwodem ochronnym Y
Największe napięcie trwałej pracy: 150 V AC/DC
Całkowity prąd wyładowczy: 4 kA
Napięciowy poziom ochrony L/N: < 0,64 kV

Producent: DEHN
Typ: DR MOD 150
Nr kat.: 953014
lub podobny.

 

Dane techniczne

Znamionowy prąd wyładowczy (8/20 µs) (In ) 2 kA
Całkowity prąd wyładowczy (8/20 µs) [L+N-PE] (Itotal ) 4 kA
Największe napięcie trwałej pracy AC (UC ) 150 V

Produkt 953014 został dodany do notatnika.

Do koszyka dodano produkt 953014.

Nr kat. 953010 DR MOD 255

GTIN / EAN 4013364108295, Nr taryfy celnej (EU): 85363030, Waga brutto: 35.00 g, Jednostka opakowaniowa: 1.00 szt.


Rysunki

Informacje dodatkowe

Moduł ochronny DEHNrail M 2P DR MOD 255
Wtykowy moduł ochronny do ogranicznika przepięć DEHNrail M 2P 255 (FM)
z rodziny produktów Red/Line zgodne z normą EN 61643-11
z wbudowanym obwodem ochronnym Y
Największe napięcie trwałej pracy: 255 V AC/DC
Całkowity prąd wyładowczy: 5 kA
Napięciowy poziom ochrony L/N: < 1,25 kV

Producent: DEHN
Typ: DR MOD 255
Nr kat.: 953010
lub podobny.

 

Dane techniczne

Znamionowy prąd wyładowczy (8/20 µs) (In ) 3 kA
Całkowity prąd wyładowczy (8/20 µs) [L+N-PE] (Itotal ) 5 kA
Największe napięcie trwałej pracy AC (UC ) 255 V

Produkt 953010 został dodany do notatnika.

Do koszyka dodano produkt 953010.


Moduł ochronny do ogranicznika DEHNrail M 4P

Czterobiegunowy moduł ochronny z wbudowanym obwodem ochronnym.

2 Produkty

Nr kat. 953020 DR MOD 4P 255

GTIN / EAN 4013364117440, Nr taryfy celnej (EU): 85363030, Waga brutto: 76.49 g, Jednostka opakowaniowa: 1.00 szt.


Rysunki

Informacje dodatkowe

Moduł ochronny DEHNrail M 4P DR MOD 4P 255
Wtykowy moduł ochronny do ogranicznika przepięć DEHNrail M 4P 255 (FM)
z rodziny produktów Red/Line zgodne z normą EN 61643-11
Największe napięcie trwałej pracy: 255 V AC/DC
Całkowity prąd wyładowczy: 8 kA
Napięciowy poziom ochrony L/N: < 1 kV

Producent: DEHN
Typ: DR MOD 4P 255
Nr kat.: 953020
lub podobny.

Certyfikaty

 

Dane techniczne

Znamionowy prąd wyładowczy (8/20 µs) (In ) 3 kA
Całkowity prąd wyładowczy (8/20 µs) [L+N-PE] (Itotal ) 8 kA
Największe napięcie trwałej pracy AC (UC ) 255 V

Produkt 953020 został dodany do notatnika.

Do koszyka dodano produkt 953020.

Nr kat. 953021 DR MOD 4P 255 SN1871

GTIN / EAN 4013364353077, Nr taryfy celnej (EU): 85363030, Waga brutto: 61.00 g, Jednostka opakowaniowa: 1.00 szt.


Rysunki

Informacje dodatkowe

Schemat połączeń DEHNrail DR MOD 4P 255 SN1871
Wtykowy moduł ochronny do ogranicznika przepięć DR M 4P 255 SN1872 FM
z rodziny produktów Red/Line zgodne z normą EN 61643-11
Największe napięcie trwałej pracy: 255 V AC/DC
Całkowity prąd wyładowczy: 8 kA
Napięciowy poziom ochrony L/N: < 1 kV

Producent: DEHN
Typ: DR MOD 4P 255 SN1871
Nr kat.: 953021
lub podobny.

Certyfikaty

 

Dane techniczne

Znamionowy prąd wyładowczy (8/20 µs) (In ) 3 kA
Całkowity prąd wyładowczy (8/20 µs) [L+N-PE] (Itotal ) 8 kA
Największe napięcie trwałej pracy AC (UC ) 255 V

Produkt 953021 został dodany do notatnika.

Do koszyka dodano produkt 953021.


Powrót na górę