Your dashboard services.
Register to access all tools.

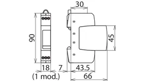
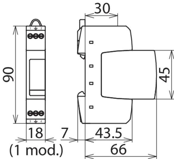
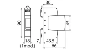
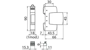
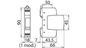
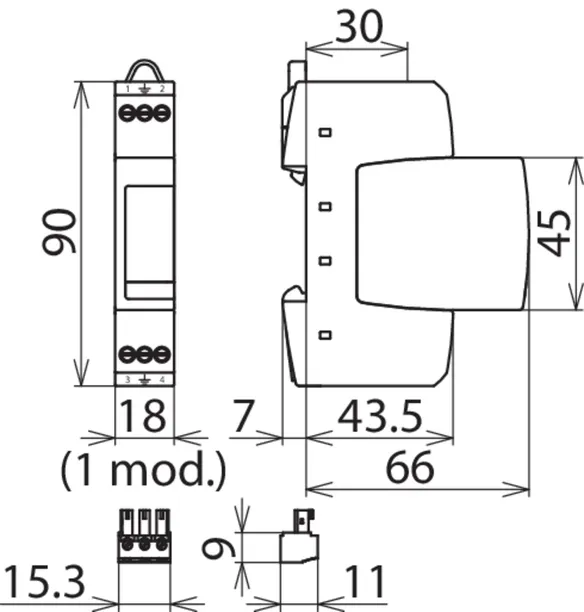
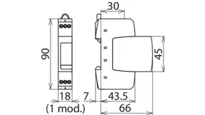
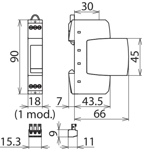
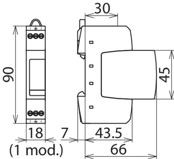
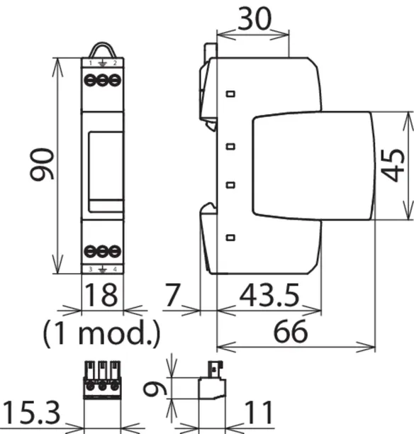
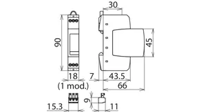
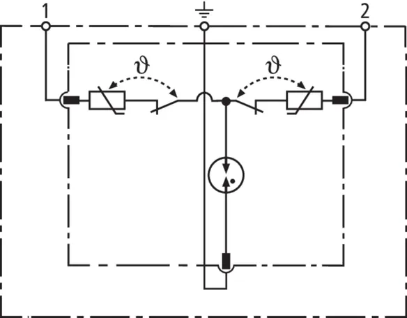
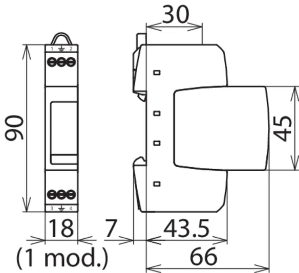
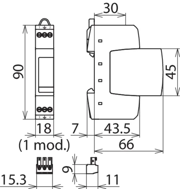
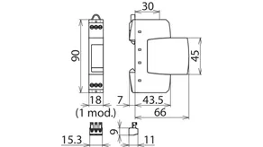
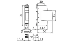
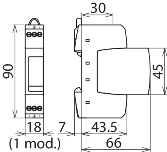
DEHNrail modular

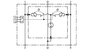
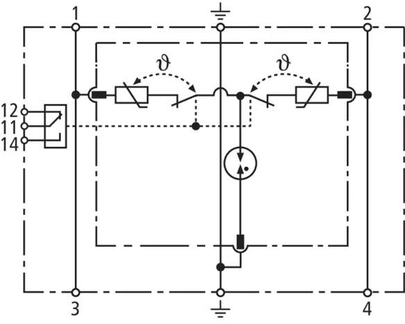
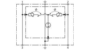
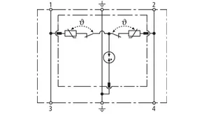
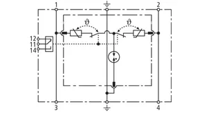
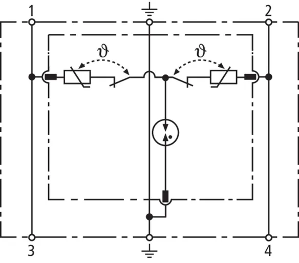
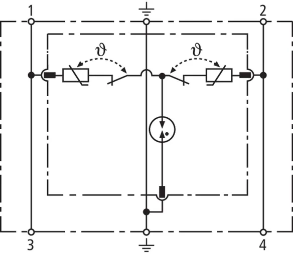
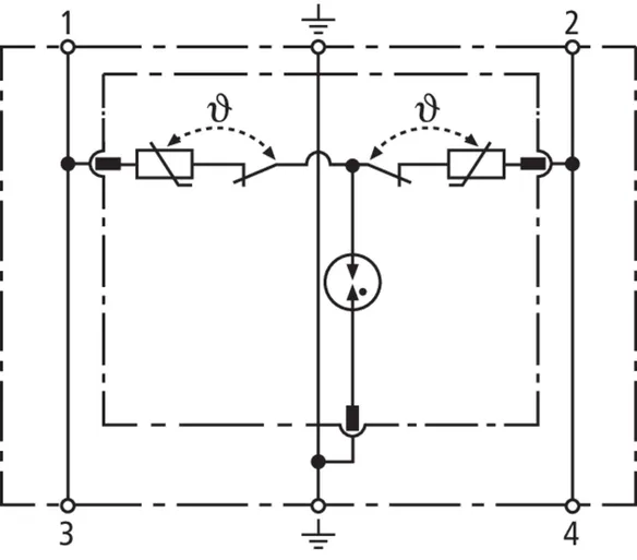
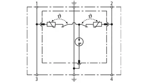
  • Dwubiegunowy ogranicznik przepięć składający się z podstawy i wymiennego modułu ochronnego
  • Wysoka zdolność odprowadzania prądów udarowych dzięki zastosowaniu skutecznej kombinacji warystorów z tlenku cynku i iskierników
  • Skoordynowany energetycznie z innymi ogranicznikami z serii Red/Line
  • Wskaźnik działania / uszkodzenia w postaci zielonego / czerwonego znacznika w okienku kontrolnym
  • Małe rozmiary (konstrukcja modułowa) zgodnie z normą DIN 43880
  • Łatwa wymiana modułów bez używania narzędzi poprzez zastosowanie rygla blokującego z przyciskiem zwalniającym moduł
  • Odporność na wstrząsy i wibracje zgodnie z normą EN 60068-2

Szczegóły

lorem ipsum

DEHNrail M 2P ...

Dwubiegunowy ogranicznik przepięć składający się z podstawy i wymiennego modułu ochronnego.

5 Produkty

Nr kat. 953201 DR M 2P 30

GTIN / EAN 4013364109674, Nr taryfy celnej (EU): 85363030, Waga brutto: 90.60 g, Jednostka opakowaniowa: 1.00 szt.

Wcześniejszy produkt

Rysunki

Informacje dodatkowe

Ogranicznik przepięć DEHNrail M 2P 30
2-biegunowy, modułowy, gotowy do podłączenia ogranicznik przepięć
do ochrony urządzeń końcowych elektroniki przemysłowej
Szerokość: 1 moduł, Wskaźnik uszkodzenia
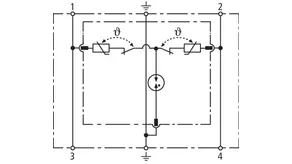
Ogranicznik przepięć typu 3 zgodnie z EN 61643-11
Największe napięcie trwałej pracy: 30 V AC/DC
Całkowity prąd wyładowczy: 2 kA
Napięciowy poziom ochrony L/N: < 0,18 kV
Bezpiecznik dodatkowy: 25 A gG lub B 25 A
Koordynacja energetyczna według DIN EN 62305-4
Ogranicznik przepięć z rodziny Red/Line

Producent: DEHN
Typ: DR M 2P 30
Nr kat.: 953201
lub podobny.

Certyfikaty

 

Dane techniczne

Ogranicznik przepięć zgodnie z PN-EN 61643-11 typ 3 / klasa III
Największe napięcie trwałej pracy AC (UC ) 30 V (50 / 60 Hz)
Największe napięcie trwałej pracy DC (UC ) 30 V
Znamionowy prąd wyładowczy (8/20 µs) (In ) 1 kA
Całkowity prąd wyładowczy (8/20 µs) [L+N-PE] (Itotal ) 2 kA
Napięciowy poziom ochrony [L-N] / [L/N-PE] (UP ) ≤ 180 / ≤ 630 V
Maksymalny bezpiecznik dodatkowy 25 A gG lub B 25 A
Certyfikaty KEMA, VDE, UL, CSA, ATEX, IECEx

Produkt 953201 został dodany do notatnika.

Do koszyka dodano produkt 953201.

Nr kat. 953202 DR M 2P 60

GTIN / EAN 4013364109681, Nr taryfy celnej (EU): 85363030, Waga brutto: 91.80 g, Jednostka opakowaniowa: 1.00 szt.

Wcześniejszy produkt

Rysunki

Informacje dodatkowe

Ogranicznik przepięć DEHNrail M 2P 60
2-biegunowy, modułowy, gotowy do podłączenia ogranicznik przepięć
do ochrony urządzeń końcowych elektroniki przemysłowej
Szerokość: 1 moduł, Wskaźnik uszkodzenia
Ogranicznik przepięć typu 3 zgodnie z EN 61643-11
Największe napięcie trwałej pracy: 60 V AC/DC
Całkowity prąd wyładowczy: 2 kA
Napięciowy poziom ochrony L/N: < 0,35 kV
Bezpiecznik dodatkowy: 25 A gG lub B 25 A
Koordynacja energetyczna według DIN EN 62305-4
Ogranicznik przepięć z rodziny Red/Line

Producent: DEHN
Typ: DR M 2P 60
Nr kat.: 953202
lub podobny.

Certyfikaty

 

Dane techniczne

Ogranicznik przepięć zgodnie z PN-EN 61643-11 typ 3 / klasa III
Największe napięcie trwałej pracy AC (UC ) 60 V (50 / 60 Hz)
Największe napięcie trwałej pracy DC (UC ) 60 V
Znamionowy prąd wyładowczy (8/20 µs) (In ) 1 kA
Całkowity prąd wyładowczy (8/20 µs) [L+N-PE] (Itotal ) 2 kA
Napięciowy poziom ochrony [L-N] / [L/N-PE] (UP ) ≤ 350 / ≤ 730 V
Maksymalny bezpiecznik dodatkowy 25 A gG lub B 25 A
Certyfikaty KEMA, VDE, UL, CSA, ATEX, IECEx

Produkt 953202 został dodany do notatnika.

Do koszyka dodano produkt 953202.

Nr kat. 953203 DR M 2P 75

GTIN / EAN 4013364109698, Nr taryfy celnej (EU): 85363030, Waga brutto: 89.80 g, Jednostka opakowaniowa: 1.00 szt.

Wcześniejszy produkt

Rysunki

Informacje dodatkowe

Ogranicznik przepięć DEHNrail M 2P 75
2-biegunowy, modułowy, gotowy do podłączenia ogranicznik przepięć
do ochrony urządzeń końcowych elektroniki przemysłowej
Szerokość: 1 moduł, Wskaźnik uszkodzenia
Ogranicznik przepięć typu 3 zgodnie z EN 61643-11
Największe napięcie trwałej pracy: 75 V AC/DC
Całkowity prąd wyładowczy: 4 kA
Napięciowy poziom ochrony L/N: < 0,4 kV
Bezpiecznik dodatkowy: 25 A gG lub B 25 A
Koordynacja energetyczna według DIN EN 62305-4
Ogranicznik przepięć z rodziny Red/Line

Producent: DEHN
Typ: DR M 2P 75
Nr kat.: 953203
lub podobny.

Certyfikaty

 

Dane techniczne

Ogranicznik przepięć zgodnie z PN-EN 61643-11 typ 3 / klasa III
Największe napięcie trwałej pracy AC (UC ) 75 V (50 / 60 Hz)
Największe napięcie trwałej pracy DC (UC ) 75 V
Znamionowy prąd wyładowczy (8/20 µs) (In ) 2 kA
Całkowity prąd wyładowczy (8/20 µs) [L+N-PE] (Itotal ) 4 kA
Napięciowy poziom ochrony [L-N] / [L/N-PE] (UP ) ≤ 400 / ≤ 730 V
Maksymalny bezpiecznik dodatkowy 25 A gG lub B 25 A
Certyfikaty KEMA, VDE, UL, CSA, ATEX, IECEx

Produkt 953203 został dodany do notatnika.

Do koszyka dodano produkt 953203.

Nr kat. 953204 DR M 2P 150

GTIN / EAN 4013364109704, Nr taryfy celnej (EU): 85363030, Waga brutto: 90.00 g, Jednostka opakowaniowa: 1.00 szt.

Wcześniejszy produkt

Rysunki

Informacje dodatkowe

Ogranicznik przepięć DEHNrail M 2P 150
2-biegunowy, modułowy, gotowy do podłączenia ogranicznik przepięć
do ochrony urządzeń końcowych elektroniki przemysłowej
Szerokość: 1 moduł, Wskaźnik uszkodzenia
Ogranicznik przepięć typu 3 zgodnie z EN 61643-11
Największe napięcie trwałej pracy: 150 V AC/DC
Całkowity prąd wyładowczy: 4 kA
Napięciowy poziom ochrony L/N: < 0,64 kV
Bezpiecznik dodatkowy: 25 A gG lub B 25 A
Koordynacja energetyczna według DIN EN 62305-4
Ogranicznik przepięć z rodziny Red/Line

Producent: DEHN
Typ: DR M 2P 150
Nr kat.: 953204
lub podobny.

Certyfikaty

 

Dane techniczne

Ogranicznik przepięć zgodnie z PN-EN 61643-11 typ 3 / klasa III
Największe napięcie trwałej pracy AC (UC ) 150 V (50 / 60 Hz)
Największe napięcie trwałej pracy DC (UC ) 150 V
Znamionowy prąd wyładowczy (8/20 µs) (In ) 2 kA
Całkowity prąd wyładowczy (8/20 µs) [L+N-PE] (Itotal ) 4 kA
Napięciowy poziom ochrony [L-N] / [L/N-PE] (UP ) ≤ 640 / ≤ 800 V
Maksymalny bezpiecznik dodatkowy 25 A gG lub B 25 A
Certyfikaty KEMA, VDE, UL, CSA, ATEX, IECEx

Produkt 953204 został dodany do notatnika.

Do koszyka dodano produkt 953204.

Nr kat. 953200 DR M 2P 255

GTIN / EAN 4013364108301, Nr taryfy celnej (EU): 85363030, Waga brutto: 91.70 g, Jednostka opakowaniowa: 1.00 szt.

Wcześniejszy produkt

Rysunki

Informacje dodatkowe

Ogranicznik przepięć DEHNrail M 2P 255
2-biegunowy, modułowy, gotowy do podłączenia ogranicznik przepięć
do ochrony urządzeń końcowych elektroniki przemysłowej
Szerokość: 1 moduł, Wskaźnik uszkodzenia
Ogranicznik przepięć typu 3 zgodnie z EN 61643-11
Największe napięcie trwałej pracy: 255 V AC/DC
Całkowity prąd wyładowczy: 5 kA
Napięciowy poziom ochrony L/N: < 1,25 kV
Bezpiecznik dodatkowy: 25 A gG lub B 25 A
Koordynacja energetyczna według DIN EN 62305-4
Ogranicznik przepięć z rodziny Red/Line

Producent: DEHN
Typ: DR M 2P 255
Nr kat.: 953200
lub podobny.

Certyfikaty

 

Dane techniczne

Ogranicznik przepięć zgodnie z PN-EN 61643-11 typ 3 / klasa III
Największe napięcie trwałej pracy AC (UC ) 255 V (50 / 60 Hz)
Największe napięcie trwałej pracy DC (UC ) 255 V
Znamionowy prąd wyładowczy (8/20 µs) (In ) 3 kA
Całkowity prąd wyładowczy (8/20 µs) [L+N-PE] (Itotal ) 5 kA
Napięciowy poziom ochrony [L-N] / [L/N-PE] (UP ) ≤ 1250 / ≤ 1500 V
Maksymalny bezpiecznik dodatkowy 25 A gG lub B 25 A
Certyfikaty KEMA, VDE, UL, CSA, ATEX, IECEx

Produkt 953200 został dodany do notatnika.

Do koszyka dodano produkt 953200.


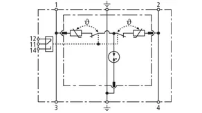
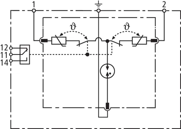
DEHNrail M 2P ... FM

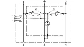
Dwubiegunowy ogranicznik przepięć składający się z podstawy i wymiennego modułu ochronnego; ze zdalną sygnalizacją stanu (bezpotencjałowy zestyk przełączny).

5 Produkty

Nr kat. 953206 DR M 2P 30 FM

GTIN / EAN 4013364109711, Nr taryfy celnej (EU): 85363030, Waga brutto: 94.50 g, Jednostka opakowaniowa: 1.00 szt.

Wcześniejszy produkt

Rysunki

Informacje dodatkowe

Ogranicznik przepięć DEHNrail M 2P 30 FM
2-biegunowy, modułowy, gotowy do podłączenia ogranicznik przepięć
do ochrony urządzeń końcowych elektroniki przemysłowej
Szerokość: 1 moduł, Wskaźnik uszkodzenia
z zestykiem zdalnej sygnalizacji
Ogranicznik przepięć typu 3 zgodnie z EN 61643-11
Największe napięcie trwałej pracy: 30 V AC/DC
Całkowity prąd wyładowczy: 2 kA
Napięciowy poziom ochrony L/N: < 0,18 kV
Bezpiecznik dodatkowy: 25 A gG lub B 25 A
Koordynacja energetyczna według DIN EN 62305-4
Ogranicznik przepięć z rodziny Red/Line

Producent: DEHN
Typ: DR M 2P 30 FM
Nr kat.: 953206
lub podobny.

Certyfikaty

 

Dane techniczne

Ogranicznik przepięć zgodnie z PN-EN 61643-11 typ 3 / klasa III
Największe napięcie trwałej pracy AC (UC ) 30 V (50 / 60 Hz)
Największe napięcie trwałej pracy DC (UC ) 30 V
Znamionowy prąd wyładowczy (8/20 µs) (In ) 1 kA
Całkowity prąd wyładowczy (8/20 µs) [L+N-PE] (Itotal ) 2 kA
Napięciowy poziom ochrony [L-N] / [L/N-PE] (UP ) ≤ 180 / ≤ 630 V
Maksymalny bezpiecznik dodatkowy 25 A gG lub B 25 A
Certyfikaty KEMA, VDE, UL, CSA, ATEX, IECEx
Rodzaj zestyku zdalnej sygnalizacji (FM) bezpotencjałowy zestyk przełączny

Produkt 953206 został dodany do notatnika.

Do koszyka dodano produkt 953206.

Nr kat. 953207 DR M 2P 60 FM

GTIN / EAN 4013364109728, Nr taryfy celnej (EU): 85363030, Waga brutto: 95.40 g, Jednostka opakowaniowa: 1.00 szt.

Wcześniejszy produkt

Rysunki

Informacje dodatkowe

Ogranicznik przepięć DEHNrail M 2P 60 FM
2-biegunowy, modułowy, gotowy do podłączenia ogranicznik przepięć
do ochrony urządzeń końcowych elektroniki przemysłowej
Szerokość: 1 moduł, Wskaźnik uszkodzenia
z zestykiem zdalnej sygnalizacji
Ogranicznik przepięć typu 3 zgodnie z EN 61643-11
Największe napięcie trwałej pracy: 60 V AC/DC
Całkowity prąd wyładowczy: 2 kA
Napięciowy poziom ochrony L/N: < 0,35 kV
Bezpiecznik dodatkowy: 25 A gG lub B 25 A
Koordynacja energetyczna według DIN EN 62305-4
Ogranicznik przepięć z rodziny Red/Line

Producent: DEHN
Typ: DR M 2P 60 FM
Nr kat.: 953207
lub podobny.

Certyfikaty

 

Dane techniczne

Ogranicznik przepięć zgodnie z PN-EN 61643-11 typ 3 / klasa III
Największe napięcie trwałej pracy AC (UC ) 60 V (50 / 60 Hz)
Największe napięcie trwałej pracy DC (UC ) 60 V
Znamionowy prąd wyładowczy (8/20 µs) (In ) 1 kA
Całkowity prąd wyładowczy (8/20 µs) [L+N-PE] (Itotal ) 2 kA
Napięciowy poziom ochrony [L-N] / [L/N-PE] (UP ) ≤ 350 / ≤ 730 V
Maksymalny bezpiecznik dodatkowy 25 A gG lub B 25 A
Certyfikaty KEMA, VDE, UL, CSA, ATEX, IECEx
Rodzaj zestyku zdalnej sygnalizacji (FM) bezpotencjałowy zestyk przełączny

Produkt 953207 został dodany do notatnika.

Do koszyka dodano produkt 953207.

Nr kat. 953208 DR M 2P 75 FM

GTIN / EAN 4013364109735, Nr taryfy celnej (EU): 85363030, Waga brutto: 93.70 g, Jednostka opakowaniowa: 1.00 szt.

Wcześniejszy produkt

Rysunki

Informacje dodatkowe

Ogranicznik przepięć DEHNrail M 2P 75 FM
2-biegunowy, modułowy, gotowy do podłączenia ogranicznik przepięć
do ochrony urządzeń końcowych elektroniki przemysłowej
Szerokość: 1 moduł, Wskaźnik uszkodzenia
z zestykiem zdalnej sygnalizacji
Ogranicznik przepięć typu 3 zgodnie z EN 61643-11
Największe napięcie trwałej pracy: 75 V AC/DC
Całkowity prąd wyładowczy: 4 kA
Napięciowy poziom ochrony L/N: < 0,4 kV
Bezpiecznik dodatkowy: 25 A gG lub B 25 A
Koordynacja energetyczna według DIN EN 62305-4
Ogranicznik przepięć z rodziny Red/Line

Producent: DEHN
Typ: DR M 2P 75 FM
Nr kat.: 953208
lub podobny.

Certyfikaty

 

Dane techniczne

Ogranicznik przepięć zgodnie z PN-EN 61643-11 typ 3 / klasa III
Największe napięcie trwałej pracy AC (UC ) 75 V (50 / 60 Hz)
Największe napięcie trwałej pracy DC (UC ) 75 V
Znamionowy prąd wyładowczy (8/20 µs) (In ) 2 kA
Całkowity prąd wyładowczy (8/20 µs) [L+N-PE] (Itotal ) 4 kA
Napięciowy poziom ochrony [L-N] / [L/N-PE] (UP ) ≤ 400 / ≤ 730 V
Maksymalny bezpiecznik dodatkowy 25 A gG lub B 25 A
Certyfikaty KEMA, VDE, UL, CSA, ATEX, IECEx
Rodzaj zestyku zdalnej sygnalizacji (FM) bezpotencjałowy zestyk przełączny

Produkt 953208 został dodany do notatnika.

Do koszyka dodano produkt 953208.

Nr kat. 953209 DR M 2P 150 FM

GTIN / EAN 4013364109742, Nr taryfy celnej (EU): 85363030, Waga brutto: 93.00 g, Jednostka opakowaniowa: 1.00 szt.

Wcześniejszy produkt

Rysunki

Informacje dodatkowe

Ogranicznik przepięć DEHNrail M 2P 150 FM
2-biegunowy, modułowy, gotowy do podłączenia ogranicznik przepięć
do ochrony urządzeń końcowych elektroniki przemysłowej
Szerokość: 1 moduł, Wskaźnik uszkodzenia
z zestykiem zdalnej sygnalizacji
Ogranicznik przepięć typu 3 zgodnie z EN 61643-11
Największe napięcie trwałej pracy: 150 V AC/DC
Całkowity prąd wyładowczy: 4 kA
Napięciowy poziom ochrony L/N: < 0,64 kV
Bezpiecznik dodatkowy: 25 A gG lub B 25 A
Koordynacja energetyczna według DIN EN 62305-4
Ogranicznik przepięć z rodziny Red/Line

Producent: DEHN
Typ: DR M 2P 150 FM
Nr kat.: 953209
lub podobny.

Certyfikaty

 

Dane techniczne

Ogranicznik przepięć zgodnie z PN-EN 61643-11 typ 3 / klasa III
Największe napięcie trwałej pracy AC (UC ) 150 V (50 / 60 Hz)
Największe napięcie trwałej pracy DC (UC ) 150 V
Znamionowy prąd wyładowczy (8/20 µs) (In ) 2 kA
Całkowity prąd wyładowczy (8/20 µs) [L+N-PE] (Itotal ) 4 kA
Napięciowy poziom ochrony [L-N] / [L/N-PE] (UP ) ≤ 640 / ≤ 800 V
Maksymalny bezpiecznik dodatkowy 25 A gG lub B 25 A
Certyfikaty KEMA, VDE, UL, CSA, ATEX, IECEx
Rodzaj zestyku zdalnej sygnalizacji (FM) bezpotencjałowy zestyk przełączny

Produkt 953209 został dodany do notatnika.

Do koszyka dodano produkt 953209.

Nr kat. 953205 DR M 2P 255 FM

GTIN / EAN 4013364108318, Nr taryfy celnej (EU): 85363030, Waga brutto: 98.88 g, Jednostka opakowaniowa: 1.00 szt.

Wcześniejszy produkt

Rysunki

Informacje dodatkowe

Ogranicznik przepięć DEHNrail M 2P 255 FM
2-biegunowy, modułowy, gotowy do podłączenia ogranicznik przepięć
do ochrony urządzeń końcowych elektroniki przemysłowej
Szerokość: 1 moduł, Wskaźnik uszkodzenia
z zestykiem zdalnej sygnalizacji
Ogranicznik przepięć typu 3 zgodnie z EN 61643-11
Największe napięcie trwałej pracy: 255 V AC/DC
Całkowity prąd wyładowczy: 5 kA
Napięciowy poziom ochrony L/N: < 1,25 kV
Bezpiecznik dodatkowy: 25 A gG lub B 25 A
Koordynacja energetyczna według DIN EN 62305-4
Ogranicznik przepięć z rodziny Red/Line

Producent: DEHN
Typ: DR M 2P 255 FM
Nr kat.: 953205
lub podobny.

Certyfikaty

 

Dane techniczne

Ogranicznik przepięć zgodnie z PN-EN 61643-11 typ 3 / klasa III
Największe napięcie trwałej pracy AC (UC ) 255 V (50 / 60 Hz)
Największe napięcie trwałej pracy DC (UC ) 255 V
Znamionowy prąd wyładowczy (8/20 µs) (In ) 3 kA
Całkowity prąd wyładowczy (8/20 µs) [L+N-PE] (Itotal ) 5 kA
Napięciowy poziom ochrony [L-N] / [L/N-PE] (UP ) ≤ 1250 / ≤ 1500 V
Maksymalny bezpiecznik dodatkowy 25 A gG lub B 25 A
Certyfikaty KEMA, VDE, UL, CSA, ATEX, IECEx
Rodzaj zestyku zdalnej sygnalizacji (FM) bezpotencjałowy zestyk przełączny

Produkt 953205 został dodany do notatnika.

Do koszyka dodano produkt 953205.


DEHNrail M 2P SN1802

Dwubiegunowy ogranicznik przepięć składający się z podstawy i wymiennego modułu ochronnego. Może być stosowany w instalacjach dla prądu obciążenia do 32 A.

1 Produkt

Nr kat. 953228 DR M 2P 255 SN1802

GTIN / EAN 4013364158986, Nr taryfy celnej (EU): 85363030, Waga brutto: 89.70 g, Jednostka opakowaniowa: 1.00 szt.


Rysunki

Informacje dodatkowe

Ogranicznik przepięć DEHNrail M 2P 255 SN1802
2-biegunowy, modułowy, gotowy do podłączenia ogranicznik przepięć
do ochrony urządzeń końcowych elektroniki przemysłowej
Szerokość: 1 moduł, Wskaźnik uszkodzenia
Ogranicznik przepięć typu 3 zgodnie z EN 61643-11
Największe napięcie trwałej pracy: 255 V AC/DC
Całkowity prąd wyładowczy: 5 kA
Napięciowy poziom ochrony L/N: < 1,25 kV
Bezpiecznik dodatkowy: 32 A gG lub B 32 A
Koordynacja energetyczna według DIN EN 62305-4
Ogranicznik przepięć z rodziny Red/Line

Producent: DEHN
Typ: DR M 2P 255 SN1802
Nr kat.: 953228
lub podobny.

 

Dane techniczne

Ogranicznik przepięć zgodnie z PN-EN 61643-11 typ 3 / klasa III
Największe napięcie trwałej pracy AC (UC ) 255 V (50 / 60 Hz)
Największe napięcie trwałej pracy DC (UC ) 255 V
Znamionowy prąd wyładowczy (8/20 µs) (In ) 3 kA
Całkowity prąd wyładowczy (8/20 µs) [L+N-PE] (Itotal ) 5 kA
Napięciowy poziom ochrony [L-N] / [L/N-PE] (UP ) ≤ 1250 / ≤ 1500 V
Maksymalny bezpiecznik dodatkowy 32 A gG lub B 32 A
Moduł ochronny na zamówienie

Produkt 953228 został dodany do notatnika.

Do koszyka dodano produkt 953228.


DEHNrail M 2P SN1803FM

Dwubiegunowy ogranicznik przepięć składający się z podstawy i wymiennego modułu ochronnego; ze zdalną sygnalizacją stanu (bezpotencjałowy zestyk przełączny). Może być stosowany w instalacjach dla prądu obciążenia do 32 A.

1 Produkt

Nr kat. 953229 DR M 2P 255 SN1803FM

GTIN / EAN 4013364158993, Nr taryfy celnej (EU): 85363030, Waga brutto: 93.40 g, Jednostka opakowaniowa: 1.00 szt.


Rysunki

Informacje dodatkowe

Ogranicznik przepięć DEHNrail M 2P 255 SN1803FM
2-biegunowy, modułowy, gotowy do podłączenia ogranicznik przepięć
Do ochrony urządzeń końcowych w urządzeniach elektroniki przemysłowej,
Szerokość: 1 moduł, Wskaźnik uszkodzenia
z zestykiem zdalnej sygnalizacji
Ogranicznik przepięć typu 3 zgodnie z EN 61643-11
Największe napięcie trwałej pracy: 255 V AC/DC
Całkowity prąd wyładowczy: 5 kA
Napięciowy poziom ochrony L/N: < 1,25 kV
Bezpiecznik dodatkowy: 32 A gG lub B 32 A
Koordynacja energetyczna według DIN EN 62305-4
Ogranicznik przepięć z rodziny Red/Line

Producent: DEHN
Typ: DR M 2P 255 SN1803FM
Nr kat.: 953229
lub podobny.

Certyfikaty

 

Dane techniczne

Ogranicznik przepięć zgodnie z PN-EN 61643-11 typ 3 / klasa III
Największe napięcie trwałej pracy AC (UC ) 255 V (50 / 60 Hz)
Największe napięcie trwałej pracy DC (UC ) 255 V
Znamionowy prąd wyładowczy (8/20 µs) (In ) 3 kA
Całkowity prąd wyładowczy (8/20 µs) [L+N-PE] (Itotal ) 5 kA
Napięciowy poziom ochrony [L-N] / [L/N-PE] (UP ) ≤ 1250 / ≤ 1500 V
Maksymalny bezpiecznik dodatkowy 32 A gG lub B 32 A
Rodzaj zestyku zdalnej sygnalizacji (FM) bezpotencjałowy zestyk przełączny
Moduł ochronny na zamówienie

Produkt 953229 został dodany do notatnika.

Do koszyka dodano produkt 953229.


Powrót na górę