Your dashboard services.
Register to access all tools.

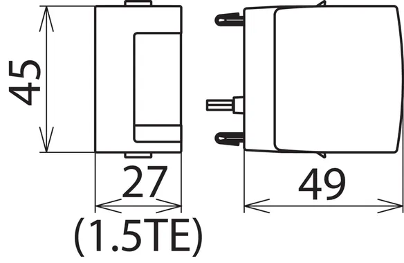
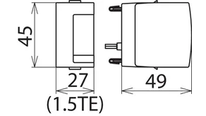
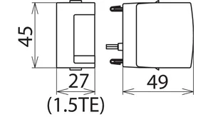
Moduł ochronny do ograniczników DEHNguard M, ... S oraz DEHNgap C S

  • Wysoka zdolność odprowadzania prądów udarowych dzięki zastosowaniu skutecznych warystorów z tlenku cynku / iskierników
  • Wysoka niezawodność dzięki urządzeniu kontrolno-odłączającemu „Thermo Dynamic Control”
  • Skoordynowany energetycznie z innymi ogranicznikami z rodziny produktów Red/Line
  • Wskaźnik działania / uszkodzenia w postaci zielonego / czerwonego znacznika w okienku kontrolnym
  • Łatwa wymiana modułów bez używania narzędzi poprzez zastosowanie rygla blokującego z przyciskiem zwalniającym moduł
  • Odporność na wstrząsy i wibracje zgodnie z normą EN 60068-2

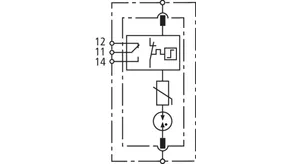
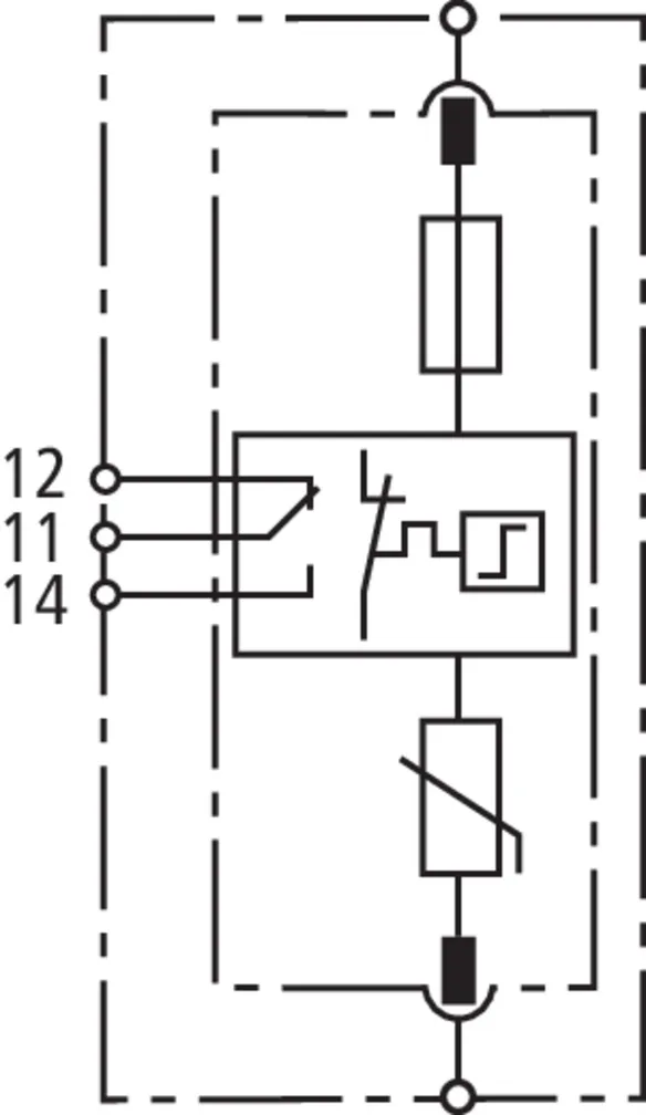
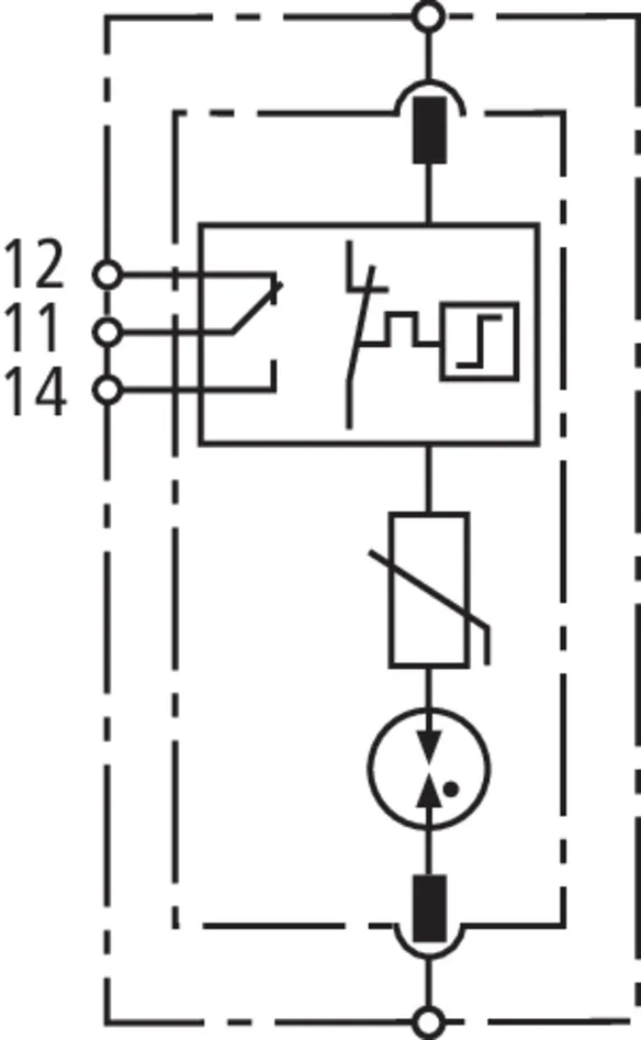
Iskiernikowy moduł ochronny z wyłącznikiem do ograniczników DEHNguard M ACI

2 Produkty

Nr kat. 952024 DG MOD ACI 275

GTIN / EAN 4013364377356, Nr taryfy celnej (EU): 85363030, Waga brutto: 55.00 g, Jednostka opakowaniowa: 1.00 szt.


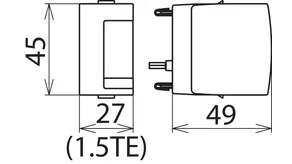
Rysunki

Informacje dodatkowe

Iskiernikowy moduł ochronny z wyłącznikiem DG MOD A 275
Wtykowy moduł ochronny do ograniczników DEHNguard M ACI ...
Typu 2 z rodziny produktów Red/Line -Rodzina produktów
zgodnie z EN 61643-11
Największe napięcie trwałej pracy: 275 V AC / 350 V DC
Znamionowy prąd wyładowczy: 20 kA
Wskaźnik uszkodzenia

Producent: DEHN
Typ: DG MOD ACI 275
Nr kat.: 952024
lub podobny.

Certyfikaty

 

Technika ACI

Dalszy rozwój technologii CI – technika ACI – składa się z kombinacji przełącznika i iskiernika połączonej szeregowo z warystorem o dużej wytrzymałości, dzięki czemu można wyeliminować ewentualne błędy konfiguracyjne podczas doboru wartości bezpiecznika. Odporność na przepięcia dorywcze (TOV) i brak prądu upływu oznacza większą wytrzymałość, a mniejszy przekrój przewodów przyłączeniowych – łatwiejszy montaż. Ograniczniki przepięć z techniką ACI zapewniają maksymalne bezpieczeństwo i dostępność systemu.

Circuit Interruption (przerwanie obwodu)

Ograniczniki przepięć oznaczone tym symbolem posiadają wbudowany bezpiecznik. Oznacza to oszczędność miejsca, niższe koszty montażu, skrócenie czasu montażu, krótsze kable połączeniowe. Wbudowany bezpiecznik występuje w produktach z rodziny DEHNvenCI, DEHNbloc Maxi S, DEHNguard … CI oraz V(A) NH.

Direct Current-Disconnection (rozłączenie obwodu prądu stałego)

W przypadku stosowania ograniczników przepięć w instalacjach prądu stałego, gdzie nie występuje przejście przez zero, także należy zapewnić awaryjne rozłączenie. Technika DCD działa jak klin, który niezawodnie przerywa prąd stały, a tym samym zapobiega pożarom spowodowanym przez łuki przełączające DC. Ten symbol można znaleźć na wszystkich produktach z rodziny DEHNguard SE DC.

Technika SCI

Opatentowana technika SCI z aktywnym gaszeniem łuku pozwala na aktywne, szybkie i bezpieczne wygaszenie ewentualnego łuku łączeniowego powstałego w przypadku przeciążenia. Zintegrowany bezpiecznik zadziała natychmiast po zgaszeniu łuku, zapewniając w ten sposób bezpieczną izolację elektryczną (przerwanie obwodu). Dlatego też wszystkie ograniczniki DEHN do instalacji fotowoltaicznych łączą skuteczną ochronę przepięciową, przeciwpożarową oraz zdrowia i życia ludzkiego w jednym urządzeniu.

Dane techniczne

Znamionowy prąd wyładowczy (8/20 µs) (In ) 20 kA
Największe napięcie trwałej pracy AC (UC ) 275 V

Produkt 952024 został dodany do notatnika.

Do koszyka dodano produkt 952024.

Nr kat. 952028 DG MOD ACI 385

GTIN / EAN 4013364387843, Nr taryfy celnej (EU): 85363030, Waga brutto: 66.00 g, Jednostka opakowaniowa: 1.00 szt.


Rysunki

Informacje dodatkowe

Iskiernikowy moduł ochronny z wyłącznikiem DG MOD A 275
Wtykowy moduł ochronny do ograniczników DEHNguard M ACI ...
Typu 2 z rodziny produktów Red/Line -Rodzina produktów
zgodnie z EN 61643-11
Największe napięcie trwałej pracy: 275 V AC / 350 V DC
Znamionowy prąd wyładowczy: 20 kA
Wskaźnik uszkodzenia

Producent: DEHN
Typ: DG MOD ACI 385
Nr kat.: 952028
lub podobny.

 

Technika ACI

Dalszy rozwój technologii CI – technika ACI – składa się z kombinacji przełącznika i iskiernika połączonej szeregowo z warystorem o dużej wytrzymałości, dzięki czemu można wyeliminować ewentualne błędy konfiguracyjne podczas doboru wartości bezpiecznika. Odporność na przepięcia dorywcze (TOV) i brak prądu upływu oznacza większą wytrzymałość, a mniejszy przekrój przewodów przyłączeniowych – łatwiejszy montaż. Ograniczniki przepięć z techniką ACI zapewniają maksymalne bezpieczeństwo i dostępność systemu.

Circuit Interruption (przerwanie obwodu)

Ograniczniki przepięć oznaczone tym symbolem posiadają wbudowany bezpiecznik. Oznacza to oszczędność miejsca, niższe koszty montażu, skrócenie czasu montażu, krótsze kable połączeniowe. Wbudowany bezpiecznik występuje w produktach z rodziny DEHNvenCI, DEHNbloc Maxi S, DEHNguard … CI oraz V(A) NH.

Direct Current-Disconnection (rozłączenie obwodu prądu stałego)

W przypadku stosowania ograniczników przepięć w instalacjach prądu stałego, gdzie nie występuje przejście przez zero, także należy zapewnić awaryjne rozłączenie. Technika DCD działa jak klin, który niezawodnie przerywa prąd stały, a tym samym zapobiega pożarom spowodowanym przez łuki przełączające DC. Ten symbol można znaleźć na wszystkich produktach z rodziny DEHNguard SE DC.

Technika SCI

Opatentowana technika SCI z aktywnym gaszeniem łuku pozwala na aktywne, szybkie i bezpieczne wygaszenie ewentualnego łuku łączeniowego powstałego w przypadku przeciążenia. Zintegrowany bezpiecznik zadziała natychmiast po zgaszeniu łuku, zapewniając w ten sposób bezpieczną izolację elektryczną (przerwanie obwodu). Dlatego też wszystkie ograniczniki DEHN do instalacji fotowoltaicznych łączą skuteczną ochronę przepięciową, przeciwpożarową oraz zdrowia i życia ludzkiego w jednym urządzeniu.

Dane techniczne

Znamionowy prąd wyładowczy (8/20 µs) (In ) 20 kA
Największe napięcie trwałej pracy AC (UC ) 385 V

Produkt 952028 został dodany do notatnika.

Do koszyka dodano produkt 952028.


Iskiernikowy moduł ochronny do ograniczników DEHNguard M ACI

1 Produkt

Nr kat. 952022 DG MOD A NPE

GTIN / EAN 4013364376533, Nr taryfy celnej (EU): 85363030, Waga brutto: 46.00 g, Jednostka opakowaniowa: 1.00 szt.


Rysunki

Informacje dodatkowe

Iskiernikowy moduł ochronny DG MOD A NPE
Wtykowy moduł ochronny do ograniczników DEHNguard M ACI ...
Typu 2 z rodziny produktów Red/Line -Rodzina produktów
zgodnie z EN 61643-11
Największe napięcie trwałej pracy: 275 V AC / 350 V DC
Znamionowy prąd wyładowczy: 20 kA
Wskaźnik uszkodzenia

Producent: DEHN
Typ: DG MOD A NPE
Nr kat.: 952022
lub podobny.

Certyfikaty

 

Technika ACI

Dalszy rozwój technologii CI – technika ACI – składa się z kombinacji przełącznika i iskiernika połączonej szeregowo z warystorem o dużej wytrzymałości, dzięki czemu można wyeliminować ewentualne błędy konfiguracyjne podczas doboru wartości bezpiecznika. Odporność na przepięcia dorywcze (TOV) i brak prądu upływu oznacza większą wytrzymałość, a mniejszy przekrój przewodów przyłączeniowych – łatwiejszy montaż. Ograniczniki przepięć z techniką ACI zapewniają maksymalne bezpieczeństwo i dostępność systemu.

Circuit Interruption (przerwanie obwodu)

Ograniczniki przepięć oznaczone tym symbolem posiadają wbudowany bezpiecznik. Oznacza to oszczędność miejsca, niższe koszty montażu, skrócenie czasu montażu, krótsze kable połączeniowe. Wbudowany bezpiecznik występuje w produktach z rodziny DEHNvenCI, DEHNbloc Maxi S, DEHNguard … CI oraz V(A) NH.

Direct Current-Disconnection (rozłączenie obwodu prądu stałego)

W przypadku stosowania ograniczników przepięć w instalacjach prądu stałego, gdzie nie występuje przejście przez zero, także należy zapewnić awaryjne rozłączenie. Technika DCD działa jak klin, który niezawodnie przerywa prąd stały, a tym samym zapobiega pożarom spowodowanym przez łuki przełączające DC. Ten symbol można znaleźć na wszystkich produktach z rodziny DEHNguard SE DC.

Technika SCI

Opatentowana technika SCI z aktywnym gaszeniem łuku pozwala na aktywne, szybkie i bezpieczne wygaszenie ewentualnego łuku łączeniowego powstałego w przypadku przeciążenia. Zintegrowany bezpiecznik zadziała natychmiast po zgaszeniu łuku, zapewniając w ten sposób bezpieczną izolację elektryczną (przerwanie obwodu). Dlatego też wszystkie ograniczniki DEHN do instalacji fotowoltaicznych łączą skuteczną ochronę przepięciową, przeciwpożarową oraz zdrowia i życia ludzkiego w jednym urządzeniu.

Dane techniczne

Znamionowy prąd wyładowczy (8/20 µs) (In ) 20 kA
Maksymalny prąd wyładowczy (8/20 µs) (Imax ) 40 kA
Największe napięcie trwałej pracy AC (UC ) 255 V

Produkt 952022 został dodany do notatnika.

Do koszyka dodano produkt 952022.


Warystorowy moduł ochronny do ograniczników DEHNguard M CI

1 Produkt

Nr kat. 952020 DG MOD CI 275

GTIN / EAN 4013364127784, Nr taryfy celnej (EU): 85363030, Waga brutto: 59.30 g, Jednostka opakowaniowa: 1.00 szt.


Rysunki

Informacje dodatkowe

Warystorowy moduł ochronny DG MOD CI 275
Wtykowy moduł ochronny do ograniczników DEHNguard M CI
typu 2 z rodziny produktów Red/Line -Rodzina produktów zgodna z normą EN 61643-11
Największe napięcie trwałej pracy: 275 V AC
Znamionowy prąd wyładowczy: 12,5 kA
Wskaźnik uszkodzenia

Producent: DEHN
Typ: DG MOD CI 275
Nr kat.: 952020
lub podobny.

Certyfikaty

 

Circuit Interruption (przerwanie obwodu)

Ograniczniki przepięć oznaczone tym symbolem posiadają wbudowany bezpiecznik. Oznacza to oszczędność miejsca, niższe koszty montażu, skrócenie czasu montażu, krótsze kable połączeniowe. Wbudowany bezpiecznik występuje w produktach z rodziny DEHNvenCI, DEHNbloc Maxi S, DEHNguard … CI oraz V(A) NH.

Direct Current-Disconnection (rozłączenie obwodu prądu stałego)

W przypadku stosowania ograniczników przepięć w instalacjach prądu stałego, gdzie nie występuje przejście przez zero, także należy zapewnić awaryjne rozłączenie. Technika DCD działa jak klin, który niezawodnie przerywa prąd stały, a tym samym zapobiega pożarom spowodowanym przez łuki przełączające DC. Ten symbol można znaleźć na wszystkich produktach z rodziny DEHNguard SE DC.

Technika SCI

Opatentowana technika SCI z aktywnym gaszeniem łuku pozwala na aktywne, szybkie i bezpieczne wygaszenie ewentualnego łuku łączeniowego powstałego w przypadku przeciążenia. Zintegrowany bezpiecznik zadziała natychmiast po zgaszeniu łuku, zapewniając w ten sposób bezpieczną izolację elektryczną (przerwanie obwodu). Dlatego też wszystkie ograniczniki DEHN do instalacji fotowoltaicznych łączą skuteczną ochronę przepięciową, przeciwpożarową oraz zdrowia i życia ludzkiego w jednym urządzeniu.

Dane techniczne

Znamionowy prąd wyładowczy (8/20 µs) (In ) 12,5 kA
Maksymalny prąd wyładowczy (8/20 µs) (Imax ) 25 kA
Największe napięcie trwałej pracy AC (UC ) 275 V

Produkt 952020 został dodany do notatnika.

Do koszyka dodano produkt 952020.


Warystorowy moduł ochronny do ograniczników DEHNguard SE CI ...

2 Produkty

Nr kat. 952926 DG MOD E CI 440

GTIN / EAN 4013364322646, Nr taryfy celnej (EU): 85363030, Waga brutto: 83.00 g, Jednostka opakowaniowa: 1.00 szt.


Rysunki

Informacje dodatkowe

Warystorowy moduł ochronny DG MOD E CI 440
Wtykowy moduł ochronny do ograniczników DEHNguard SE CI
Typu 2 z rodziny produktów Red/Line -Rodzina produktów
zgodnie z EN 61643-11
Największe napięcie trwałej pracy: 440 V AC
Znamionowy prąd wyładowczy: 12,5 kA
Wskaźnik uszkodzenia

Producent: DEHN
Typ: DG MOD E CI 440
Nr kat.: 952926
lub podobny.

Certyfikaty

 

Circuit Interruption (przerwanie obwodu)

Ograniczniki przepięć oznaczone tym symbolem posiadają wbudowany bezpiecznik. Oznacza to oszczędność miejsca, niższe koszty montażu, skrócenie czasu montażu, krótsze kable połączeniowe. Wbudowany bezpiecznik występuje w produktach z rodziny DEHNvenCI, DEHNbloc Maxi S, DEHNguard … CI oraz V(A) NH.

Direct Current-Disconnection (rozłączenie obwodu prądu stałego)

W przypadku stosowania ograniczników przepięć w instalacjach prądu stałego, gdzie nie występuje przejście przez zero, także należy zapewnić awaryjne rozłączenie. Technika DCD działa jak klin, który niezawodnie przerywa prąd stały, a tym samym zapobiega pożarom spowodowanym przez łuki przełączające DC. Ten symbol można znaleźć na wszystkich produktach z rodziny DEHNguard SE DC.

Technika SCI

Opatentowana technika SCI z aktywnym gaszeniem łuku pozwala na aktywne, szybkie i bezpieczne wygaszenie ewentualnego łuku łączeniowego powstałego w przypadku przeciążenia. Zintegrowany bezpiecznik zadziała natychmiast po zgaszeniu łuku, zapewniając w ten sposób bezpieczną izolację elektryczną (przerwanie obwodu). Dlatego też wszystkie ograniczniki DEHN do instalacji fotowoltaicznych łączą skuteczną ochronę przepięciową, przeciwpożarową oraz zdrowia i życia ludzkiego w jednym urządzeniu.

Dane techniczne

Znamionowy prąd wyładowczy (8/20 µs) (In ) 12,5 kA
Największe napięcie trwałej pracy AC (UC ) 440 V
Znamionowe napięcie warystora AC (Umov ) 440 V

Produkt 952926 został dodany do notatnika.

Do koszyka dodano produkt 952926.

Nr kat. 952927 DG MOD E CI WE 440

GTIN / EAN 4013364322653, Nr taryfy celnej (EU): 85363030, Waga brutto: 82.00 g, Jednostka opakowaniowa: 1.00 szt.


Rysunki

Informacje dodatkowe

Warystorowy moduł ochronny DG MOD E CI WE 440
Wtykowy moduł ochronny do ograniczników DEHNguard SE CI
Typu 2 z rodziny produktów Red/Line -Rodzina produktów
zgodnie z EN 61643-11
Największe napięcie trwałej pracy: 440 V AC
Znamionowe napięcie warystora: 750 V AC
Znamionowy prąd wyładowczy: 12,5 kA
Wskaźnik uszkodzenia

Producent: DEHN
Typ: DG MOD E CI WE 440
Nr kat.: 952927
lub podobny.

Certyfikaty

 

Circuit Interruption (przerwanie obwodu)

Ograniczniki przepięć oznaczone tym symbolem posiadają wbudowany bezpiecznik. Oznacza to oszczędność miejsca, niższe koszty montażu, skrócenie czasu montażu, krótsze kable połączeniowe. Wbudowany bezpiecznik występuje w produktach z rodziny DEHNvenCI, DEHNbloc Maxi S, DEHNguard … CI oraz V(A) NH.

Direct Current-Disconnection (rozłączenie obwodu prądu stałego)

W przypadku stosowania ograniczników przepięć w instalacjach prądu stałego, gdzie nie występuje przejście przez zero, także należy zapewnić awaryjne rozłączenie. Technika DCD działa jak klin, który niezawodnie przerywa prąd stały, a tym samym zapobiega pożarom spowodowanym przez łuki przełączające DC. Ten symbol można znaleźć na wszystkich produktach z rodziny DEHNguard SE DC.

Technika SCI

Opatentowana technika SCI z aktywnym gaszeniem łuku pozwala na aktywne, szybkie i bezpieczne wygaszenie ewentualnego łuku łączeniowego powstałego w przypadku przeciążenia. Zintegrowany bezpiecznik zadziała natychmiast po zgaszeniu łuku, zapewniając w ten sposób bezpieczną izolację elektryczną (przerwanie obwodu). Dlatego też wszystkie ograniczniki DEHN do instalacji fotowoltaicznych łączą skuteczną ochronę przepięciową, przeciwpożarową oraz zdrowia i życia ludzkiego w jednym urządzeniu.

Dane techniczne

Znamionowy prąd wyładowczy (8/20 µs) (In ) 12,5 kA
Największe napięcie trwałej pracy AC (UC ) 440 V
Znamionowe napięcie warystora AC (Umov ) 750 V

Produkt 952927 został dodany do notatnika.

Do koszyka dodano produkt 952927.


Warystorowy moduł ochronny do ograniczników DEHNguard M i DEHNguard S

8 Produkty

Nr kat. 952018 DG MOD 48

GTIN / EAN 4013364119482, Nr taryfy celnej (EU): 85363030, Waga brutto: 43.50 g, Jednostka opakowaniowa: 1.00 szt.


Rysunki

Informacje dodatkowe

Warystorowy moduł ochronny DG MOD 48
Wtykowy moduł ochronny do ograniczników DEHNguard S ...
Typu 2 z rodziny produktów Red/Line -Rodzina produktów
zgodnie z EN 61643-11
Wysokowydajna technologia warystorów
Największe napięcie trwałej pracy: 48 V AC / 60 V DC
Znamionowy prąd wyładowczy: 7,5 kA
Wskaźnik uszkodzenia

Producent: DEHN
Typ: DG MOD 48
Nr kat.: 952018
lub podobny.

Certyfikaty

 

Circuit Interruption (przerwanie obwodu)

Ograniczniki przepięć oznaczone tym symbolem posiadają wbudowany bezpiecznik. Oznacza to oszczędność miejsca, niższe koszty montażu, skrócenie czasu montażu, krótsze kable połączeniowe. Wbudowany bezpiecznik występuje w produktach z rodziny DEHNvenCI, DEHNbloc Maxi S, DEHNguard … CI oraz V(A) NH.

Direct Current-Disconnection (rozłączenie obwodu prądu stałego)

W przypadku stosowania ograniczników przepięć w instalacjach prądu stałego, gdzie nie występuje przejście przez zero, także należy zapewnić awaryjne rozłączenie. Technika DCD działa jak klin, który niezawodnie przerywa prąd stały, a tym samym zapobiega pożarom spowodowanym przez łuki przełączające DC. Ten symbol można znaleźć na wszystkich produktach z rodziny DEHNguard SE DC.

Technika SCI

Opatentowana technika SCI z aktywnym gaszeniem łuku pozwala na aktywne, szybkie i bezpieczne wygaszenie ewentualnego łuku łączeniowego powstałego w przypadku przeciążenia. Zintegrowany bezpiecznik zadziała natychmiast po zgaszeniu łuku, zapewniając w ten sposób bezpieczną izolację elektryczną (przerwanie obwodu). Dlatego też wszystkie ograniczniki DEHN do instalacji fotowoltaicznych łączą skuteczną ochronę przepięciową, przeciwpożarową oraz zdrowia i życia ludzkiego w jednym urządzeniu.

Dane techniczne

Znamionowy prąd wyładowczy (8/20 µs) (In ) 7,5 kA
Maksymalny prąd wyładowczy (8/20 µs) (Imax ) 25 kA
Największe napięcie trwałej pracy AC (UC ) 48 V

Produkt 952018 został dodany do notatnika.

Do koszyka dodano produkt 952018.

Nr kat. 952011 DG MOD 75

GTIN / EAN 4013364109773, Nr taryfy celnej (EU): 85363030, Waga brutto: 39.30 g, Jednostka opakowaniowa: 1.00 szt.


Rysunki

Informacje dodatkowe

Warystorowy moduł ochronny DG MOD 75
Wtykowy moduł ochronny do ograniczników DEHNguard S ...
Typu 2 z rodziny produktów Red/Line -Rodzina produktów
zgodnie z EN 61643-11
Wysokowydajna technologia warystorów
Największe napięcie trwałej pracy: 75 V AC / 100 V DC
Znamionowy prąd wyładowczy: 10 kA
Wskaźnik uszkodzenia

Producent: DEHN
Typ: DG MOD 75
Nr kat.: 952011
lub podobny.

Certyfikaty

 

Circuit Interruption (przerwanie obwodu)

Ograniczniki przepięć oznaczone tym symbolem posiadają wbudowany bezpiecznik. Oznacza to oszczędność miejsca, niższe koszty montażu, skrócenie czasu montażu, krótsze kable połączeniowe. Wbudowany bezpiecznik występuje w produktach z rodziny DEHNvenCI, DEHNbloc Maxi S, DEHNguard … CI oraz V(A) NH.

Direct Current-Disconnection (rozłączenie obwodu prądu stałego)

W przypadku stosowania ograniczników przepięć w instalacjach prądu stałego, gdzie nie występuje przejście przez zero, także należy zapewnić awaryjne rozłączenie. Technika DCD działa jak klin, który niezawodnie przerywa prąd stały, a tym samym zapobiega pożarom spowodowanym przez łuki przełączające DC. Ten symbol można znaleźć na wszystkich produktach z rodziny DEHNguard SE DC.

Technika SCI

Opatentowana technika SCI z aktywnym gaszeniem łuku pozwala na aktywne, szybkie i bezpieczne wygaszenie ewentualnego łuku łączeniowego powstałego w przypadku przeciążenia. Zintegrowany bezpiecznik zadziała natychmiast po zgaszeniu łuku, zapewniając w ten sposób bezpieczną izolację elektryczną (przerwanie obwodu). Dlatego też wszystkie ograniczniki DEHN do instalacji fotowoltaicznych łączą skuteczną ochronę przepięciową, przeciwpożarową oraz zdrowia i życia ludzkiego w jednym urządzeniu.

Dane techniczne

Znamionowy prąd wyładowczy (8/20 µs) (In ) 10 kA
Maksymalny prąd wyładowczy (8/20 µs) (Imax ) 40 kA
Największe napięcie trwałej pracy AC (UC ) 75 V

Produkt 952011 został dodany do notatnika.

Do koszyka dodano produkt 952011.

Nr kat. 952012 DG MOD 150

GTIN / EAN 4013364109780, Nr taryfy celnej (EU): 85363030, Waga brutto: 42.23 g, Jednostka opakowaniowa: 1.00 szt.


Rysunki

Informacje dodatkowe

Warystorowy moduł ochronny DG MOD 150
Wtykowy moduł ochronny do ograniczników DEHNguard S ...
Typu 2 z rodziny produktów Red/Line -Rodzina produktów
zgodnie z EN 61643-11
Wysokowydajna technologia warystorów
Największe napięcie trwałej pracy: 150 V AC / 200 V DC
Znamionowy prąd wyładowczy: 15 kA
Wskaźnik uszkodzenia

Producent: DEHN
Typ: DG MOD 150
Nr kat.: 952012
lub podobny.

Certyfikaty

 

Circuit Interruption (przerwanie obwodu)

Ograniczniki przepięć oznaczone tym symbolem posiadają wbudowany bezpiecznik. Oznacza to oszczędność miejsca, niższe koszty montażu, skrócenie czasu montażu, krótsze kable połączeniowe. Wbudowany bezpiecznik występuje w produktach z rodziny DEHNvenCI, DEHNbloc Maxi S, DEHNguard … CI oraz V(A) NH.

Direct Current-Disconnection (rozłączenie obwodu prądu stałego)

W przypadku stosowania ograniczników przepięć w instalacjach prądu stałego, gdzie nie występuje przejście przez zero, także należy zapewnić awaryjne rozłączenie. Technika DCD działa jak klin, który niezawodnie przerywa prąd stały, a tym samym zapobiega pożarom spowodowanym przez łuki przełączające DC. Ten symbol można znaleźć na wszystkich produktach z rodziny DEHNguard SE DC.

Technika SCI

Opatentowana technika SCI z aktywnym gaszeniem łuku pozwala na aktywne, szybkie i bezpieczne wygaszenie ewentualnego łuku łączeniowego powstałego w przypadku przeciążenia. Zintegrowany bezpiecznik zadziała natychmiast po zgaszeniu łuku, zapewniając w ten sposób bezpieczną izolację elektryczną (przerwanie obwodu). Dlatego też wszystkie ograniczniki DEHN do instalacji fotowoltaicznych łączą skuteczną ochronę przepięciową, przeciwpożarową oraz zdrowia i życia ludzkiego w jednym urządzeniu.

Dane techniczne

Znamionowy prąd wyładowczy (8/20 µs) (In ) 15 kA
Maksymalny prąd wyładowczy (8/20 µs) (Imax ) 40 kA
Największe napięcie trwałej pracy AC (UC ) 150 V

Produkt 952012 został dodany do notatnika.

Do koszyka dodano produkt 952012.

Nr kat. 952010 DG MOD 275

GTIN / EAN 4013364108356, Nr taryfy celnej (EU): 85363030, Waga brutto: 49.80 g, Jednostka opakowaniowa: 1.00 szt.


Rysunki

Informacje dodatkowe

Warystorowy moduł ochronny DG MOD 275
Wtykowy moduł ochronny do ograniczników DEHNguard M ...
oraz DEHNguard S ...
Typu 2 z rodziny produktów Red/Line -Rodzina produktów
zgodnie z EN 61643-11
Największe napięcie trwałej pracy: 275 V AC / 350 V DC
Znamionowy prąd wyładowczy: 20 kA
Wskaźnik uszkodzenia

Producent: DEHN
Typ: DG MOD 275
Nr kat.: 952010
lub podobny.

Certyfikaty

 

Circuit Interruption (przerwanie obwodu)

Ograniczniki przepięć oznaczone tym symbolem posiadają wbudowany bezpiecznik. Oznacza to oszczędność miejsca, niższe koszty montażu, skrócenie czasu montażu, krótsze kable połączeniowe. Wbudowany bezpiecznik występuje w produktach z rodziny DEHNvenCI, DEHNbloc Maxi S, DEHNguard … CI oraz V(A) NH.

Direct Current-Disconnection (rozłączenie obwodu prądu stałego)

W przypadku stosowania ograniczników przepięć w instalacjach prądu stałego, gdzie nie występuje przejście przez zero, także należy zapewnić awaryjne rozłączenie. Technika DCD działa jak klin, który niezawodnie przerywa prąd stały, a tym samym zapobiega pożarom spowodowanym przez łuki przełączające DC. Ten symbol można znaleźć na wszystkich produktach z rodziny DEHNguard SE DC.

Technika SCI

Opatentowana technika SCI z aktywnym gaszeniem łuku pozwala na aktywne, szybkie i bezpieczne wygaszenie ewentualnego łuku łączeniowego powstałego w przypadku przeciążenia. Zintegrowany bezpiecznik zadziała natychmiast po zgaszeniu łuku, zapewniając w ten sposób bezpieczną izolację elektryczną (przerwanie obwodu). Dlatego też wszystkie ograniczniki DEHN do instalacji fotowoltaicznych łączą skuteczną ochronę przepięciową, przeciwpożarową oraz zdrowia i życia ludzkiego w jednym urządzeniu.

Dane techniczne

Znamionowy prąd wyładowczy (8/20 µs) (In ) 20 kA
Maksymalny prąd wyładowczy (8/20 µs) (Imax ) 40 kA
Największe napięcie trwałej pracy AC (UC ) 275 V

Produkt 952010 został dodany do notatnika.

Do koszyka dodano produkt 952010.

Nr kat. 952013 DG MOD 320

GTIN / EAN 4013364109797, Nr taryfy celnej (EU): 85363030, Waga brutto: 52.50 g, Jednostka opakowaniowa: 1.00 szt.


Rysunki

Informacje dodatkowe

Warystorowy moduł ochronny DG MOD 320
Wtykowy moduł ochronny do ograniczników DEHNguard M ... oraz
DEHNguard S ...
Typu 2 z rodziny produktów Red/Line -Rodzina produktów
zgodnie z EN 61643-11
Wysokowydajna technologia warystorów
Największe napięcie trwałej pracy: 320 V AC / 420 V DC
Znamionowy prąd wyładowczy: 20 kA
Wskaźnik uszkodzenia

Producent: DEHN
Typ: DG MOD 320
Nr kat.: 952013
lub podobny.

Certyfikaty

 

Circuit Interruption (przerwanie obwodu)

Ograniczniki przepięć oznaczone tym symbolem posiadają wbudowany bezpiecznik. Oznacza to oszczędność miejsca, niższe koszty montażu, skrócenie czasu montażu, krótsze kable połączeniowe. Wbudowany bezpiecznik występuje w produktach z rodziny DEHNvenCI, DEHNbloc Maxi S, DEHNguard … CI oraz V(A) NH.

Direct Current-Disconnection (rozłączenie obwodu prądu stałego)

W przypadku stosowania ograniczników przepięć w instalacjach prądu stałego, gdzie nie występuje przejście przez zero, także należy zapewnić awaryjne rozłączenie. Technika DCD działa jak klin, który niezawodnie przerywa prąd stały, a tym samym zapobiega pożarom spowodowanym przez łuki przełączające DC. Ten symbol można znaleźć na wszystkich produktach z rodziny DEHNguard SE DC.

Technika SCI

Opatentowana technika SCI z aktywnym gaszeniem łuku pozwala na aktywne, szybkie i bezpieczne wygaszenie ewentualnego łuku łączeniowego powstałego w przypadku przeciążenia. Zintegrowany bezpiecznik zadziała natychmiast po zgaszeniu łuku, zapewniając w ten sposób bezpieczną izolację elektryczną (przerwanie obwodu). Dlatego też wszystkie ograniczniki DEHN do instalacji fotowoltaicznych łączą skuteczną ochronę przepięciową, przeciwpożarową oraz zdrowia i życia ludzkiego w jednym urządzeniu.

Dane techniczne

Znamionowy prąd wyładowczy (8/20 µs) (In ) 20 kA
Maksymalny prąd wyładowczy (8/20 µs) (Imax ) 40 kA
Największe napięcie trwałej pracy AC (UC ) 320 V

Produkt 952013 został dodany do notatnika.

Do koszyka dodano produkt 952013.

Nr kat. 952014 DG MOD 385

GTIN / EAN 4013364108363, Nr taryfy celnej (EU): 85363030, Waga brutto: 56.80 g, Jednostka opakowaniowa: 1.00 szt.


Rysunki

Informacje dodatkowe

Warystorowy moduł ochronny DG MOD 385
Wtykowy moduł ochronny do ograniczników DEHNguard M ... oraz
DEHNguard S ...
Typu 2 z rodziny produktów Red/Line -Rodzina produktów
zgodnie z EN 61643-11
Wysokowydajna technologia warystorów
Największe napięcie trwałej pracy: 385 V AC / 500 V DC
Znamionowy prąd wyładowczy: 20 kA
Wskaźnik uszkodzenia

Producent: DEHN
Typ: DG MOD 385
Nr kat.: 952014
lub podobny.

Certyfikaty

 

Circuit Interruption (przerwanie obwodu)

Ograniczniki przepięć oznaczone tym symbolem posiadają wbudowany bezpiecznik. Oznacza to oszczędność miejsca, niższe koszty montażu, skrócenie czasu montażu, krótsze kable połączeniowe. Wbudowany bezpiecznik występuje w produktach z rodziny DEHNvenCI, DEHNbloc Maxi S, DEHNguard … CI oraz V(A) NH.

Direct Current-Disconnection (rozłączenie obwodu prądu stałego)

W przypadku stosowania ograniczników przepięć w instalacjach prądu stałego, gdzie nie występuje przejście przez zero, także należy zapewnić awaryjne rozłączenie. Technika DCD działa jak klin, który niezawodnie przerywa prąd stały, a tym samym zapobiega pożarom spowodowanym przez łuki przełączające DC. Ten symbol można znaleźć na wszystkich produktach z rodziny DEHNguard SE DC.

Technika SCI

Opatentowana technika SCI z aktywnym gaszeniem łuku pozwala na aktywne, szybkie i bezpieczne wygaszenie ewentualnego łuku łączeniowego powstałego w przypadku przeciążenia. Zintegrowany bezpiecznik zadziała natychmiast po zgaszeniu łuku, zapewniając w ten sposób bezpieczną izolację elektryczną (przerwanie obwodu). Dlatego też wszystkie ograniczniki DEHN do instalacji fotowoltaicznych łączą skuteczną ochronę przepięciową, przeciwpożarową oraz zdrowia i życia ludzkiego w jednym urządzeniu.

Dane techniczne

Znamionowy prąd wyładowczy (8/20 µs) (In ) 20 kA
Maksymalny prąd wyładowczy (8/20 µs) (Imax ) 40 kA
Największe napięcie trwałej pracy AC (UC ) 385 V

Produkt 952014 został dodany do notatnika.

Do koszyka dodano produkt 952014.

Nr kat. 952015 DG MOD 440

GTIN / EAN 4013364109803, Nr taryfy celnej (EU): 85363030, Waga brutto: 60.00 g, Jednostka opakowaniowa: 1.00 szt.


Rysunki

Informacje dodatkowe

Warystorowy moduł ochronny DG MOD 440
Wtykowy moduł ochronny do ograniczników DEHNguard M ...
oraz DEHNguard S ...
Typu 2 z rodziny produktów Red/Line -Rodzina produktów
zgodnie z EN 61643-11
Wysokowydajna technologia warystorów
Największe napięcie trwałej pracy: 440 V AC / 585 V DC
Znamionowy prąd wyładowczy: 20 kA
Wskaźnik uszkodzenia

Producent: DEHN
Typ: DG MOD 440
Nr kat.: 952015
lub podobny.

Certyfikaty

 

Circuit Interruption (przerwanie obwodu)

Ograniczniki przepięć oznaczone tym symbolem posiadają wbudowany bezpiecznik. Oznacza to oszczędność miejsca, niższe koszty montażu, skrócenie czasu montażu, krótsze kable połączeniowe. Wbudowany bezpiecznik występuje w produktach z rodziny DEHNvenCI, DEHNbloc Maxi S, DEHNguard … CI oraz V(A) NH.

Direct Current-Disconnection (rozłączenie obwodu prądu stałego)

W przypadku stosowania ograniczników przepięć w instalacjach prądu stałego, gdzie nie występuje przejście przez zero, także należy zapewnić awaryjne rozłączenie. Technika DCD działa jak klin, który niezawodnie przerywa prąd stały, a tym samym zapobiega pożarom spowodowanym przez łuki przełączające DC. Ten symbol można znaleźć na wszystkich produktach z rodziny DEHNguard SE DC.

Technika SCI

Opatentowana technika SCI z aktywnym gaszeniem łuku pozwala na aktywne, szybkie i bezpieczne wygaszenie ewentualnego łuku łączeniowego powstałego w przypadku przeciążenia. Zintegrowany bezpiecznik zadziała natychmiast po zgaszeniu łuku, zapewniając w ten sposób bezpieczną izolację elektryczną (przerwanie obwodu). Dlatego też wszystkie ograniczniki DEHN do instalacji fotowoltaicznych łączą skuteczną ochronę przepięciową, przeciwpożarową oraz zdrowia i życia ludzkiego w jednym urządzeniu.

Dane techniczne

Znamionowy prąd wyładowczy (8/20 µs) (In ) 20 kA
Maksymalny prąd wyładowczy (8/20 µs) (Imax ) 40 kA
Największe napięcie trwałej pracy AC (UC ) 440 V

Produkt 952015 został dodany do notatnika.

Do koszyka dodano produkt 952015.

Nr kat. 952016 DG MOD 600

GTIN / EAN 4013364109810, Nr taryfy celnej (EU): 85363030, Waga brutto: 70.60 g, Jednostka opakowaniowa: 1.00 szt.


Rysunki

Informacje dodatkowe

Warystorowy moduł ochronny DG MOD 600
Wtykowy moduł ochronny do ograniczników DEHNguard S ...
Typu 2 z rodziny produktów Red/Line -Rodzina produktów
zgodnie z EN 61643-11
Wysokowydajna technologia warystorów
Największe napięcie trwałej pracy: 600 V AC / 600 V DC
Znamionowy prąd wyładowczy: 15 kA
Wskaźnik uszkodzenia

Producent: DEHN
Typ: DG MOD 600
Nr kat.: 952016
lub podobny.

Certyfikaty

 

Circuit Interruption (przerwanie obwodu)

Ograniczniki przepięć oznaczone tym symbolem posiadają wbudowany bezpiecznik. Oznacza to oszczędność miejsca, niższe koszty montażu, skrócenie czasu montażu, krótsze kable połączeniowe. Wbudowany bezpiecznik występuje w produktach z rodziny DEHNvenCI, DEHNbloc Maxi S, DEHNguard … CI oraz V(A) NH.

Direct Current-Disconnection (rozłączenie obwodu prądu stałego)

W przypadku stosowania ograniczników przepięć w instalacjach prądu stałego, gdzie nie występuje przejście przez zero, także należy zapewnić awaryjne rozłączenie. Technika DCD działa jak klin, który niezawodnie przerywa prąd stały, a tym samym zapobiega pożarom spowodowanym przez łuki przełączające DC. Ten symbol można znaleźć na wszystkich produktach z rodziny DEHNguard SE DC.

Technika SCI

Opatentowana technika SCI z aktywnym gaszeniem łuku pozwala na aktywne, szybkie i bezpieczne wygaszenie ewentualnego łuku łączeniowego powstałego w przypadku przeciążenia. Zintegrowany bezpiecznik zadziała natychmiast po zgaszeniu łuku, zapewniając w ten sposób bezpieczną izolację elektryczną (przerwanie obwodu). Dlatego też wszystkie ograniczniki DEHN do instalacji fotowoltaicznych łączą skuteczną ochronę przepięciową, przeciwpożarową oraz zdrowia i życia ludzkiego w jednym urządzeniu.

Dane techniczne

Znamionowy prąd wyładowczy (8/20 µs) (In ) 15 kA
Maksymalny prąd wyładowczy (8/20 µs) (Imax ) 30 kA
Największe napięcie trwałej pracy AC (UC ) 600 V

Produkt 952016 został dodany do notatnika.

Do koszyka dodano produkt 952016.


Warystorowy moduł ochronny do ograniczników DEHNguard M (S) WE

1 Produkt

Nr kat. 952017 DG MOD 750

GTIN / EAN 4013364113329, Nr taryfy celnej (EU): 85363030, Waga brutto: 69.70 g, Jednostka opakowaniowa: 1.00 szt.


Rysunki

Informacje dodatkowe

Warystorowy moduł ochronny DG MOD 750
Wtykowy moduł ochronny do ograniczników DEHNguard S WE 600 (FM)
oraz DG M WE 600 (FM)
Typu 2 z rodziny produktów Red/Line -Rodzina produktów
zgodnie z EN 61643-11
Wysokowydajna technologia warystorów
Największe napięcie trwałej pracy: 600 V AC / 600 V DC
Znamionowe napięcie warystora: 750 V AC
Znamionowy prąd wyładowczy: 15 kA
Wskaźnik uszkodzenia

Producent: DEHN
Typ: DG MOD 750
Nr kat.: 952017
lub podobny.

Certyfikaty

 

Circuit Interruption (przerwanie obwodu)

Ograniczniki przepięć oznaczone tym symbolem posiadają wbudowany bezpiecznik. Oznacza to oszczędność miejsca, niższe koszty montażu, skrócenie czasu montażu, krótsze kable połączeniowe. Wbudowany bezpiecznik występuje w produktach z rodziny DEHNvenCI, DEHNbloc Maxi S, DEHNguard … CI oraz V(A) NH.

Direct Current-Disconnection (rozłączenie obwodu prądu stałego)

W przypadku stosowania ograniczników przepięć w instalacjach prądu stałego, gdzie nie występuje przejście przez zero, także należy zapewnić awaryjne rozłączenie. Technika DCD działa jak klin, który niezawodnie przerywa prąd stały, a tym samym zapobiega pożarom spowodowanym przez łuki przełączające DC. Ten symbol można znaleźć na wszystkich produktach z rodziny DEHNguard SE DC.

Technika SCI

Opatentowana technika SCI z aktywnym gaszeniem łuku pozwala na aktywne, szybkie i bezpieczne wygaszenie ewentualnego łuku łączeniowego powstałego w przypadku przeciążenia. Zintegrowany bezpiecznik zadziała natychmiast po zgaszeniu łuku, zapewniając w ten sposób bezpieczną izolację elektryczną (przerwanie obwodu). Dlatego też wszystkie ograniczniki DEHN do instalacji fotowoltaicznych łączą skuteczną ochronę przepięciową, przeciwpożarową oraz zdrowia i życia ludzkiego w jednym urządzeniu.

Dane techniczne

Znamionowy prąd wyładowczy (8/20 µs) (In ) 15 kA
Maksymalny prąd wyładowczy (8/20 µs) (Imax ) 25 kA
Największe napięcie trwałej pracy AC (UC ) 600 V
Znamionowe napięcie warystora AC (Umov ) 750 V

Produkt 952017 został dodany do notatnika.

Do koszyka dodano produkt 952017.


Iskiernikowy moduł ochronny N-PE do ograniczników DEHNguard M ACI

Iskiernikowy moduł ochronny N-PE do dwu- i czterobiegunowych ograniczników DEHNguard M TT (2P) ACI ... .

1 Produkt

Nr kat. 952083 DG MOD H A NPE

GTIN / EAN 4013364376540, Nr taryfy celnej (EU): 85363030, Waga brutto: 55.00 g, Jednostka opakowaniowa: 1.00 szt.


Rysunki

Informacje dodatkowe

Iskiernikowy moduł ochronny N-PE DG MOD H A NPE
Wtykowy iskiernikowy moduł ochronny N-PE
do ograniczników DEHNguard DG M TT (2P) ACI ...
do ograniczników przepięć N-PE typu 2
z rodziny produktów Red/Line – Rodzina produktów zgodna z normą EN 61643-11
Największe napięcie trwałej pracy: 255 V AC
Znamionowy prąd wyładowczy: 80 kA
Maksymalny prąd wyładowczy: 120 kA
Wskaźnik uszkodzenia

Producent: DEHN
Typ: DG MOD H A NPE
Nr kat.: 952083
lub podobny.

Certyfikaty

 

Circuit Interruption (przerwanie obwodu)

Ograniczniki przepięć oznaczone tym symbolem posiadają wbudowany bezpiecznik. Oznacza to oszczędność miejsca, niższe koszty montażu, skrócenie czasu montażu, krótsze kable połączeniowe. Wbudowany bezpiecznik występuje w produktach z rodziny DEHNvenCI, DEHNbloc Maxi S, DEHNguard … CI oraz V(A) NH.

Direct Current-Disconnection (rozłączenie obwodu prądu stałego)

W przypadku stosowania ograniczników przepięć w instalacjach prądu stałego, gdzie nie występuje przejście przez zero, także należy zapewnić awaryjne rozłączenie. Technika DCD działa jak klin, który niezawodnie przerywa prąd stały, a tym samym zapobiega pożarom spowodowanym przez łuki przełączające DC. Ten symbol można znaleźć na wszystkich produktach z rodziny DEHNguard SE DC.

Technika SCI

Opatentowana technika SCI z aktywnym gaszeniem łuku pozwala na aktywne, szybkie i bezpieczne wygaszenie ewentualnego łuku łączeniowego powstałego w przypadku przeciążenia. Zintegrowany bezpiecznik zadziała natychmiast po zgaszeniu łuku, zapewniając w ten sposób bezpieczną izolację elektryczną (przerwanie obwodu). Dlatego też wszystkie ograniczniki DEHN do instalacji fotowoltaicznych łączą skuteczną ochronę przepięciową, przeciwpożarową oraz zdrowia i życia ludzkiego w jednym urządzeniu.

Dane techniczne

Znamionowy prąd wyładowczy (8/20 µs) (In ) 80 kA
Maksymalny prąd wyładowczy (8/20 µs) (Imax ) 120 kA
Największe napięcie trwałej pracy AC (UC ) 275 V

Produkt 952083 został dodany do notatnika.

Do koszyka dodano produkt 952083.


Iskiernikowy moduł ochronny N-PE do ograniczników DEHNguard M H TT ...

1 Produkt

Nr kat. 952081 DG MOD H NPE

GTIN / EAN 4013364318182, Nr taryfy celnej (EU): 85363030, Waga brutto: 44.50 g, Jednostka opakowaniowa: 1.00 szt.


Rysunki

Informacje dodatkowe

Iskiernikowy moduł ochronny N-PE DG MOD H NPE
Wtykowy iskiernikowy moduł ochronny N-PE
do ograniczników DEHNguard DG M TT ...
do ograniczników przepięć N-PE typu 2
z rodziny produktów Red/Line – Rodzina produktów zgodna z normą EN 61643-11
Największe napięcie trwałej pracy: 255 V AC
Znamionowy prąd wyładowczy: 80 kA
Maksymalny prąd wyładowczy: 120 kA
Wskaźnik uszkodzenia

Producent: DEHN
Typ: DG MOD H NPE
Nr kat.: 952081
lub podobny.

Certyfikaty

 

Circuit Interruption (przerwanie obwodu)

Ograniczniki przepięć oznaczone tym symbolem posiadają wbudowany bezpiecznik. Oznacza to oszczędność miejsca, niższe koszty montażu, skrócenie czasu montażu, krótsze kable połączeniowe. Wbudowany bezpiecznik występuje w produktach z rodziny DEHNvenCI, DEHNbloc Maxi S, DEHNguard … CI oraz V(A) NH.

Direct Current-Disconnection (rozłączenie obwodu prądu stałego)

W przypadku stosowania ograniczników przepięć w instalacjach prądu stałego, gdzie nie występuje przejście przez zero, także należy zapewnić awaryjne rozłączenie. Technika DCD działa jak klin, który niezawodnie przerywa prąd stały, a tym samym zapobiega pożarom spowodowanym przez łuki przełączające DC. Ten symbol można znaleźć na wszystkich produktach z rodziny DEHNguard SE DC.

Technika SCI

Opatentowana technika SCI z aktywnym gaszeniem łuku pozwala na aktywne, szybkie i bezpieczne wygaszenie ewentualnego łuku łączeniowego powstałego w przypadku przeciążenia. Zintegrowany bezpiecznik zadziała natychmiast po zgaszeniu łuku, zapewniając w ten sposób bezpieczną izolację elektryczną (przerwanie obwodu). Dlatego też wszystkie ograniczniki DEHN do instalacji fotowoltaicznych łączą skuteczną ochronę przepięciową, przeciwpożarową oraz zdrowia i życia ludzkiego w jednym urządzeniu.

Dane techniczne

Znamionowy prąd wyładowczy (8/20 µs) (In ) 80 kA
Maksymalny prąd wyładowczy (8/20 µs) (Imax ) 120 kA
Największe napięcie trwałej pracy AC (UC ) 255 V

Produkt 952081 został dodany do notatnika.

Do koszyka dodano produkt 952081.


Iskiernikowy moduł ochronny N-PE do ograniczników DEHNguard M TT ...

1 Produkt

Nr kat. 952050 DG MOD NPE

GTIN / EAN 4013364108370, Nr taryfy celnej (EU): 85363030, Waga brutto: 44.50 g, Jednostka opakowaniowa: 1.00 szt.


Rysunki

Informacje dodatkowe

Iskiernikowy moduł ochronny N-PE DG MOD NPE
Wtykowy iskiernikowy moduł ochronny N-PE
do ograniczników DEHNguard DG M TT ...
do ograniczników przepięć N-PE typu 2
z rodziny produktów Red/Line – Rodzina produktów zgodna z normą EN 61643-11
Największe napięcie trwałej pracy: 255 V AC
Znamionowy prąd wyładowczy: 20 kA
Maksymalny prąd wyładowczy: 40 kA
Wskaźnik uszkodzenia

Producent: DEHN
Typ: DG MOD NPE
Nr kat.: 952050
lub podobny.

Certyfikaty

 

Circuit Interruption (przerwanie obwodu)

Ograniczniki przepięć oznaczone tym symbolem posiadają wbudowany bezpiecznik. Oznacza to oszczędność miejsca, niższe koszty montażu, skrócenie czasu montażu, krótsze kable połączeniowe. Wbudowany bezpiecznik występuje w produktach z rodziny DEHNvenCI, DEHNbloc Maxi S, DEHNguard … CI oraz V(A) NH.

Direct Current-Disconnection (rozłączenie obwodu prądu stałego)

W przypadku stosowania ograniczników przepięć w instalacjach prądu stałego, gdzie nie występuje przejście przez zero, także należy zapewnić awaryjne rozłączenie. Technika DCD działa jak klin, który niezawodnie przerywa prąd stały, a tym samym zapobiega pożarom spowodowanym przez łuki przełączające DC. Ten symbol można znaleźć na wszystkich produktach z rodziny DEHNguard SE DC.

Technika SCI

Opatentowana technika SCI z aktywnym gaszeniem łuku pozwala na aktywne, szybkie i bezpieczne wygaszenie ewentualnego łuku łączeniowego powstałego w przypadku przeciążenia. Zintegrowany bezpiecznik zadziała natychmiast po zgaszeniu łuku, zapewniając w ten sposób bezpieczną izolację elektryczną (przerwanie obwodu). Dlatego też wszystkie ograniczniki DEHN do instalacji fotowoltaicznych łączą skuteczną ochronę przepięciową, przeciwpożarową oraz zdrowia i życia ludzkiego w jednym urządzeniu.

Dane techniczne

Znamionowy prąd wyładowczy (8/20 µs) (In ) 20 kA
Maksymalny prąd wyładowczy (8/20 µs) (Imax ) 40 kA
Największe napięcie trwałej pracy AC (UC ) 255 V

Produkt 952050 został dodany do notatnika.

Do koszyka dodano produkt 952050.


Iskiernikowy moduł ochronny N-PE do ograniczników DEHNgap C S

1 Produkt

Nr kat. 952060 DGP C MOD

GTIN / EAN 4013364108387, Nr taryfy celnej (EU): 85363030, Waga brutto: 44.00 g, Jednostka opakowaniowa: 1.00 szt.


Rysunki

Informacje dodatkowe

Iskiernikowy moduł ochronny N-PE DGP C MOD
Wtykowy iskiernikowy moduł ochronny N-PE do
jednobiegunowych ogranicznik przepięć N-PE DEHNgap C S ...
do ograniczników przepięć N-PE typu 2
z rodziny produktów Red/Line – Rodzina produktów zgodna z normą EN 61643-11
Największe napięcie trwałej pracy: 255 V AC
Znamionowy prąd wyładowczy: 20 kA
Maksymalny prąd wyładowczy: 40 kA
Wskaźnik uszkodzenia

Producent: DEHN
Typ: DGP C MOD
Nr kat.: 952060
lub podobny.

Certyfikaty

 

Circuit Interruption (przerwanie obwodu)

Ograniczniki przepięć oznaczone tym symbolem posiadają wbudowany bezpiecznik. Oznacza to oszczędność miejsca, niższe koszty montażu, skrócenie czasu montażu, krótsze kable połączeniowe. Wbudowany bezpiecznik występuje w produktach z rodziny DEHNvenCI, DEHNbloc Maxi S, DEHNguard … CI oraz V(A) NH.

Direct Current-Disconnection (rozłączenie obwodu prądu stałego)

W przypadku stosowania ograniczników przepięć w instalacjach prądu stałego, gdzie nie występuje przejście przez zero, także należy zapewnić awaryjne rozłączenie. Technika DCD działa jak klin, który niezawodnie przerywa prąd stały, a tym samym zapobiega pożarom spowodowanym przez łuki przełączające DC. Ten symbol można znaleźć na wszystkich produktach z rodziny DEHNguard SE DC.

Technika SCI

Opatentowana technika SCI z aktywnym gaszeniem łuku pozwala na aktywne, szybkie i bezpieczne wygaszenie ewentualnego łuku łączeniowego powstałego w przypadku przeciążenia. Zintegrowany bezpiecznik zadziała natychmiast po zgaszeniu łuku, zapewniając w ten sposób bezpieczną izolację elektryczną (przerwanie obwodu). Dlatego też wszystkie ograniczniki DEHN do instalacji fotowoltaicznych łączą skuteczną ochronę przepięciową, przeciwpożarową oraz zdrowia i życia ludzkiego w jednym urządzeniu.

Dane techniczne

Znamionowy prąd wyładowczy (8/20 µs) (In ) 20 kA
Maksymalny prąd wyładowczy (8/20 µs) (Imax ) 40 kA
Największe napięcie trwałej pracy AC (UC ) 255 V

Produkt 952060 został dodany do notatnika.

Do koszyka dodano produkt 952060.


Warystorowo-iskiernikowy moduł ochronny do ograniczników DEHNguard S ... VA

3 Produkty

Nr kat. 952025 DG MOD 75 VA

GTIN / EAN 4013364127357, Nr taryfy celnej (EU): 85363030, Waga brutto: 41.00 g, Jednostka opakowaniowa: 1.00 szt.


Rysunki

Informacje dodatkowe

Warystorowy moduł ochronny DG MOD 75 VA
Wtykowy moduł ochronny do ograniczników DEHNguard S ... VA
Typu 2 z rodziny produktów Red/Line -Rodzina produktów
zgodnie z EN 61643-11
Największe napięcie trwałej pracy: 75 V AC / 100 V DC
Znamionowy prąd wyładowczy: 10 kA
Wskaźnik uszkodzenia

Producent: DEHN
Typ: DG MOD 75 VA
Nr kat.: 952025
lub podobny.

Certyfikaty

 

Circuit Interruption (przerwanie obwodu)

Ograniczniki przepięć oznaczone tym symbolem posiadają wbudowany bezpiecznik. Oznacza to oszczędność miejsca, niższe koszty montażu, skrócenie czasu montażu, krótsze kable połączeniowe. Wbudowany bezpiecznik występuje w produktach z rodziny DEHNvenCI, DEHNbloc Maxi S, DEHNguard … CI oraz V(A) NH.

Direct Current-Disconnection (rozłączenie obwodu prądu stałego)

W przypadku stosowania ograniczników przepięć w instalacjach prądu stałego, gdzie nie występuje przejście przez zero, także należy zapewnić awaryjne rozłączenie. Technika DCD działa jak klin, który niezawodnie przerywa prąd stały, a tym samym zapobiega pożarom spowodowanym przez łuki przełączające DC. Ten symbol można znaleźć na wszystkich produktach z rodziny DEHNguard SE DC.

Technika SCI

Opatentowana technika SCI z aktywnym gaszeniem łuku pozwala na aktywne, szybkie i bezpieczne wygaszenie ewentualnego łuku łączeniowego powstałego w przypadku przeciążenia. Zintegrowany bezpiecznik zadziała natychmiast po zgaszeniu łuku, zapewniając w ten sposób bezpieczną izolację elektryczną (przerwanie obwodu). Dlatego też wszystkie ograniczniki DEHN do instalacji fotowoltaicznych łączą skuteczną ochronę przepięciową, przeciwpożarową oraz zdrowia i życia ludzkiego w jednym urządzeniu.

Dane techniczne

Znamionowy prąd wyładowczy (8/20 µs) (In ) 10 kA
Maksymalny prąd wyładowczy (8/20 µs) (Imax ) 20 kA
Największe napięcie trwałej pracy AC (UC ) 75 V
Największe napięcie trwałej pracy DC (UC ) 100 V

Produkt 952025 został dodany do notatnika.

Do koszyka dodano produkt 952025.

Nr kat. 952027 DG MOD 275 VA

GTIN / EAN 4013364127364, Nr taryfy celnej (EU): 85363030, Waga brutto: 47.00 g, Jednostka opakowaniowa: 1.00 szt.


Rysunki

Informacje dodatkowe

Warystorowy moduł ochronny DG MOD 275 VA
Wtykowy moduł ochronny do ograniczników DEHNguard S ... VA
Typu 2 z rodziny produktów Red/Line -Rodzina produktów
zgodnie z EN 61643-11
Największe napięcie trwałej pracy: 275 V AC / 350 V DC
Znamionowy prąd wyładowczy: 10 kA
Wskaźnik uszkodzenia

Producent: DEHN
Typ: DG MOD 275 VA
Nr kat.: 952027
lub podobny.

Certyfikaty

 

Circuit Interruption (przerwanie obwodu)

Ograniczniki przepięć oznaczone tym symbolem posiadają wbudowany bezpiecznik. Oznacza to oszczędność miejsca, niższe koszty montażu, skrócenie czasu montażu, krótsze kable połączeniowe. Wbudowany bezpiecznik występuje w produktach z rodziny DEHNvenCI, DEHNbloc Maxi S, DEHNguard … CI oraz V(A) NH.

Direct Current-Disconnection (rozłączenie obwodu prądu stałego)

W przypadku stosowania ograniczników przepięć w instalacjach prądu stałego, gdzie nie występuje przejście przez zero, także należy zapewnić awaryjne rozłączenie. Technika DCD działa jak klin, który niezawodnie przerywa prąd stały, a tym samym zapobiega pożarom spowodowanym przez łuki przełączające DC. Ten symbol można znaleźć na wszystkich produktach z rodziny DEHNguard SE DC.

Technika SCI

Opatentowana technika SCI z aktywnym gaszeniem łuku pozwala na aktywne, szybkie i bezpieczne wygaszenie ewentualnego łuku łączeniowego powstałego w przypadku przeciążenia. Zintegrowany bezpiecznik zadziała natychmiast po zgaszeniu łuku, zapewniając w ten sposób bezpieczną izolację elektryczną (przerwanie obwodu). Dlatego też wszystkie ograniczniki DEHN do instalacji fotowoltaicznych łączą skuteczną ochronę przepięciową, przeciwpożarową oraz zdrowia i życia ludzkiego w jednym urządzeniu.

Dane techniczne

Znamionowy prąd wyładowczy (8/20 µs) (In ) 10 kA
Maksymalny prąd wyładowczy (8/20 µs) (Imax ) 20 kA
Największe napięcie trwałej pracy AC (UC ) 275 V
Największe napięcie trwałej pracy DC (UC ) 350 V

Produkt 952027 został dodany do notatnika.

Do koszyka dodano produkt 952027.

Nr kat. 952029 DG MOD 385 VA

GTIN / EAN 4013364127371, Nr taryfy celnej (EU): 85363030, Waga brutto: 51.00 g, Jednostka opakowaniowa: 1.00 szt.


Rysunki

Informacje dodatkowe

Warystorowy moduł ochronny DG MOD 385 VA
Wtykowy moduł ochronny do ograniczników DEHNguard S ... VA
Typu 2 z rodziny produktów Red/Line -Rodzina produktów
zgodnie z EN 61643-11
Największe napięcie trwałej pracy: 385 V AC / 500 V DC
Znamionowy prąd wyładowczy: 10 kA
Wskaźnik uszkodzenia

Producent: DEHN
Typ: DG MOD 385 VA
Nr kat.: 952029
lub podobny.

Certyfikaty

 

Circuit Interruption (przerwanie obwodu)

Ograniczniki przepięć oznaczone tym symbolem posiadają wbudowany bezpiecznik. Oznacza to oszczędność miejsca, niższe koszty montażu, skrócenie czasu montażu, krótsze kable połączeniowe. Wbudowany bezpiecznik występuje w produktach z rodziny DEHNvenCI, DEHNbloc Maxi S, DEHNguard … CI oraz V(A) NH.

Direct Current-Disconnection (rozłączenie obwodu prądu stałego)

W przypadku stosowania ograniczników przepięć w instalacjach prądu stałego, gdzie nie występuje przejście przez zero, także należy zapewnić awaryjne rozłączenie. Technika DCD działa jak klin, który niezawodnie przerywa prąd stały, a tym samym zapobiega pożarom spowodowanym przez łuki przełączające DC. Ten symbol można znaleźć na wszystkich produktach z rodziny DEHNguard SE DC.

Technika SCI

Opatentowana technika SCI z aktywnym gaszeniem łuku pozwala na aktywne, szybkie i bezpieczne wygaszenie ewentualnego łuku łączeniowego powstałego w przypadku przeciążenia. Zintegrowany bezpiecznik zadziała natychmiast po zgaszeniu łuku, zapewniając w ten sposób bezpieczną izolację elektryczną (przerwanie obwodu). Dlatego też wszystkie ograniczniki DEHN do instalacji fotowoltaicznych łączą skuteczną ochronę przepięciową, przeciwpożarową oraz zdrowia i życia ludzkiego w jednym urządzeniu.

Dane techniczne

Znamionowy prąd wyładowczy (8/20 µs) (In ) 10 kA
Maksymalny prąd wyładowczy (8/20 µs) (Imax ) 20 kA
Największe napięcie trwałej pracy AC (UC ) 385 V
Największe napięcie trwałej pracy DC (UC ) 500 V

Produkt 952029 został dodany do notatnika.

Do koszyka dodano produkt 952029.


Warystorowy moduł ochronny do ograniczników DEHNguard M YPV

2 Produkty

Nr kat. 952048 DG MOD H PV 600

GTIN / EAN 4013364327733, Nr taryfy celnej (EU): 85363030, Waga brutto: 61.20 g, Jednostka opakowaniowa: 1.00 szt.


Rysunki

Informacje dodatkowe

Warystorowy moduł ochronny DG MOD H PV 600
Wtykowy moduł ochronny do ograniczników DEHNguard M YPV ...
klasyfikacja jako typ 2 zgodnie z EN 61643-31
z rodziny produktów Red/Line
Wysokowydajna technologia warystorów
Największe napięcie trwałej pracy: 585 V DC
Znamionowy prąd wyładowczy: 20 kA
Wskaźnik uszkodzenia

Producent: DEHN
Typ: DG MOD H PV 600
Nr kat.: 952048
lub podobny.

Certyfikaty

 

Circuit Interruption (przerwanie obwodu)

Ograniczniki przepięć oznaczone tym symbolem posiadają wbudowany bezpiecznik. Oznacza to oszczędność miejsca, niższe koszty montażu, skrócenie czasu montażu, krótsze kable połączeniowe. Wbudowany bezpiecznik występuje w produktach z rodziny DEHNvenCI, DEHNbloc Maxi S, DEHNguard … CI oraz V(A) NH.

Direct Current-Disconnection (rozłączenie obwodu prądu stałego)

W przypadku stosowania ograniczników przepięć w instalacjach prądu stałego, gdzie nie występuje przejście przez zero, także należy zapewnić awaryjne rozłączenie. Technika DCD działa jak klin, który niezawodnie przerywa prąd stały, a tym samym zapobiega pożarom spowodowanym przez łuki przełączające DC. Ten symbol można znaleźć na wszystkich produktach z rodziny DEHNguard SE DC.

Technika SCI

Opatentowana technika SCI z aktywnym gaszeniem łuku pozwala na aktywne, szybkie i bezpieczne wygaszenie ewentualnego łuku łączeniowego powstałego w przypadku przeciążenia. Zintegrowany bezpiecznik zadziała natychmiast po zgaszeniu łuku, zapewniając w ten sposób bezpieczną izolację elektryczną (przerwanie obwodu). Dlatego też wszystkie ograniczniki DEHN do instalacji fotowoltaicznych łączą skuteczną ochronę przepięciową, przeciwpożarową oraz zdrowia i życia ludzkiego w jednym urządzeniu.

Dane techniczne

Znamionowy prąd wyładowczy (8/20 µs) (In ) 20 kA
Maksymalny prąd wyładowczy (8/20 µs) (Imax ) 40 kA
Największe napięcie trwałej pracy DC (UC ) 600 V

Produkt 952048 został dodany do notatnika.

Do koszyka dodano produkt 952048.

Nr kat. 952049 DG MOD H PV 750

GTIN / EAN 4013364327740, Nr taryfy celnej (EU): 85363030, Waga brutto: 70.60 g, Jednostka opakowaniowa: 1.00 szt.


Rysunki

Informacje dodatkowe

Warystorowy moduł ochronny DG MOD H PV 750
Wtykowy moduł ochronny do ograniczników DEHNguard M YPV ...
klasyfikacja jako typ 2 zgodnie z EN 61643-31
z rodziny produktów Red/Line
Wysokowydajna technologia warystorów
Największe napięcie trwałej pracy: 750 V DC
Znamionowy prąd wyładowczy: 15 kA
Wskaźnik uszkodzenia

Producent: DEHN
Typ: DG MOD H PV 750
Nr kat.: 952049
lub podobny.

Certyfikaty

 

Circuit Interruption (przerwanie obwodu)

Ograniczniki przepięć oznaczone tym symbolem posiadają wbudowany bezpiecznik. Oznacza to oszczędność miejsca, niższe koszty montażu, skrócenie czasu montażu, krótsze kable połączeniowe. Wbudowany bezpiecznik występuje w produktach z rodziny DEHNvenCI, DEHNbloc Maxi S, DEHNguard … CI oraz V(A) NH.

Direct Current-Disconnection (rozłączenie obwodu prądu stałego)

W przypadku stosowania ograniczników przepięć w instalacjach prądu stałego, gdzie nie występuje przejście przez zero, także należy zapewnić awaryjne rozłączenie. Technika DCD działa jak klin, który niezawodnie przerywa prąd stały, a tym samym zapobiega pożarom spowodowanym przez łuki przełączające DC. Ten symbol można znaleźć na wszystkich produktach z rodziny DEHNguard SE DC.

Technika SCI

Opatentowana technika SCI z aktywnym gaszeniem łuku pozwala na aktywne, szybkie i bezpieczne wygaszenie ewentualnego łuku łączeniowego powstałego w przypadku przeciążenia. Zintegrowany bezpiecznik zadziała natychmiast po zgaszeniu łuku, zapewniając w ten sposób bezpieczną izolację elektryczną (przerwanie obwodu). Dlatego też wszystkie ograniczniki DEHN do instalacji fotowoltaicznych łączą skuteczną ochronę przepięciową, przeciwpożarową oraz zdrowia i życia ludzkiego w jednym urządzeniu.

Dane techniczne

Znamionowy prąd wyładowczy (8/20 µs) (In ) 15 kA
Maksymalny prąd wyładowczy (8/20 µs) (Imax ) 40 kA
Największe napięcie trwałej pracy DC (UC ) 750 V

Produkt 952049 został dodany do notatnika.

Do koszyka dodano produkt 952049.


Warystorowy moduł ochronny do ograniczników DEHNguard M YPV SCI i DEHNguard S PV SCI

3 Produkty

Nr kat. 952055 DG MOD PV SCI 75

GTIN / EAN 4013364136700, Nr taryfy celnej (EU): 85363030, Waga brutto: 43.40 g, Jednostka opakowaniowa: 1.00 szt.


Rysunki

Informacje dodatkowe

Warystorowy moduł ochronny DG MOD PV SCI 75
Wtykowy moduł ochronny do ograniczników DEHNguard M (Y)PV SCI
Klasyfikacja jako typ 2 zgodnie z EN 50539-11
z rodziny produktów Red/Line
Wysokowydajna technologia warystorów
Kombinowane urządzenie odłączająco-zwierające
Największe napięcie trwałej pracy: 75 V DC
do instalacji fotowoltaicznych do Ucpv <= 150 V
Całkowity prąd wyładowczy: 40 kA
Wskaźnik uszkodzenia

Producent: DEHN
Typ: DG MOD PV SCI 75
Nr kat.: 952055
lub podobny.

Certyfikaty

 

Circuit Interruption (przerwanie obwodu)

Ograniczniki przepięć oznaczone tym symbolem posiadają wbudowany bezpiecznik. Oznacza to oszczędność miejsca, niższe koszty montażu, skrócenie czasu montażu, krótsze kable połączeniowe. Wbudowany bezpiecznik występuje w produktach z rodziny DEHNvenCI, DEHNbloc Maxi S, DEHNguard … CI oraz V(A) NH.

Direct Current-Disconnection (rozłączenie obwodu prądu stałego)

W przypadku stosowania ograniczników przepięć w instalacjach prądu stałego, gdzie nie występuje przejście przez zero, także należy zapewnić awaryjne rozłączenie. Technika DCD działa jak klin, który niezawodnie przerywa prąd stały, a tym samym zapobiega pożarom spowodowanym przez łuki przełączające DC. Ten symbol można znaleźć na wszystkich produktach z rodziny DEHNguard SE DC.

Technika SCI

Opatentowana technika SCI z aktywnym gaszeniem łuku pozwala na aktywne, szybkie i bezpieczne wygaszenie ewentualnego łuku łączeniowego powstałego w przypadku przeciążenia. Zintegrowany bezpiecznik zadziała natychmiast po zgaszeniu łuku, zapewniając w ten sposób bezpieczną izolację elektryczną (przerwanie obwodu). Dlatego też wszystkie ograniczniki DEHN do instalacji fotowoltaicznych łączą skuteczną ochronę przepięciową, przeciwpożarową oraz zdrowia i życia ludzkiego w jednym urządzeniu.

Dane techniczne

Znamionowy prąd wyładowczy (8/20 µs) (In ) 10 kA
Maksymalny prąd wyładowczy (8/20 µs) (Imax ) 20 kA
Największe napięcie trwałej pracy DC (UC ) 75 V

Produkt 952055 został dodany do notatnika.

Do koszyka dodano produkt 952055.

Nr kat. 952051 DG MOD PV SCI 500

GTIN / EAN 4013364126442, Nr taryfy celnej (EU): 85363030, Waga brutto: 56.15 g, Jednostka opakowaniowa: 1.00 szt.


Rysunki

Informacje dodatkowe

Warystorowy moduł ochronny DG MOD PV SCI 500
Wtykowy moduł ochronny do ograniczników DEHNguard M (Y)PV SCI
klasyfikacja jako typ 2 zgodnie z EN 61643-31
z rodziny produktów Red/Line
Wysokowydajna technologia warystorów
Kombinowane urządzenie odłączająco-zwierające
Największe napięcie trwałej pracy: 500 V DC
do instalacji fotowoltaicznych do Ucpv <= 1000 V
Całkowity prąd wyładowczy: 40 kA
Wskaźnik uszkodzenia

Producent: DEHN
Typ: DG MOD PV SCI 500
Nr kat.: 952051
lub podobny.

Certyfikaty

 

Circuit Interruption (przerwanie obwodu)

Ograniczniki przepięć oznaczone tym symbolem posiadają wbudowany bezpiecznik. Oznacza to oszczędność miejsca, niższe koszty montażu, skrócenie czasu montażu, krótsze kable połączeniowe. Wbudowany bezpiecznik występuje w produktach z rodziny DEHNvenCI, DEHNbloc Maxi S, DEHNguard … CI oraz V(A) NH.

Direct Current-Disconnection (rozłączenie obwodu prądu stałego)

W przypadku stosowania ograniczników przepięć w instalacjach prądu stałego, gdzie nie występuje przejście przez zero, także należy zapewnić awaryjne rozłączenie. Technika DCD działa jak klin, który niezawodnie przerywa prąd stały, a tym samym zapobiega pożarom spowodowanym przez łuki przełączające DC. Ten symbol można znaleźć na wszystkich produktach z rodziny DEHNguard SE DC.

Technika SCI

Opatentowana technika SCI z aktywnym gaszeniem łuku pozwala na aktywne, szybkie i bezpieczne wygaszenie ewentualnego łuku łączeniowego powstałego w przypadku przeciążenia. Zintegrowany bezpiecznik zadziała natychmiast po zgaszeniu łuku, zapewniając w ten sposób bezpieczną izolację elektryczną (przerwanie obwodu). Dlatego też wszystkie ograniczniki DEHN do instalacji fotowoltaicznych łączą skuteczną ochronę przepięciową, przeciwpożarową oraz zdrowia i życia ludzkiego w jednym urządzeniu.

Dane techniczne

Znamionowy prąd wyładowczy (8/20 µs) (In ) 12,5 kA
Maksymalny prąd wyładowczy (8/20 µs) (Imax ) 25 kA
Największe napięcie trwałej pracy DC (UC ) 500 V

Produkt 952051 został dodany do notatnika.

Do koszyka dodano produkt 952051.

Nr kat. 952054 DG MOD PV SCI 600

GTIN / EAN 4013364127975, Nr taryfy celnej (EU): 85363030, Waga brutto: 58.80 g, Jednostka opakowaniowa: 1.00 szt.


Rysunki

Informacje dodatkowe

Warystorowy moduł ochronny DG MOD PV SCI 600
Wtykowy moduł ochronny do ograniczników DEHNguard M (Y)PV SCI
klasyfikacja jako typ 2 zgodnie z EN 61643-31
z rodziny produktów Red/Line
Wysokowydajna technologia warystorów
Kombinowane urządzenie odłączająco-zwierające
Największe napięcie trwałej pracy: 600 V DC
Maksymalne napięcie PV: <= 1200 V DC
Całkowity prąd wyładowczy: 30 kA
Wskaźnik uszkodzenia

Producent: DEHN
Typ: DG MOD PV SCI 600
Nr kat.: 952054
lub podobny.

Certyfikaty

 

Circuit Interruption (przerwanie obwodu)

Ograniczniki przepięć oznaczone tym symbolem posiadają wbudowany bezpiecznik. Oznacza to oszczędność miejsca, niższe koszty montażu, skrócenie czasu montażu, krótsze kable połączeniowe. Wbudowany bezpiecznik występuje w produktach z rodziny DEHNvenCI, DEHNbloc Maxi S, DEHNguard … CI oraz V(A) NH.

Direct Current-Disconnection (rozłączenie obwodu prądu stałego)

W przypadku stosowania ograniczników przepięć w instalacjach prądu stałego, gdzie nie występuje przejście przez zero, także należy zapewnić awaryjne rozłączenie. Technika DCD działa jak klin, który niezawodnie przerywa prąd stały, a tym samym zapobiega pożarom spowodowanym przez łuki przełączające DC. Ten symbol można znaleźć na wszystkich produktach z rodziny DEHNguard SE DC.

Technika SCI

Opatentowana technika SCI z aktywnym gaszeniem łuku pozwala na aktywne, szybkie i bezpieczne wygaszenie ewentualnego łuku łączeniowego powstałego w przypadku przeciążenia. Zintegrowany bezpiecznik zadziała natychmiast po zgaszeniu łuku, zapewniając w ten sposób bezpieczną izolację elektryczną (przerwanie obwodu). Dlatego też wszystkie ograniczniki DEHN do instalacji fotowoltaicznych łączą skuteczną ochronę przepięciową, przeciwpożarową oraz zdrowia i życia ludzkiego w jednym urządzeniu.

Dane techniczne

Znamionowy prąd wyładowczy (8/20 µs) (In ) 12,5 kA
Maksymalny prąd wyładowczy (8/20 µs) (Imax ) 25 kA
Największe napięcie trwałej pracy DC (UC ) 600 V

Produkt 952054 został dodany do notatnika.

Do koszyka dodano produkt 952054.


Warystorowy moduł ochronny do ograniczników DEHNguard M YPV i DEHNguard S PV

3 Produkty

Nr kat. 952045 DG MOD PV 75

GTIN / EAN 4013364141827, Nr taryfy celnej (EU): 85363030, Waga brutto: 40.20 g, Jednostka opakowaniowa: 1.00 szt.


Rysunki

Informacje dodatkowe

Warystorowy moduł ochronny DG MOD PV 75
Wtykowy moduł ochronny do ograniczników DEHNguard
M YPV SCI oraz S PV SCI
Klasyfikacja jako typ 2 zgodnie z EN 50539-11
z rodziny produktów Red/Line
Wysokowydajna technologia warystorów
Największe napięcie trwałej pracy: 75 V DC
Znamionowy prąd wyładowczy: 10 kA
Wskaźnik uszkodzenia

Producent: DEHN
Typ: DG MOD PV 75
Nr kat.: 952045
lub podobny.

Certyfikaty

 

Circuit Interruption (przerwanie obwodu)

Ograniczniki przepięć oznaczone tym symbolem posiadają wbudowany bezpiecznik. Oznacza to oszczędność miejsca, niższe koszty montażu, skrócenie czasu montażu, krótsze kable połączeniowe. Wbudowany bezpiecznik występuje w produktach z rodziny DEHNvenCI, DEHNbloc Maxi S, DEHNguard … CI oraz V(A) NH.

Direct Current-Disconnection (rozłączenie obwodu prądu stałego)

W przypadku stosowania ograniczników przepięć w instalacjach prądu stałego, gdzie nie występuje przejście przez zero, także należy zapewnić awaryjne rozłączenie. Technika DCD działa jak klin, który niezawodnie przerywa prąd stały, a tym samym zapobiega pożarom spowodowanym przez łuki przełączające DC. Ten symbol można znaleźć na wszystkich produktach z rodziny DEHNguard SE DC.

Technika SCI

Opatentowana technika SCI z aktywnym gaszeniem łuku pozwala na aktywne, szybkie i bezpieczne wygaszenie ewentualnego łuku łączeniowego powstałego w przypadku przeciążenia. Zintegrowany bezpiecznik zadziała natychmiast po zgaszeniu łuku, zapewniając w ten sposób bezpieczną izolację elektryczną (przerwanie obwodu). Dlatego też wszystkie ograniczniki DEHN do instalacji fotowoltaicznych łączą skuteczną ochronę przepięciową, przeciwpożarową oraz zdrowia i życia ludzkiego w jednym urządzeniu.

Dane techniczne

Znamionowy prąd wyładowczy (8/20 µs) (In ) 10 kA
Maksymalny prąd wyładowczy (8/20 µs) (Imax ) 40 kA
Największe napięcie trwałej pracy DC (UC ) 75 V

Produkt 952045 został dodany do notatnika.

Do koszyka dodano produkt 952045.

Nr kat. 952041 DG MOD PV 500

GTIN / EAN 4013364141841, Nr taryfy celnej (EU): 85363030, Waga brutto: 60.19 g, Jednostka opakowaniowa: 1.00 szt.


Rysunki

Informacje dodatkowe

Warystorowy moduł ochronny DG MOD PV 500
Wtykowy moduł ochronny do ograniczników DEHNguard
M YPV SCI oraz S PV SCI
klasyfikacja jako typ 2 zgodnie z EN 61643-31
z rodziny produktów Red/Line
Wysokowydajna technologia warystorów
Największe napięcie trwałej pracy: 500 V DC
Znamionowy prąd wyładowczy: 20 kA
Wskaźnik uszkodzenia

Producent: DEHN
Typ: DG MOD PV 500
Nr kat.: 952041
lub podobny.

Certyfikaty

 

Circuit Interruption (przerwanie obwodu)

Ograniczniki przepięć oznaczone tym symbolem posiadają wbudowany bezpiecznik. Oznacza to oszczędność miejsca, niższe koszty montażu, skrócenie czasu montażu, krótsze kable połączeniowe. Wbudowany bezpiecznik występuje w produktach z rodziny DEHNvenCI, DEHNbloc Maxi S, DEHNguard … CI oraz V(A) NH.

Direct Current-Disconnection (rozłączenie obwodu prądu stałego)

W przypadku stosowania ograniczników przepięć w instalacjach prądu stałego, gdzie nie występuje przejście przez zero, także należy zapewnić awaryjne rozłączenie. Technika DCD działa jak klin, który niezawodnie przerywa prąd stały, a tym samym zapobiega pożarom spowodowanym przez łuki przełączające DC. Ten symbol można znaleźć na wszystkich produktach z rodziny DEHNguard SE DC.

Technika SCI

Opatentowana technika SCI z aktywnym gaszeniem łuku pozwala na aktywne, szybkie i bezpieczne wygaszenie ewentualnego łuku łączeniowego powstałego w przypadku przeciążenia. Zintegrowany bezpiecznik zadziała natychmiast po zgaszeniu łuku, zapewniając w ten sposób bezpieczną izolację elektryczną (przerwanie obwodu). Dlatego też wszystkie ograniczniki DEHN do instalacji fotowoltaicznych łączą skuteczną ochronę przepięciową, przeciwpożarową oraz zdrowia i życia ludzkiego w jednym urządzeniu.

Dane techniczne

Znamionowy prąd wyładowczy (8/20 µs) (In ) 20 kA
Maksymalny prąd wyładowczy (8/20 µs) (Imax ) 40 kA
Największe napięcie trwałej pracy DC (UC ) 500 V

Produkt 952041 został dodany do notatnika.

Do koszyka dodano produkt 952041.

Nr kat. 952044 DG MOD PV 600

GTIN / EAN 4013364141858, Nr taryfy celnej (EU): 85363030, Waga brutto: 69.49 g, Jednostka opakowaniowa: 1.00 szt.


Rysunki

Informacje dodatkowe

Warystorowy moduł ochronny DG MOD PV 600
Wtykowy moduł ochronny do ograniczników DEHNguard
M YPV SCI oraz S PV SCI
Klasyfikacja jako typ 2 zgodnie z EN 61643-31
z rodziny produktów Red/Line
Wysokowydajna technologia warystorów
Największe napięcie trwałej pracy: 600 V DC
Znamionowy prąd wyładowczy: 15 kA
Wskaźnik uszkodzenia

Producent: DEHN
Typ: DG MOD PV 600
Nr kat.: 952044
lub podobny.

Certyfikaty

 

Circuit Interruption (przerwanie obwodu)

Ograniczniki przepięć oznaczone tym symbolem posiadają wbudowany bezpiecznik. Oznacza to oszczędność miejsca, niższe koszty montażu, skrócenie czasu montażu, krótsze kable połączeniowe. Wbudowany bezpiecznik występuje w produktach z rodziny DEHNvenCI, DEHNbloc Maxi S, DEHNguard … CI oraz V(A) NH.

Direct Current-Disconnection (rozłączenie obwodu prądu stałego)

W przypadku stosowania ograniczników przepięć w instalacjach prądu stałego, gdzie nie występuje przejście przez zero, także należy zapewnić awaryjne rozłączenie. Technika DCD działa jak klin, który niezawodnie przerywa prąd stały, a tym samym zapobiega pożarom spowodowanym przez łuki przełączające DC. Ten symbol można znaleźć na wszystkich produktach z rodziny DEHNguard SE DC.

Technika SCI

Opatentowana technika SCI z aktywnym gaszeniem łuku pozwala na aktywne, szybkie i bezpieczne wygaszenie ewentualnego łuku łączeniowego powstałego w przypadku przeciążenia. Zintegrowany bezpiecznik zadziała natychmiast po zgaszeniu łuku, zapewniając w ten sposób bezpieczną izolację elektryczną (przerwanie obwodu). Dlatego też wszystkie ograniczniki DEHN do instalacji fotowoltaicznych łączą skuteczną ochronę przepięciową, przeciwpożarową oraz zdrowia i życia ludzkiego w jednym urządzeniu.

Dane techniczne

Znamionowy prąd wyładowczy (8/20 µs) (In ) 15 kA
Maksymalny prąd wyładowczy (8/20 µs) (Imax ) 30 kA
Największe napięcie trwałej pracy DC (UC ) 600 V

Produkt 952044 został dodany do notatnika.

Do koszyka dodano produkt 952044.


Warystorowy moduł ochronny do ograniczników DEHNguard ME YPV SCI i DEHNguard SE PV SCI

1 Produkt

Nr kat. 952056 DG MOD E PV SCI 750

GTIN / EAN 4013364149106, Nr taryfy celnej (EU): 85363030, Waga brutto: 82.70 g, Jednostka opakowaniowa: 1.00 szt.


Rysunki

Informacje dodatkowe

Warystorowy moduł ochronny DG MOD E PV SCI 750
Wtykowy moduł ochronny do ograniczników DEHNguard
ME YPV SCI oraz SE PV SCI
Klasyfikacja jako typ 2 zgodnie z EN 50539-11
z rodziny produktów Red/Line
Wysokowydajna technologia warystorów
Największe napięcie trwałej pracy: 750 V DC
Znamionowy prąd wyładowczy: 12,5 kA
Wskaźnik uszkodzenia

Producent: DEHN
Typ: DG MOD E PV SCI 750
Nr kat.: 952056
lub podobny.

Certyfikaty

 

Circuit Interruption (przerwanie obwodu)

Ograniczniki przepięć oznaczone tym symbolem posiadają wbudowany bezpiecznik. Oznacza to oszczędność miejsca, niższe koszty montażu, skrócenie czasu montażu, krótsze kable połączeniowe. Wbudowany bezpiecznik występuje w produktach z rodziny DEHNvenCI, DEHNbloc Maxi S, DEHNguard … CI oraz V(A) NH.

Direct Current-Disconnection (rozłączenie obwodu prądu stałego)

W przypadku stosowania ograniczników przepięć w instalacjach prądu stałego, gdzie nie występuje przejście przez zero, także należy zapewnić awaryjne rozłączenie. Technika DCD działa jak klin, który niezawodnie przerywa prąd stały, a tym samym zapobiega pożarom spowodowanym przez łuki przełączające DC. Ten symbol można znaleźć na wszystkich produktach z rodziny DEHNguard SE DC.

Technika SCI

Opatentowana technika SCI z aktywnym gaszeniem łuku pozwala na aktywne, szybkie i bezpieczne wygaszenie ewentualnego łuku łączeniowego powstałego w przypadku przeciążenia. Zintegrowany bezpiecznik zadziała natychmiast po zgaszeniu łuku, zapewniając w ten sposób bezpieczną izolację elektryczną (przerwanie obwodu). Dlatego też wszystkie ograniczniki DEHN do instalacji fotowoltaicznych łączą skuteczną ochronę przepięciową, przeciwpożarową oraz zdrowia i życia ludzkiego w jednym urządzeniu.

Dane techniczne

Znamionowy prąd wyładowczy (8/20 µs) (In ) 12,5 kA
Maksymalny prąd wyładowczy (8/20 µs) (Imax ) 25 kA
Największe napięcie trwałej pracy DC (UC ) 750 V

Produkt 952056 został dodany do notatnika.

Do koszyka dodano produkt 952056.


Warystorowy moduł ochronny do ograniczników DEHNguard SE H ...

4 Produkty

Nr kat. 952900 DG MOD E H LI 275

GTIN / EAN 4013364158801, Nr taryfy celnej (EU): 85363030, Waga brutto: 90.00 g, Jednostka opakowaniowa: 1.00 szt.


Rysunki

Informacje dodatkowe

Warystorowy moduł ochronny DG MOD E H LI 275
Wtykowy moduł ochronny do ograniczników DEHNguard
SE H LI 275 FM
z 3-stopniowym systemem wczesnego ostrzegania
Ogranicznik typu 2 zgodnie z EN 61643-11
Wysokowydajna technologia warystorów
Największe napięcie trwałej pracy: 275 V DC
Znamionowy prąd wyładowczy: 30 kA
Wskaźnik zużycia

Producent: DEHN
Typ: DG MOD E H LI 275
Nr kat.: 952900
lub podobny.

 

Circuit Interruption (przerwanie obwodu)

Ograniczniki przepięć oznaczone tym symbolem posiadają wbudowany bezpiecznik. Oznacza to oszczędność miejsca, niższe koszty montażu, skrócenie czasu montażu, krótsze kable połączeniowe. Wbudowany bezpiecznik występuje w produktach z rodziny DEHNvenCI, DEHNbloc Maxi S, DEHNguard … CI oraz V(A) NH.

Direct Current-Disconnection (rozłączenie obwodu prądu stałego)

W przypadku stosowania ograniczników przepięć w instalacjach prądu stałego, gdzie nie występuje przejście przez zero, także należy zapewnić awaryjne rozłączenie. Technika DCD działa jak klin, który niezawodnie przerywa prąd stały, a tym samym zapobiega pożarom spowodowanym przez łuki przełączające DC. Ten symbol można znaleźć na wszystkich produktach z rodziny DEHNguard SE DC.

Technika SCI

Opatentowana technika SCI z aktywnym gaszeniem łuku pozwala na aktywne, szybkie i bezpieczne wygaszenie ewentualnego łuku łączeniowego powstałego w przypadku przeciążenia. Zintegrowany bezpiecznik zadziała natychmiast po zgaszeniu łuku, zapewniając w ten sposób bezpieczną izolację elektryczną (przerwanie obwodu). Dlatego też wszystkie ograniczniki DEHN do instalacji fotowoltaicznych łączą skuteczną ochronę przepięciową, przeciwpożarową oraz zdrowia i życia ludzkiego w jednym urządzeniu.

Dane techniczne

Znamionowy prąd wyładowczy (8/20 µs) (In ) 30 kA
Maksymalny prąd wyładowczy (8/20 µs) (Imax ) 65 kA
Największe napięcie trwałej pracy AC (UC ) 275 V

Produkt 952900 został dodany do notatnika.

Do koszyka dodano produkt 952900.

Nr kat. 952907 DG MOD E H LI 1000

GTIN / EAN 4013364158856, Nr taryfy celnej (EU): 85363030, Waga brutto: 130.00 g, Jednostka opakowaniowa: 1.00 szt.


Rysunki

Informacje dodatkowe

Warystorowy moduł ochronny DG MOD E H LI 1000
Wtykowy moduł ochronny do ograniczników DEHNguard
SE H LI 1000 FM
z 3-stopniowym systemem wczesnego ostrzegania
Ogranicznik typu 2 zgodnie z EN 61643-11
Wysokowydajna technologia warystorów
Największe napięcie trwałej pracy: 1000 V DC
Znamionowy prąd wyładowczy: 20 kA
Kodowanie na module ochronnym

Producent: DEHN
Typ: DG MOD E H LI 1000
Nr kat.: 952907
lub podobny.

 

Circuit Interruption (przerwanie obwodu)

Ograniczniki przepięć oznaczone tym symbolem posiadają wbudowany bezpiecznik. Oznacza to oszczędność miejsca, niższe koszty montażu, skrócenie czasu montażu, krótsze kable połączeniowe. Wbudowany bezpiecznik występuje w produktach z rodziny DEHNvenCI, DEHNbloc Maxi S, DEHNguard … CI oraz V(A) NH.

Direct Current-Disconnection (rozłączenie obwodu prądu stałego)

W przypadku stosowania ograniczników przepięć w instalacjach prądu stałego, gdzie nie występuje przejście przez zero, także należy zapewnić awaryjne rozłączenie. Technika DCD działa jak klin, który niezawodnie przerywa prąd stały, a tym samym zapobiega pożarom spowodowanym przez łuki przełączające DC. Ten symbol można znaleźć na wszystkich produktach z rodziny DEHNguard SE DC.

Technika SCI

Opatentowana technika SCI z aktywnym gaszeniem łuku pozwala na aktywne, szybkie i bezpieczne wygaszenie ewentualnego łuku łączeniowego powstałego w przypadku przeciążenia. Zintegrowany bezpiecznik zadziała natychmiast po zgaszeniu łuku, zapewniając w ten sposób bezpieczną izolację elektryczną (przerwanie obwodu). Dlatego też wszystkie ograniczniki DEHN do instalacji fotowoltaicznych łączą skuteczną ochronę przepięciową, przeciwpożarową oraz zdrowia i życia ludzkiego w jednym urządzeniu.

Dane techniczne

Znamionowy prąd wyładowczy (8/20 µs) (In ) 20 kA
Maksymalny prąd wyładowczy (8/20 µs) (Imax ) 40 kA
Największe napięcie trwałej pracy AC (UC ) 1000 V

Produkt 952907 został dodany do notatnika.

Do koszyka dodano produkt 952907.

Nr kat. 952908 DG MOD E H 1000

GTIN / EAN 4013364264526, Nr taryfy celnej (EU): 85363030, Waga brutto: 123.00 g, Jednostka opakowaniowa: 1.00 szt.


Rysunki

Informacje dodatkowe

Warystorowy moduł ochronny DG MOD E H 1000
Wtykowy moduł ochronny do ograniczników DEHNguard
SE H 1000 FM
Ogranicznik typu 2 zgodnie z EN 61643-11
Wysokowydajna technologia warystorów
Największe napięcie trwałej pracy: 1000 V DC
Znamionowy prąd wyładowczy: 20 kA
Wskaźnik uszkodzenia

Producent: DEHN
Typ: DG MOD E H 1000
Nr kat.: 952908
lub podobny.

Certyfikaty

 

Circuit Interruption (przerwanie obwodu)

Ograniczniki przepięć oznaczone tym symbolem posiadają wbudowany bezpiecznik. Oznacza to oszczędność miejsca, niższe koszty montażu, skrócenie czasu montażu, krótsze kable połączeniowe. Wbudowany bezpiecznik występuje w produktach z rodziny DEHNvenCI, DEHNbloc Maxi S, DEHNguard … CI oraz V(A) NH.

Direct Current-Disconnection (rozłączenie obwodu prądu stałego)

W przypadku stosowania ograniczników przepięć w instalacjach prądu stałego, gdzie nie występuje przejście przez zero, także należy zapewnić awaryjne rozłączenie. Technika DCD działa jak klin, który niezawodnie przerywa prąd stały, a tym samym zapobiega pożarom spowodowanym przez łuki przełączające DC. Ten symbol można znaleźć na wszystkich produktach z rodziny DEHNguard SE DC.

Technika SCI

Opatentowana technika SCI z aktywnym gaszeniem łuku pozwala na aktywne, szybkie i bezpieczne wygaszenie ewentualnego łuku łączeniowego powstałego w przypadku przeciążenia. Zintegrowany bezpiecznik zadziała natychmiast po zgaszeniu łuku, zapewniając w ten sposób bezpieczną izolację elektryczną (przerwanie obwodu). Dlatego też wszystkie ograniczniki DEHN do instalacji fotowoltaicznych łączą skuteczną ochronę przepięciową, przeciwpożarową oraz zdrowia i życia ludzkiego w jednym urządzeniu.

Dane techniczne

Znamionowy prąd wyładowczy (8/20 µs) (In ) 20 kA
Maksymalny prąd wyładowczy (8/20 µs) (Imax ) 40 kA
Największe napięcie trwałej pracy AC (UC ) 1000 V

Produkt 952908 został dodany do notatnika.

Do koszyka dodano produkt 952908.

Nr kat. 952918 DG MOD E H 1000 VA

GTIN / EAN 4013364308336, Nr taryfy celnej (EU): 85363030, Waga brutto: 130.00 g, Jednostka opakowaniowa: 1.00 szt.


Rysunki

Informacje dodatkowe

Warystorowy moduł ochronny DG MOD E 1000 VA
Wtykowy moduł ochronny do ograniczników DEHNguard
SE H 1000 VA FM
Ogranicznik typu 2 zgodnie z EN 61643-11
Wysokowydajna technologia warystorów
Największe napięcie trwałej pracy: 1000 V DC
Znamionowy prąd wyładowczy: 15 kA
Wskaźnik uszkodzenia

Producent: DEHN
Typ: DG MOD E H 1000 VA
Nr kat.: 952918
lub podobny.

Certyfikaty

 

Circuit Interruption (przerwanie obwodu)

Ograniczniki przepięć oznaczone tym symbolem posiadają wbudowany bezpiecznik. Oznacza to oszczędność miejsca, niższe koszty montażu, skrócenie czasu montażu, krótsze kable połączeniowe. Wbudowany bezpiecznik występuje w produktach z rodziny DEHNvenCI, DEHNbloc Maxi S, DEHNguard … CI oraz V(A) NH.

Direct Current-Disconnection (rozłączenie obwodu prądu stałego)

W przypadku stosowania ograniczników przepięć w instalacjach prądu stałego, gdzie nie występuje przejście przez zero, także należy zapewnić awaryjne rozłączenie. Technika DCD działa jak klin, który niezawodnie przerywa prąd stały, a tym samym zapobiega pożarom spowodowanym przez łuki przełączające DC. Ten symbol można znaleźć na wszystkich produktach z rodziny DEHNguard SE DC.

Technika SCI

Opatentowana technika SCI z aktywnym gaszeniem łuku pozwala na aktywne, szybkie i bezpieczne wygaszenie ewentualnego łuku łączeniowego powstałego w przypadku przeciążenia. Zintegrowany bezpiecznik zadziała natychmiast po zgaszeniu łuku, zapewniając w ten sposób bezpieczną izolację elektryczną (przerwanie obwodu). Dlatego też wszystkie ograniczniki DEHN do instalacji fotowoltaicznych łączą skuteczną ochronę przepięciową, przeciwpożarową oraz zdrowia i życia ludzkiego w jednym urządzeniu.

Dane techniczne

Znamionowy prąd wyładowczy (8/20 µs) (In ) 15 kA
Maksymalny prąd wyładowczy (8/20 µs) (Imax ) 40 kA
Największe napięcie trwałej pracy AC (UC ) 1000 V

Produkt 952918 został dodany do notatnika.

Do koszyka dodano produkt 952918.


Warystorowy moduł ochronny do ograniczników DEHNguard SE DC

4 Produkty

Nr kat. 972010 DG MOD E DC 60

GTIN / EAN 4013364158672, Nr taryfy celnej (EU): 85363030, Waga brutto: 65.00 g, Jednostka opakowaniowa: 1.00 szt.


Rysunki

Informacje dodatkowe

Warystorowy moduł ochronny DG MOD E DC 60
Wtykowy moduł ochronny do ograniczników DEHNguard SE DC ... (FM)
Typu 2 z rodziny produktów Red/Line -Rodzina produktów
zgodnie z EN 61643-11
Wysokowydajna technologia warystorów
Zaprojektowane specjalnie do stosowania w obwodach stałoprądowych (DC)
Największe napięcie trwałej pracy: 60 V DC
Znamionowy prąd wyładowczy: 12,5 kA
Wskaźnik uszkodzenia

Producent: DEHN
Typ: DG MOD E DC 60
Nr kat.: 972010
lub podobny.

 

Circuit Interruption (przerwanie obwodu)

Ograniczniki przepięć oznaczone tym symbolem posiadają wbudowany bezpiecznik. Oznacza to oszczędność miejsca, niższe koszty montażu, skrócenie czasu montażu, krótsze kable połączeniowe. Wbudowany bezpiecznik występuje w produktach z rodziny DEHNvenCI, DEHNbloc Maxi S, DEHNguard … CI oraz V(A) NH.

Direct Current-Disconnection (rozłączenie obwodu prądu stałego)

W przypadku stosowania ograniczników przepięć w instalacjach prądu stałego, gdzie nie występuje przejście przez zero, także należy zapewnić awaryjne rozłączenie. Technika DCD działa jak klin, który niezawodnie przerywa prąd stały, a tym samym zapobiega pożarom spowodowanym przez łuki przełączające DC. Ten symbol można znaleźć na wszystkich produktach z rodziny DEHNguard SE DC.

Technika SCI

Opatentowana technika SCI z aktywnym gaszeniem łuku pozwala na aktywne, szybkie i bezpieczne wygaszenie ewentualnego łuku łączeniowego powstałego w przypadku przeciążenia. Zintegrowany bezpiecznik zadziała natychmiast po zgaszeniu łuku, zapewniając w ten sposób bezpieczną izolację elektryczną (przerwanie obwodu). Dlatego też wszystkie ograniczniki DEHN do instalacji fotowoltaicznych łączą skuteczną ochronę przepięciową, przeciwpożarową oraz zdrowia i życia ludzkiego w jednym urządzeniu.

Dane techniczne

Znamionowy prąd wyładowczy (8/20 µs) (In ) 12,5 kA
Największe napięcie trwałej pracy DC (UC ) 60 V

Produkt 972010 został dodany do notatnika.

Do koszyka dodano produkt 972010.

Nr kat. 972020 DG MOD E DC 242

GTIN / EAN 4013364158702, Nr taryfy celnej (EU): 85363030, Waga brutto: 75.00 g, Jednostka opakowaniowa: 1.00 szt.


Rysunki

Informacje dodatkowe

Warystorowy moduł ochronny DG MOD E DC 242
Wtykowy moduł ochronny do ograniczników DEHNguard SE DC ... (FM)
Typu 2 z rodziny produktów Red/Line -Rodzina produktów
zgodnie z EN 61643-11
Wysokowydajna technologia warystorów
Zaprojektowane specjalnie do stosowania w obwodach stałoprądowych (DC)
Największe napięcie trwałej pracy: 242 V DC
Znamionowy prąd wyładowczy: 12,5 kA
Wskaźnik uszkodzenia

Producent: DEHN
Typ: DG MOD E DC 242
Nr kat.: 972020
lub podobny.

Certyfikaty

 

Circuit Interruption (przerwanie obwodu)

Ograniczniki przepięć oznaczone tym symbolem posiadają wbudowany bezpiecznik. Oznacza to oszczędność miejsca, niższe koszty montażu, skrócenie czasu montażu, krótsze kable połączeniowe. Wbudowany bezpiecznik występuje w produktach z rodziny DEHNvenCI, DEHNbloc Maxi S, DEHNguard … CI oraz V(A) NH.

Direct Current-Disconnection (rozłączenie obwodu prądu stałego)

W przypadku stosowania ograniczników przepięć w instalacjach prądu stałego, gdzie nie występuje przejście przez zero, także należy zapewnić awaryjne rozłączenie. Technika DCD działa jak klin, który niezawodnie przerywa prąd stały, a tym samym zapobiega pożarom spowodowanym przez łuki przełączające DC. Ten symbol można znaleźć na wszystkich produktach z rodziny DEHNguard SE DC.

Technika SCI

Opatentowana technika SCI z aktywnym gaszeniem łuku pozwala na aktywne, szybkie i bezpieczne wygaszenie ewentualnego łuku łączeniowego powstałego w przypadku przeciążenia. Zintegrowany bezpiecznik zadziała natychmiast po zgaszeniu łuku, zapewniając w ten sposób bezpieczną izolację elektryczną (przerwanie obwodu). Dlatego też wszystkie ograniczniki DEHN do instalacji fotowoltaicznych łączą skuteczną ochronę przepięciową, przeciwpożarową oraz zdrowia i życia ludzkiego w jednym urządzeniu.

Dane techniczne

Znamionowy prąd wyładowczy (8/20 µs) (In ) 12,5 kA
Największe napięcie trwałej pracy DC (UC ) 242 V

Produkt 972020 został dodany do notatnika.

Do koszyka dodano produkt 972020.

Nr kat. 972030 DG MOD E DC 550

GTIN / EAN 4013364158719, Nr taryfy celnej (EU): 85363030, Waga brutto: 89.00 g, Jednostka opakowaniowa: 1.00 szt.


Rysunki

Informacje dodatkowe

Warystorowy moduł ochronny DG MOD E DC 550
Wtykowy moduł ochronny do ograniczników DEHNguard SE DC ... (FM)
Typu 2 z rodziny produktów Red/Line -Rodzina produktów
zgodnie z EN 61643-11
Wysokowydajna technologia warystorów
Zaprojektowane specjalnie do stosowania w obwodach stałoprądowych (DC)
Największe napięcie trwałej pracy: 550 V DC
Znamionowy prąd wyładowczy: 12,5 kA
Wskaźnik uszkodzenia

Producent: DEHN
Typ: DG MOD E DC 550
Nr kat.: 972030
lub podobny.

Certyfikaty

 

Circuit Interruption (przerwanie obwodu)

Ograniczniki przepięć oznaczone tym symbolem posiadają wbudowany bezpiecznik. Oznacza to oszczędność miejsca, niższe koszty montażu, skrócenie czasu montażu, krótsze kable połączeniowe. Wbudowany bezpiecznik występuje w produktach z rodziny DEHNvenCI, DEHNbloc Maxi S, DEHNguard … CI oraz V(A) NH.

Direct Current-Disconnection (rozłączenie obwodu prądu stałego)

W przypadku stosowania ograniczników przepięć w instalacjach prądu stałego, gdzie nie występuje przejście przez zero, także należy zapewnić awaryjne rozłączenie. Technika DCD działa jak klin, który niezawodnie przerywa prąd stały, a tym samym zapobiega pożarom spowodowanym przez łuki przełączające DC. Ten symbol można znaleźć na wszystkich produktach z rodziny DEHNguard SE DC.

Technika SCI

Opatentowana technika SCI z aktywnym gaszeniem łuku pozwala na aktywne, szybkie i bezpieczne wygaszenie ewentualnego łuku łączeniowego powstałego w przypadku przeciążenia. Zintegrowany bezpiecznik zadziała natychmiast po zgaszeniu łuku, zapewniając w ten sposób bezpieczną izolację elektryczną (przerwanie obwodu). Dlatego też wszystkie ograniczniki DEHN do instalacji fotowoltaicznych łączą skuteczną ochronę przepięciową, przeciwpożarową oraz zdrowia i życia ludzkiego w jednym urządzeniu.

Dane techniczne

Znamionowy prąd wyładowczy (8/20 µs) (In ) 12,5 kA
Największe napięcie trwałej pracy DC (UC ) 550 V

Produkt 972030 został dodany do notatnika.

Do koszyka dodano produkt 972030.

Nr kat. 972040 DG MOD E DC 900

GTIN / EAN 4013364158764, Nr taryfy celnej (EU): 85363030, Waga brutto: 95.00 g, Jednostka opakowaniowa: 1.00 szt.


Rysunki

Informacje dodatkowe

Warystorowy moduł ochronny DG MOD E DC 900
Wtykowy moduł ochronny do ograniczników DEHNguard SE DC ... (FM)
Typu 2 z rodziny produktów Red/Line -Rodzina produktów
zgodnie z EN 61643-11
Wysokowydajna technologia warystorów
Zaprojektowane specjalnie do stosowania w obwodach stałoprądowych (DC)
Największe napięcie trwałej pracy: 900 V DC
Znamionowy prąd wyładowczy: 12,5 kA
Wskaźnik uszkodzenia

Producent: DEHN
Typ: DG MOD E DC 900
Nr kat.: 972040
lub podobny.

Certyfikaty

 

Circuit Interruption (przerwanie obwodu)

Ograniczniki przepięć oznaczone tym symbolem posiadają wbudowany bezpiecznik. Oznacza to oszczędność miejsca, niższe koszty montażu, skrócenie czasu montażu, krótsze kable połączeniowe. Wbudowany bezpiecznik występuje w produktach z rodziny DEHNvenCI, DEHNbloc Maxi S, DEHNguard … CI oraz V(A) NH.

Direct Current-Disconnection (rozłączenie obwodu prądu stałego)

W przypadku stosowania ograniczników przepięć w instalacjach prądu stałego, gdzie nie występuje przejście przez zero, także należy zapewnić awaryjne rozłączenie. Technika DCD działa jak klin, który niezawodnie przerywa prąd stały, a tym samym zapobiega pożarom spowodowanym przez łuki przełączające DC. Ten symbol można znaleźć na wszystkich produktach z rodziny DEHNguard SE DC.

Technika SCI

Opatentowana technika SCI z aktywnym gaszeniem łuku pozwala na aktywne, szybkie i bezpieczne wygaszenie ewentualnego łuku łączeniowego powstałego w przypadku przeciążenia. Zintegrowany bezpiecznik zadziała natychmiast po zgaszeniu łuku, zapewniając w ten sposób bezpieczną izolację elektryczną (przerwanie obwodu). Dlatego też wszystkie ograniczniki DEHN do instalacji fotowoltaicznych łączą skuteczną ochronę przepięciową, przeciwpożarową oraz zdrowia i życia ludzkiego w jednym urządzeniu.

Dane techniczne

Znamionowy prąd wyładowczy (8/20 µs) (In ) 12,5 kA
Największe napięcie trwałej pracy DC (UC ) 900 V

Produkt 972040 został dodany do notatnika.

Do koszyka dodano produkt 972040.


Powrót na górę