Your dashboard services.
Register to access all tools.

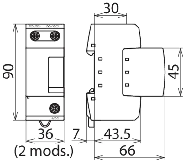
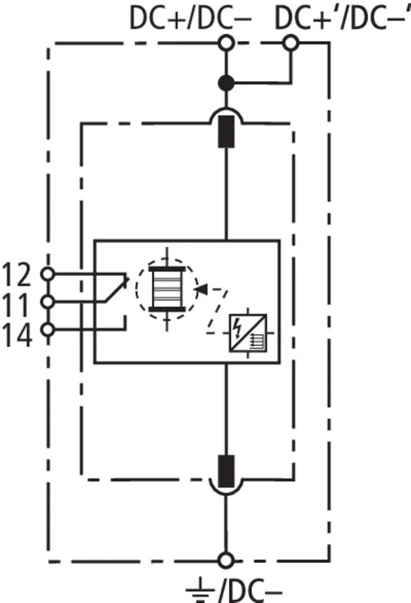
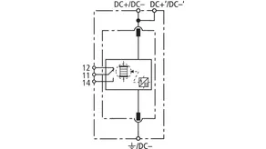
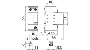
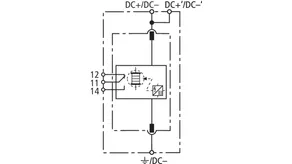
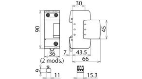
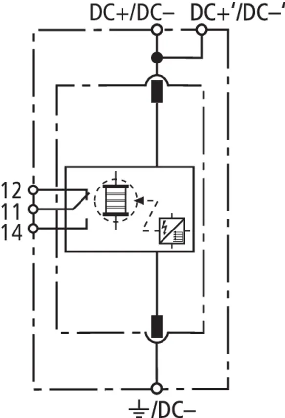
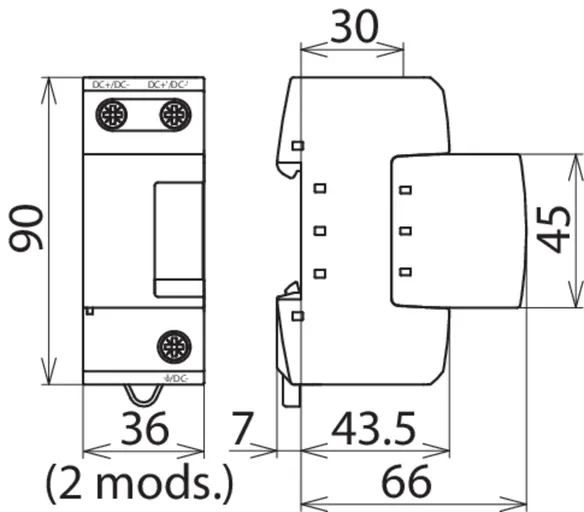
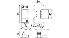
DEHNsecure modular

  • skoordynowany ogranicznik przepięć na bazie iskiernika składający się z podstawy i wymienego modułu ochronnego
  • specjalne wykonanie iskierników do instalacji DC (prądu stałego)
  • zdolność odprowadzania prądów udarowych do 25 kA (10/350 µs)
  • bezpośrednia koordynacja z ogranicznikami DEHNguard SE DC ...
  • niski napięciowy poziom ochrony
  • optyczna sygnalizacja stanu w oknie kontrolnym (wskaźnik zielony / czerwony)
  • łatwa wymiana modułów bez używania narzędzi poprzez zastosowanie rygla blokującego z przyciskiem zwalniającym moduł

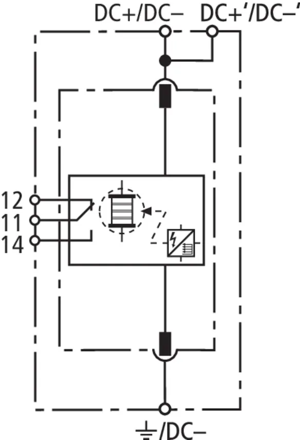
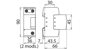
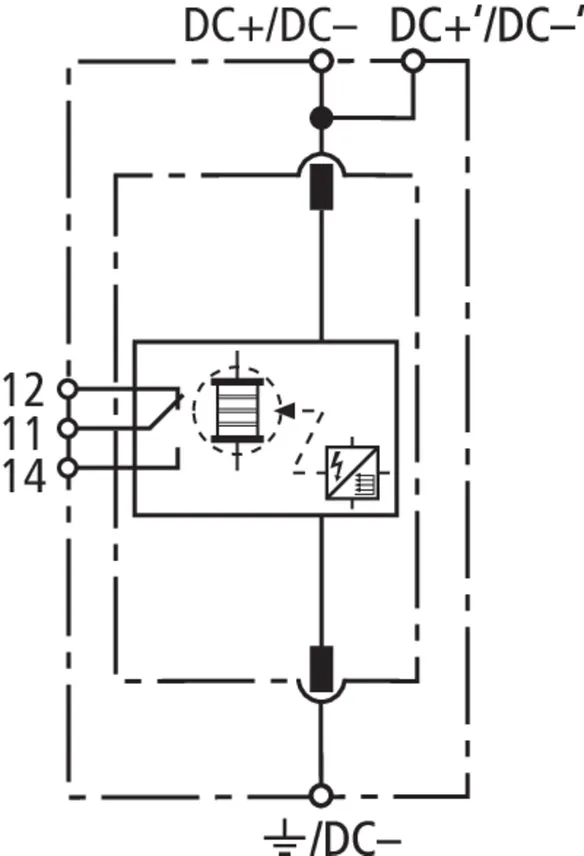
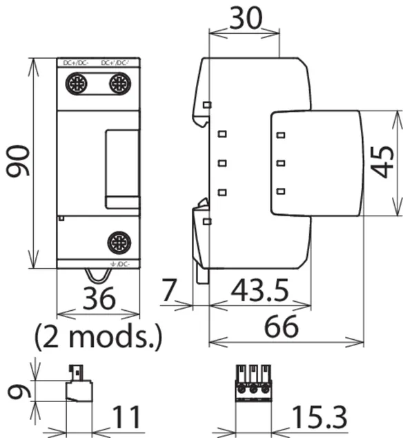
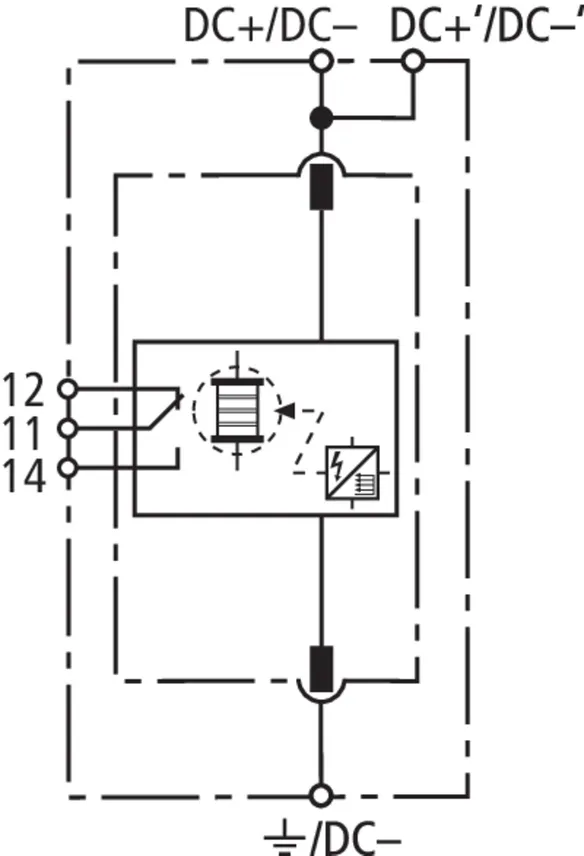
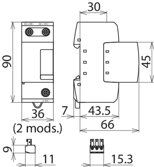
DEHNsecure M 1 ...

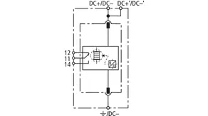
Skoordynowany modułowy jednobiegunowy ogranicznik przepięć do instalacji stałoprądowych.

3 Produkty

Nr kat. 971121 DSE M 1 60

GTIN / EAN 4013364138582, Nr taryfy celnej (EU): 85363090, Waga brutto: 300.00 g, Jednostka opakowaniowa: 1.00 szt.


Rysunki

Informacje dodatkowe

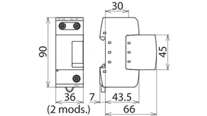
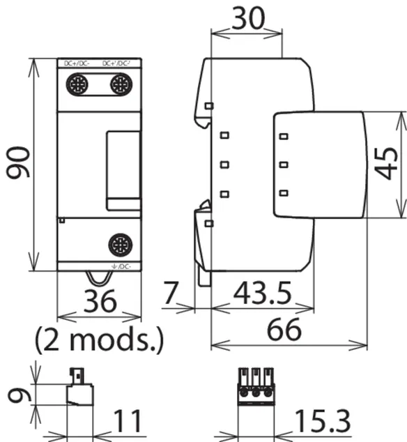
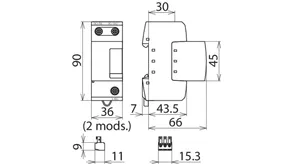
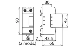
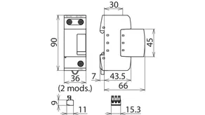
Skoordynowany ogranicznik przepięć DEHNsecure M 1 60
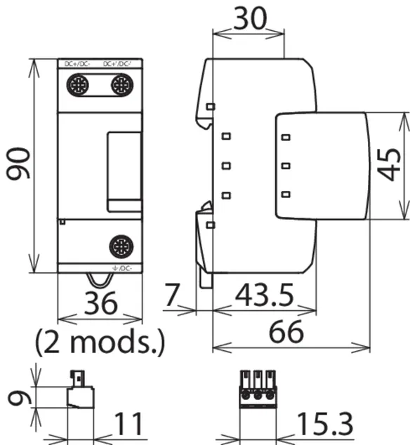
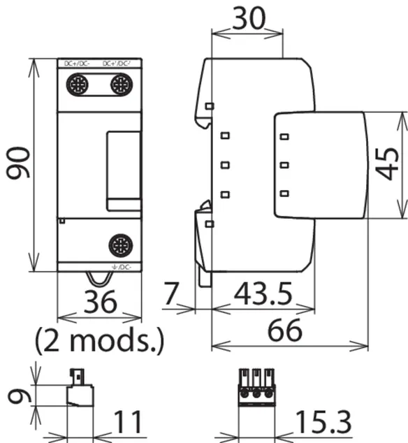
1-biegunowy, modułowy, gotowy do podłączenia skoordynowany ogranicznik przepięć
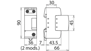
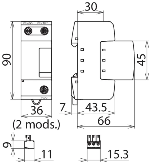
do zastosowań stałoprądowych, szerokość: 2 moduły
Ogranicznik przepięć typu 1 zgodnie z EN 61643-11
Zaprojektowany specjalnie do stosowania w obwodach stałoprądowych (DC)
technika iskiernikowa
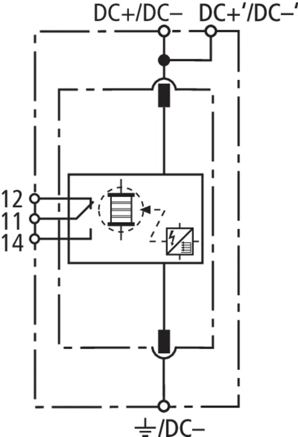
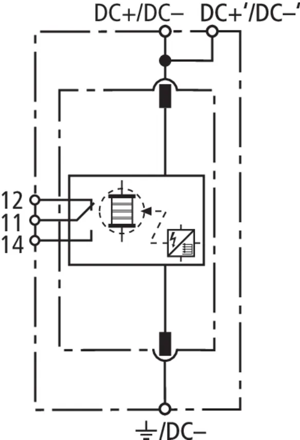
Wskaźnik uszkodzenia
Największe napięcie trwałej pracy: 60 V DC
Napięciowy poziom ochrony: <= 1,5 kV
Prąd udarowy pioruna (10/350): 25 kA
Wytrzymałość zwarciowa DC: 25 kA
Koordynacja energetyczna według DIN EN 62305-4
Ogranicznik przepięć z rodziny Red/Line

Producent: DEHN
Typ: DSE M 1 60
Nr kat.: 971121
lub podobny.

Certyfikaty

 

Funkcja falochronu

Ogranicznik przepięć typu 1 – podobnie jak falochron – ucina energię udaru do znacznie niższego poziomu. Chroni to instalację elektryczną i ograniczniki typu 2 i 3 zainstalowane za ogranicznikiem typu 1, wydłużając okres ich eksploatacji. Wszystkie ograniczniki typu 1 z serii produktów Red/Line posiadają funkcję falochronu (WBF).

Dane techniczne

Ogranicznik przepięć zgodnie z PN-EN 61643-11 typ 1 / klasa I
Największe napięcie trwałej pracy DC (UC ) 60 V
Prąd udarowy (10/350 µs) (Iimp ) 25 kA
Napięciowy poziom ochrony (UP ) ≤ 1,5 kV
Maksymalny bezpiecznik dodatkowy 250 A gG
Certyfikaty UL
Rozszerzone dane techniczne: stosowanie w oświetleniu ewakuacyjnym

Produkt 971121 został dodany do notatnika.

Do koszyka dodano produkt 971121.

Nr kat. 971120 DSE M 1 220

GTIN / EAN 4013364133631, Nr taryfy celnej (EU): 85363090, Waga brutto: 268.20 g, Jednostka opakowaniowa: 1.00 szt.


Rysunki

Informacje dodatkowe

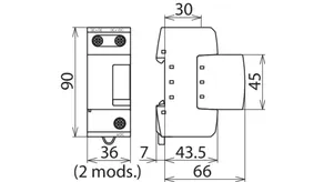
Skoordynowany ogranicznik przepięć DEHNsecure M 1 220
1-biegunowy, modułowy, gotowy do podłączenia skoordynowany ogranicznik przepięć
do zastosowań stałoprądowych, szerokość: 2 moduły
Ogranicznik przepięć typu 1 zgodnie z EN 61643-11
Zaprojektowany specjalnie do stosowania w obwodach stałoprądowych (DC)
technika iskiernikowa
Wskaźnik uszkodzenia
Największe napięcie trwałej pracy: 220 V DC
Napięciowy poziom ochrony: <= 2,5 kV
Prąd udarowy pioruna (10/350): 25 kA
Wytrzymałość zwarciowa DC: 25 kA
Koordynacja energetyczna według DIN EN 62305-4
Ogranicznik przepięć z rodziny Red/Line

Producent: DEHN
Typ: DSE M 1 220
Nr kat.: 971120
lub podobny.

Certyfikaty

 

Funkcja falochronu

Ogranicznik przepięć typu 1 – podobnie jak falochron – ucina energię udaru do znacznie niższego poziomu. Chroni to instalację elektryczną i ograniczniki typu 2 i 3 zainstalowane za ogranicznikiem typu 1, wydłużając okres ich eksploatacji. Wszystkie ograniczniki typu 1 z serii produktów Red/Line posiadają funkcję falochronu (WBF).

Dane techniczne

Ogranicznik przepięć zgodnie z PN-EN 61643-11 typ 1 / klasa I
Największe napięcie trwałej pracy DC (UC ) 220 V
Prąd udarowy (10/350 µs) (Iimp ) 25 kA
Napięciowy poziom ochrony (UP ) ≤ 2,5 kV
Maksymalny bezpiecznik dodatkowy 250 A gG
Rozszerzone dane techniczne: stosowanie w oświetleniu ewakuacyjnym

Produkt 971120 został dodany do notatnika.

Do koszyka dodano produkt 971120.

Nr kat. 971122 DSE M 1 242

GTIN / EAN 4013364144477, Nr taryfy celnej (EU): 85363090, Waga brutto: 273.70 g, Jednostka opakowaniowa: 1.00 szt.


Rysunki

Informacje dodatkowe

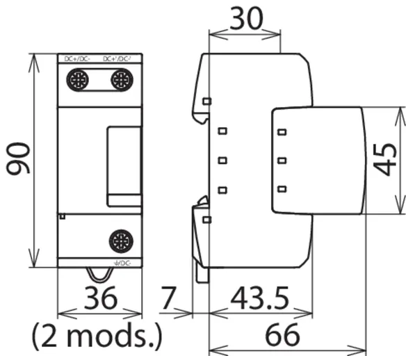
Skoordynowany ogranicznik przepięć DEHNsecure M 1 242
1-biegunowy, modułowy, gotowy do podłączenia skoordynowany ogranicznik przepięć
do zastosowań stałoprądowych, szerokość: 2 moduły
Ogranicznik przepięć typu 1 zgodnie z EN 61643-11
Zaprojektowany specjalnie do stosowania w obwodach stałoprądowych (DC)
technika iskiernikowa
Wskaźnik uszkodzenia
Największe napięcie trwałej pracy: 242 V DC
Napięciowy poziom ochrony: <= 2,5 kV
Prąd udarowy pioruna (10/350): 25 kA
Wytrzymałość zwarciowa DC: 25 kA
Koordynacja energetyczna według DIN EN 62305-4
Ogranicznik przepięć z rodziny Red/Line

Producent: DEHN
Typ: DSE M 1 242
Nr kat.: 971122
lub podobny.

Certyfikaty

 

Funkcja falochronu

Ogranicznik przepięć typu 1 – podobnie jak falochron – ucina energię udaru do znacznie niższego poziomu. Chroni to instalację elektryczną i ograniczniki typu 2 i 3 zainstalowane za ogranicznikiem typu 1, wydłużając okres ich eksploatacji. Wszystkie ograniczniki typu 1 z serii produktów Red/Line posiadają funkcję falochronu (WBF).

Dane techniczne

Ogranicznik przepięć zgodnie z PN-EN 61643-11 typ 1 / klasa I
Największe napięcie trwałej pracy DC (UC ) 242 V
Prąd udarowy (10/350 µs) (Iimp ) 25 kA
Napięciowy poziom ochrony (UP ) ≤ 2,5 kV
Maksymalny bezpiecznik dodatkowy 250 A gG
Rozszerzone dane techniczne: stosowanie w oświetleniu ewakuacyjnym
– Największe napięcie trwałej pracy AC (UC ) 255 V

Produkt 971122 został dodany do notatnika.

Do koszyka dodano produkt 971122.


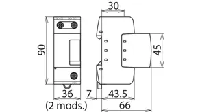
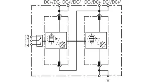
DEHNsecure M 1 ... FM

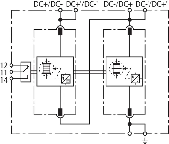
Skoordynowany modułowy dwubiegunowy ogranicznik przepięć do instalacji stałoprądowych; ze zdalną sygnalizacją stanu (bezpotencjałowy zestyk przełączny).

3 Produkty

Nr kat. 971126 DSE M 1 60 FM

GTIN / EAN 4013364138599, Nr taryfy celnej (EU): 85363090, Waga brutto: 304.00 g, Jednostka opakowaniowa: 1.00 szt.


Rysunki

Informacje dodatkowe

Skoordynowany ogranicznik przepięć DEHNsecure M 1 60 FM
1-biegunowy, modułowy, gotowy do podłączenia skoordynowany ogranicznik przepięć
do zastosowań stałoprądowych, szerokość: 2 moduły
z zestykiem zdalnej sygnalizacji
Ogranicznik przepięć typu 1 zgodnie z EN 61643-11
Zaprojektowany specjalnie do stosowania w obwodach stałoprądowych (DC)
technika iskiernikowa
Wskaźnik uszkodzenia
Największe napięcie trwałej pracy: 60 V DC
Napięciowy poziom ochrony: <= 1,5 kV
Prąd udarowy pioruna (10/350): 25 kA
Wytrzymałość zwarciowa DC: 25 kA
Koordynacja energetyczna według DIN EN 62305-4
Ogranicznik przepięć z rodziny Red/Line

Producent: DEHN
Typ: DSE M 1 60 FM
Nr kat.: 971126
lub podobny.

Certyfikaty

 

Funkcja falochronu

Ogranicznik przepięć typu 1 – podobnie jak falochron – ucina energię udaru do znacznie niższego poziomu. Chroni to instalację elektryczną i ograniczniki typu 2 i 3 zainstalowane za ogranicznikiem typu 1, wydłużając okres ich eksploatacji. Wszystkie ograniczniki typu 1 z serii produktów Red/Line posiadają funkcję falochronu (WBF).

Dane techniczne

Ogranicznik przepięć zgodnie z PN-EN 61643-11 typ 1 / klasa I
Największe napięcie trwałej pracy DC (UC ) 60 V
Prąd udarowy (10/350 µs) (Iimp ) 25 kA
Napięciowy poziom ochrony (UP ) ≤ 1,5 kV
Maksymalny bezpiecznik dodatkowy 250 A gG
Certyfikaty UL
Rodzaj zestyku zdalnej sygnalizacji (FM) bezpotencjałowy zestyk przełączny
Rozszerzone dane techniczne: stosowanie w oświetleniu ewakuacyjnym

Produkt 971126 został dodany do notatnika.

Do koszyka dodano produkt 971126.

Nr kat. 971125 DSE M 1 220 FM

GTIN / EAN 4013364133648, Nr taryfy celnej (EU): 85363090, Waga brutto: 241.90 g, Jednostka opakowaniowa: 1.00 szt.


Rysunki

Informacje dodatkowe

Skoordynowany ogranicznik przepięć DEHNsecure M 1 220 FM
1-biegunowy, modułowy, gotowy do podłączenia skoordynowany ogranicznik przepięć
do zastosowań stałoprądowych, szerokość: 2 moduły
z zestykiem zdalnej sygnalizacji
Ogranicznik przepięć typu 1 zgodnie z EN 61643-11
Zaprojektowany specjalnie do stosowania w obwodach stałoprądowych (DC)
technika iskiernikowa
Wskaźnik uszkodzenia
Największe napięcie trwałej pracy: 220 V DC
Napięciowy poziom ochrony: <= 2,5 kV
Prąd udarowy pioruna (10/350): 25 kA
Wytrzymałość zwarciowa DC: 25 kA
Koordynacja energetyczna według DIN EN 62305-4
Ogranicznik przepięć z rodziny Red/Line

Producent: DEHN
Typ: DSE M 1 220 FM
Nr kat.: 971125
lub podobny.

Certyfikaty

 

Funkcja falochronu

Ogranicznik przepięć typu 1 – podobnie jak falochron – ucina energię udaru do znacznie niższego poziomu. Chroni to instalację elektryczną i ograniczniki typu 2 i 3 zainstalowane za ogranicznikiem typu 1, wydłużając okres ich eksploatacji. Wszystkie ograniczniki typu 1 z serii produktów Red/Line posiadają funkcję falochronu (WBF).

Dane techniczne

Ogranicznik przepięć zgodnie z PN-EN 61643-11 typ 1 / klasa I
Największe napięcie trwałej pracy DC (UC ) 220 V
Prąd udarowy (10/350 µs) (Iimp ) 25 kA
Napięciowy poziom ochrony (UP ) ≤ 2,5 kV
Maksymalny bezpiecznik dodatkowy 250 A gG
Rodzaj zestyku zdalnej sygnalizacji (FM) bezpotencjałowy zestyk przełączny
Rozszerzone dane techniczne: stosowanie w oświetleniu ewakuacyjnym

Produkt 971125 został dodany do notatnika.

Do koszyka dodano produkt 971125.

Nr kat. 971127 DSE M 1 242 FM

GTIN / EAN 4013364144484, Nr taryfy celnej (EU): 85363090, Waga brutto: 269.50 g, Jednostka opakowaniowa: 1.00 szt.


Rysunki

Informacje dodatkowe

Skoordynowany ogranicznik przepięć DEHNsecure M 1 242 FM
1-biegunowy, modułowy, gotowy do podłączenia skoordynowany ogranicznik przepięć, szerokość: 2 moduły
do zastosowań stałoprądowych, szerokość: 2 moduły
z zestykiem zdalnej sygnalizacji
Ogranicznik przepięć typu 1 zgodnie z EN 61643-11
Zaprojektowany specjalnie do stosowania w obwodach stałoprądowych (DC)
technika iskiernikowa
Wskaźnik uszkodzenia
Największe napięcie trwałej pracy: 242 V DC
Napięciowy poziom ochrony: <= 2,5 kV
Prąd udarowy pioruna (10/350): 25 kA
Wytrzymałość zwarciowa DC: 25 kA
Koordynacja energetyczna według DIN EN 62305-4
Ogranicznik przepięć z rodziny Red/Line

Producent: DEHN
Typ: DSE M 1 242 FM
Nr kat.: 971127
lub podobny.

Certyfikaty

 

Funkcja falochronu

Ogranicznik przepięć typu 1 – podobnie jak falochron – ucina energię udaru do znacznie niższego poziomu. Chroni to instalację elektryczną i ograniczniki typu 2 i 3 zainstalowane za ogranicznikiem typu 1, wydłużając okres ich eksploatacji. Wszystkie ograniczniki typu 1 z serii produktów Red/Line posiadają funkcję falochronu (WBF).

Dane techniczne

Ogranicznik przepięć zgodnie z PN-EN 61643-11 typ 1 / klasa I
Największe napięcie trwałej pracy DC (UC ) 242 V
Prąd udarowy (10/350 µs) (Iimp ) 25 kA
Napięciowy poziom ochrony (UP ) ≤ 2,5 kV
Maksymalny bezpiecznik dodatkowy 250 A gG
Rodzaj zestyku zdalnej sygnalizacji (FM) bezpotencjałowy zestyk przełączny
Rozszerzone dane techniczne: stosowanie w oświetleniu ewakuacyjnym
– Największe napięcie trwałej pracy AC (UC ) 255 V

Produkt 971127 został dodany do notatnika.

Do koszyka dodano produkt 971127.


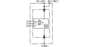
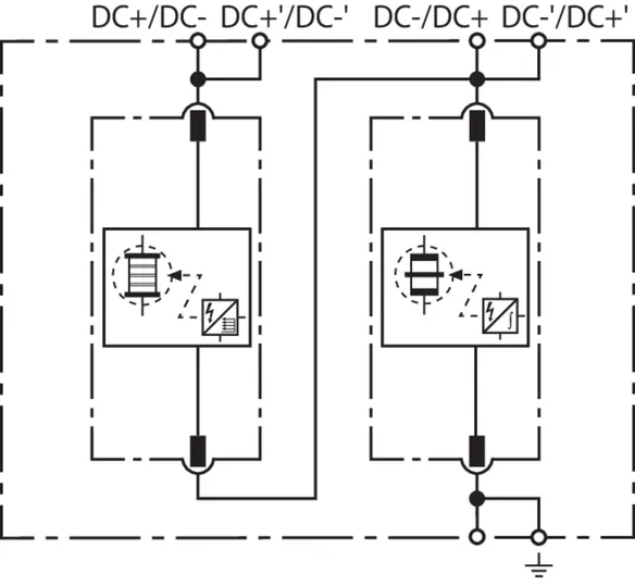
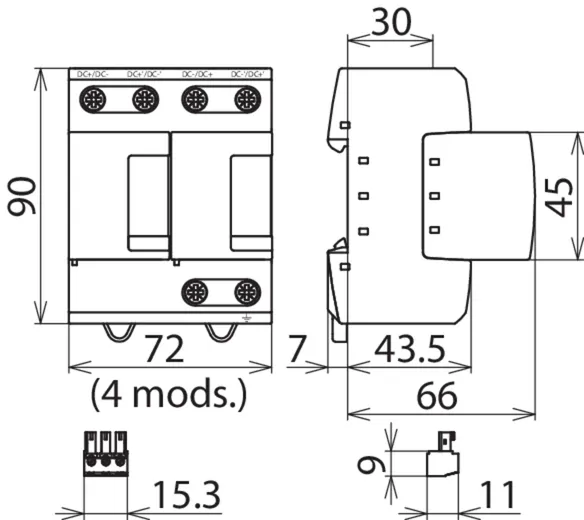
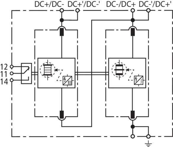
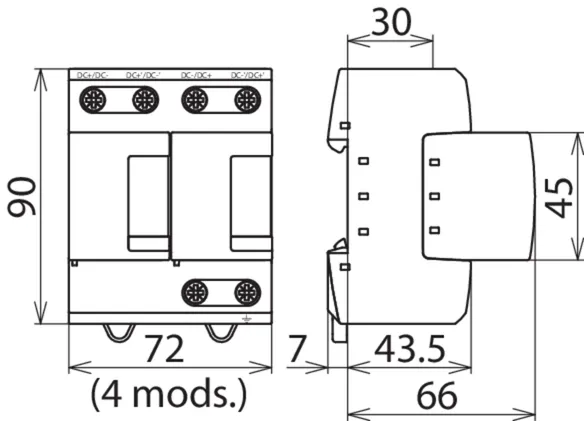
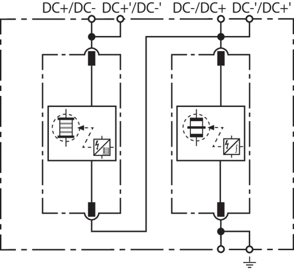
DEHNsecure M 2P ... (FM)

Skoordynowany modułowy dwubiegunowy ogranicznik przepięć do instalacji stałoprądowych do 60 V (układ połączeń "1+1"); wersja FM ze zdalną sygnalizacją stanu (bezpotencjałowy zestyk przełączny).

2 Produkty

Nr kat. 971221 DSE M 2P 60

GTIN / EAN 4013364138612, Nr taryfy celnej (EU): 85363090, Waga brutto: 638.00 g, Jednostka opakowaniowa: 1.00 szt.


Rysunki

Informacje dodatkowe

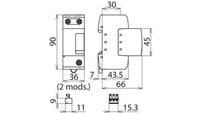
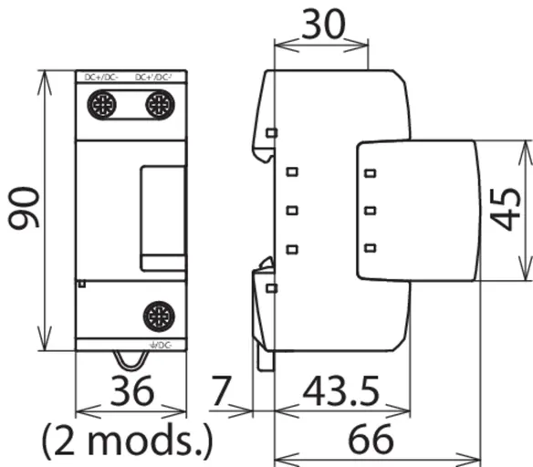
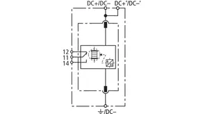
Skoordynowany ogranicznik przepięć DEHNsecure M 2P 60
2-biegunowy, modułowy, gotowy do podłączenia skoordynowany ogranicznik przepięć
do zastosowań stałoprądowych, szerokość 4 moduły
Ogranicznik przepięć typu 1 zgodnie z EN 61643-11
Zaprojektowany specjalnie do stosowania w obwodach stałoprądowych (DC)
technika iskiernikowa
Wskaźnik uszkodzenia
Największe napięcie trwałej pracy: 60 V DC
Napięciowy poziom ochrony: <= 1,5 kV
Prąd udarowy pioruna (10/350): 50 kA
Wytrzymałość zwarciowa DC: 25 kA
Koordynacja energetyczna według DIN EN 62305-4
Ogranicznik przepięć z rodziny Red/Line

Producent: DEHN
Typ: DSE M 2P 60
Nr kat.: 971221
lub podobny.

Certyfikaty

 

Funkcja falochronu

Ogranicznik przepięć typu 1 – podobnie jak falochron – ucina energię udaru do znacznie niższego poziomu. Chroni to instalację elektryczną i ograniczniki typu 2 i 3 zainstalowane za ogranicznikiem typu 1, wydłużając okres ich eksploatacji. Wszystkie ograniczniki typu 1 z serii produktów Red/Line posiadają funkcję falochronu (WBF).

Dane techniczne

Ogranicznik przepięć zgodnie z PN-EN 61643-11 typ 1 / klasa I
Największe napięcie trwałej pracy DC (UC ) 60 V
Prąd udarowy (10/350 µs) (DC+/DC- -> DC-/DC+) / (DC-/DC+ -> 9) (Iimp ) 25 / 50 kA
Napięciowy poziom ochrony (DC+/DC- -> DC-/DC+) / (DC-/DC+ -> 9) (UP ) ≤ 1,5 / ≤ 1,5 kV
Maksymalny bezpiecznik dodatkowy 250 A gG
Certyfikaty UL

Produkt 971221 został dodany do notatnika.

Do koszyka dodano produkt 971221.

Nr kat. 971226 DSE M 2P 60 FM

GTIN / EAN 4013364138629, Nr taryfy celnej (EU): 85363090, Waga brutto: 675.00 g, Jednostka opakowaniowa: 1.00 szt.


Rysunki

Informacje dodatkowe

Skoordynowany ogranicznik przepięć DEHNsecure M 2P 60 FM
2-biegunowy, modułowy, gotowy do podłączenia skoordynowany ogranicznik przepięć
do zastosowań stałoprądowych, szerokość: 4 moduły
z zestykiem zdalnej sygnalizacji
Ogranicznik przepięć typu 1 zgodnie z EN 61643-11
Zaprojektowany specjalnie do stosowania w obwodach stałoprądowych (DC)
technika iskiernikowa
Wskaźnik uszkodzenia
Największe napięcie trwałej pracy: 60 V DC
Napięciowy poziom ochrony: <= 1,5 kV
Prąd udarowy pioruna (10/350): 50 kA
Wytrzymałość zwarciowa DC: 25 kA
Koordynacja energetyczna według DIN EN 62305-4
Ogranicznik przepięć z rodziny Red/Line

Producent: DEHN
Typ: DSE M 2P 60 FM
Nr kat.: 971226
lub podobny.

Certyfikaty

 

Funkcja falochronu

Ogranicznik przepięć typu 1 – podobnie jak falochron – ucina energię udaru do znacznie niższego poziomu. Chroni to instalację elektryczną i ograniczniki typu 2 i 3 zainstalowane za ogranicznikiem typu 1, wydłużając okres ich eksploatacji. Wszystkie ograniczniki typu 1 z serii produktów Red/Line posiadają funkcję falochronu (WBF).

Dane techniczne

Ogranicznik przepięć zgodnie z PN-EN 61643-11 typ 1 / klasa I
Największe napięcie trwałej pracy DC (UC ) 60 V
Prąd udarowy (10/350 µs) (DC+/DC- -> DC-/DC+) / (DC-/DC+ -> 9) (Iimp ) 25 / 50 kA
Napięciowy poziom ochrony (DC+/DC- -> DC-/DC+) / (DC-/DC+ -> 9) (UP ) ≤ 1,5 / ≤ 1,5 kV
Maksymalny bezpiecznik dodatkowy 250 A gG
Certyfikaty UL
Rodzaj zestyku zdalnej sygnalizacji (FM) bezpotencjałowy zestyk przełączny

Produkt 971226 został dodany do notatnika.

Do koszyka dodano produkt 971226.


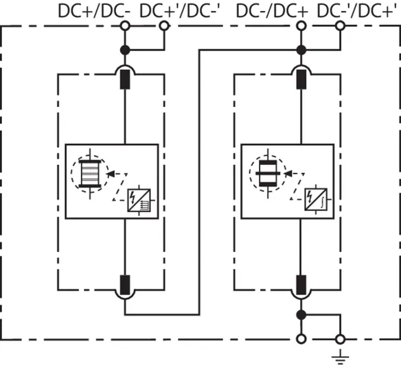
DEHNsecure NG 2P 60 FM

Skoordynowany modułowy dwubiegunowy ogranicznik przepięć do instalacji stałoprądowych do 60 V (układ połączeń „1+1”); wersja FM ze zdalną sygnalizacją stanu (bezpotencjałowy zestyk przełączny).

1 Produkt

Nr kat. 971222 DSE NG 2P 60 FM

GTIN / EAN 4013364489523, Nr taryfy celnej (EU): 85363090, Waga brutto: 507.00 g, Jednostka opakowaniowa: 1.00 szt.


Rysunki

Informacje dodatkowe

Skoordynowany ogranicznik przepięć DEHNsecure NG 2P 60 FM
2-biegunowy, modułowy, gotowy do podłączenia,
skoordynowany ogranicznik przepięć
do zastosowań stałoprądowych, szerokość: 4 moduły
z zestykiem zdalnej sygnalizacji
Ogranicznik przepięć typu 1 zgodnie z EN 61643-11
Zaprojektowana specjalnie do stosowania w
obwodach stałoprądowych (DC) technika iskiernikowa
Wskaźnik uszkodzenia
Największe napięcie trwałej pracy: 60 V DC
Napięciowy poziom ochrony: <= 1,5 kV
Prąd udarowy pioruna (10/350): 50 kA
Wytrzymałość zwarciowa DC: 10 kA
Koordynacja energetyczna według DIN EN 62305-4
Ogranicznik przepięć z rodziny Red/Line

Producent: DEHN
Typ: DSE NG 2P 60 FM
Nr kat.: 971222
lub podobny.

 

Funkcja falochronu

Ogranicznik przepięć typu 1 – podobnie jak falochron – ucina energię udaru do znacznie niższego poziomu. Chroni to instalację elektryczną i ograniczniki typu 2 i 3 zainstalowane za ogranicznikiem typu 1, wydłużając okres ich eksploatacji. Wszystkie ograniczniki typu 1 z serii produktów Red/Line posiadają funkcję falochronu (WBF).

Dane techniczne

Ogranicznik przepięć zgodnie z PN-EN 61643-11 typ 1 + typ 2 / klasa I + klasa II
Największe napięcie trwałej pracy DC (UC ) 60 V
Prąd udarowy (10/350 µs) (DC+/DC- -> DC-/DC+) / (DC-/DC+ -> 9) (Iimp ) 25 / 50 kA
Napięciowy poziom ochrony (DC+/DC- -> DC-/DC+) / (DC-/DC+ -> 9) (UP ) ≤ 1,5 / ≤ 1,5 kV
Maksymalny bezpiecznik dodatkowy 250 A gG
Rodzaj zestyku zdalnej sygnalizacji (FM) bezpotencjałowy zestyk przełączny

Produkt 971222 został dodany do notatnika.

Do koszyka dodano produkt 971222.


Powrót na górę