DEHNbloc Maxi 440 / 760
:quality(98)/www.dehn.pl/store/f/61163109/HDVORSCHAU/961145a1_16-9.jpg)
:quality(98)/www.dehn.pl/store/f/61163109/HDVORSCHAU/961145a1_16-9.jpg)
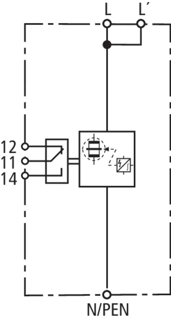
- ogranicznik przepięć typu 1 na bazie iskiernika
- wysoka zdolność odprowadzania prądów udarowych
- wysoka zdolność ograniczania i gaszenia prądów następczych dzięki technologii RADAX Flow
- bezpośrednia koordynacja z ogranicznikami DEHNguard, nie wymaga żadnej długości przewodów
- optyczny wskaźnik działania / uszkodzenia (zielony / czerwony) w oknie kontrolnym
Szczegóły
:quality(98)/www.dehn.pl/store/f/61163110/HDVORSCHAU/961175a1_Kat.jpg)
:quality(98)/www.dehn.pl/store/f/61163110/HDVORSCHAU/961175a1_Kat.jpg)
Nr kat. 961140 DBM 1 440
GTIN / EAN 4013364116269, Nr taryfy celnej (EU): 85363090, Waga brutto: 592.00 g, Jednostka opakowaniowa: 1.00 szt.
Wcześniejszy produktDane techniczne
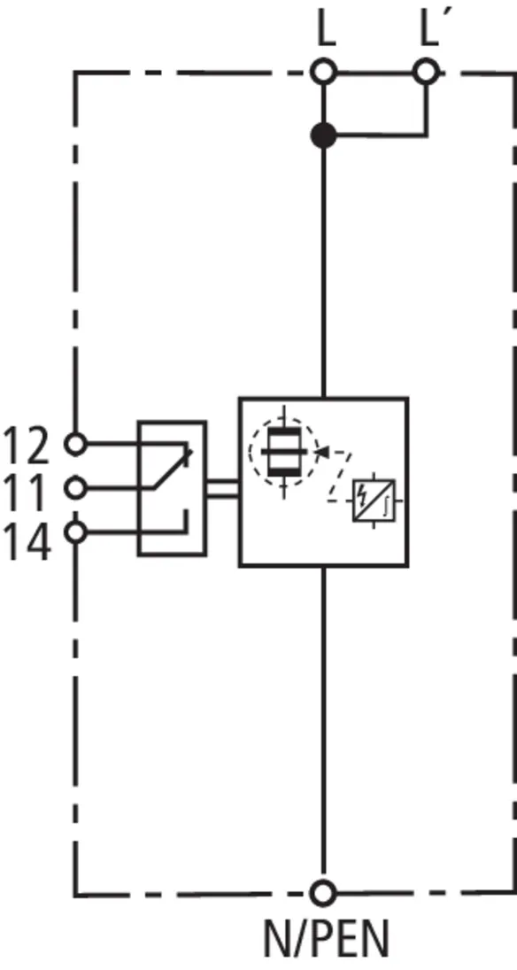
Ogranicznik przepięć zgodnie z PN-EN 61643-11 | typ 1 / klasa I |
Największe napięcie trwałej pracy AC (UC ) | 440 V |
Prąd udarowy (10/350 µs) (Iimp ) | 35 kA |
Napięciowy poziom ochrony (UP ) | ≤ 2,5 kV |
Maksymalny bezpiecznik (L) do IK = 50 kArms (ta ≤ 0,2 s) | 500 A gG |
Maksymalny bezpiecznik (L) do IK = 50 kArms (ta ≤ 5 s) | 250 A gG |
Certyfikaty | UL, CSA |
Nr kat. 961145 DBM 1 440 FM
GTIN / EAN 4013364116276, Nr taryfy celnej (EU): 85363090, Waga brutto: 601.60 g, Jednostka opakowaniowa: 1.00 szt.
Wcześniejszy produktDane techniczne
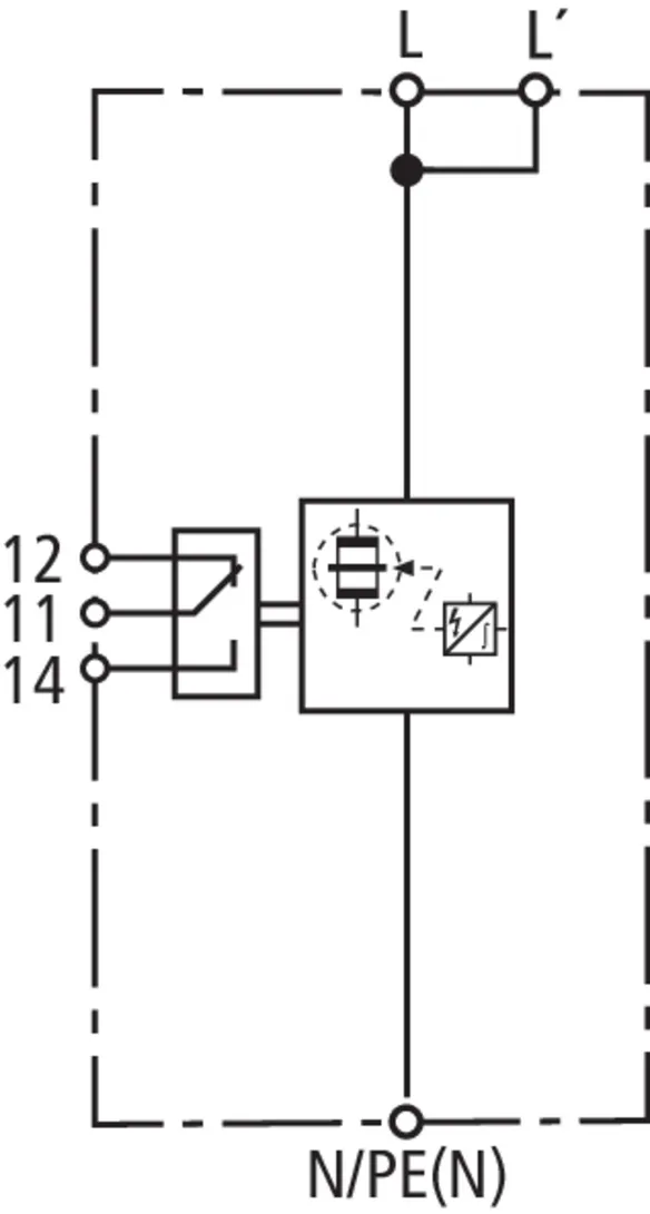
Ogranicznik przepięć zgodnie z PN-EN 61643-11 | typ 1 / klasa I |
Największe napięcie trwałej pracy AC (UC ) | 440 V |
Prąd udarowy (10/350 µs) (Iimp ) | 35 kA |
Napięciowy poziom ochrony (UP ) | ≤ 2,5 kV |
Maksymalny bezpiecznik (L) do IK = 50 kArms (ta ≤ 0,2 s) | 500 A gG |
Maksymalny bezpiecznik (L) do IK = 50 kArms (ta ≤ 5 s) | 250 A gG |
Certyfikaty | UL, CSA |
Rodzaj zestyku zdalnej sygnalizacji (FM) | bezpotencjałowy zestyk przełączny |
Nr kat. 961175 DBM 1 760 FM
GTIN / EAN 4013364116283, Nr taryfy celnej (EU): 85363090, Waga brutto: 589.80 g, Jednostka opakowaniowa: 1.00 szt.
Dane techniczne
Ogranicznik przepięć zgodnie z PN-EN 61643-11 | typ 1 / klasa I |
Największe napięcie trwałej pracy AC (UC ) | 760 V |
Prąd udarowy (10/350 µs) (Iimp ) | 25 kA |
Napięciowy poziom ochrony (UP ) | ≤ 4 kV |
Maksymalny bezpiecznik (L) do IK = 25 kArms (ta ≤ 5 s) | 250 A gG |
Certyfikaty | UL, CSA |
Rodzaj zestyku zdalnej sygnalizacji (FM) | bezpotencjałowy zestyk przełączny |
Nr kat. 961148 DBM 1 440 SN1885 FM
GTIN / EAN 4013364475953, Nr taryfy celnej (EU): 85363090, Waga brutto: 601.00 g, Jednostka opakowaniowa: 1.00 szt.
Dane techniczne
Ogranicznik przepięć zgodnie z PN-EN 61643-11 | typ 1 / klasa I |
Największe napięcie trwałej pracy AC (UC ) | 440 V |
Prąd udarowy (10/350 µs) (Iimp ) | 35 kA |
Napięciowy poziom ochrony (UP ) | ≤ 2,5 kV |
Maksymalny bezpiecznik (L) do IK = 50 kArms (ta ≤ 0,2 s) | 500 A gG |
Maksymalny bezpiecznik (L) do IK = 50 kArms (ta ≤ 5 s) | 250 A gG |
Rodzaj zestyku zdalnej sygnalizacji (FM) | bezpotencjałowy zestyk przełączny |