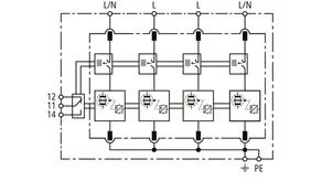
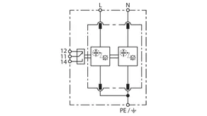
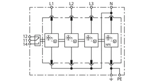
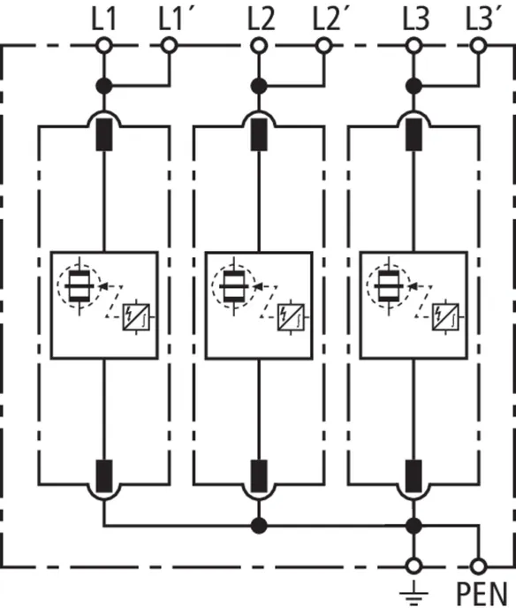
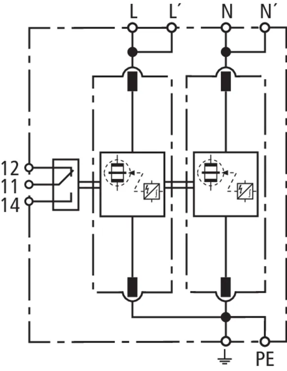
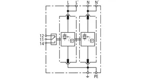
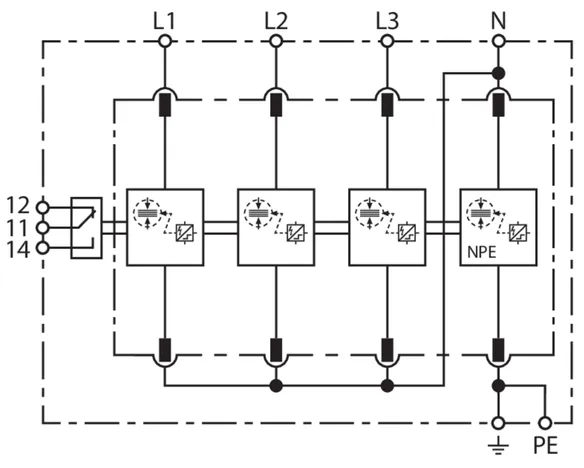
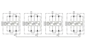
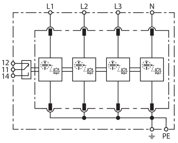
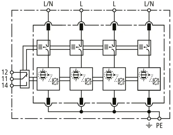
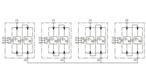
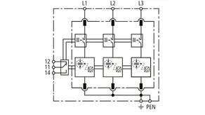
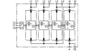
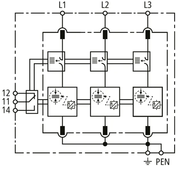
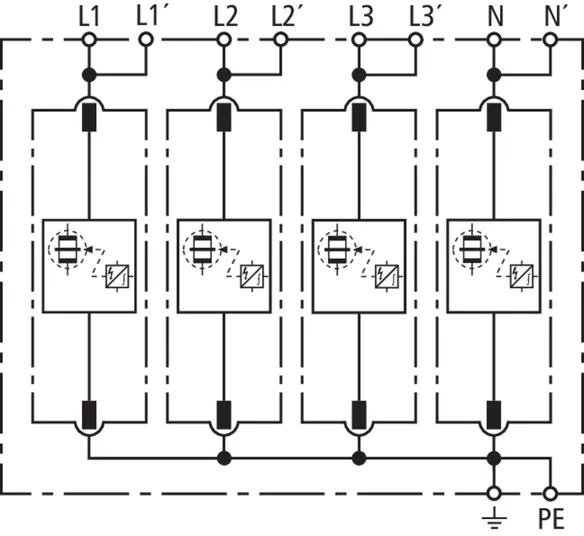
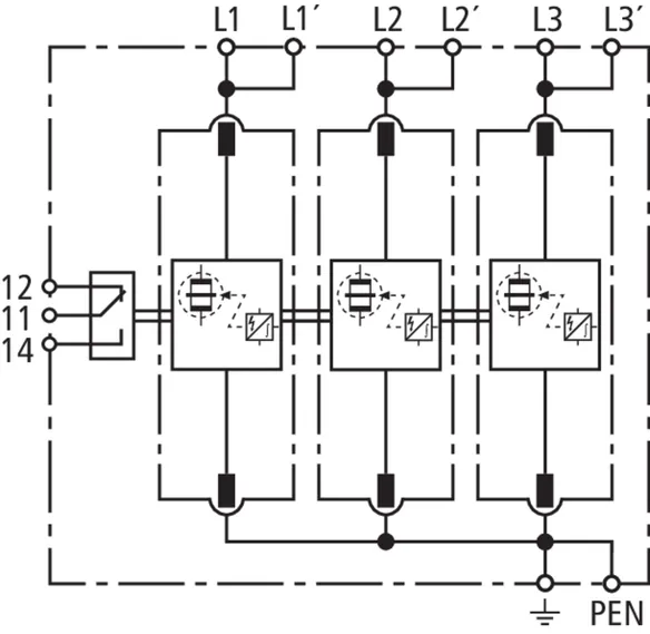
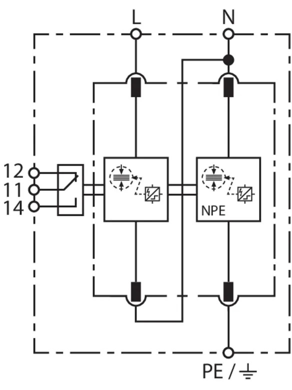
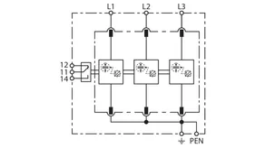
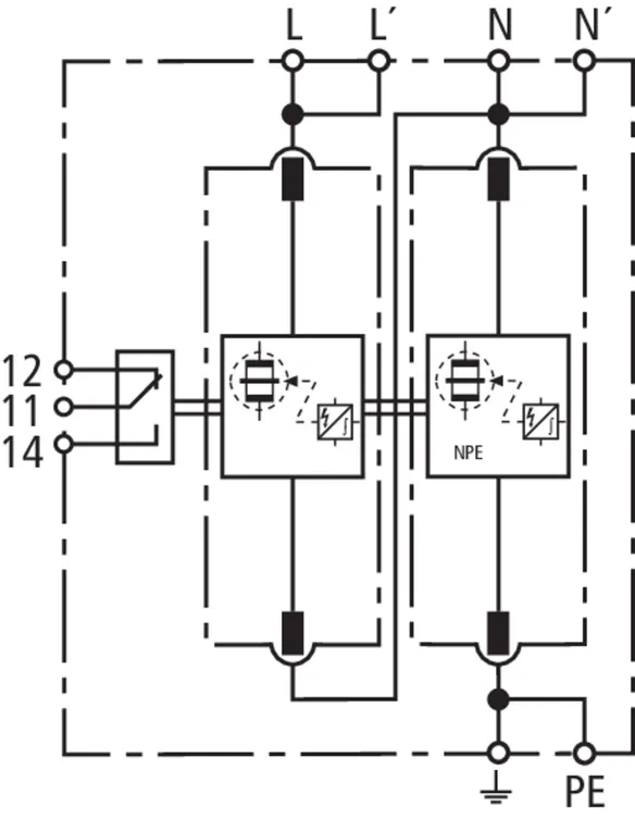
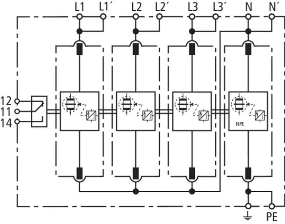
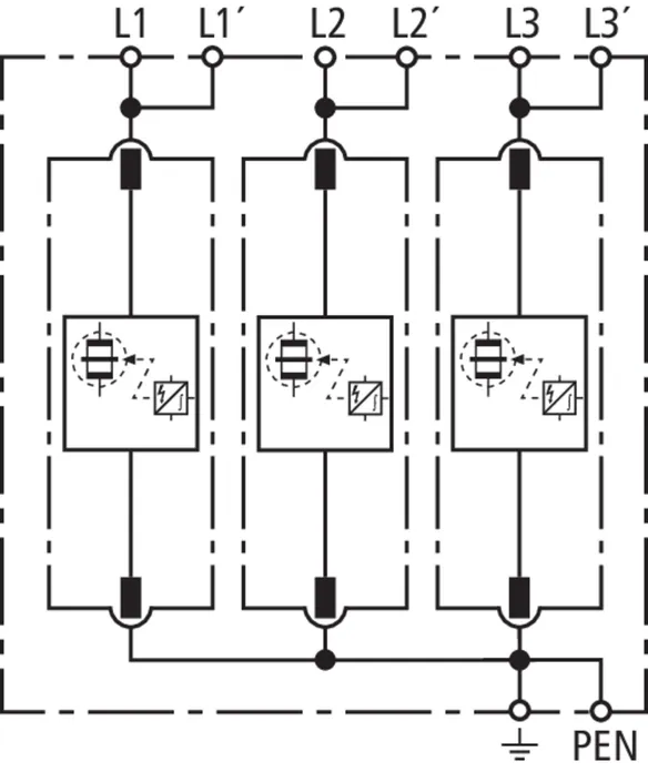
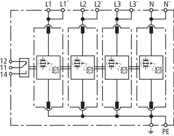
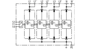
DEHNventil modular
- gotowy do podłączenia kombinowany ogranicznik przepięć typu 1 + typu 2 + typu 3 na bazie iskierników składający się z podstawy i wymiennych modułów
- skuteczna i bezpieczna dla urządzeń końcowych technika iskiernikowa RAC (Rapid Arc Control - szybka kontrola łuku)
- bezpiecznik 35 A gG nie zadziała do 50 kArms prądu zwarciowego
- zdolność odprowadzania prądów udarowych do 100 kA (10/350 µs)
- zapewnia ochronę urządzeń końcowych
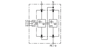
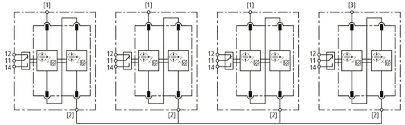
- optyczna sygnalizacja stanu w oknie kontrolnym (wskaźnik zielony / czerwony) i monitorowanie wszystkich torów ochronnych
- łatwa wymiana modułu bez używania narzędzi poprzez zastosowanie rygla blokującego z przyciskiem zwalniającym moduł
Szczegóły
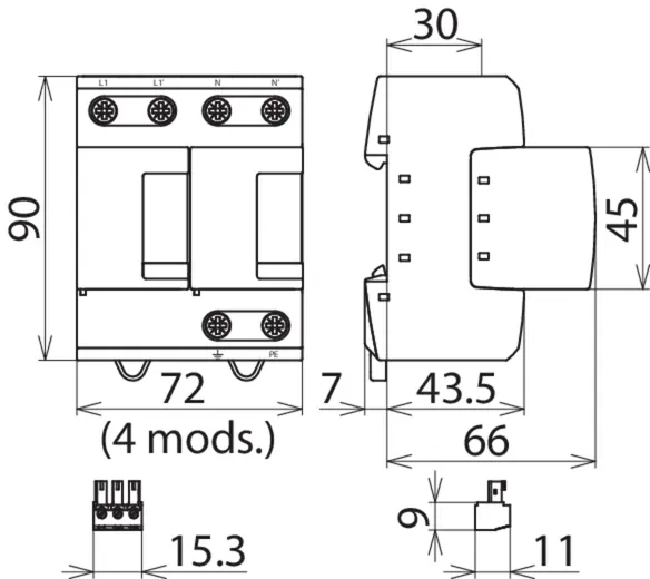
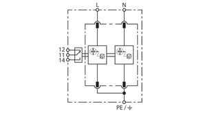
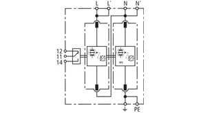
Nr kat. 956305 DV M2 TNC 255 FM
GTIN / EAN 4013364510586, Nr taryfy celnej (EU): 85363090, Waga brutto: 519.19 g, Jednostka opakowaniowa: 1.00 szt.
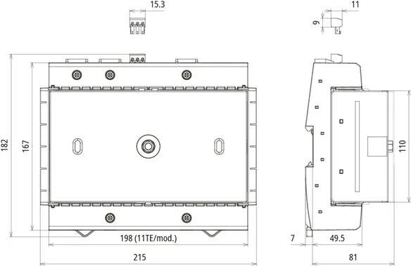
Wcześniejszy produktDane techniczne
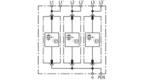
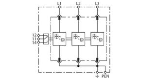
| Ogranicznik przepięć zgodnie z EN 61643-11 / ... IEC 61643-11 | typ 1 + typ 2 + typ 3 / klasa I + klasa II + klasa III |
| Piorunowy prąd udarowy(10/350 µs) [L1+L2+L3-PEN] (Itotal ) | 75 kA |
| Piorunowy prąd udarowy (10/350 µs) [L-PEN] (Iimp ) | 25 kA |
| Napięciowy poziom ochrony (UP ) | ≤ 1,5 kV |
| Maksymalny bezpiecznik (L) do IK = 50 kArms | 250 A gG |
| Certyfikaty | VDE, KEMA, UL |
| Rodzaj zestyku zdalnej sygnalizacji (FM) | bezpotencjałowy zestyk przełączny |
| Rozszerzone dane techniczne: | Do stosowania w rozdzielnicach o spodziewanym prądzie zwarciowym > 50 kArms |
| – Maksymalny przewidywany prąd zwarciowy | 100 kArms (220 kApeak) |
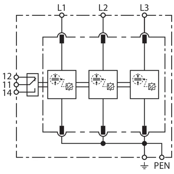
Nr kat. 956405 DV M2 TNS 255 FM
GTIN / EAN 4013364510562, Nr taryfy celnej (EU): 85363090, Waga brutto: 583.68 g, Jednostka opakowaniowa: 1.00 szt.
Wcześniejszy produktDane techniczne
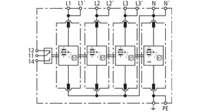
| Ogranicznik przepięć zgodnie z EN 61643-11 / ... IEC 61643-11 | typ 1 + typ 2 + typ 3 / klasa I + klasa II + klasa III |
| Piorunowy prąd udarowy (10/350 µs) [L1+L2+L3+N-PE] (Itotal ) | 100 kA |
| Piorunowy prąd udarowy (10/350 µs) [L, N-PE] (Iimp ) | 25 kA |
| Napięciowy poziom ochrony [L-PE]/[N-PE] (UP ) | ≤ 1,5 / ≤ 1,5 kV |
| Maksymalny bezpiecznik (L) do IK = 50 kArms | 250 A gG |
| Certyfikaty | VDE, KEMA, UL |
| Rodzaj zestyku zdalnej sygnalizacji (FM) | bezpotencjałowy zestyk przełączny |
| Rozszerzone dane techniczne: | Do stosowania w rozdzielnicach o spodziewanym prądzie zwarciowym > 50 kArms |
| – Maksymalny przewidywany prąd zwarciowy | 100 kArms (220 kApeak) |
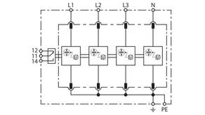
Nr kat. 956315 DV M2 TT 255 FM
GTIN / EAN 4013364528963, Nr taryfy celnej (EU): 85363090, Waga brutto: 616.00 g, Jednostka opakowaniowa: 1.00 szt.
Dane techniczne
| Ogranicznik przepięć zgodnie z EN 61643-11 / ... IEC 61643-11 | typ 1 + typ 2 + typ 3 / klasa I + klasa II + klasa III |
| Piorunowy prąd udarowy (10/350 µs) [L1+L2+L3+N-PE] (Itotal ) | 100 kA |
| Piorunowy prąd udarowy (10/350 µs) [L-N]/[N-PE] (Iimp ) | 25 / 100 kA |
| Napięciowy poziom ochrony [L-N]/[N-PE] (UP ) | ≤ 1,5 / ≤ 1,5 kV |
| Maksymalny bezpiecznik (L) do IK = 50 kArms | 250 A gG |
| Certyfikaty | VDE, KEMA, UL |
| Rodzaj zestyku zdalnej sygnalizacji (FM) | bezpotencjałowy zestyk przełączny |
| Rozszerzone dane techniczne: | Do stosowania w rozdzielnicach o spodziewanym prądzie zwarciowym > 50 kArms |
| – Maksymalny przewidywany prąd zwarciowy | 100 kArms (220 kApeak) |
| Dane dodatkowe: | --------------------------------- |
| – Napięciowy poziom ochrony [L-PE] (UP ) | 1,8 kV |
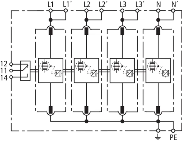
Nr kat. 956205 DV M2 TN 255 FM
GTIN / EAN 4013364510579, Nr taryfy celnej (EU): 85363090, Waga brutto: 311.29 g, Jednostka opakowaniowa: 1.00 szt.
Wcześniejszy produktDane techniczne
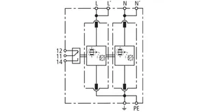
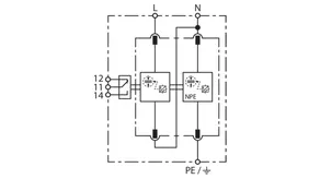
| Ogranicznik przepięć zgodnie z EN 61643-11 / ... IEC 61643-11 | typ 1 + typ 2 + typ 3 / klasa I + klasa II + klasa III |
| Piorunowy prąd udarowy(10/350 µs) [L+N-PE] (Itotal ) | 50 kA |
| Piorunowy prąd udarowy (10/350 µs) [L, N-PE] (Iimp ) | 25 kA |
| Napięciowy poziom ochrony [L-PE]/[N-PE] (UP ) | ≤ 1,5 / ≤ 1,5 kV |
| Maksymalny bezpiecznik (L) do IK = 50 kArms | 250 A gG |
| Certyfikaty | VDE, KEMA, UL |
| Rodzaj zestyku zdalnej sygnalizacji (FM) | bezpotencjałowy zestyk przełączny |
| Rozszerzone dane techniczne: | Do stosowania w rozdzielnicach o spodziewanym prądzie zwarciowym > 50 kArms |
| – Maksymalny przewidywany prąd zwarciowy | 100 kArms (220 kApeak) |
Nr kat. 956115 DV M2 TT 2P 255 FM
GTIN / EAN 4013364546929, Nr taryfy celnej (EU): 85363090, Waga brutto: 327.00 g, Jednostka opakowaniowa: 1.00 szt.
Dane techniczne
| Ogranicznik przepięć zgodnie z EN 61643-11 / ... IEC 61643-11 | typ 1 + typ 2 + typ 3 / klasa I + klasa II + klasa III |
| Piorunowy prąd udarowy(10/350 µs) [L+N-PE] (Itotal ) | 50 kA |
| Piorunowy prąd udarowy (10/350 µs) [L-N]/[N-PE] (Iimp ) | 25 / 50 kA |
| Napięciowy poziom ochrony [L-N]/[N-PE] (UP ) | ≤ 1,5 / ≤ 1,5 kV |
| Maksymalny bezpiecznik (L) do IK = 50 kArms | 250 A gG |
| Certyfikaty | VDE, KEMA, UL |
| Rodzaj zestyku zdalnej sygnalizacji (FM) | bezpotencjałowy zestyk przełączny |
| Rozszerzone dane techniczne: | Do stosowania w rozdzielnicach o spodziewanym prądzie zwarciowym > 50 kArms |
| – Maksymalny przewidywany prąd zwarciowy | 100 kArms (220 kApeak) |
| Dane dodatkowe: | --------------------------------- |
| – Napięciowy poziom ochrony [L-PE] (UP ) | 1,8 kV |
Nr kat. 951300 DV M TNC 255
GTIN / EAN 4013364108134, Nr taryfy celnej (EU): 85363090, Waga brutto: 1004.00 g, Jednostka opakowaniowa: 1.00 szt.
Wcześniejszy produktDane techniczne
| Ogranicznik przepięć zgodnie z EN 61643-11 / ... IEC 61643-11 | typ 1 + typ 2 / klasa I + klasa II |
| Piorunowy prąd udarowy(10/350 µs) [L1+L2+L3-PEN] (Itotal ) | 75 kA |
| Piorunowy prąd udarowy (10/350 µs) [L-PEN] (Iimp ) | 25 kA |
| Napięciowy poziom ochrony (UP ) | ≤ 1,5 kV |
| Maksymalny bezpiecznik (L) do IK = 50 kArms | 315 A gG |
| Certyfikaty | KEMA, VDE, UL |
| Rozszerzone dane techniczne: | Do stosowania w rozdzielnicach o spodziewanym prądzie zwarciowym > 50 kArms |
| – Maksymalny przewidywany prąd zwarciowy | 100 kArms (220 kApeak) |
Nr kat. 951305 DV M TNC 255 FM
GTIN / EAN 4013364108141, Nr taryfy celnej (EU): 85363090, Waga brutto: 1020.00 g, Jednostka opakowaniowa: 1.00 szt.
Wcześniejszy produktDane techniczne
| Ogranicznik przepięć zgodnie z EN 61643-11 / ... IEC 61643-11 | typ 1 + typ 2 / klasa I + klasa II |
| Piorunowy prąd udarowy(10/350 µs) [L1+L2+L3-PEN] (Itotal ) | 75 kA |
| Piorunowy prąd udarowy (10/350 µs) [L-PEN] (Iimp ) | 25 kA |
| Napięciowy poziom ochrony (UP ) | ≤ 1,5 kV |
| Maksymalny bezpiecznik (L) do IK = 50 kArms | 315 A gG |
| Certyfikaty | KEMA, VDE, UL |
| Rodzaj zestyku zdalnej sygnalizacji (FM) | bezpotencjałowy zestyk przełączny |
| Rozszerzone dane techniczne: | Do stosowania w rozdzielnicach o spodziewanym prądzie zwarciowym > 50 kArms |
| – Maksymalny przewidywany prąd zwarciowy | 100 kArms (220 kApeak) |
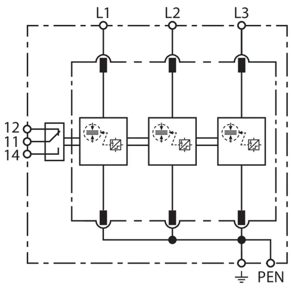
Nr kat. 951400 DV M TNS 255
GTIN / EAN 4013364108158, Nr taryfy celnej (EU): 85363090, Waga brutto: 1.40 kg, Jednostka opakowaniowa: 1.00 szt.
Wcześniejszy produktDane techniczne
| Ogranicznik przepięć zgodnie z EN 61643-11 / ... IEC 61643-11 | typ 1 + typ 2 / klasa I + klasa II |
| Piorunowy prąd udarowy (10/350 µs) [L1+L2+L3+N-PE] (Itotal ) | 100 kA |
| Piorunowy prąd udarowy (10/350 µs) [L, N-PE] (Iimp ) | 25 kA |
| Napięciowy poziom ochrony [L-PE]/[N-PE] (UP ) | ≤ 1,5 / ≤ 1,5 kV |
| Maksymalny bezpiecznik (L) do IK = 50 kArms | 315 A gG |
| Certyfikaty | KEMA, VDE, UL |
| Rozszerzone dane techniczne: | Do stosowania w rozdzielnicach o spodziewanym prądzie zwarciowym > 50 kArms |
| – Maksymalny przewidywany prąd zwarciowy | 100 kArms (220 kApeak) |
Nr kat. 951405 DV M TNS 255 FM
GTIN / EAN 4013364108165, Nr taryfy celnej (EU): 85363090, Waga brutto: 1.40 kg, Jednostka opakowaniowa: 1.00 szt.
Wcześniejszy produktDane techniczne
| Ogranicznik przepięć zgodnie z EN 61643-11 / ... IEC 61643-11 | typ 1 + typ 2 / klasa I + klasa II |
| Piorunowy prąd udarowy (10/350 µs) [L1+L2+L3+N-PE] (Itotal ) | 100 kA |
| Piorunowy prąd udarowy (10/350 µs) [L, N-PE] (Iimp ) | 25 kA |
| Napięciowy poziom ochrony [L-PE]/[N-PE] (UP ) | ≤ 1,5 / ≤ 1,5 kV |
| Maksymalny bezpiecznik (L) do IK = 50 kArms | 315 A gG |
| Certyfikaty | KEMA, VDE, UL |
| Rodzaj zestyku zdalnej sygnalizacji (FM) | bezpotencjałowy zestyk przełączny |
| Rozszerzone dane techniczne: | Do stosowania w rozdzielnicach o spodziewanym prądzie zwarciowym > 50 kArms |
| – Maksymalny przewidywany prąd zwarciowy | 100 kArms (220 kApeak) |
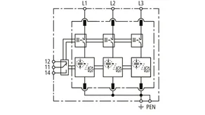
Nr kat. 951310 DV M TT 255
GTIN / EAN 4013364108172, Nr taryfy celnej (EU): 85363090, Waga brutto: 1.31 kg, Jednostka opakowaniowa: 1.00 szt.
Wcześniejszy produktDane techniczne
| Ogranicznik przepięć zgodnie z EN 61643-11 / ... IEC 61643-11 | typ 1 + typ 2 / klasa I + klasa II |
| Piorunowy prąd udarowy (10/350 µs) [L1+L2+L3+N-PE] (Itotal ) | 100 kA |
| Piorunowy prąd udarowy (10/350 µs) [L-N]/[N-PE] (Iimp ) | 25 / 100 kA |
| Napięciowy poziom ochrony [L-N]/[N-PE] (UP ) | ≤ 1,5 / ≤ 1,5 kV |
| Maksymalny bezpiecznik (L) do IK = 50 kArms | 315 A gG |
| Certyfikaty | KEMA, VDE, UL |
| Rozszerzone dane techniczne: | Do stosowania w rozdzielnicach o spodziewanym prądzie zwarciowym > 50 kArms |
| – Maksymalny przewidywany prąd zwarciowy | 100 kArms (220 kApeak) |
| Dane dodatkowe: | do stosowania w rozdzielnicach o spodziewanym prądzie zwarciowym > 50 kArms (zbadane przez niemieckie stowarzyszenie VDE) |
| – Napięciowy poziom ochrony [L-PE] (UP ) | 2,2 kV |
Nr kat. 951315 DV M TT 255 FM
GTIN / EAN 4013364108189, Nr taryfy celnej (EU): 85363090, Waga brutto: 1.32 kg, Jednostka opakowaniowa: 1.00 szt.
Wcześniejszy produktDane techniczne
| Ogranicznik przepięć zgodnie z EN 61643-11 / ... IEC 61643-11 | typ 1 + typ 2 / klasa I + klasa II |
| Piorunowy prąd udarowy (10/350 µs) [L1+L2+L3+N-PE] (Itotal ) | 100 kA |
| Piorunowy prąd udarowy (10/350 µs) [L-N]/[N-PE] (Iimp ) | 25 / 100 kA |
| Napięciowy poziom ochrony [L-N]/[N-PE] (UP ) | ≤ 1,5 / ≤ 1,5 kV |
| Maksymalny bezpiecznik (L) do IK = 50 kArms | 315 A gG |
| Certyfikaty | KEMA, VDE, UL |
| Rodzaj zestyku zdalnej sygnalizacji (FM) | bezpotencjałowy zestyk |
| Rozszerzone dane techniczne: | Do stosowania w rozdzielnicach o spodziewanym prądzie zwarciowym > 50 kArms |
| – Maksymalny przewidywany prąd zwarciowy | 100 kArms (220 kApeak) |
| Dane dodatkowe: | do stosowania w rozdzielnicach o spodziewanym prądzie zwarciowym > 50 kArms (zbadane przez niemieckie stowarzyszenie VDE) |
| – Napięciowy poziom ochrony [L-PE] (UP ) | 2,2 kV |
Nr kat. 951200 DV M TN 255
GTIN / EAN 4013364108097, Nr taryfy celnej (EU): 85363090, Waga brutto: 754.00 g, Jednostka opakowaniowa: 1.00 szt.
Wcześniejszy produktDane techniczne
| Ogranicznik przepięć zgodnie z EN 61643-11 / ... IEC 61643-11 | typ 1 + typ 2 / klasa I + klasa II |
| Piorunowy prąd udarowy(10/350 µs) [L+N-PE] (Itotal ) | 50 kA |
| Piorunowy prąd udarowy (10/350 µs) [L, N-PE] (Iimp ) | 25 kA |
| Napięciowy poziom ochrony [L-PE]/[N-PE] (UP ) | ≤ 1,5 / ≤ 1,5 kV |
| Maksymalny bezpiecznik (L) do IK = 50 kArms | 315 A gG |
| Certyfikaty | KEMA, VDE, UL |
| Rozszerzone dane techniczne: | Do stosowania w rozdzielnicach o spodziewanym prądzie zwarciowym > 50 kArms |
| – Maksymalny przewidywany prąd zwarciowy | 100 kArms (220 kApeak) |
Nr kat. 951205 DV M TN 255 FM
GTIN / EAN 4013364108103, Nr taryfy celnej (EU): 85363090, Waga brutto: 698.50 g, Jednostka opakowaniowa: 1.00 szt.
Wcześniejszy produktDane techniczne
| Ogranicznik przepięć zgodnie z EN 61643-11 / ... IEC 61643-11 | typ 1 + typ 2 / klasa I + klasa II |
| Piorunowy prąd udarowy(10/350 µs) [L+N-PE] (Itotal ) | 50 kA |
| Piorunowy prąd udarowy (10/350 µs) [L, N-PE] (Iimp ) | 25 kA |
| Napięciowy poziom ochrony [L-PE]/[N-PE] (UP ) | ≤ 1,5 / ≤ 1,5 kV |
| Maksymalny bezpiecznik (L) do IK = 50 kArms | 315 A gG |
| Certyfikaty | KEMA, VDE, UL |
| Rodzaj zestyku zdalnej sygnalizacji (FM) | bezpotencjałowy zestyk przełączny |
| Rozszerzone dane techniczne: | Do stosowania w rozdzielnicach o spodziewanym prądzie zwarciowym > 50 kArms |
| – Maksymalny przewidywany prąd zwarciowy | 100 kArms (220 kApeak) |
Nr kat. 951110 DV M TT 2P 255
GTIN / EAN 4013364108110, Nr taryfy celnej (EU): 85363090, Waga brutto: 688.59 g, Jednostka opakowaniowa: 1.00 szt.
Wcześniejszy produktDane techniczne
| Ogranicznik przepięć zgodnie z EN 61643-11 / ... IEC 61643-11 | typ 1 + typ 2 / klasa I + klasa II |
| Piorunowy prąd udarowy(10/350 µs) [L+N-PE] (Itotal ) | 50 kA |
| Piorunowy prąd udarowy (10/350 µs) [L-N]/[N-PE] (Iimp ) | 25 / 50 kA |
| Napięciowy poziom ochrony [L-N]/[N-PE] (UP ) | ≤ 1,5 / ≤ 1,5 kV |
| Maksymalny bezpiecznik (L) do IK = 50 kArms | 315 A gG |
| Certyfikaty | KEMA, VDE, UL |
| Rozszerzone dane techniczne: | Do stosowania w rozdzielnicach o spodziewanym prądzie zwarciowym > 50 kArms |
| – Maksymalny przewidywany prąd zwarciowy | 100 kArms (220 kApeak) |
| Dane dodatkowe: | --------------------------------- |
| – Napięciowy poziom ochrony [L-PE] (UP ) | 2,2 kV |
Nr kat. 951115 DV M TT 2P 255 FM
GTIN / EAN 4013364108127, Nr taryfy celnej (EU): 85363090, Waga brutto: 694.38 g, Jednostka opakowaniowa: 1.00 szt.
Wcześniejszy produktDane techniczne
| Ogranicznik przepięć zgodnie z EN 61643-11 / ... IEC 61643-11 | typ 1 + typ 2 / klasa I + klasa II |
| Piorunowy prąd udarowy(10/350 µs) [L+N-PE] (Itotal ) | 50 kA |
| Piorunowy prąd udarowy (10/350 µs) [L-N]/[N-PE] (Iimp ) | 25 / 50 kA |
| Napięciowy poziom ochrony [L-N]/[N-PE] (UP ) | ≤ 1,5 / ≤ 1,5 kV |
| Maksymalny bezpiecznik (L) do IK = 50 kArms | 315 A gG |
| Certyfikaty | KEMA, VDE, UL |
| Rodzaj zestyku zdalnej sygnalizacji (FM) | bezpotencjałowy zestyk przełączny |
| Rozszerzone dane techniczne: | Do stosowania w rozdzielnicach o spodziewanym prądzie zwarciowym > 50 kArms |
| – Maksymalny przewidywany prąd zwarciowy | 100 kArms (220 kApeak) |
| Dane dodatkowe: | --------------------------------- |
| – Napięciowy poziom ochrony [L-PE] (UP ) | 2,2 kV |
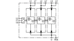
Nr kat. 961305 DV ACI M TNC 264 FM
GTIN / EAN 4013364513440, Nr taryfy celnej (EU): 85363090, Waga brutto: 2.42 kg, Jednostka opakowaniowa: 1.00 szt.
Dane techniczne
| Ogranicznik przepięć zgodny z EN 61673-11 / IEC 61643-11 | Typ 1 + typ 2 + typ 3 / klasa I + klasa II + klasa III |
| Piorunowy prąd udarowy(10/350 µs) [L1+L2+L3-PEN] (Itotal ) | 75 kA |
| Piorunowy prąd udarowy (10/350 µs) [L-PEN] (Iimp ) | 25 kA |
| Napięciowy poziom ochrony (UP ) | ≤ 1,5 kV |
| Rozszerzone dane techniczne: | Do stosowania w rozdzielnicach o spodziewanym prądzie zwarciowym > 50 kArms |
| – Maksymalny przewidywany prąd zwarciowy | 100 kAeff (220 kApeak) |
Nr kat. 961405 DV ACI M TNS 264 FM
GTIN / EAN 4013364513365, Nr taryfy celnej (EU): 85363090, Waga brutto: 2.42 kg, Jednostka opakowaniowa: 1.00 szt.
Dane techniczne
| Ogranicznik przepięć zgodny z EN 61673-11 / IEC 61643-11 | Typ 1 + typ 2 + typ 3 / klasa I + klasa II + klasa III |
| Piorunowy prąd udarowy (10/350 µs) [L1+L2+L3+N-PE] (Itotal ) | 100 kA |
| Piorunowy prąd udarowy (10/350 µs) [L, N-PE] (Iimp ) | 25 kA |
| Napięciowy poziom ochrony [L-PE]/[N-PE] (UP ) | ≤ 1,5 kV |
| Rozszerzone dane techniczne: | Do stosowania w rozdzielnicach o spodziewanym prądzie zwarciowym > 50 kArms |
| – Maksymalny przewidywany prąd zwarciowy | 100 kAeff (220 kApeak) |
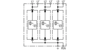
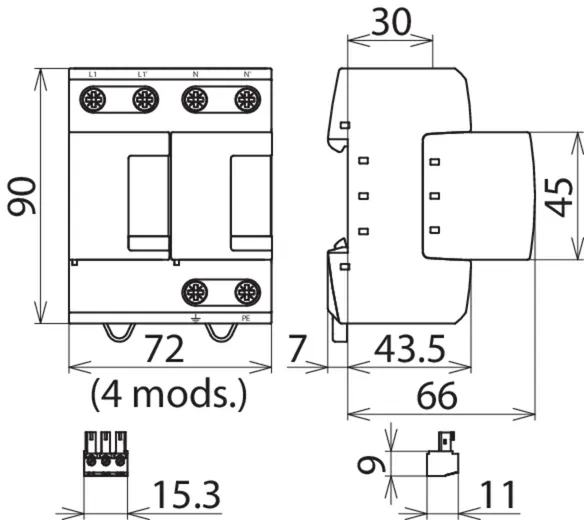
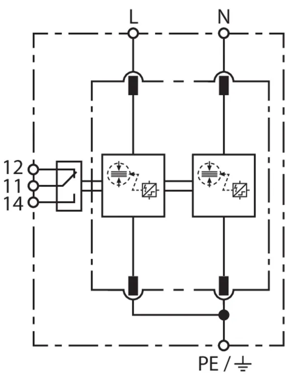
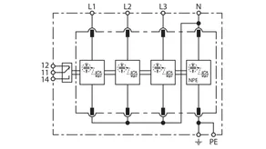
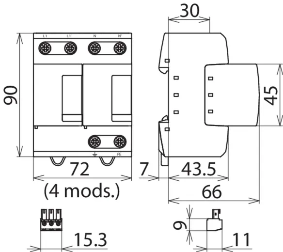
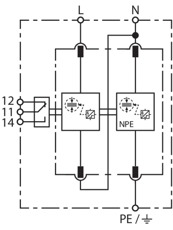
DEHNventil M2 880 FM
Zestaw składający się z gotowych do podłączenia ograniczników przepięć i prądu piorunowego, w tym izolowanej szyny okablowania modułu do użytku w systemach falowników z aktywnym układem przeciwdziałania degradacji indukowanej napięciem (Anti-PID) i maksymalnym przesunięciem DC na poziomie 750 V DC. Podłączenie instalacji uziemiających zgodnie z IEC 60364-4-44, tabela 44.A1 – połączone RE i Z oraz RE i RA.
1 Produkt
Nr kat. 961151 DV M2 880 FM
GTIN / EAN 4013364532557, Nr taryfy celnej (EU): 85363090, Waga brutto: 1.07 kg, Jednostka opakowaniowa: 1.00 szt.
Dane techniczne
| Ogranicznik przepięć zgodnie z EN 61643-11 / ... IEC 61643-11 | typ 1 + typ 2 / klasa I + klasa II |
| Prąd udarowy pioruna (10/350 µs) [1,2-3] (Iimp ) | 12,5 kA |
| Maksymalny bezpiecznik (L) do IK = 50 kArms | 160 A gG |
| Rodzaj zestyku zdalnej sygnalizacji (FM) | tak / bezpotencjałowy zestyk przełączny |
| Dane dodatkowe: | --------------------------------- |
| – Zabezpieczenie przed PID (U1-3 + UPID ) | 508 VAC + 750 VDC – wytrzymały |
