Your dashboard services.
Register to access all tools.

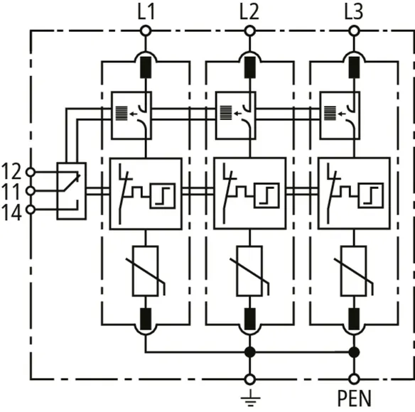
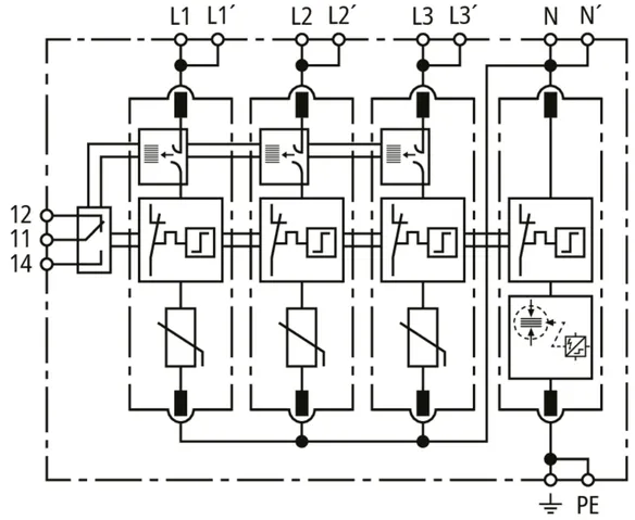
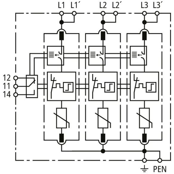
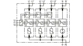
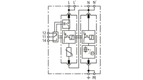
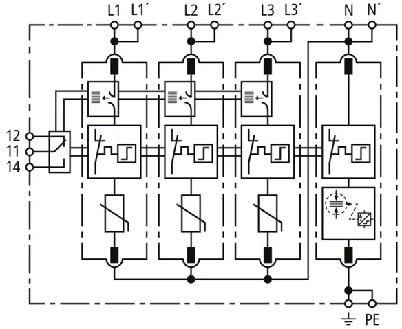
DEHNguard modular z techniką ACI

  • technika "Advanced Circuit Interruption" (ACI), składająca się z wyłącznika i iskiernika, wbudowana w moduł ochronny
  • brak konieczności stosowania zewnętrznego bezpiecznika dzięki technologii ACI
  • mały przekrój kabli przyłączeniowych (6 mm2 Cu) jest wystarczający*
  • wytrzymałość na prądy dorywcze także przy 440 V AC
  • wysoka niezawodność, bezpiecznik 35 A gG nie zadziała
  • brak prądów upływu dzięki izolacji galwanicznej za pomocą wyłącznika ACI
  • energetycznie skoordynowany z innymi ogranicznikami z serii Red/Line
  • odporność na wstrząsy i wibracje zgodnie z normą EN 60082-2
  • technika wtykowa "push-in"
*) Wszystkie przewody fazowe powinny być ułożone w taki sposób, aby były odporne na zwarcia międzyfazowe i doziemne.

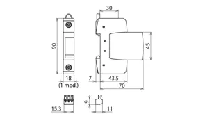
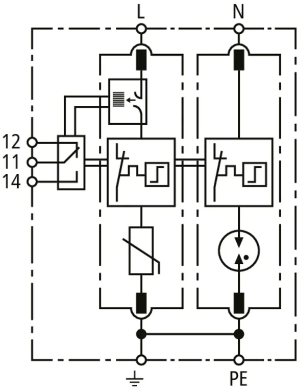
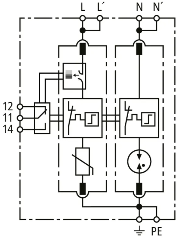
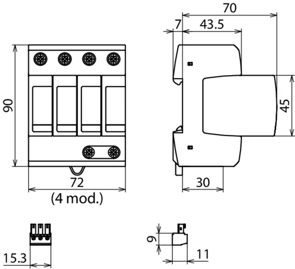
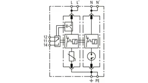
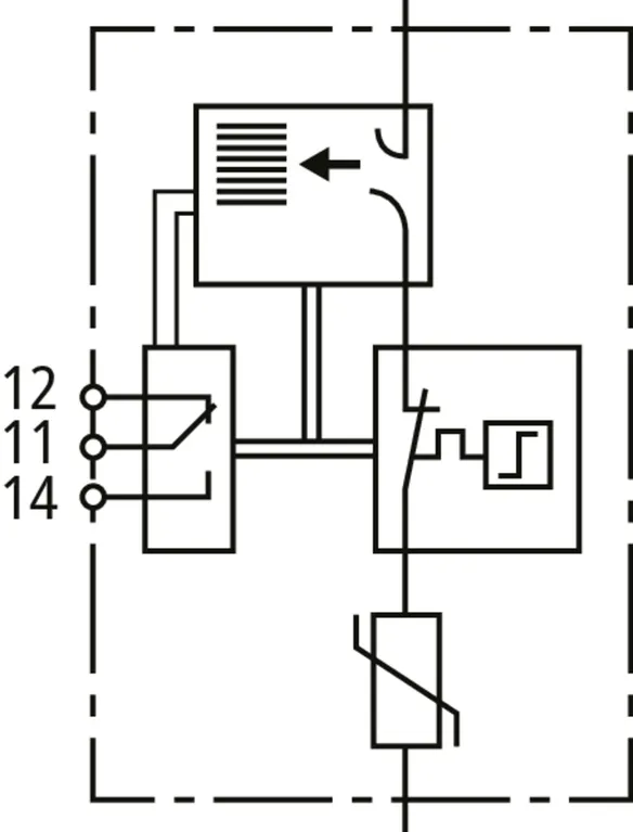
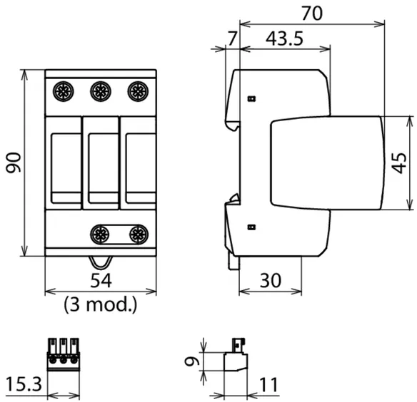
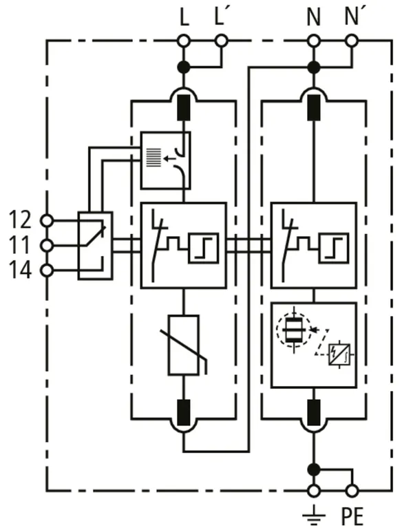
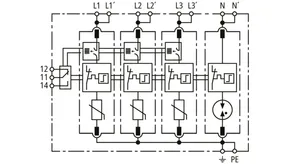
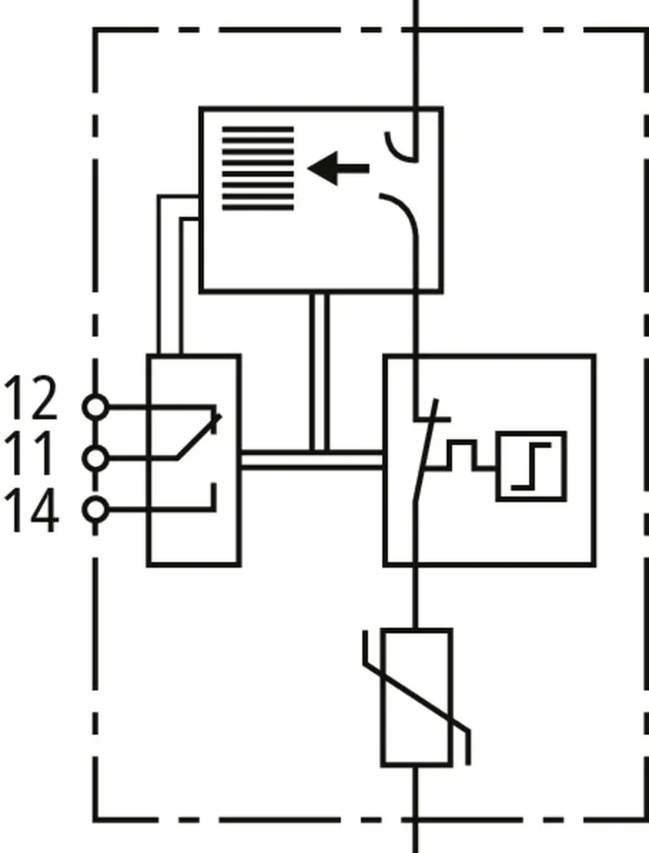
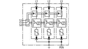
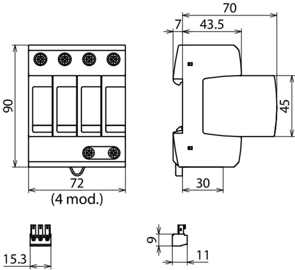
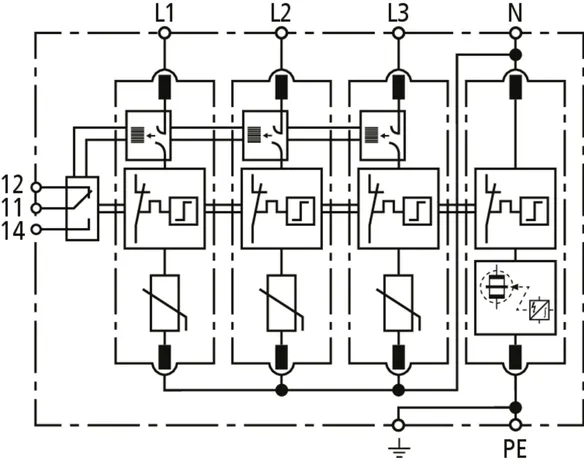
DEHNguard MD TNS ACI 275 FM

Modułowy ogranicznik przepięć z techniką Advanced-Circuit Interruption (ACI) do sieci TN-S (układ połączeń „4+0”); ze zdalną sygnalizacją stanu (bezpotencjałowy zestyk przełączny).

1 Produkt

Nr kat. 943440 DG MD TNS ACI 275 FM

GTIN / EAN 4013364477131, Nr taryfy celnej (EU): 85363030, Waga brutto: 380.00 g, Jednostka opakowaniowa: 1.00 szt.


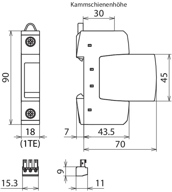
Rysunki

Informacje dodatkowe

Ogranicznik przepięć DEHNguard MD TNS ACI 275 FM
z techniką ACI
4-biegunowy, modułowy, gotowy do podłączenia ogranicznik przepięć
z wbudowanym przełącznikiem ACI i iskiernikiem,
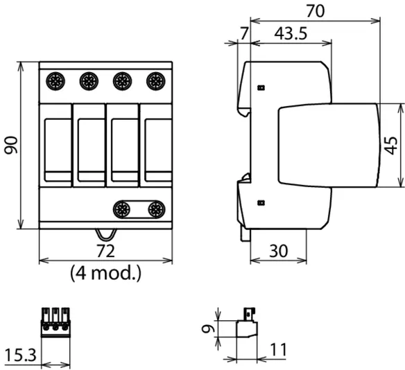
do sieci TN-S o napięciu znamionowym 230/400 V, szerokość: 4 moduły
z zestykiem zdalnej sygnalizacji
Ogranicznik przepięć typu 2 zgodnie z EN 61643-11
Wskaźnik uszkodzenia
Największe napięcie trwałej pracy: 275 V AC
Napięciowy poziom ochrony: <= 1,5 kV
Znamionowy prąd wyładowczy: 20 kA
Wytrzymałość zwarciowa: 25 kArms
Brak konieczności stosowania dodatkowego bezpiecznika zewnętrznego
Koordynacja energetyczna według DIN EN 62305-4
Ogranicznik przepięć z rodziny Red/Line

Producent: DEHN
Typ: DG MD TNS ACI 275 FM
Nr kat.: 943440
lub podobny.

Certyfikaty

 

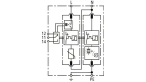
Technika ACI

Dalszy rozwój technologii CI – technika ACI – składa się z kombinacji przełącznika i iskiernika połączonej szeregowo z warystorem o dużej wytrzymałości, dzięki czemu można wyeliminować ewentualne błędy konfiguracyjne podczas doboru wartości bezpiecznika. Odporność na przepięcia dorywcze (TOV) i brak prądu upływu oznacza większą wytrzymałość, a mniejszy przekrój przewodów przyłączeniowych – łatwiejszy montaż. Ograniczniki przepięć z techniką ACI zapewniają maksymalne bezpieczeństwo i dostępność systemu.

Dane techniczne

Ogranicznik przepięć zgodnie z PN-EN 61643-11 typ 2 / klasa II
Największe napięcie trwałej pracy AC [L-PE] (UC ) 275 V (50 / 60 Hz)
Znamionowy prąd wyładowczy (8/20 µs) (In ) 20 kA
Napięciowy poziom ochrony [L-PE]/[N-PE] (UP ) ≤ 1,5 / ≤ 1,5 kV
Dodatkowy bezpiecznik zewnętrzny Nie
Przepięcia dorywcze (TOV) [L-N] (UT) – cecha 335 V / 5 s – wytrzymały
Przepięcia dorywcze (TOV) (UT) – cecha 440 V / 120 min – wytrzymały
Prąd upływu brak brądu upływu
Certyfikaty DEKRA

Produkt 943440 został dodany do notatnika.

Do koszyka dodano produkt 943440.


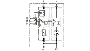
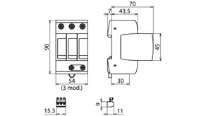
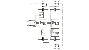
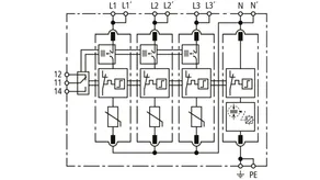
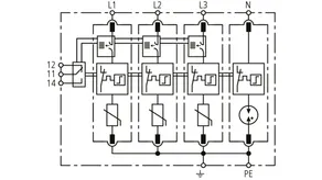
DEHNguard MD TT ACI ... FM

Modułowy ogranicznik przepięć z techniką Advanced-Circuit Interruption (ACI) do sieci TT i TN-S (układ połączeń „3+1”); ze zdalną sygnalizacją stanu (bezpotencjałowy zestyk przełączny).

2 Produkty

Nr kat. 943341 DG MD TT ACI 275 FM

GTIN / EAN 4013364477179, Nr taryfy celnej (EU): 85363030, Waga brutto: 250.00 g, Jednostka opakowaniowa: 1.00 szt.


Rysunki

Informacje dodatkowe

Ogranicznik przepięć DEHNguard MD TT ACI 275 FM
z techniką ACI
4-biegunowy, modułowy, gotowy do podłączenia ogranicznik przepięć
z wbudowanym przełącznikiem ACI i iskiernikiem,
do sieci TT i TN-S o napięciu znamionowym 230/400 V, szerokość: 4 moduły
z zestykiem zdalnej sygnalizacji
Ogranicznik przepięć typu 2 zgodnie z EN 61643-11
Wskaźnik uszkodzenia
Największe napięcie trwałej pracy: 275 V AC
Napięciowy poziom ochrony: <= 1,5 kV
Znamionowy prąd wyładowczy: 20 kA
Wytrzymałość zwarciowa: 25 kArms
Brak konieczności stosowania dodatkowego bezpiecznika zewnętrznego
Koordynacja energetyczna według DIN EN 62305-4
Ogranicznik przepięć z rodziny Red/Line

Producent: DEHN
Typ: DG MD TT ACI 275 FM
Nr kat.: 943341
lub podobny.

 

Technika ACI

Dalszy rozwój technologii CI – technika ACI – składa się z kombinacji przełącznika i iskiernika połączonej szeregowo z warystorem o dużej wytrzymałości, dzięki czemu można wyeliminować ewentualne błędy konfiguracyjne podczas doboru wartości bezpiecznika. Odporność na przepięcia dorywcze (TOV) i brak prądu upływu oznacza większą wytrzymałość, a mniejszy przekrój przewodów przyłączeniowych – łatwiejszy montaż. Ograniczniki przepięć z techniką ACI zapewniają maksymalne bezpieczeństwo i dostępność systemu.

Dane techniczne

Ogranicznik przepięć zgodnie z PN-EN 61643-11 typ 2 / klasa II
Największe napięcie trwałej pracy AC [L-N] (UC ) 275 V (50 / 60 Hz)
Znamionowy prąd wyładowczy (8/20 µs) [L-N] (In ) 20 kA
Napięciowy poziom ochrony [L-N]/[N-PE] (UP ) ≤ 1,5 / ≤ 1,5 kV
Dodatkowy bezpiecznik zewnętrzny Nie
Przepięcia dorywcze (TOV) [L-N] (UT) – cecha 335 V / 5 s – wytrzymały
Przepięcia dorywcze (TOV) [L-N] (UT) – cecha 440 V / 120 min – wytrzymały
Przepięcia dorywcze (TOV) [N-PE] (UT) – cecha 1200 V / 200 ms – wytrzymały
Prąd upływu brak brądu upływu
Certyfikaty DEKRA

Produkt 943341 został dodany do notatnika.

Do koszyka dodano produkt 943341.

Nr kat. 943342 DG MD TT ACI 385 FM

GTIN / EAN 4013364522251, Nr taryfy celnej (EU): 85363030, Waga brutto: 250.00 g, Jednostka opakowaniowa: 1.00 szt.


Rysunki

Informacje dodatkowe

Ogranicznik przepięć DEHNguard MD TT ACI 385 FM
z techniką ACI
4-biegunowy, modułowy, gotowy do podłączenia ogranicznik przepięć
z wbudowanym przełącznikiem ACI i iskiernikiem,
do sieci TT i TN-S o napięciu znamionowym 230/400 V, szerokość: 4 moduły
z zestykiem zdalnej sygnalizacji
Ogranicznik przepięć typu 2 zgodnie z EN 61643-11
Wskaźnik uszkodzenia
Największe napięcie trwałej pracy: 385 V AC
Napięciowy poziom ochrony: <= 1,5 kV
Znamionowy prąd wyładowczy: 20 kA
Wytrzymałość zwarciowa: 25 kArms
Brak konieczności stosowania dodatkowego bezpiecznika zewnętrznego
Koordynacja energetyczna według DIN EN 62305-4
Ogranicznik przepięć z rodziny Red/Line

Producent: DEHN
Typ: DG MD TT ACI 385 FM
Nr kat.: 943342
lub podobny.

 

Technika ACI

Dalszy rozwój technologii CI – technika ACI – składa się z kombinacji przełącznika i iskiernika połączonej szeregowo z warystorem o dużej wytrzymałości, dzięki czemu można wyeliminować ewentualne błędy konfiguracyjne podczas doboru wartości bezpiecznika. Odporność na przepięcia dorywcze (TOV) i brak prądu upływu oznacza większą wytrzymałość, a mniejszy przekrój przewodów przyłączeniowych – łatwiejszy montaż. Ograniczniki przepięć z techniką ACI zapewniają maksymalne bezpieczeństwo i dostępność systemu.

Dane techniczne

Ogranicznik przepięć zgodnie z PN-EN 61643-11 typ 2 / klasa II
Największe napięcie trwałej pracy AC [L-N] (UC ) 385 V (50 / 60 Hz)
Znamionowy prąd wyładowczy (8/20 µs) [L-N] (In ) 20 kA
Maksymalny prąd wyładowczy (8/20 µs) [L-N] (Imax ) 40 kA
Maksymalny prąd wyładowczy (8/20 µs) [N-PE] (Imax ) 120 kA
Napięciowy poziom ochrony [L-N]/[N-PE] (UP ) ≤ 1,5 / ≤ 1,5 kV
Dodatkowy bezpiecznik zewnętrzny Nie
Przepięcia dorywcze (TOV) [L-N] (UT) – cecha 335 V / 5 s – wytrzymały
Przepięcia dorywcze (TOV) [L-N] (UT) – cecha 440 V / 120 min – wytrzymały
Przepięcia dorywcze (TOV) [N-PE] (UT) – cecha 1200 V / 200 ms – wytrzymały
Prąd upływu brak brądu upływu
Certyfikaty DEKRA

Produkt 943342 został dodany do notatnika.

Do koszyka dodano produkt 943342.


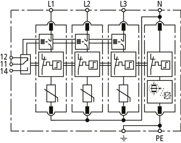
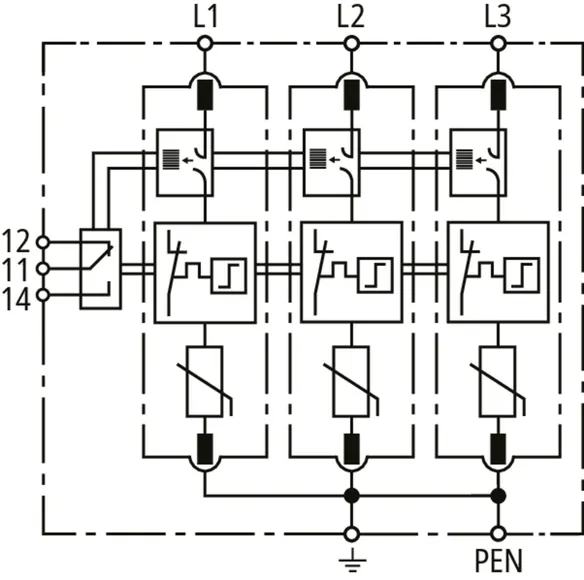
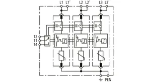
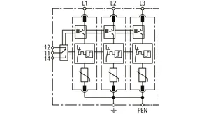
DEHNguard MP TNC ACI 275 FM

Modułowy ogranicznik przepięć z techniką Advanced-Circuit Interruption (ACI) do sieci TN-C.

1 Produkt

Nr kat. 942330 DG MP TNC ACI 275 FM

GTIN / EAN 4013364495319, Nr taryfy celnej (EU): 85363030, Waga brutto: 348.11 g, Jednostka opakowaniowa: 1.00 szt.


Rysunki

Informacje dodatkowe

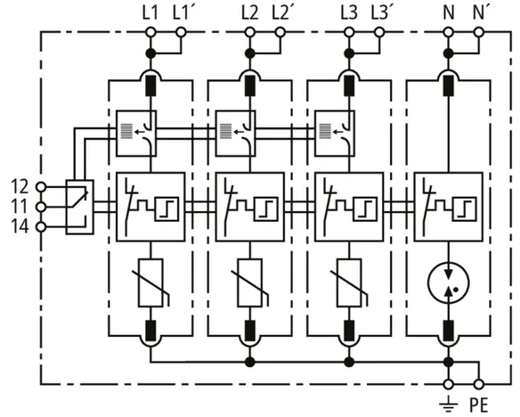
Ogranicznik przepięć DEHNguard MP TNC ACI 275 FM
3-biegunowy, modułowy, gotowy do podłączenia
ogranicznik przepięć z
wbudowanym przełącznikiem ACI i iskiernikiem,
z podwójnym zaciskiem przyłączeniowym w technice wtykowej („push-in”) do
okablowania rozgałęzionego i połączeń szeregowych
do sieci TN-S, szerokość: 3 moduły
z zestykiem zdalnej sygnalizacji
Ogranicznik przepięć typu 2 zgodnie z EN 61643-11
Wskaźnik uszkodzenia
Największe napięcie trwałej pracy: 275 V AC
Napięciowy poziom ochrony: <= 1,5 kV
Znamionowy prąd wyładowczy: 20 kA
Wytrzymałość zwarciowa: 25 kArms
Koordynacja energetyczna według DIN EN 62305-4
Ogranicznik przepięć z rodziny Red/Line

Producent: DEHN
Typ: DG MP TNC ACI 275 FM
Nr kat.: 942330
lub podobny.

Certyfikaty

 

Technika ACI

Dalszy rozwój technologii CI – technika ACI – składa się z kombinacji przełącznika i iskiernika połączonej szeregowo z warystorem o dużej wytrzymałości, dzięki czemu można wyeliminować ewentualne błędy konfiguracyjne podczas doboru wartości bezpiecznika. Odporność na przepięcia dorywcze (TOV) i brak prądu upływu oznacza większą wytrzymałość, a mniejszy przekrój przewodów przyłączeniowych – łatwiejszy montaż. Ograniczniki przepięć z techniką ACI zapewniają maksymalne bezpieczeństwo i dostępność systemu.

Dane techniczne

Ogranicznik przepięć zgodnie z PN-EN 61643-11 typ 2 / klasa II
Największe napięcie trwałej pracy AC (UC ) 275 V (50 / 60 Hz)
Znamionowy prąd wyładowczy (8/20 µs) (In ) 20 kA
Napięciowy poziom ochrony (UP ) ≤ 1,5 kV
Dodatkowy bezpiecznik zewnętrzny nie
Przepięcia dorywcze (TOV) (UT) – cecha 335 V / 5 s – wytrzymały
Przepięcia dorywcze (TOV) (UT) – cecha 440 V / 120 min – wytrzymały
Prąd upływu brak brądu upływu
Certyfikaty KEMA, VDE

Produkt 942330 został dodany do notatnika.

Do koszyka dodano produkt 942330.


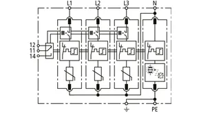
DEHNguard MP TNS ACI ... FM

Modułowy ogranicznik przepięć z techniką Advanced Circuit Interruption (ACI) do sieci TNS.

1 Produkt

Nr kat. 942440 DG MP TNS ACI 275 FM

GTIN / EAN 4013364477148, Nr taryfy celnej (EU): 85363030, Waga brutto: 377.08 g, Jednostka opakowaniowa: 1.00 szt.


Rysunki

Informacje dodatkowe

Ogranicznik przepięć DEHNguard MP TNS ACI 275 FM
4-biegunowy, modułowy, gotowy do podłączenia
ogranicznik przepięć z
wbudowanym przełącznikiem ACI i iskiernikiem,
z podwójnym zaciskiem przyłączeniowym w technice wtykowej („push-in”) do
okablowania rozgałęzionego i połączeń szeregowych
do sieci TN-S, szerokość: 4 moduły
z zestykiem zdalnej sygnalizacji
Ogranicznik przepięć typu 2 zgodnie z EN 61643-11
Wskaźnik uszkodzenia
Największe napięcie trwałej pracy: 275 V AC
Napięciowy poziom ochrony: <= 1,5 kV
Znamionowy prąd wyładowczy: 20 kA
Wytrzymałość zwarciowa: 25 kArms
Koordynacja energetyczna według DIN EN 62305-4
Ogranicznik przepięć z rodziny Red/Line

Producent: DEHN
Typ: DG MP TNS ACI 275 FM
Nr kat.: 942440
lub podobny.

Certyfikaty

 

Technika ACI

Dalszy rozwój technologii CI – technika ACI – składa się z kombinacji przełącznika i iskiernika połączonej szeregowo z warystorem o dużej wytrzymałości, dzięki czemu można wyeliminować ewentualne błędy konfiguracyjne podczas doboru wartości bezpiecznika. Odporność na przepięcia dorywcze (TOV) i brak prądu upływu oznacza większą wytrzymałość, a mniejszy przekrój przewodów przyłączeniowych – łatwiejszy montaż. Ograniczniki przepięć z techniką ACI zapewniają maksymalne bezpieczeństwo i dostępność systemu.

Dane techniczne

Ogranicznik przepięć zgodnie z PN-EN 61643-11 typ 2 / klasa II
Największe napięcie trwałej pracy AC [L-PE] (UC ) 275 V (50 / 60 Hz)
Znamionowy prąd wyładowczy (8/20 µs) (In ) 20 kA
Napięciowy poziom ochrony [L-PE]/[N-PE] (UP ) ≤ 1,5 / ≤ 1,5 kV
Dodatkowy bezpiecznik zewnętrzny nie
Przepięcia dorywcze (TOV) (UT) – cecha 335 V / 5 s – wytrzymały
Przepięcia dorywcze (TOV) (UT) – cecha 440 V / 120 min – wytrzymały
Prąd upływu brak brądu upływu
Certyfikaty KEMA, VDE

Produkt 942440 został dodany do notatnika.

Do koszyka dodano produkt 942440.


DEHNguard MP TT ACI ... FM

Modułowy ogranicznik przepięć z techniką Advanced Circuit Interruption (ACI) do sieci TT i TNS (układ połączeń "3+1").

2 Produkty

Nr kat. 942341 DG MP TT ACI 275 FM

GTIN / EAN 4013364477186, Nr taryfy celnej (EU): 85363030, Waga brutto: 377.71 g, Jednostka opakowaniowa: 1.00 szt.


Rysunki

Informacje dodatkowe

Ogranicznik przepięć DEHNguard MP TT ACI 275 FM
4-biegunowy, modułowy, gotowy do podłączenia
ogranicznik przepięć z
wbudowanym przełącznikiem ACI i iskiernikiem,
z podwójnym zaciskiem przyłączeniowym w technice wtykowej („push-in”) do
okablowania rozgałęzionego i połączeń szeregowych
do sieci TT i TN-S, szerokość: 4 moduły
z zestykiem zdalnej sygnalizacji
Ogranicznik przepięć typu 2 zgodnie z EN 61643-11
Wskaźnik uszkodzenia
Największe napięcie trwałej pracy: 275 V AC
Napięciowy poziom ochrony: <= 1,5 kV
Znamionowy prąd wyładowczy: 20 kA
Wytrzymałość zwarciowa: 25 kArms
Koordynacja energetyczna według DIN EN 62305-4
Ogranicznik przepięć z rodziny Red/Line

Producent: DEHN
Typ: DG MP TT ACI 275 FM
Nr kat.: 942341
lub podobny.

Certyfikaty

 

Technika ACI

Dalszy rozwój technologii CI – technika ACI – składa się z kombinacji przełącznika i iskiernika połączonej szeregowo z warystorem o dużej wytrzymałości, dzięki czemu można wyeliminować ewentualne błędy konfiguracyjne podczas doboru wartości bezpiecznika. Odporność na przepięcia dorywcze (TOV) i brak prądu upływu oznacza większą wytrzymałość, a mniejszy przekrój przewodów przyłączeniowych – łatwiejszy montaż. Ograniczniki przepięć z techniką ACI zapewniają maksymalne bezpieczeństwo i dostępność systemu.

Dane techniczne

Ogranicznik przepięć zgodnie z PN-EN 61643-11 typ 2 / klasa II
Największe napięcie trwałej pracy AC [L-N] (UC ) 275 V (50 / 60 Hz)
Znamionowy prąd wyładowczy (8/20 µs) [L-N] (In ) 20 kA
Napięciowy poziom ochrony [L-N]/[N-PE] (UP ) ≤ 1,5 / ≤ 1,5 kV
Dodatkowy bezpiecznik zewnętrzny nie
Przepięcia dorywcze (TOV) [L-N] (UT) – cecha 335 V / 5 s – wytrzymały
Przepięcia dorywcze (TOV) [L-N] (UT) – cecha 440 V / 120 min – wytrzymały
Przepięcia dorywcze (TOV) [N-PE] (UT) – cecha 1200 V / 200 ms – wytrzymały
Prąd upływu brak brądu upływu
Certyfikaty KEMA, VDE

Produkt 942341 został dodany do notatnika.

Do koszyka dodano produkt 942341.

Nr kat. 942342 DG MP TT ACI 385 FM

GTIN / EAN 4013364484870, Nr taryfy celnej (EU): 85363030, Waga brutto: 439.00 g, Jednostka opakowaniowa: 1.00 szt.


Rysunki

Informacje dodatkowe

Ogranicznik przepięć DEHNguard MP TT ACI 385 FM
4-biegunowy, modułowy, gotowy do podłączenia
ogranicznik przepięć z
wbudowanym przełącznikiem ACI i iskiernikiem,
z podwójnym zaciskiem przyłączeniowym w technice wtykowej („push-in”) do
okablowania rozgałęzionego i połączeń szeregowych
do sieci TT i TN-S, szerokość: 4 moduły
z zestykiem zdalnej sygnalizacji
Ogranicznik przepięć typu 2 zgodnie z EN 61643-11
Wskaźnik uszkodzenia
Największe napięcie trwałej pracy: 385 V AC
Napięciowy poziom ochrony: <= 1,5 kV
Znamionowy prąd wyładowczy: 20 kA
Wytrzymałość zwarciowa: 25 kArms
Koordynacja energetyczna według DIN EN 62305-4
Ogranicznik przepięć z rodziny Red/Line

Producent: DEHN
Typ: DG MP TT ACI 385 FM
Nr kat.: 942342
lub podobny.

Certyfikaty

 

Technika ACI

Dalszy rozwój technologii CI – technika ACI – składa się z kombinacji przełącznika i iskiernika połączonej szeregowo z warystorem o dużej wytrzymałości, dzięki czemu można wyeliminować ewentualne błędy konfiguracyjne podczas doboru wartości bezpiecznika. Odporność na przepięcia dorywcze (TOV) i brak prądu upływu oznacza większą wytrzymałość, a mniejszy przekrój przewodów przyłączeniowych – łatwiejszy montaż. Ograniczniki przepięć z techniką ACI zapewniają maksymalne bezpieczeństwo i dostępność systemu.

Dane techniczne

Ogranicznik przepięć zgodnie z PN-EN 61643-11 typ 2 / klasa II
Największe napięcie trwałej pracy AC [L-N] (UC ) 385 V (50 / 60 Hz)
Znamionowy prąd wyładowczy (8/20 µs) (In ) 20 kA
Maksymalny prąd wyładowczy (8/20 µs) [L-N] (Imax ) 40 kA
Napięciowy poziom ochrony [L-N]/[N-PE] (UP ) ≤ 1,5 / ≤ 1,5 kV
Dodatkowy bezpiecznik zewnętrzny nie
Przepięcia dorywcze (TOV) [L-N] (UT) – cecha 335 V / 5 s – wytrzymały
Przepięcia dorywcze (TOV) [L-N] (UT) – cecha 440 V / 120 min – wytrzymały
Przepięcia dorywcze (TOV) [N-PE] (UT) – cecha 1200 V / 200 ms – wytrzymały
Prąd upływu brak brądu upływu
Certyfikaty KEMA, VDE

Produkt 942342 został dodany do notatnika.

Do koszyka dodano produkt 942342.


DEHNguard MP TN ACI 275 FM

Modułowy ogranicznik przepięć z techniką Advanced-Circuit Interruption (ACI) do jednofazowych sieci TN 230 V.

1 Produkt

Nr kat. 942220 DG MP TN ACI 275 FM

GTIN / EAN 4013364495425, Nr taryfy celnej (EU): 85363030, Waga brutto: 234.63 g, Jednostka opakowaniowa: 1.00 szt.


Rysunki

Informacje dodatkowe

Ogranicznik przepięć DEHNguard MP TN ACI 275 FM
2-biegunowy, modułowy, gotowy do podłączenia
ogranicznik przepięć z
wbudowanym przełącznikiem ACI i iskiernikiem,
z podwójnym zaciskiem przyłączeniowym w technice wtykowej („push-in”) do
okablowania rozgałęzionego i połączeń szeregowych
do sieci TN, szerokość: 2 moduły
z zestykiem zdalnej sygnalizacji
Ogranicznik przepięć typu 2 zgodnie z EN 61643-11
Wskaźnik uszkodzenia
Największe napięcie trwałej pracy: 275 V AC
Napięciowy poziom ochrony: <= 1,5 kV
Znamionowy prąd wyładowczy: 20 kA
Wytrzymałość zwarciowa: 25 kArms
Koordynacja energetyczna według DIN EN 62305-4
Ogranicznik przepięć z rodziny Red/Line

Producent: DEHN
Typ: DG MP TN ACI 275 FM
Nr kat.: 942220
lub podobny.

Certyfikaty

 

Technika ACI

Dalszy rozwój technologii CI – technika ACI – składa się z kombinacji przełącznika i iskiernika połączonej szeregowo z warystorem o dużej wytrzymałości, dzięki czemu można wyeliminować ewentualne błędy konfiguracyjne podczas doboru wartości bezpiecznika. Odporność na przepięcia dorywcze (TOV) i brak prądu upływu oznacza większą wytrzymałość, a mniejszy przekrój przewodów przyłączeniowych – łatwiejszy montaż. Ograniczniki przepięć z techniką ACI zapewniają maksymalne bezpieczeństwo i dostępność systemu.

Dane techniczne

Ogranicznik przepięć zgodnie z PN-EN 61643-11 typ 2 / klasa II
Największe napięcie trwałej pracy AC [L-PE] (UC ) 275 V (50 / 60 Hz)
Znamionowy prąd wyładowczy (8/20 µs) (In ) 20 kA
Napięciowy poziom ochrony [L-PE]/[N-PE] (UP ) ≤ 1,5 / ≤ 1,5 kV
Dodatkowy bezpiecznik zewnętrzny nie
Przepięcia dorywcze (TOV) [L-N] (UT) – cecha 440 V / 120 min – wytrzymały
Przepięcia dorywcze (TOV) [L-PE] (UT) – cecha 440 V / 120 min – wytrzymały
Przepięcia dorywcze (TOV) (UT) – cecha 335 V / 5 s – wytrzymały
Przepięcia dorywcze (TOV) (UT) – cecha 440 V / 120 min – wytrzymały
Prąd upływu brak brądu upływu
Certyfikaty KEMA, VDE

Produkt 942220 został dodany do notatnika.

Do koszyka dodano produkt 942220.


DEHNguard MP TT 2P ACI ... FM

2 Produkty

Nr kat. 942121 DG MP TT 2P ACI 275 FM

GTIN / EAN 4013364495364, Nr taryfy celnej (EU): 85363030, Waga brutto: 250.04 g, Jednostka opakowaniowa: 1.00 szt.


Rysunki

Informacje dodatkowe

Ogranicznik przepięć DEHNguard MP TT 2P ACI 275 FM
2-biegunowy, modułowy, gotowy do podłączenia
ogranicznik przepięć z
wbudowanym przełącznikiem ACI i iskiernikiem,
z podwójnym zaciskiem przyłączeniowym w technice wtykowej („push-in”) do
okablowania rozgałęzionego i połączeń szeregowych
do sieci TT i TN, szerokość: 2 moduły
z zestykiem zdalnej sygnalizacji
Ogranicznik przepięć typu 2 zgodnie z EN 61643-11
Wskaźnik uszkodzenia
Największe napięcie trwałej pracy: 275 V AC
Napięciowy poziom ochrony: <= 1,5 kV
Znamionowy prąd wyładowczy: 20 kA
Wytrzymałość zwarciowa: 25 kArms
Koordynacja energetyczna według DIN EN 62305-4
Ogranicznik przepięć z rodziny Red/Line

Producent: DEHN
Typ: DG MP TT 2P ACI 275 FM
Nr kat.: 942121
lub podobny.

Certyfikaty

 

Technika ACI

Dalszy rozwój technologii CI – technika ACI – składa się z kombinacji przełącznika i iskiernika połączonej szeregowo z warystorem o dużej wytrzymałości, dzięki czemu można wyeliminować ewentualne błędy konfiguracyjne podczas doboru wartości bezpiecznika. Odporność na przepięcia dorywcze (TOV) i brak prądu upływu oznacza większą wytrzymałość, a mniejszy przekrój przewodów przyłączeniowych – łatwiejszy montaż. Ograniczniki przepięć z techniką ACI zapewniają maksymalne bezpieczeństwo i dostępność systemu.

Dane techniczne

Ogranicznik przepięć zgodnie z PN-EN 61643-11 typ 2 / klasa II
Największe napięcie trwałej pracy AC [L-N] (UC ) 275 V (50 / 60 Hz)
Znamionowy prąd wyładowczy (8/20 µs) [L-N] (In ) 20 kA
Napięciowy poziom ochrony [L-N]/[N-PE] (UP ) ≤ 1,5 / ≤ 1,5 kV
Dodatkowy bezpiecznik zewnętrzny nie
Przepięcia dorywcze (TOV) [L-N] (UT) – cecha 335 V / 5 s – wytrzymały
Przepięcia dorywcze (TOV) [L-N] (UT) – cecha 440 V / 120 min – wytrzymały
Przepięcia dorywcze (TOV) [N-PE] (UT) – cecha 1200 V / 200 ms – wytrzymały
Prąd upływu brak brądu upływu
Certyfikaty KEMA, VDE

Produkt 942121 został dodany do notatnika.

Do koszyka dodano produkt 942121.

Nr kat. 942122 DG MP TT 2P ACI 385 FM

GTIN / EAN 4013364495371, Nr taryfy celnej (EU): 85363030, Waga brutto: 250.24 g, Jednostka opakowaniowa: 1.00 szt.


Rysunki

Informacje dodatkowe

Ogranicznik przepięć DEHNguard MP TT 2P ACI 385 FM
2-biegunowy, modułowy, gotowy do podłączenia
ogranicznik przepięć z
wbudowanym przełącznikiem ACI i iskiernikiem,
z podwójnym zaciskiem przyłączeniowym w technice wtykowej („push-in”) do
okablowania rozgałęzionego i połączeń szeregowych
do sieci TT i TN, szerokość: 2 moduły
z zestykiem zdalnej sygnalizacji
Ogranicznik przepięć typu 2 zgodnie z EN 61643-11
Wskaźnik uszkodzenia
Największe napięcie trwałej pracy: 385 V AC
Napięciowy poziom ochrony: <= 1,5 kV
Znamionowy prąd wyładowczy: 20 kA
Wytrzymałość zwarciowa: 25 kArms
Koordynacja energetyczna według DIN EN 62305-4
Ogranicznik przepięć z rodziny Red/Line

Producent: DEHN
Typ: DG MP TT 2P ACI 385 FM
Nr kat.: 942122
lub podobny.

Certyfikaty

 

Technika ACI

Dalszy rozwój technologii CI – technika ACI – składa się z kombinacji przełącznika i iskiernika połączonej szeregowo z warystorem o dużej wytrzymałości, dzięki czemu można wyeliminować ewentualne błędy konfiguracyjne podczas doboru wartości bezpiecznika. Odporność na przepięcia dorywcze (TOV) i brak prądu upływu oznacza większą wytrzymałość, a mniejszy przekrój przewodów przyłączeniowych – łatwiejszy montaż. Ograniczniki przepięć z techniką ACI zapewniają maksymalne bezpieczeństwo i dostępność systemu.

Dane techniczne

Ogranicznik przepięć zgodnie z PN-EN 61643-11 typ 2 / klasa II
Największe napięcie trwałej pracy AC [L-N] (UC ) 385 V (50 / 60 Hz)
Znamionowy prąd wyładowczy (8/20 µs) (In ) 20 kA
Maksymalny prąd wyładowczy (8/20 µs) [L-N] (Imax ) 40 kA
Napięciowy poziom ochrony [L-N]/[N-PE] (UP ) ≤ 1,5 / ≤ 1,5 kV
Dodatkowy bezpiecznik zewnętrzny nie
Przepięcia dorywcze (TOV) [L-N] (UT) – cecha 335 V / 5 s – wytrzymały
Przepięcia dorywcze (TOV) [L-N] (UT) – cecha 440 V / 120 min – wytrzymały
Przepięcia dorywcze (TOV) [N-PE] (UT) – cecha 1200 V / 200 ms – wytrzymały
Prąd upływu brak brądu upływu
Certyfikaty KEMA, VDE

Produkt 942122 został dodany do notatnika.

Do koszyka dodano produkt 942122.


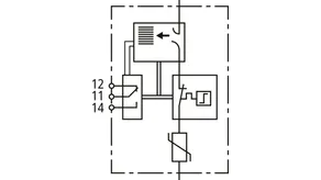
DEHNguard M TNC ACI 275 FM

Modułowy ogranicznik przepięć z techniką Advanced Circuit Interruption (ACI) do sieci TNC.

1 Produkt

Nr kat. 952330 DG M TNC ACI 275 FM

GTIN / EAN 4013364376649, Nr taryfy celnej (EU): 85363030, Waga brutto: 360.00 g, Jednostka opakowaniowa: 1.00 szt.

Wcześniejszy produkt

Rysunki

Informacje dodatkowe

Ogranicznik przepięć z techniką ACI DEHNguard M TNC ACI 275 FM
3-biegunowy, modułowy, gotowy do podłączenia ogranicznik przepięć
z wbudowanym przełącznikiem ACI i iskiernikiem,
do sieci TN-C o napięciu znamionowym 230/400 V, szerokość: 3 moduły
Z zestykiem zdalnej sygnalizacji
Ogranicznik przepięć typu 2 zgodnie z EN 61643-11
Największe napięcie trwałej pracy: 275 V AC
Napięciowy poziom ochrony: <= 1,5 kV
Znamionowy prąd wyładowczy: 20 kA
Brak konieczności stosowania dodatkowego bezpiecznika zewnętrznego
Koordynacja energetyczna według DIN EN 62305-4
Ogranicznik przepięć z rodziny Red/Line
Mechaniczny wskaźnik uszkodzenia ogranicznika przepięć

Producent: DEHN
Typ: DG M TNC ACI 275 FM
Nr kat.: 952330
lub podobny.

Certyfikaty

 

Technika ACI

Dalszy rozwój technologii CI – technika ACI – składa się z kombinacji przełącznika i iskiernika połączonej szeregowo z warystorem o dużej wytrzymałości, dzięki czemu można wyeliminować ewentualne błędy konfiguracyjne podczas doboru wartości bezpiecznika. Odporność na przepięcia dorywcze (TOV) i brak prądu upływu oznacza większą wytrzymałość, a mniejszy przekrój przewodów przyłączeniowych – łatwiejszy montaż. Ograniczniki przepięć z techniką ACI zapewniają maksymalne bezpieczeństwo i dostępność systemu.

Dane techniczne

Ogranicznik przepięć zgodnie z PN-EN 61643-11 typ 2 / klasa II
Największe napięcie trwałej pracy AC (UC ) 275 V (50 / 60 Hz)
Znamionowy prąd wyładowczy (8/20 µs) (In ) 20 kA
Napięciowy poziom ochrony (UP ) ≤ 1,5 kV
Dodatkowy bezpiecznik zewnętrzny nie
Przepięcia dorywcze (TOV) (UT) – cecha 440 V / 120 min – wytrzymały
Prąd upływu brak prądu upływu
Certyfikaty KEMA

Produkt 952330 został dodany do notatnika.

Do koszyka dodano produkt 952330.


DEHNguard M TNC ACI 385 FM

1 Produkt

Nr kat. 952340 DG M TNC ACI 385 FM

GTIN / EAN 4013364560840, Nr taryfy celnej (EU): 85363030, Waga brutto: 383.80 g, Jednostka opakowaniowa: 1.00 szt.


Rysunki

Informacje dodatkowe

Ogranicznik przepięć z techniką ACI DEHNguard M TNC ACI 385 FM
3-biegunowy, modułowy, gotowy do podłączenia ogranicznik przepięć
z wbudowanym przełącznikiem ACI i iskiernikiem,
do sieci TN-C o napięciu znamionowym 230/400 V, szerokość: 3 moduły
Z zestykiem zdalnej sygnalizacji
Ogranicznik przepięć typu 2 zgodnie z EN 61643-11
Największe napięcie trwałej pracy: 285 V AC
Napięciowy poziom ochrony: <= 1,5 kV
Znamionowy prąd wyładowczy: 20 kA
Brak konieczności stosowania dodatkowego bezpiecznika zewnętrznego
Koordynacja energetyczna według DIN EN 62305-4
Ogranicznik przepięć z rodziny Red/Line
Mechaniczny wskaźnik uszkodzenia ogranicznika przepięć

Producent: DEHN
Typ: DG M TNC ACI 385 FM
Nr kat.: 952340
lub podobny.

Certyfikaty

 

Technika ACI

Dalszy rozwój technologii CI – technika ACI – składa się z kombinacji przełącznika i iskiernika połączonej szeregowo z warystorem o dużej wytrzymałości, dzięki czemu można wyeliminować ewentualne błędy konfiguracyjne podczas doboru wartości bezpiecznika. Odporność na przepięcia dorywcze (TOV) i brak prądu upływu oznacza większą wytrzymałość, a mniejszy przekrój przewodów przyłączeniowych – łatwiejszy montaż. Ograniczniki przepięć z techniką ACI zapewniają maksymalne bezpieczeństwo i dostępność systemu.

Dane techniczne

Ogranicznik przepięć zgodnie z PN-EN 61643-11 typ 2 / klasa II
Największe napięcie trwałej pracy AC (UC ) 385 V (50 / 60 Hz)
Znamionowy prąd wyładowczy (8/20 µs) (In ) 20 kA
Maksymalny prąd wyładowczy (8/20 µs) (Imax ) 40 kA
Napięciowy poziom ochrony (UP ) ≤ 1,5 kV
Dodatkowy bezpiecznik zewnętrzny nie
Przepięcia dorywcze (TOV) (UT) – cecha 440 V / 120 min – wytrzymały
Prąd upływu brak prądu upływu
Certyfikaty KEMA

Produkt 952340 został dodany do notatnika.

Do koszyka dodano produkt 952340.


DEHNguard M TNS ACI 275 FM

Modułowy ogranicznik przepięć z techniką Advanced Circuit Interruption (ACI) do sieci TNS.

1 Produkt

Nr kat. 952440 DG M TNS ACI 275 FM

GTIN / EAN 4013364376625, Nr taryfy celnej (EU): 85363030, Waga brutto: 450.00 g, Jednostka opakowaniowa: 1.00 szt.

Wcześniejszy produkt

Rysunki

Informacje dodatkowe

Ogranicznik przepięć ztechniką ACI DEHNguard M TNS ACI 275 FM
4-biegunowy, modułowy, gotowy do podłączenia ogranicznik przepięć
z wbudowanym przełącznikiem ACI i iskiernikiem,
do sieci TN-S o napięciu znamionowym 230/400 V, szerokość: 4 moduły
Z zestykiem zdalnej sygnalizacji
Ogranicznik przepięć typu 2 zgodnie z EN 61643-11
Największe napięcie trwałej pracy: 275 V AC
Napięciowy poziom ochrony: <= 1,5 kV
Znamionowy prąd wyładowczy: 20 kA
Brak konieczności stosowania dodatkowego bezpiecznika zewnętrznego
Koordynacja energetyczna według DIN EN 62305-4
Ogranicznik przepięć z rodziny Red/Line
Mechaniczny wskaźnik uszkodzenia ogranicznika przepięć

Producent: DEHN
Typ: DG M TNS ACI 275 FM
Nr kat.: 952440
lub podobny.

Certyfikaty

 

Technika ACI

Dalszy rozwój technologii CI – technika ACI – składa się z kombinacji przełącznika i iskiernika połączonej szeregowo z warystorem o dużej wytrzymałości, dzięki czemu można wyeliminować ewentualne błędy konfiguracyjne podczas doboru wartości bezpiecznika. Odporność na przepięcia dorywcze (TOV) i brak prądu upływu oznacza większą wytrzymałość, a mniejszy przekrój przewodów przyłączeniowych – łatwiejszy montaż. Ograniczniki przepięć z techniką ACI zapewniają maksymalne bezpieczeństwo i dostępność systemu.

Dane techniczne

Ogranicznik przepięć zgodnie z PN-EN 61643-11 typ 2 / klasa II
Największe napięcie trwałej pracy AC [L-PE] (UC ) 275 V (50 / 60 Hz)
Znamionowy prąd wyładowczy (8/20 µs) (In ) 20 kA
Napięciowy poziom ochrony [L-PE]/[N-PE] (UP ) ≤ 1,5 / ≤ 1,5 kV
Dodatkowy bezpiecznik zewnętrzny nie
Przepięcia dorywcze (TOV) (UT) – cecha 440 V / 120 min – wytrzymały
Prąd upływu brak prądu upływu
Certyfikaty KEMA

Produkt 952440 został dodany do notatnika.

Do koszyka dodano produkt 952440.


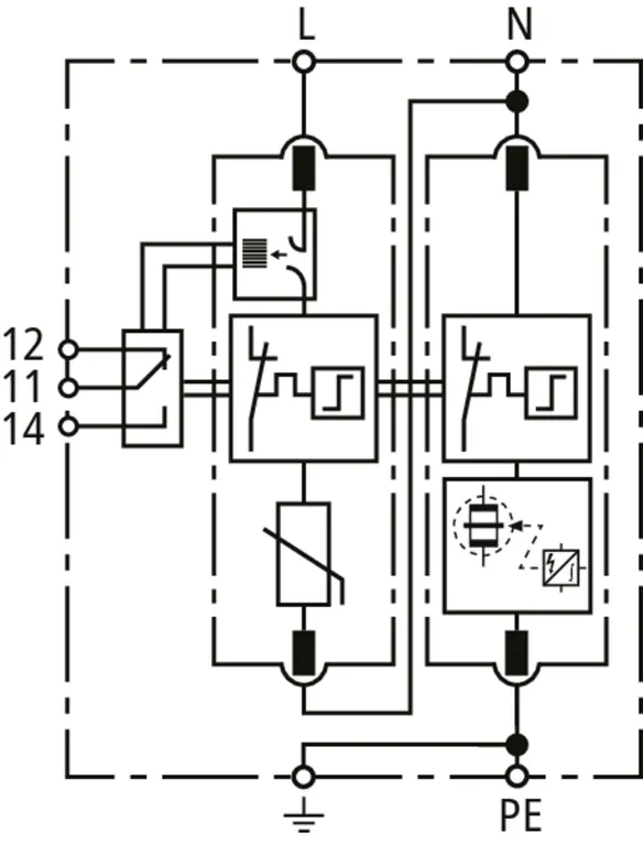
DEHNguard M TT ACI ... FM

Modułowy ogranicznik przepięć z techniką Advanced Circuit Interruption (ACI) do sieci TT i TNS (układ połączeń "3+1").

2 Produkty

Nr kat. 952341 DG M TT ACI 275 FM

GTIN / EAN 4013364376632, Nr taryfy celnej (EU): 85363030, Waga brutto: 455.00 g, Jednostka opakowaniowa: 1.00 szt.

Wcześniejszy produkt

Rysunki

Informacje dodatkowe

Ogranicznik przepięć z techniką ACI DEHNguard M TT ACI 275 FM
4-biegunowy, modułowy, gotowy do podłączenia ogranicznik przepięć
z wbudowanym przełącznikiem ACI i iskiernikiem,
do sieci TT i TN-S o napięciu znamionowym 230/400 V, szerokość: 4 moduły
Z zestykiem zdalnej sygnalizacji
Ogranicznik przepięć typu 2 zgodnie z EN 61643-11
Największe napięcie trwałej pracy: 275 V AC
Napięciowy poziom ochrony: <= 1,5 kV
Znamionowy prąd wyładowczy: 20 kA
Brak konieczności stosowania dodatkowego bezpiecznika zewnętrznego
Koordynacja energetyczna według DIN EN 62305-4
Ogranicznik przepięć z rodziny Red/Line
Mechaniczny wskaźnik uszkodzenia ogranicznika przepięć

Producent: DEHN
Typ: DG M TT ACI 275 FM
Nr kat.: 952341
lub podobny.

Certyfikaty

 

Technika ACI

Dalszy rozwój technologii CI – technika ACI – składa się z kombinacji przełącznika i iskiernika połączonej szeregowo z warystorem o dużej wytrzymałości, dzięki czemu można wyeliminować ewentualne błędy konfiguracyjne podczas doboru wartości bezpiecznika. Odporność na przepięcia dorywcze (TOV) i brak prądu upływu oznacza większą wytrzymałość, a mniejszy przekrój przewodów przyłączeniowych – łatwiejszy montaż. Ograniczniki przepięć z techniką ACI zapewniają maksymalne bezpieczeństwo i dostępność systemu.

Dane techniczne

Ogranicznik przepięć zgodnie z PN-EN 61643-11 typ 2 / klasa II
Największe napięcie trwałej pracy AC [L-N] (UC ) 275 V (50 / 60 Hz)
Znamionowy prąd wyładowczy (8/20 µs) [L-N] (In ) 20 kA
Napięciowy poziom ochrony [L-N]/[N-PE] (UP ) ≤ 1,5 / ≤ 1,5 kV
Dodatkowy bezpiecznik zewnętrzny nie
Przepięcia dorywcze (TOV) [L-N] (UT) – cecha 440 V / 120 min – wytrzymały
Przepięcia dorywcze (TOV) [N-PE] (UT) – cecha 1200 V / 200 ms – wytrzymały
Prąd upływu brak prądu upływu
Certyfikaty KEMA

Produkt 952341 został dodany do notatnika.

Do koszyka dodano produkt 952341.

Nr kat. 952342 DG M TT ACI 385 FM

GTIN / EAN 4013364387850, Nr taryfy celnej (EU): 85363030, Waga brutto: 520.00 g, Jednostka opakowaniowa: 1.00 szt.


Rysunki

Informacje dodatkowe

Ogranicznik przepięć z techniką ACI DEHNguard M TT ACI 385 FM
4-biegunowy, modułowy, gotowy do podłączenia ogranicznik przepięć
z wbudowanym przełącznikiem ACI i iskiernikiem,
do sieci TT i TN-S o napięciu znamionowym 230/400 V, szerokość: 4 moduły
Z zestykiem zdalnej sygnalizacji
Ogranicznik przepięć typu 2 zgodnie z EN 61643-11
Największe napięcie trwałej pracy: 385 V AC
Napięciowy poziom ochrony: <= 1,5 kV
Znamionowy prąd wyładowczy: 20 kA
Brak konieczności stosowania dodatkowego bezpiecznika zewnętrznego
Koordynacja energetyczna według DIN EN 62305-4
Ogranicznik przepięć z rodziny Red/Line
Mechaniczny wskaźnik uszkodzenia ogranicznika przepięć

Producent: DEHN
Typ: DG M TT ACI 385 FM
Nr kat.: 952342
lub podobny.

Certyfikaty

 

Technika ACI

Dalszy rozwój technologii CI – technika ACI – składa się z kombinacji przełącznika i iskiernika połączonej szeregowo z warystorem o dużej wytrzymałości, dzięki czemu można wyeliminować ewentualne błędy konfiguracyjne podczas doboru wartości bezpiecznika. Odporność na przepięcia dorywcze (TOV) i brak prądu upływu oznacza większą wytrzymałość, a mniejszy przekrój przewodów przyłączeniowych – łatwiejszy montaż. Ograniczniki przepięć z techniką ACI zapewniają maksymalne bezpieczeństwo i dostępność systemu.

Dane techniczne

Ogranicznik przepięć zgodnie z PN-EN 61643-11 typ 2 / klasa II
Największe napięcie trwałej pracy AC [L-N] (UC ) 385 V (50 / 60 Hz)
Znamionowy prąd wyładowczy (8/20 µs) [L-N] (In ) 20 kA
Maksymalny prąd wyładowczy (8/20 µs) [L-N] (Imax ) 40 kA
Maksymalny prąd wyładowczy (8/20 µs) [N-PE] (Imax ) 120 kA
Napięciowy poziom ochrony [L-N]/[N-PE] (UP ) ≤ 1,5 / ≤ 1,5 kV
Dodatkowy bezpiecznik zewnętrzny nie
Przepięcia dorywcze (TOV) [L-N] (UT) – cecha 440 V / 120 min – wytrzymały
Przepięcia dorywcze (TOV) [N-PE] (UT) – cecha 1200 V / 200 ms – wytrzymały
Prąd upływu brak prądu upływu
Certyfikaty KEMA

Produkt 952342 został dodany do notatnika.

Do koszyka dodano produkt 952342.


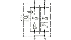
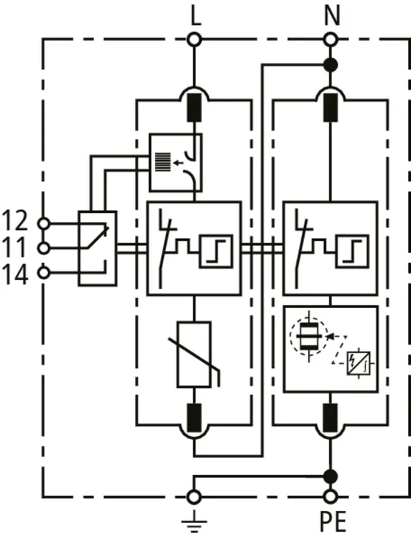
DEHNguard M TN ACI 275 FM

Modułowy ogranicznik przepięć z techniką Advanced Circuit Interruption (ACI) do jednofazowych sieci TN 230 V.

1 Produkt

Nr kat. 952220 DG M TN ACI 275 FM

GTIN / EAN 4013364376656, Nr taryfy celnej (EU): 85363030, Waga brutto: 245.00 g, Jednostka opakowaniowa: 1.00 szt.

Wcześniejszy produkt

Rysunki

Informacje dodatkowe

Ogranicznik przepięć z techniką ACI DEHNguard M TN ACI 275 FM
2-biegunowy, modułowy, gotowy do podłączenia ogranicznik przepięć
z wbudowanym przełącznikiem ACI i iskiernikiem,
do jednofazowych sieci TN 230 V, szerokość: 2 moduły
Z zestykiem zdalnej sygnalizacji
Ogranicznik przepięć typu 2 zgodnie z EN 61643-11
Największe napięcie trwałej pracy: 275 V AC
Napięciowy poziom ochrony: <= 1,5 kV
Znamionowy prąd wyładowczy: 20 kA
Brak konieczności stosowania dodatkowego bezpiecznika zewnętrznego
Koordynacja energetyczna według DIN EN 62305-4
Ogranicznik przepięć z rodziny Red/Line
Mechaniczny wskaźnik uszkodzenia ogranicznika przepięć

Producent: DEHN
Typ: DG M TN ACI 275 FM
Nr kat.: 952220
lub podobny.

Certyfikaty

 

Technika ACI

Dalszy rozwój technologii CI – technika ACI – składa się z kombinacji przełącznika i iskiernika połączonej szeregowo z warystorem o dużej wytrzymałości, dzięki czemu można wyeliminować ewentualne błędy konfiguracyjne podczas doboru wartości bezpiecznika. Odporność na przepięcia dorywcze (TOV) i brak prądu upływu oznacza większą wytrzymałość, a mniejszy przekrój przewodów przyłączeniowych – łatwiejszy montaż. Ograniczniki przepięć z techniką ACI zapewniają maksymalne bezpieczeństwo i dostępność systemu.

Dane techniczne

Ogranicznik przepięć zgodnie z PN-EN 61643-11 typ 2 / klasa II
Największe napięcie trwałej pracy AC [L-PE] (UC ) 275 V (50 / 60 Hz)
Znamionowy prąd wyładowczy (8/20 µs) (In ) 20 kA
Napięciowy poziom ochrony [L-PE]/[N-PE] (UP ) ≤ 1,5 / ≤ 1,5 kV
Dodatkowy bezpiecznik zewnętrzny nie
Przepięcia dorywcze (TOV) [L-N] (UT) – cecha 440 V / 120 min – wytrzymały
Przepięcia dorywcze (TOV) [L-PE] (UT) – cecha 440 V / 120 min – wytrzymały
Przepięcia dorywcze (TOV) (UT) – cecha 440 V / 120 min – wytrzymały
Prąd upływu brak prądu upływu
Certyfikaty KEMA

Produkt 952220 został dodany do notatnika.

Do koszyka dodano produkt 952220.


DEHNguard M TT 2P ACI ... FM

Modułowy ogranicznik przepięć z techniką Advanced Circuit Interruption (ACI) do jednofazowych sieci TT i TN 230 V (układ połączeń "1+1").

2 Produkty

Nr kat. 952121 DG M TT 2P ACI 275 FM

GTIN / EAN 4013364376663, Nr taryfy celnej (EU): 85363030, Waga brutto: 255.00 g, Jednostka opakowaniowa: 1.00 szt.

Wcześniejszy produkt

Rysunki

Informacje dodatkowe

Ogranicznik przepięć ztechniką ACI DEHNguard M TT 2P ACI 275 FM
2-biegunowy, modułowy, gotowy do podłączenia ogranicznik przepięć
z wbudowanym przełącznikiem ACI i iskiernikiem,
do jednofazowych sieci TT i TN o napięciu znamionowym 230 V, szerokość: 2 moduły
Z zestykiem zdalnej sygnalizacji
Ogranicznik przepięć typu 2 zgodnie z EN 61643-11
Największe napięcie trwałej pracy: 275 V AC
Napięciowy poziom ochrony: <= 1,5 kV
Znamionowy prąd wyładowczy: 20 kA
Brak konieczności stosowania dodatkowego bezpiecznika zewnętrznego
Koordynacja energetyczna według DIN EN 62305-4
Ogranicznik przepięć z rodziny Red/Line
Mechaniczny wskaźnik uszkodzenia ogranicznika przepięć

Producent: DEHN
Typ: DG M TT 2P ACI 275 FM
Nr kat.: 952121
lub podobny.

Certyfikaty

 

Technika ACI

Dalszy rozwój technologii CI – technika ACI – składa się z kombinacji przełącznika i iskiernika połączonej szeregowo z warystorem o dużej wytrzymałości, dzięki czemu można wyeliminować ewentualne błędy konfiguracyjne podczas doboru wartości bezpiecznika. Odporność na przepięcia dorywcze (TOV) i brak prądu upływu oznacza większą wytrzymałość, a mniejszy przekrój przewodów przyłączeniowych – łatwiejszy montaż. Ograniczniki przepięć z techniką ACI zapewniają maksymalne bezpieczeństwo i dostępność systemu.

Dane techniczne

Ogranicznik przepięć zgodnie z PN-EN 61643-11 typ 2 / klasa II
Największe napięcie trwałej pracy AC [L-N] (UC ) 275 V (50 / 60 Hz)
Znamionowy prąd wyładowczy (8/20 µs) [L-N] (In ) 20 kA
Napięciowy poziom ochrony [L-N]/[N-PE] (UP ) ≤ 1,5 / ≤ 1,5 kV
Dodatkowy bezpiecznik zewnętrzny nie
Przepięcia dorywcze (TOV) [L-N] (UT) – cecha 440 V / 120 min – wytrzymały
Przepięcia dorywcze (TOV) [N-PE] (UT) – cecha 1200 V / 200 ms – wytrzymały
Prąd upływu brak prądu upływu
Certyfikaty KEMA

Produkt 952121 został dodany do notatnika.

Do koszyka dodano produkt 952121.

Nr kat. 952122 DG M TT 2P ACI 385 FM

GTIN / EAN 4013364387867, Nr taryfy celnej (EU): 85363030, Waga brutto: 298.00 g, Jednostka opakowaniowa: 1.00 szt.


Rysunki

Informacje dodatkowe

Ogranicznik przepięć z techniką ACI DEHNguard M TT 2P ACI 385 FM
2-biegunowy, modułowy, gotowy do podłączenia ogranicznik przepięć
z wbudowanym przełącznikiem ACI i iskiernikiem,
do sieci TT i TN, szerokość: 2 moduły
Z zestykiem zdalnej sygnalizacji
Ogranicznik przepięć typu 2 zgodnie z EN 61643-11
Największe napięcie trwałej pracy: 385 V AC
Napięciowy poziom ochrony: <= 1,5 kV
Znamionowy prąd wyładowczy: 20 kA
Brak konieczności stosowania dodatkowego bezpiecznika zewnętrznego
Koordynacja energetyczna według DIN EN 62305-4
Ogranicznik przepięć z rodziny Red/Line
Mechaniczny wskaźnik uszkodzenia ogranicznika przepięć

Producent: DEHN
Typ: DG M TT 2P ACI 385 FM
Nr kat.: 952122
lub podobny.

Certyfikaty

 

Technika ACI

Dalszy rozwój technologii CI – technika ACI – składa się z kombinacji przełącznika i iskiernika połączonej szeregowo z warystorem o dużej wytrzymałości, dzięki czemu można wyeliminować ewentualne błędy konfiguracyjne podczas doboru wartości bezpiecznika. Odporność na przepięcia dorywcze (TOV) i brak prądu upływu oznacza większą wytrzymałość, a mniejszy przekrój przewodów przyłączeniowych – łatwiejszy montaż. Ograniczniki przepięć z techniką ACI zapewniają maksymalne bezpieczeństwo i dostępność systemu.

Dane techniczne

Ogranicznik przepięć zgodnie z PN-EN 61643-11 typ 2 / klasa II
Największe napięcie trwałej pracy AC [L-N] (UC ) 385 V (50 / 60 Hz)
Znamionowy prąd wyładowczy (8/20 µs) [L-N] (In ) 20 kA
Maksymalny prąd wyładowczy (8/20 µs) [L-N] (Imax ) 40 kA
Maksymalny prąd wyładowczy (8/20 µs) [N-PE] (Imax ) 120 kA
Napięciowy poziom ochrony [L-N]/[N-PE] (UP ) ≤ 1,5 / ≤ 1,5 kV
Dodatkowy bezpiecznik zewnętrzny nie
Przepięcia dorywcze (TOV) [L-N] (UT) – cecha 440 V / 120 min – wytrzymały
Przepięcia dorywcze (TOV) [N-PE] (UT) – cecha 1200 V / 200 ms – wytrzymały
Prąd upływu brak prądu upływu
Certyfikaty KEMA

Produkt 952122 został dodany do notatnika.

Do koszyka dodano produkt 952122.


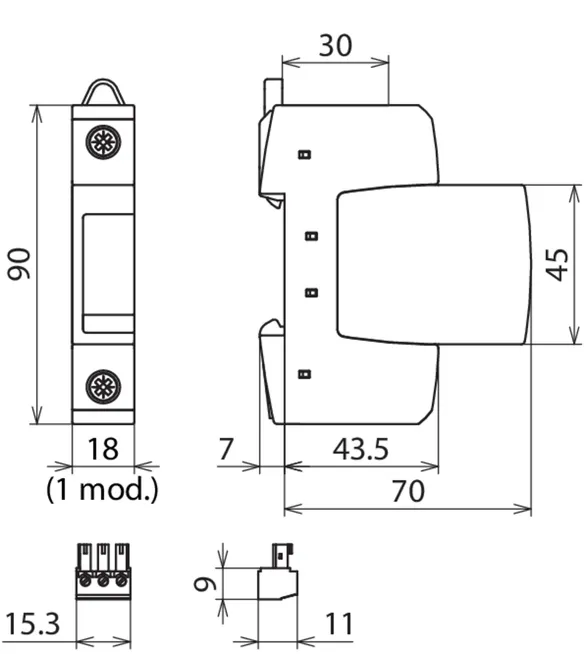
DEHNguard S ACI ... FM

Jednobiegunowy modułowy ogranicznik przepięć składający się z podstawy i wymiennego modułu ochronnego z techniką Advanced Circuit Interruption (ACI).

2 Produkty

Nr kat. 952100 DG S ACI 275 FM

GTIN / EAN 4013364376526, Nr taryfy celnej (EU): 85363030, Waga brutto: 142.10 g, Jednostka opakowaniowa: 1.00 szt.

Wcześniejszy produkt

Rysunki

Informacje dodatkowe

Ogranicznik przepięć z techniką ACI DEHNguard S ACI 275 FM
1-biegunowy, modułowy, gotowy do podłączenia ogranicznik przepięć
z wbudowanym przełącznikiem ACI i iskiernikiem, szerokość: 1 moduł
Z zestykiem zdalnej sygnalizacji
Ogranicznik przepięć typu 2 zgodnie z EN 61643-11
Największe napięcie trwałej pracy: 275 V AC
Napięciowy poziom ochrony: <= 1,5 kV
Znamionowy prąd wyładowczy: 20 kA
Brak konieczności stosowania dodatkowego bezpiecznika zewnętrznego
Koordynacja energetyczna według DIN EN 62305-4
Ogranicznik przepięć z rodziny Red/Line
Mechaniczny wskaźnik uszkodzenia ogranicznika przepięć

Producent: DEHN
Typ: DG S ACI 275 FM
Nr kat.: 952100
lub podobny.

Certyfikaty

 

Technika ACI

Dalszy rozwój technologii CI – technika ACI – składa się z kombinacji przełącznika i iskiernika połączonej szeregowo z warystorem o dużej wytrzymałości, dzięki czemu można wyeliminować ewentualne błędy konfiguracyjne podczas doboru wartości bezpiecznika. Odporność na przepięcia dorywcze (TOV) i brak prądu upływu oznacza większą wytrzymałość, a mniejszy przekrój przewodów przyłączeniowych – łatwiejszy montaż. Ograniczniki przepięć z techniką ACI zapewniają maksymalne bezpieczeństwo i dostępność systemu.

Dane techniczne

Ogranicznik przepięć zgodnie z PN-EN 61643-11 typ 2 / klasa II
Największe napięcie trwałej pracy AC (UC ) 275 V (50 / 60 Hz)
Znamionowy prąd wyładowczy (8/20 µs) (In ) 20 kA
Napięciowy poziom ochrony (UP ) ≤ 1,5 kV
Dodatkowy bezpiecznik zewnętrzny nie
Przepięcia dorywcze (TOV) (UT) – cecha 440 V / 120 min – wytrzymały
Prąd upływu brak prądu upływu
Certyfikaty KEMA

Produkt 952100 został dodany do notatnika.

Do koszyka dodano produkt 952100.

Nr kat. 952113 DG S ACI 385 FM

GTIN / EAN 4013364387874, Nr taryfy celnej (EU): 85363030, Waga brutto: 158.00 g, Jednostka opakowaniowa: 1.00 szt.


Rysunki

Informacje dodatkowe

Ogranicznik przepięć z techniką ACI DEHNguard S ACI 275 FM
1-biegunowy, modułowy, gotowy do podłączenia ogranicznik przepięć
z wbudowanym przełącznikiem ACI i iskiernikiem, szerokość: 1 moduł
Z zestykiem zdalnej sygnalizacji
Ogranicznik przepięć typu 2 zgodnie z EN 61643-11
Największe napięcie trwałej pracy: 275 V AC
Napięciowy poziom ochrony: <= 1,5 kV
Znamionowy prąd wyładowczy: 20 kA
Brak konieczności stosowania dodatkowego bezpiecznika zewnętrznego
Koordynacja energetyczna według DIN EN 62305-4
Ogranicznik przepięć z rodziny Red/Line
Mechaniczny wskaźnik uszkodzenia ogranicznika przepięć

Producent: DEHN
Typ: DG S ACI 385 FM
Nr kat.: 952113
lub podobny.

 

Technika ACI

Dalszy rozwój technologii CI – technika ACI – składa się z kombinacji przełącznika i iskiernika połączonej szeregowo z warystorem o dużej wytrzymałości, dzięki czemu można wyeliminować ewentualne błędy konfiguracyjne podczas doboru wartości bezpiecznika. Odporność na przepięcia dorywcze (TOV) i brak prądu upływu oznacza większą wytrzymałość, a mniejszy przekrój przewodów przyłączeniowych – łatwiejszy montaż. Ograniczniki przepięć z techniką ACI zapewniają maksymalne bezpieczeństwo i dostępność systemu.

Dane techniczne

Ogranicznik przepięć zgodnie z PN-EN 61643-11 typ 2 / klasa II
Największe napięcie trwałej pracy AC (UC ) 385 V (50 / 60 Hz)
Znamionowy prąd wyładowczy (8/20 µs) (In ) 20 kA
Maksymalny prąd wyładowczy (8/20 µs) (Imax ) 40 kA
Napięciowy poziom ochrony (UP ) ≤ 1,5 kV
Dodatkowy bezpiecznik zewnętrzny nie
Przepięcia dorywcze (TOV) (UT) – cecha 440 V / 120 min – wytrzymały
Prąd upływu brak prądu upływu
Certyfikaty KEMA

Produkt 952113 został dodany do notatnika.

Do koszyka dodano produkt 952113.


Powrót na górę