Your dashboard services.
Register to access all tools.

DEHNvap

  • gotowy do podłączenia kombinowany ogranicznik przepięć typu 1 + typu 2 + typu 3 na bazie iskiernika zoptymalizowany do ochrony systemów telefonii komórkowej
  • maksymalna dostępność systemu dzięki technice iskiernikowej RAC (Rapid Arc Control - szybka kontrola łuku) / technice ograniczania prądów następczych RADAX Flow
  • zdolność odprowadzania prądów udarowych do 100 kA (10/350 µs)
  • bezpiecznik 32 A gG nie zadziała do 25 kArms prądu zwarciowego
  • zapewnia ochronę urządzeń końcowych w obrębie 10 m
  • optyczna sygnalizacja stanu w oknie kontrolnym (wskaźnik zielony / czerwony); zdalny monitorin stanu ogranicznika poprzez bezpotencjałowy zestyk przełączny
  • różne warianty dopasowane do wymagań danego systemu telekomunikacyjnego

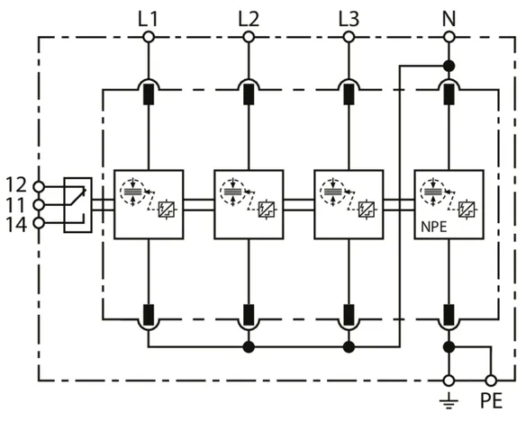
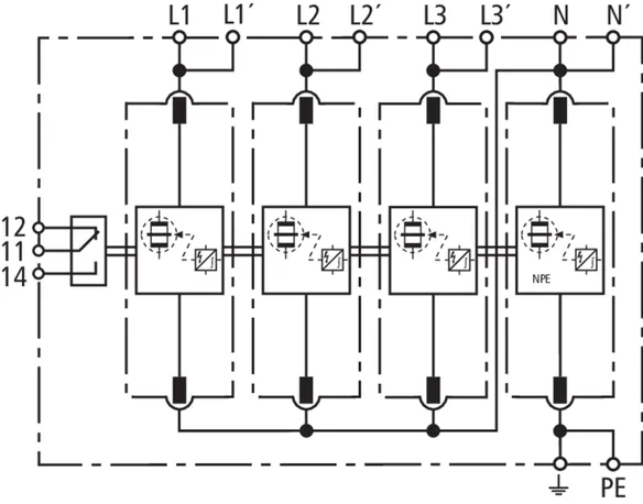
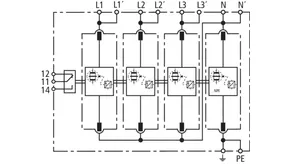
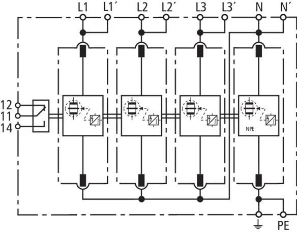
DVA M NG 3P 100 FM

1 Produkt

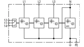
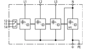
Nr kat. 900352 DVA M NG 3P 100 FM

GTIN / EAN 4013364455931, Nr taryfy celnej (EU): 85363090, Waga brutto: 598.33 g, Jednostka opakowaniowa: 1.00 szt.


Rysunki

Informacje dodatkowe



Producent: DEHN
Typ: DVA M NG 3P 100 FM
Nr kat.: 900352
lub podobny.

Certyfikaty

 

Dane techniczne

Ogranicznik przepięć zgodnie z PN-EN 61643-11 typ 1 + typ 2 / klasa I + klasa II
Największe napięcie trwałej pracy AC [L-N]/[N-PE] (UC ) 255 V (50 / 60 Hz)
Prąd udarowy (10/350 µs) [L1+L2+L3+N-PE] (Itotal ) 100 kA
Prąd udarowy (10/350 µs) [L-N]/[N-PE] (Iimp ) 25 / 100 kA
Znamionowy prąd wyładowczy (8/20 µs) [L-N]/[N-PE] (In ) 25 / 100 kA
Napięciowy poziom ochrony [L-N]/[N-PE] (UP ) ≤ 1,5 / ≤ 1,5 kV kV
Certyfikaty KEMA, UL
Rodzaj zestyku zdalnej sygnalizacji (FM) bezpotencjałowy zestyk przełączny

Produkt 900352 został dodany do notatnika.

Do koszyka dodano produkt 900352.


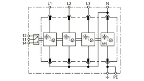
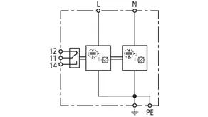
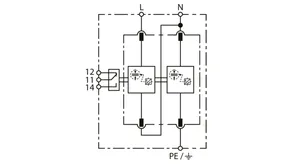
DVA M NG 1P 50 FM

1 Produkt

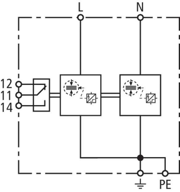
Nr kat. 900351 DVA M NG 1P 50 FM

GTIN / EAN 4013364455948, Nr taryfy celnej (EU): 85363090, Waga brutto: 320.37 g, Jednostka opakowaniowa: 1.00 szt.


Rysunki

Informacje dodatkowe



Producent: DEHN
Typ: DVA M NG 1P 50 FM
Nr kat.: 900351
lub podobny.

Certyfikaty

 

Dane techniczne

Ogranicznik przepięć zgodnie z PN-EN 61643-11 typ 1 + typ 2 / klasa I + klasa II
Największe napięcie trwałej pracy AC [L-N]/[N-PE] (UC ) 255 V (50 / 60 Hz)
Prąd udarowy (10/350 µs) [L-N]/[N-PE] (Iimp ) 25 / 50 kA
Prąd udarowy (10/350 µs) [L+N-PE] (Itotal ) 50 kA
Znamionowy prąd wyładowczy (8/20 µs) [L-N]/[N-PE] (In ) 25 / 50 kA
Napięciowy poziom ochrony [L-N]/[N-PE] (UP ) ≤ 1,5 / ≤ 1,5 kV
Certyfikaty KEMA, UL
Rodzaj zestyku zdalnej sygnalizacji (FM) bezpotencjałowy zestyk przełączny

Produkt 900351 został dodany do notatnika.

Do koszyka dodano produkt 900351.


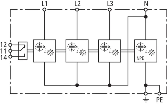
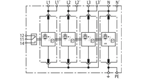
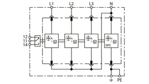
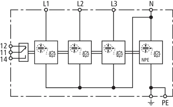
DVA CSP 3P 100 FM

1 Produkt

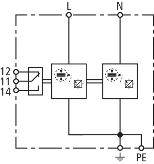
Nr kat. 900360 DVA CSP 3P 100 FM

GTIN / EAN 4013364111332, Nr taryfy celnej (EU): 85363090, Waga brutto: 1.34 kg, Jednostka opakowaniowa: 1.00 szt.


Rysunki

Informacje dodatkowe



Producent: DEHN
Typ: DVA CSP 3P 100 FM
Nr kat.: 900360
lub podobny.

Certyfikaty

 

Dane techniczne

Ogranicznik przepięć zgodnie z PN-EN 61643-11 typ 1 + typ 2 / klasa I + klasa II
Największe napięcie trwałej pracy AC [L-N]/[N-PE] (UC ) 264 V (50 / 60 Hz)
Największe trwałe napięcie pracy AC [N-PE] (UC (N-PE) ) 255 V (50 / 60 Hz)
Prąd udarowy (10/350 µs) [L1+L2+L3+N-PE] (Itotal ) 100 kA
Prąd udarowy (10/350 µs) [L-N]/[N-PE] (Iimp ) 25 / 100 kA
Znamionowy prąd wyładowczy (8/20 µs) (In ) 25 / 100 kA
Napięciowy poziom ochrony [L-N]/[N-PE] (UP ) ≤ 1,5 kV / ≤ 1,5 kV
Certyfikaty KEMA
Rodzaj zestyku zdalnej sygnalizacji (FM) bezpotencjałowy zestyk przełączny

Produkt 900360 został dodany do notatnika.

Do koszyka dodano produkt 900360.


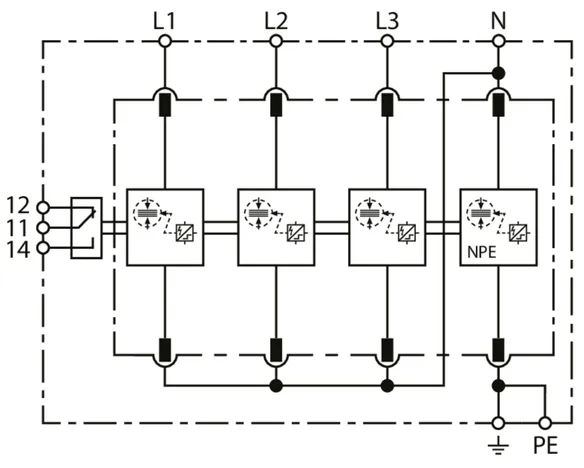
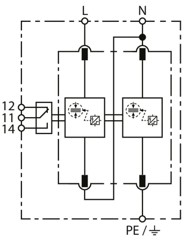
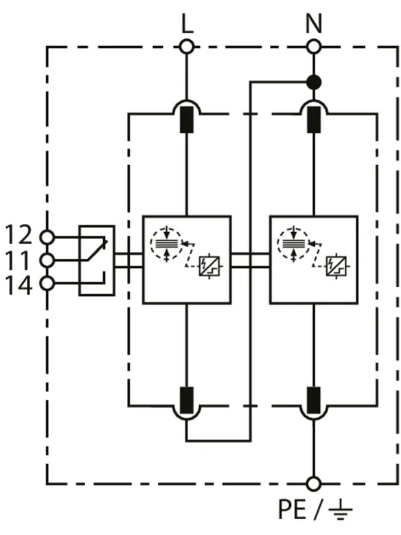
DVA CSP 3P 100 S FM

1 Produkt

Nr kat. 900367 DVA CSP 3P 100 S FM

GTIN / EAN 4013364322288, Nr taryfy celnej (EU): 85363090, Waga brutto: 529.00 g, Jednostka opakowaniowa: 1.00 szt.


Rysunki

Informacje dodatkowe

Kombinowany ogranicznik przepięć DEHNvap CSP 3P 100 S FMTT 255 FM
4-biegunowy kombinowany ogranicznik przepięć do sieci TT i TN o napięciu znamionowym 230/400 V,
szerokość 4 moduły, z zestykiem zdalnej sygnalizacji
Ogranicznik przepięć typu 1 + typu 2 zgodnie z EN 61643-11
Zoptymalizowany pod kątem zastosowania w kompaktowych instalacjach elektrycznych
technologia iskiernikowa z ograniczeniem prądów następczych
Wskaźnik uszkodzenia
Największe napięcie trwałej pracy: 255 V AC
Napięciowy poziom ochrony: <= 1,5 kV
Prąd udarowy pioruna (10/350): 25 kA
Koordynacja energetyczna według DIN EN 62305-4
Ogranicznik przepięć z rodziny Red/Line, a także bezpośrednio do urządzenia końcowego

Producent: DEHN
Typ: DVA CSP 3P 100 S FM
Nr kat.: 900367
lub podobny.

Certyfikaty

 

Dane techniczne

Ogranicznik przepięć zgodnie z PN-EN 61643-11 typ 1 + typ 2 / klasa I + klasa II
Największe napięcie trwałej pracy AC [L-N]/[N-PE] (UC ) 255 V (50 / 60 Hz)
Prąd udarowy (10/350 µs) [L-N]/[N-PE] (Iimp ) 25 / 100 kA
Znamionowy prąd wyładowczy (8/20 µs) (In ) 25 / 100 kA
Napięciowy poziom ochrony [L-N]/[N-PE] (UP ) ≤ 1,5 kV / ≤ 1,5 kV
Certyfikaty KEMA
Rodzaj zestyku zdalnej sygnalizacji (FM) bezpotencjałowy zestyk przełączny

Produkt 900367 został dodany do notatnika.

Do koszyka dodano produkt 900367.


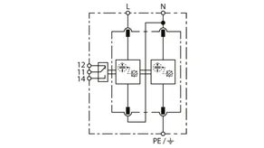
DVA CSP 1P 50 S FM

1 Produkt

Nr kat. 900366 DVA CSP 1P 50 S FM

GTIN / EAN 4013364374669, Nr taryfy celnej (EU): 85363090, Waga brutto: 265.52 g, Jednostka opakowaniowa: 1.00 szt.


Rysunki

Informacje dodatkowe

Kombinowany ogranicznik przepięć DEHNvap CSP 1P 50 S FM
2-biegunowy kombinowany ogranicznik przepięć do sieci TT o napięciu znamionowym 230/400 V
Ogranicznik przepięć typu 1 + typu 2 zgodnie z EN 61643-11
O szerokości 2 modułów DIN, z zestykiem zdalnej sygnalizacji
Zoptymalizowany pod kątem zastosowania w kompaktowych instalacjach elektrycznych
technologia iskiernikowa z ograniczeniem prądów następczych
Wskaźnik uszkodzenia
Największe napięcie trwałej pracy: 255 V AC
Napięciowy poziom ochrony: <= 1,5 kV
Prąd udarowy pioruna (10/350): 25 kA
Koordynacja energetyczna według DIN EN 62305-4
Ogranicznik przepięć z rodziny Red/Line, a także bezpośrednio do urządzenia końcowego

Producent: DEHN
Typ: DVA CSP 1P 50 S FM
Nr kat.: 900366
lub podobny.

Certyfikaty

 

Dane techniczne

Ogranicznik przepięć zgodnie z PN-EN 61643-11 typ 1 + typ 2 / klasa I + klasa II
Największe napięcie trwałej pracy AC [L-N]/[N-PE] (UC ) 255 V (50 / 60 Hz)
Prąd udarowy (10/350 µs) [L-N]/[N-PE] (Iimp ) 25 / 50 kA
Znamionowy prąd wyładowczy (8/20 µs) (In ) 25 / 50 kA
Napięciowy poziom ochrony [L-N]/[N-PE] (UP ) ≤ 1,5 kV / ≤ 1,5 kV
Certyfikaty KEMA
Rodzaj zestyku zdalnej sygnalizacji (FM) bezpotencjałowy zestyk przełączny

Produkt 900366 został dodany do notatnika.

Do koszyka dodano produkt 900366.


Powrót na górę