Your dashboard services.
Register to access all tools.

Maszty odgromowe do przewodu HVI light na dachach płaskich

Maszt odgromowy kompletny, z poczwórną płytką przyłączeniową do przewodu HVI light i zestaw mocujący do montażu przewodu na maszcie odgromowym.
Z możliwością kompensacji nachylenia dachu do maks. 10°.
Podstawy betonowe (waga 17 kg) oraz podkładki należy zamawiać oddzielnie.

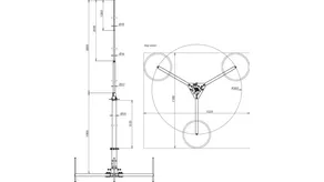
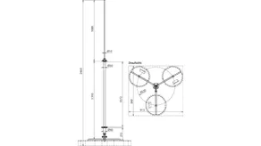
Maszt odgromowy 30 do przewodu HVI light, zestaw I, wysokość całkowita 2300 mm

1 Produkt

Nr kat. 819282 FM D30 L2300 DBS R320 GFK AL STTZN

GTIN / EAN 4013364252073, Nr taryfy celnej (EU): 85389099, Waga brutto: 4.73 kg, Jednostka opakowaniowa: 1.00 szt.

Wcześniejszy produkt

Rysunki

Informacje dodatkowe

Maszty odgromowe do przewodu HVI light na dachach płaskich
kompletne, z poczwórną płytką przyłączeniową na
przewód HVI light i zestaw mocujący do montażu
przewodu na maszcie odgromowym.
Pozwalający zachować odstęp separujący od elementów przewodzących prąd
zgodnie z normą DIN EN 62305-3 (VDE 0185-305-3)
Długość izolacyjna z tworzywa sztucznego wzmocnionego włóknem szklanym (GRP)
Rura Ø30 mm
Współczynnik materiałowy km = 0,7
Kolor jasnoszary, odporny na promieniowanie UV
Maszt odgromowy, zwymiarowany zgodnie z
Eurokodem 1 (DIN EN 1991-1-4 + DIN EN 1991-1-4/NA)
Możliwość dostosowania do nachylenia dachu do maks. 10°.
Maszt odgromowy 30 do przewodu HVI light SET I
Wysokość całkowita 2300 mm
Podstawę betonową do układania jedna na drugiej (art. nr 102 010) i
podkładkę (art. nr 102 050) należy zamawiać
oddzielnie.
Wysokość: 2300 mm
Materiał statywu: St/tZn
Promień (statyw): 320 mm
Materiał rury wsporczej: GRP / aluminium
Długość rury wsporczej: 1300 mm
Długość izolacyjna: 1095 mm
Długość iglicy odgromowej: 1000 mm
Materiał iglicy odgromowej: stal nierdzewna
Maksymalne obciążenie wiatrem przy 3 podstawach po 17 kg, 2 przewody HVI light na zewnątrz: 149 km/h
Odniesienie do norm: DIN IEC/TS 62561-8 (VDE V 0185-561-8)

Producent: DEHN
Typ: FM D30 L2300 DBS R320 GFK AL STTZN
Nr kat.: 819282
lub podobny.

Certyfikaty

 

Dane techniczne

Materiał statywu St/tZn
Promień (statyw) 320 mm
Materiał rury wsporczej GRP / aluminium
Długość rury wsporczej 1300 mm
Długość izolacyjna 1095 mm
Długość iglicy odgromowej 1000 mm
Materiał iglicy odgromowej stal nierdzewna
Maksymalne obciążenie wiatrem przy 3 podstawach po 17 kg, 2 przewody HVI light na zewnątrz 149 km/h
Odniesienie do norm DIN IEC/TS 62561-8 (VDE V 0185-561-8)

Produkt 819282 został dodany do notatnika.

Do koszyka dodano produkt 819282.


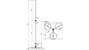
Maszt odgromowy 30 do przewodu HVI light, zestaw II, wysokość całkowita 2800 mm

1 Produkt

Nr kat. 819287 FM D30 L2800 DBS R320 GFK AL STTZN

GTIN / EAN 4013364252097, Nr taryfy celnej (EU): 85389099, Waga brutto: 4.59 kg, Jednostka opakowaniowa: 1.00 szt.

Wcześniejszy produkt

Rysunki

Informacje dodatkowe

Maszty odgromowe do przewodu HVI light na dachach płaskich
kompletne, z poczwórną płytką przyłączeniową na
przewód HVI light i zestaw mocujący do montażu
przewodu na maszcie odgromowym.
Pozwalający zachować odstęp separujący od elementów przewodzących prąd
zgodnie z normą DIN EN 62305-3 (VDE 0185-305-3)
Długość izolacyjna z tworzywa sztucznego wzmocnionego włóknem szklanym (GRP)
Rura Ø30 mm
Współczynnik materiałowy km = 0,7
Kolor jasnoszary, odporny na promieniowanie UV
Maszt odgromowy, zwymiarowany zgodnie z
Eurokodem 1 (DIN EN 1991-1-4 + DIN EN 1991-1-4/NA).
Możliwość dostosowania do nachylenia dachu do maks. 10°.
Maszt odgromowy Ø30 do przewodu HVI light SET II
Wysokość całkowita 2800 mm
Podstawę betonową do układania jedna na drugiej (art. nr 102 010) i
podkładkę (art. nr 102 050) należy zamawiać
oddzielnie.
Wysokość: 2800 mm
Materiał statywu: St/tZn
Promień (statyw): 320 mm
Materiał rury wsporczej: GRP / aluminium
Długość rury wsporczej: 1300 mm
Długość izolacyjna: 1095 mm
Długość iglicy odgromowej: 1500 mm
Materiał iglicy odgromowej: Al
Maksymalne obciążenie wiatrem przy 3 podstawach po 17 kg, 2 przewody HVI light na zewnątrz: 132 km/h
Odniesienie do norm: DIN IEC/TS 62561-8 (VDE V 0185-561-8)

Producent: DEHN
Typ: FM D30 L2800 DBS R320 GFK AL STTZN
Nr kat.: 819287
lub podobny.

Certyfikaty

 

Dane techniczne

Materiał statywu St/tZn
Promień (statyw) 320 mm
Materiał rury wsporczej GRP / aluminium
Długość rury wsporczej 1300 mm
Długość izolacyjna 1095 mm
Długość iglicy odgromowej 1500 mm
Materiał iglicy odgromowej Al
Maksymalne obciążenie wiatrem przy 3 podstawach po 17 kg, 2 przewody HVI light na zewnątrz 132 km/h
Odniesienie do norm DIN IEC/TS 62561-8 (VDE V 0185-561-8)

Produkt 819287 został dodany do notatnika.

Do koszyka dodano produkt 819287.


Maszt odgromowy 50 do przewodu HVI light, zestaw I, wysokość całkowita 2900 mm

1 Produkt

Nr kat. 819380 FM D50 10 2900 GFK AL DBS KB STTZN

GTIN / EAN 4013364241916, Nr taryfy celnej (EU): 85389099, Waga brutto: 13.88 kg, Jednostka opakowaniowa: 1.00 szt.

Wcześniejszy produkt

Rysunki

Informacje dodatkowe

Maszty odgromowe do przewodu HVI light na dachach płaskich
kompletne, z poczwórną płytką przyłączeniową na
przewód HVI light i zestaw mocujący do montażu
przewodu na maszcie odgromowym.
Pozwalający zachować odstęp separujący od elementów przewodzących prąd
zgodnie z normą DIN EN 62305-3 (VDE 0185-305-3)
Długość izolacyjna z tworzywa sztucznego wzmocnionego włóknem szklanym (GRP)
Rura Ø50 mm
Współczynnik materiałowy km = 0,7
Kolor jasnoszary, odporny na promieniowanie UV
Maszty odgromowe są zwymiarowane zgodnie
Eurokodem 1 (DIN EN 1991-1-4 + DIN EN 1991-1-4/NA) do
maksymalnego obciążenia wiatrem 203 km/godz.
Możliwość dostosowania do nachylenia dachu do maks. 10°.
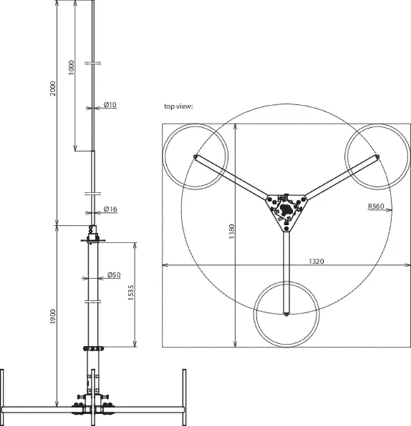
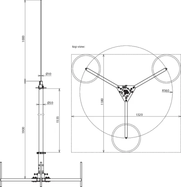
Maszt odgromowy 50 do przewodu HVI light SET I
Wysokość całkowita 2900 mm
Podstawę betonową do układania jedna na drugiej (art. nr 102 010) i
podkładkę (art. nr 102 050) należy zamawiać oddzielnie.
Wysokość: 2900 mm
Materiał statywu: St/tZn
Promień (statyw): 560 mm
Materiał rury wsporczej: GRP / aluminium
Długość rury wsporczej: 1900 mm
Długość izolacyjna: 1535 mm
Długość iglicy odgromowej: 1000 mm
Materiał iglicy odgromowej: stal nierdzewna
Maksymalne obciążenie wiatrem przy 3 podstawach po 17 kg, 2 przewody HVI light na zewnątrz: 121 km/h
Maksymalne obciążenie wiatrem przy 6 podstawach po 17 kg, 2 przewody HVI light na zewnątrz: 166 km/h
Maksymalne obciążenie wiatrem przy 9 podstawach po 17 kg, 2 przewody HVI light na zewnątrz: 203 km/h
Odniesienie do norm: DIN IEC/TS 62561-8 (VDE V 0185-561-8)

Producent: DEHN
Typ: FM D50 10 2900 GFK AL DBS KB STTZN
Nr kat.: 819380
lub podobny.

Certyfikaty

 

Dane techniczne

Materiał statywu St/tZn
Promień (statyw) 560 mm
Materiał rury wsporczej GRP / aluminium
Długość rury wsporczej 1900 mm
Długość izolacyjna 1535 mm
Długość iglicy odgromowej 1000 mm
Materiał iglicy odgromowej stal nierdzewna
Maksymalne obciążenie wiatrem przy 3 podstawach po 17 kg, 2 przewody HVI light na zewnątrz 121 km/h
Maksymalne obciążenie wiatrem przy 6 podstawach po 17 kg, 2 przewody HVI light na zewnątrz 166 km/h
Maksymalne obciążenie wiatrem przy 9 podstawach po 17 kg, 2 przewody HVI light na zewnątrz 203 km/h
Odniesienie do norm DIN IEC/TS 62561-8 (VDE V 0185-561-8)

Produkt 819380 został dodany do notatnika.

Do koszyka dodano produkt 819380.


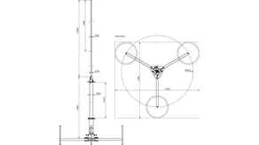
Maszt odgromowy 50 do przewodu HVI light, zestaw II, wysokość całkowita 3900 mm

1 Produkt

Nr kat. 819385 FM D50 16 10 3900 GFK AL DBS KB STTZN

GTIN / EAN 4013364241923, Nr taryfy celnej (EU): 85389099, Waga brutto: 13.99 kg, Jednostka opakowaniowa: 1.00 szt.

Wcześniejszy produkt

Rysunki

Informacje dodatkowe

Maszty odgromowe do przewodu HVI light na dachach płaskich
kompletne, z poczwórną płytką przyłączeniową na
przewód HVI light i zestaw mocujący do montażu
przewodu na maszcie odgromowym.
Pozwalający zachować odstęp separujący od elementów przewodzących prąd
zgodnie z normą DIN EN 62305-3 (VDE 0185-305-3)
Długość izolacyjna z tworzywa sztucznego wzmocnionego włóknem szklanym (GRP)
Rura Ø50 mm
Współczynnik materiałowy km = 0,7
Kolor jasnoszary, odporny na promieniowanie UV
Maszty odgromowe są zwymiarowane zgodnie
Eurokodem 1 (DIN EN 1991-1-4 + DIN EN 1991-1-4/NA) do
maksymalnego obciążenia wiatrem 179 km/godz.
Możliwość dostosowania do nachylenia dachu do maks. 10°.
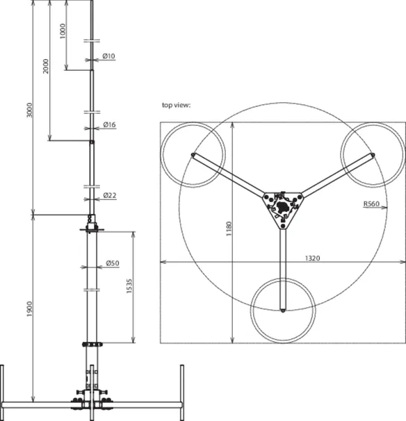
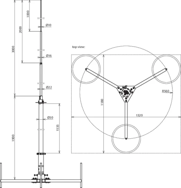
Maszt odgromowy 50 do przewodu HVI light SET II
Wysokość całkowita 3900 mm
Podstawę betonową do układania jedna na drugiej (art. nr 102 010) i
podkładkę (art. nr 102 050) należy zamawiać oddzielnie.
Wysokość: 3900 mm
Materiał statywu: St/tZn
Promień (statyw): 560 mm
Materiał rury wsporczej: GRP / aluminium
Długość rury wsporczej: 1900 mm
Długość izolacyjna: 1535 mm
Długość iglicy odgromowej: 2000 mm
Materiał iglicy odgromowej: Al
Maksymalne obciążenie wiatrem przy 3 podstawach po 17 kg, 2 przewody HVI light na zewnątrz: 110 km/h
Maksymalne obciążenie wiatrem przy 6 podstawach po 17 kg, 2 przewody HVI light na zewnątrz: 147 km/h
Maksymalne obciążenie wiatrem przy 9 podstawach po 17 kg, 2 przewody HVI light na zewnątrz: 179 km/h
Odniesienie do norm: DIN IEC/TS 62561-8 (VDE V 0185-561-8)

Producent: DEHN
Typ: FM D50 16 10 3900 GFK AL DBS KB STTZN
Nr kat.: 819385
lub podobny.

Certyfikaty

 

Dane techniczne

Materiał statywu St/tZn
Promień (statyw) 560 mm
Materiał rury wsporczej GRP / aluminium
Długość rury wsporczej 1900 mm
Długość izolacyjna 1535 mm
Długość iglicy odgromowej 2000 mm
Materiał iglicy odgromowej Al
Maksymalne obciążenie wiatrem przy 3 podstawach po 17 kg, 2 przewody HVI light na zewnątrz 110 km/h
Maksymalne obciążenie wiatrem przy 6 podstawach po 17 kg, 2 przewody HVI light na zewnątrz 147 km/h
Maksymalne obciążenie wiatrem przy 9 podstawach po 17 kg, 2 przewody HVI light na zewnątrz 179 km/h
Odniesienie do norm DIN IEC/TS 62561-8 (VDE V 0185-561-8)

Produkt 819385 został dodany do notatnika.

Do koszyka dodano produkt 819385.


Maszt odgromowy 50 do przewodu HVI light, zestaw III, wysokość całkowita 4900 mm

1 Produkt

Nr kat. 819390 FM D50 22 16 10 4900 GFK AL DBS KB STTZN

GTIN / EAN 4013364241930, Nr taryfy celnej (EU): 85389099, Waga brutto: 13.27 kg, Jednostka opakowaniowa: 1.00 szt.


Rysunki

Informacje dodatkowe

Maszty odgromowe do przewodu HVI light na dachach płaskich
kompletne, z poczwórną płytką przyłączeniową na
przewód HVI light i zestaw mocujący do montażu
przewodu na maszcie odgromowym.
Pozwalający zachować odstęp separujący od elementów przewodzących prąd
zgodnie z normą DIN EN 62305-3 (VDE 0185-305-3)
Długość izolacyjna z tworzywa sztucznego wzmocnionego włóknem szklanym (GRP)
Rura Ø50 mm
Współczynnik materiałowy km = 0,7
Kolor jasnoszary, odporny na promieniowanie UV
Maszty odgromowe są zwymiarowane zgodnie
Eurokodem 1 (DIN EN 1991-1-4 + DIN EN 1991-1-4/NA) do
maksymalnego obciążenia wiatrem 147 km/godz.
Możliwość dostosowania do nachylenia dachu do maks. 10°.
Maszt odgromowy 50 do przewodu HVI light SET III
Wysokość całkowita 4900 mm
Podstawę betonową do układania jedna na drugiej (art. nr 102 010) i
podkładkę (art. nr 102 050) należy zamawiać oddzielnie.
Wysokość: 4900 mm
Materiał statywu: St/tZn
Promień (statyw): 560 mm
Materiał rury wsporczej: GRP / aluminium
Długość rury wsporczej: 1900 mm
Długość izolacyjna: 1535 mm
Długość iglicy odgromowej: 3000 mm
Materiał iglicy odgromowej: Al
Maksymalne obciążenie wiatrem przy 3 podstawach po 17 kg, 2 przewody HVI light na zewnątrz: 97 km/h
Maksymalne obciążenie wiatrem przy 6 podstawach po 17 kg, 2 przewody HVI light na zewnątrz: 124 km/h
Maksymalne obciążenie wiatrem przy 9 podstawach po 17 kg, 2 przewody HVI light na zewnątrz: 147 km/h
Odniesienie do norm: DIN IEC/TS 62561-8 (VDE V 0185-561-8)

Producent: DEHN
Typ: FM D50 22 16 10 4900 GFK AL DBS KB STTZN
Nr kat.: 819390
lub podobny.

Certyfikaty

 

Dane techniczne

Materiał statywu St/tZn
Promień (statyw) 560 mm
Materiał rury wsporczej GRP / aluminium
Długość rury wsporczej 1900 mm
Długość izolacyjna 1535 mm
Długość iglicy odgromowej 3000 mm
Materiał iglicy odgromowej Al
Maksymalne obciążenie wiatrem przy 3 podstawach po 17 kg, 2 przewody HVI light na zewnątrz 97 km/h
Maksymalne obciążenie wiatrem przy 6 podstawach po 17 kg, 2 przewody HVI light na zewnątrz 124 km/h
Maksymalne obciążenie wiatrem przy 9 podstawach po 17 kg, 2 przewody HVI light na zewnątrz 147 km/h
Odniesienie do norm DIN IEC/TS 62561-8 (VDE V 0185-561-8)

Produkt 819390 został dodany do notatnika.

Do koszyka dodano produkt 819390.


Powrót na górę