Your dashboard services.
Register to access all tools.

DEHNcharge

• Gotowy do podłączenia kombinowany ogranicznik przepięć typu 1 + typu 2 do dużych akumulatorowych systemów magazynowania energii elektrycznej DC
• Sprawdzony, odporny na błędy układ Y
• Kompaktowa, umożliwiająca oszczędność miejsca konstrukcja o szerokości tylko 4 modułów do instalacji do 1500 V DC
• Zoptymalizowany pod kątem zastosowania napięciowy poziom ochrony ≤ 3kV
• Do stosowania do maks. prognozowanego prądu zwarciowego 100 kA
• Wskaźnik działania / uszkodzenia w postaci zielonego / czerwonego znacznika w okienku kontrolnym

1 Produkt

Nr kat. 900095 DCG T1 BATT 1500 FM

GTIN / EAN 4013364510838, Nr taryfy celnej (EU): 85354000, Waga brutto: 587.00 g, Jednostka opakowaniowa: 1.00 szt.


Rysunki

Informacje dodatkowe

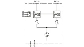
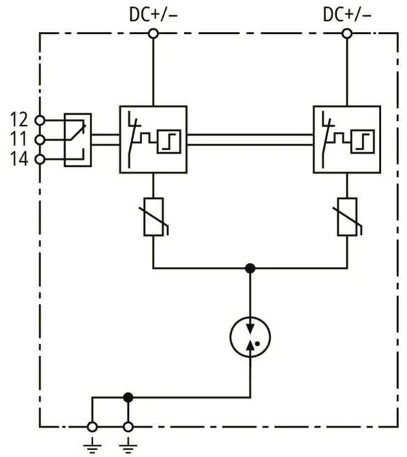
Kombinowany ogranicznik przepięć DEHNcharge T1 BATT 1500 FM
Wielobiegunowy kombinowany ogranicznik przepięć typu 1 + typu 2
do akumulatorowych systemów magazynowania energii elektrycznej do 1500 V DC, szerokość: 4 moduły
Ogranicznik przepięć typu 1 + typu 2 zgodnie z EN 61643-11
Kombinowane urządzenie odłączająco-zwierające
z zestykiem zdalnej sygnalizacji
Wskaźnik uszkodzenia
Maksymalne napięcie PV: <= 1500 V DC
Całkowity prąd wyładowczy: 5 kA
Napięciowy poziom ochrony: <= 3 kV
Wytrzymałość zwarciowa Iscpv: 100 kA

Producent: DEHN
Typ: DCG T1 BATT 1500 FM
Nr kat.: 900095
lub podobny.

Certyfikaty

 

Dane techniczne

Urządzenia ochronne zgodne z IEC 61643-11 typ 1 + typ 2 / klasa I + klasa II
Największe napięcie trwałej pracy DC [DC+ / DC-] (UC ) ≤ 1500 V
Największe napięcie trwałej pracy DC [(DC+/DC-) --> PE] (UC ) ≤ 750 V
Wytrzymałość zwarciowa (t ≤ 5,83 ms) (ISCCR ) 100 kArms
Całkowity prąd wyładowczy (10/350 µs) [DC+/DC- -> PE] (Itotal ) 10 kA
Prąd udarowy pioruna (10/350 µs) [DC+ -> PE/DC- -> PE] (Iimp ) 5 kA
Napięciowy poziom ochrony [(DC+/DC-) -> PE] (UP ) < 3 kV
Napięciowy poziom ochrony [DC+ -> DC-] (UP ) < 6 kV
Rodzaj zestyku zdalnej sygnalizacji (FM) Bezpotencjałowy zestyk przełączny

Produkt 900095 został dodany do notatnika.

Do koszyka dodano produkt 900095.


Powrót na górę